燃气报装资料清单
- 格式:docx
- 大小:13.69 KB
- 文档页数:1
非居民用气安装燃气申报单
绵阳燃气集团公司:
单位(个人)自愿申报安装天然气,安装地址,联系电话,联系人。
申报用气类型:
1.中餐馆;2、火锅店;3、小吃店;4、食堂;5、美容美发;6、茶园;7、健身(洗浴中心);8、旅馆酒店;9、大型设备;
10、工业生产;11、其他。
申报用气设备:
1、(单、双)眼炒灶台;
2、大锅灶台;
3、(大、小)卡式炉台;
4、蒸柜台;
5、眼煲仔炉台;
6、(单、双)眼吊汤炉台;
7、家用热水器台;
8、锅炉台;
9、家用(单、双)眼灶台;10、其他。
用户自行购买与供应气源相适配得燃气质量合格器具,并提供设备的相关技术资料。
申报人:
所在社区(小区)盖章
二0 年月日注:为便于用户能及时接管通气,请用户征得所在社区(小区)的同意,并盖章。
说明燃气工程申请应提供的材料SANY标准化小组 #QS8QHH-HHGX8Q8-GNHHJ8-HHMHGN#一、燃气工程建设申请所需提供材料:(一)燃气工程建设申请表;(二)燃气工程平面布局图与位置图;(三)燃气工程规模、功能等介绍材料;(四)供气合同或意向书;(五)燃气储配站等建设项目还需提供可行性报告、安全评价报告等。
二、申请燃气工程施工许可证所需提供的材料:(一)燃气工程项目建设批准文书;(二)燃气工程施工图审查批准文书;(三)土地使用权证及建设工程用地规划许可证、建设工程规划许可证;(四)燃气工程施工合同、监理合同、中标通知书;(五)地质勘察报告;(六)门站、储配站、加气站等场站工程还应提交消防部门出具的审查意见;(七)市外的工程施工、监理单位还需提交备案登记证明文件;(八)法律法规规定的其他材料。
三、燃气工程竣工验收备案应提供的材料:(一)燃气工程竣工验收备案表;(二)燃气工程施工许可证;(三)勘察、设计、施工、监理等单位分别出具的质量合格文件;(四)施工单位签署的燃气工程质量保修书;(五)供气经营单位出具的质量检查报告;(六)法律法规规定应当由规划、消防、气象、质监等部门出具的认可文件或者准许使用文件;(七)次高压及次高压以上燃气管线工程办理工程竣工验收备案手续时还应提供质监、消防部门出具的单项验收意见。
(八)法律法规规定应当提交的其他备案材料。
四、燃气工程勘察、设计、施工、监理单位备案应提供的材料:(一)燃气工程勘察、设计、施工、监理单位备案登记表;(二)资质证书副本原件及复印件;(三)建筑施工企业安全生产许可证原件、复印件;(四)法人营业执照副本原件及复印件;(五)项目负责人的资格证书、岗位证书原件及复印件;项目技术负责人的资格证书、岗位证书原件及复印件;项目安全员、特种作业人员岗位证书原件及复印件。
复印件需加盖单位公章。
报装登记表BJRQ/SCFZMS/ZD-01-DZ-01-JL-01年月日个性化服务协议BJRQ/SCFZMS/GD-03-DZ-01-JL-02工程编号:协议编号:甲方:公司乙方:北京市燃气集团有限责任公司公司为了确保燃气的施工质量、住户的用气安全,户内燃气管道安装应符合相关设计、施工规范的要求,同时燃气管道安装应充分考虑用户的个性化需求,位于(工程地址)(工程名称),工程编号:,采取分步施工、分步通气,即首先进行主体工程(燃气外线及户内立管)安装,待主体工程验收、通气后再由乙方的区域分公司进行户内燃气支管安装、验收、通气。
考虑到用户入住时间及需求差异,为最大限度的满足用户需求,做好户内燃气支管的施工及管理工作,经甲乙双方协商,达成以下协议:1 甲方向用户明示燃气管道入户到燃气表前节门。
2 甲方委托乙方进行燃气表、表后支管及设备部分的安装,并依据施工合同支付工程费用、办理相关手续,并配合实施、验收、通气。
3 甲方应就支管安装通气事宜与小区后期管理单位(物业或其他单位)做好交接,保证协议履行的连续性,小区后期管理单位应按照本协议约定,配合做好每户居民的支管安装、验收和通气工作。
如因小区后期管理单位等第三方原因导致本协议无法履行,甲方需赔偿乙方因本协议履行而实际投入的各项费用,并承担由此给乙方造成的实际损失。
4 乙方负责办理工程报装、下达设计任务、下达工程实施任务、协调相关单位完成主体工程实施、验收和通气。
5 乙方负责协调完成户内燃气表、表后支管及设备部分的安装、验收和通气。
6 乙方负责设立专用咨询电话,解答用户的相关问题、提供相关的技术咨询和业务咨询,协调相关单位妥善处理用户来电和投诉。
7 本协议履行过程中产生的任何争议首先由双方协商解决,协商不成,任何一方均有权向甲方所在地人民法院提起诉讼。
8 本协议一式三份,具有同等法律效力。
甲方代表(签字):年月日乙方代表(签字):年月日甲方(盖章):乙方(盖章):电话:电话:附录3:施工委托书BJRQ/SCFZMS/ZD-01-DZ-01-JL-03 北京市燃气集团有限责任公司:我单位委托进行工程施工,并办理燃气交底、验收、接线、通气等相关手续。
民建户项目报装流程(流程编号:CTGH-004)1.流程2.流程说明3 流程所需的报表与表单编号:CTGH-004-1编号HNLC-001-3管道燃气设计及施工合同书甲方:____________有限公司(以下简称甲方)乙方:长汀港华燃气有限公司(以下简称乙方)乙方具有相应资质的施工单位承建____________住宅管道燃气工程设计、施工及安装地管、立管、户内管工程,为明确双方责任和义务,签订本合同:第一条工程概况1.工程名称:______________住宅燃气户外地管、立管及户内管和计量表安装工程2.工程地点:_________________.3.工程内容:3.1.小区住宅____户楼宇。
燃气户外地管及立管工程:包括市政管网至小区庭院管网以及从建筑物外楼宇总阀开始沿墙铺设立管,安装到用户厨房或水平支管可控球阀加丝堵。
3.2.小区住宅____户楼宇。
安装燃气管道用户不能私自明装、暗藏户内管道,复式结构以施工图纸为准。
3.3.因甲方户型或户数变更引起的增加或减少费用,经甲方签证确认后按双方约定的单价结算。
3.4.在施工单位提供的燃气工程设计图纸及安装工程经甲方确认后至竣工验收之前,甲方要求进行变更的,由甲方承担变更费用并相应延长工期,乙方需要在收到该书面变更要求后五个日历天内提出工程变更预算书,经甲方确认后实施,否则视为该等变更不涉及费用增加,经过甲方确认的费用变更计入双方结算,在甲方支付结算款时支付。
3.5.因设计原因或施工失误引起的变更由乙方承担相关费用及其责任。
第二条合同总价及结算1.本合同总户数为____户总价款为人民币:¥______.00元;大写人民币:______元整。
每户工程费:¥ ____.00(含税价)元。
2.按完工实际安装户数结算,如有甲方确认的变更工程造价则在结算时结清。
第三条工程期限1.在所有政府报批手续完成且具备施工条件情形下,根据土建工程进度或按甲方要求之施工通知分批安装,工程须在楼宇交付前全部完成。
燃气工程施工需要的资料1. 工程设计图纸:工程设计图纸是燃气工程施工的基础。
设计图纸包括整个工程的布局、管道走向、设备位置等信息。
施工队需要根据设计图纸进行具体施工,确保工程的准确性和安全性。
2. 施工方案:在开始施工前,施工队需要制定详细的施工方案。
施工方案包括施工流程、安全措施、工期安排等内容。
施工队必须严格按照施工方案进行施工,以确保工程顺利进行。
3. 施工材料清单:施工队需要准备足够的材料以保证工程的顺利进行。
材料清单包括管道、阀门、管件、焊接材料等材料的种类和数量。
施工队应提前准备好所有需要的材料,以免因材料不足而延误工程进度。
4. 施工设备清单:施工队需要准备各种施工设备以完成工程施工。
施工设备清单包括焊接设备、切割设备、起重设备等设备的种类和数量。
施工队应确保所有设备的正常运转,以确保施工的顺利进行。
5. 施工人员名单:施工队需要组织一支专业的施工团队以完成工程施工。
施工人员名单包括工程经理、施工队长、焊工、电工等人员的姓名和工种。
施工队需要确保所有施工人员具有相关的证书和经验,以保证工程的质量和安全。
6. 安全管理计划:安全是燃气工程施工的首要任务。
施工队需要制定详细的安全管理计划,包括施工现场的安全规定、应急预案、危险性评估等内容。
施工队必须严格执行安全管理计划,确保施工过程中不发生安全事故。
7. 施工进度计划:施工队需要制定详细的施工进度计划,包括每个施工阶段的工作内容、时间节点、进度要求等内容。
施工队应严格按照进度计划进行施工,以确保工程按时完成。
总结:燃气工程施工前需要准备大量的资料,包括设计图纸、施工方案、材料清单、设备清单、人员名单、安全管理计划和施工进度计划等。
施工队需要严格按照这些资料进行施工,确保工程的质量、安全和进度。
只有充分准备和认真执行这些资料,才能顺利完成燃气工程施工任务。
工程竣工资料目录施工组织设计(方案)检验申请表工程名称:XXX燃气工程编工程开工/复工申请表XXX燃气工程编号:001开工报告定位(放线)测量记录检验申请表编号:001定位(放线)测量记录表编号:001管道沟槽质量检验申请表工程名称:XXX燃气工程编号:001管道沟槽质量检验表工程名称:XXX燃气工程编号:001工程材料/构配件/设备检验申请表工程名称:XXX燃气工程编工程名称:XXX燃气工程编号:0011、螺旋双面埋弧焊接钢管φ219×7 559.3米2、闸阀(Z44W—10)DN200 1个3、5、闸阀(Z44W—10)DN150 4个6、螺旋双面埋弧焊接钢套管φ273×8 30米钢制管材/管件外观质量检验表工程名称:XXX燃气工程编号:001钢制管道焊接质量检验申请表工程名称:XXX燃气工程编号:管道安装坐标检测报验申请表工程名称:XXX燃气工程燃气管道安装坐标标高检测表工程名称:XXX燃气工程编燃气管道安装坐标标高检测表工程名称:XXX燃气工程编号:管道绝缘防腐验收检验申请表管道吹扫检验申请表工程名称:XXX燃气工程编管道吹扫验收记录工程名称:XXX燃气工程编管道吹扫验收记录编号:002压力试验检查报验申请表工程名称:XXX燃气工程编号:001强度试验检查记录编号:001强度试验检查记录编号:002严密性试验检查记录严密性试验检查记录编号:003工程隐蔽申请表编号:本表由施工单位在隐蔽工程前填报。
隐蔽工程验收记录表工程名称:XXX燃气工程编号:001工程竣工报验申请单工程名称:XXX燃气工程竣工报告编号:001XXX燃气工程安装竣工资料建设单位:XXX燃气有限责任公司施工单位:XXX建设集团设备安装工程有限公司二0一二年八月三十日。
燃气行业安全资料清单怎么写在燃气行业中,安全是关键,任何疏忽和不慎都可能导致严重的后果。
为了确保燃气设备的安全运行,维护人员需要编制一份完善的安全资料清单。
这份清单不仅是一份规范,更是一个重要的工具,能够帮助维护人员全面而有效地管理和筹划燃气设备的安全工作。
首先,燃气行业安全资料清单应该包含燃气设备的基本信息。
这些基本信息可以包括设备的型号、出厂日期、安装位置等。
这些信息有助于维护人员对设备进行准确的定位和识别,并能及时了解设备的基本状态。
其次,清单还应详细列出设备的各项安全要求。
这些要求可以包括设备的使用限制,操作人员的培训要求,设备的维护周期等。
通过将这些安全要求清晰地列出,维护人员可以根据要求进行相应的操作和维护,以确保设备的安全运行。
在编写安全资料清单时,还需要考虑设备的操作及维护流程。
清单中可以列出设备的操作步骤,包括开机、关闭、应急处置等。
同时,维护人员应提供设备的维护流程,明确维护的周期、方法和注意事项。
这样可以帮助维护人员更好地掌握设备的安全操作和维护知识,提高工作效率。
安全资料清单还应包含事故隐患排查及应急预案。
清单中可以列出常见的事故隐患及其排查方法,例如设备的瓦斯泄漏安全性检测、传感器的维修与更换等。
同时,还应提供相关的应急预案,明确设备故障或事故发生时的紧急处置措施。
这些资料对于紧急情况下的故障排除和应对非常重要,可以帮助维护人员快速、有序地进行故障处理,减少事故的发生和扩大。
此外,安全资料清单还应提供燃气设备的检测记录和维护记录。
维护人员应定期对设备进行检测和维护,将这些过程记录下来可以帮助维护人员及时了解设备的维护情况和历史记录。
同时,这些记录也可以作为重要的参考依据,帮助维护人员分析和判断设备的运行状态和存在的问题。
最后,安全资料清单还应提供相关的联系方式和应急救援电话。
在紧急情况下,及时联系到相关部门和人员非常关键。
因此,清单中应明确列出供应商、维护人员的联系方式,以及当地的应急救援电话。
华润燃气施工资料清单1. 引言本文档是针对华润燃气施工项目的资料清单,旨在规范施工过程中所需的各类资料的准备和归档。
本清单将涵盖施工前、施工中和施工后的各个阶段所需的资料,以确保项目的顺利进行和后续运营的可持续性。
2. 施工前资料清单2.1. 项目文件•项目合同及补充协议•工程量清单•设计文件(施工图纸、设计说明等)•安全技术措施文件2.2. 施工组织文件•施工组织设计文件•施工进度计划•施工方案及施工方法说明2.3. 材料清单•供货商提供的材料清单•材料质量检验报告•材料合格证书2.4. 人员资质文件•相关人员的从业资格证书•施工人员的安全培训证书•施工人员的岗前培训证书2.5. 设备清单•使用的施工设备清单•设备购置证明文件•设备安全检测报告3. 施工中资料清单3.1. 施工日志•每日施工记录•施工现场照片及视频3.2. 质量检验报告•施工过程中的质量检验报告•材料的质量检验报告3.3. 安全监测报告•施工现场的安全监测报告•施工人员的安全行为记录3.4. 变更管理文件•工程变更管理记录•变更后的设计文件3.5. 施工进度报告•施工进度的定期报告•延期申请及批准文件4. 施工后资料清单4.1. 竣工报告•施工完成后的竣工报告•安全质量验收报告4.2. 施工图纸归档•完整的施工图纸归档•设计变更记录4.3. 设备操作手册•相关设备的操作手册•维护保养手册4.4. 合同归档•项目合同及补充协议的归档•合同变更记录4.5. 施工档案整理•施工过程中生成的各类文件整理归档•完工图纸和技术资料整理归档5. 总结本文档列出了华润燃气施工项目所需的各类资料清单,以确保施工过程的规范和后续运营的可持续性。
在施工前、施工中和施工后的各个阶段,相关资料的准备和归档是项目管理的重要环节,也是确保项目质量和安全的关键措施。
通过遵循本清单,可以有效管理和保留项目资料,为项目的成功实施和后续运营提供有力支持。
燃气行业安全资料清单一、引言在如今工业高速发展的时代,燃气已成为人们生活中不可或缺的能源之一。
然而,燃气的安全性问题也日益引起人们的关注。
为了保障燃气行业的安全,我们需要有一份全面的燃气行业安全资料清单,方便行业从业人员和公众了解和学习有关燃气安全的知识。
本文旨在总结和归纳燃气行业安全资料清单,以便帮助相关人员更好地从事燃气相关工作。
二、燃气基础知识1. 燃气的特性和性质:包括燃气的成分、密度、燃烧特性等基本知识,以便在实际操作中避免危险和事故的发生。
2. 燃气设备和器材:对燃气灶具、燃气表和燃气管道等设备进行介绍,包括使用方法、维护保养等知识,以确保设备的安全运行。
三、燃气安全管理措施1. 燃气安全管理规定:介绍燃气行业相关的法规和标准,包括燃气安全生产管理条例、燃气行业从业人员安全培训管理办法等,以确保安全生产环境和从业人员的安全培训。
2. 燃气安全管理制度:包括燃气企业的安全管理制度、应急预案和责任分工等,以保障燃气企业的安全运营。
四、燃气事故案例和分析1. 燃气事故案例:列举近年来燃气事故的案例,分析事故原因和教训,以警示相关行业人员避免类似事故的发生。
2. 燃气事故分析:对燃气事故常见原因进行系统分析,包括设备故障、操作不当等,以加强燃气行业从业人员的安全意识和风险防范意识。
五、燃气安全知识宣传1. 燃气安全宣传材料:介绍燃气安全宣传手册、海报和宣传片等宣传材料,以便公众更好地了解和执行燃气使用的安全常识。
2. 燃气安全知识普及活动:介绍燃气企业和社区组织开展的燃气安全知识普及活动,以提高公众对燃气安全的认知和重视度。
六、燃气行业安全技术要点1. 燃气设备安装和验收:介绍燃气设备的安装要求和验收标准,包括管道布置、气密性测试等技术要点,以确保设备的安全运行。
2. 燃气泄漏检测和应急处理:介绍燃气泄漏的检测方法和应急处理措施,包括检测仪器的使用和泄漏处理的步骤,以保障人员生命财产安全。
七、燃气行业安全培训1. 燃气行业从业人员安全培训课程:介绍燃气行业从业人员的安全培训课程安排和内容,包括燃气安全知识、设备操作等培训内容,以确保从业人员具备必要的安全操作知识。
#+高台县聚合管道燃气有限责任公司燃气工程竣薪资料存档号:建设单位:工程名称:工程编号:工程地址:工程量:市政路管工程性质:施工单位:监理单位:动工日期:完工日期:年月日年月日年月日#+竣薪资料目录序号资料名称页码备注1设计交底及图纸会审记录工程部供给、其余会签2施工安全重点环节交底3工程动工报审表4动工申请报告5施工人员登记表6合格焊工登记表7施工组织设计(方案)报审表8施工组织设计方案施工单位报批入资料9资料(构配件)、设施进场报验单10资料、构配件检查记录11合格证粘贴单12工序质量报验单13管道焊接组对检查表14钢管焊接施工及焊道外观检查记录15焊缝射线探伤报告由探伤单位供给16燃气管道焊接探伤记录17管道补口记录表18防腐钢管回填前防腐层检查记录19管线焊缝表示图20焊接工艺评定由施工单位制作21焊接工艺指导书据评定由施工单位填写22防腐施工检查记录23管焊接记录表PE24PE管焊接质量检查及切边记录25施工丈量放线报审表土方单位制作报批26工程丈量放线定位记录表土方单位制作报批#+27管沟开挖检查记录土方单位制作报批28管沟回填质量检查记录土方单位制作报批29燃气阀门井施工质量检查记录土方单位制作报批30土方工程量汇总表土方单位制作报批31隐蔽工程查收记录32示踪线导电性检查记录33调压装置安装质量检查表34阀门、伸缩器安装质量检查表35管道安装工程质量检查表36计量装置安装质量检查表37室内管道安装质量检查表38室内查收登记表39户内管道严实性试验记录40管道吹扫记录41强度试验报告42严实性试验报告43入户工程量审定单=户数表44工程量签证有的入资料、没有不入45设计更改单有的入资料、没有不入46定向钻资料有的入资料、没有不入47完工查收申请报告48工程完工查收报告49工程完工查收签证书50燃气工程查收评定建议表由工程联验小组供给51施工工程量汇总表52完工图合计:施工安全重点环节交底表工程名称工程编号交底内容:1、工地周围设有适合护栏、警告标记、夜间警告灯。
燃气工程竣工资料目录第一篇:燃气工程竣工资料目录燃气工程竣工资料目录施工管理资料:1、单位工程开工申请报告GD22010022、项目经理任命通知书GD2201SZ0023、项目经理部人员设置通知书GD2201SZ0034、项目经理部人员变更通知书GD2201SZ0045、6、7、8、9、施工合同合同变更、争议、违约处理资料工程材料/构配件/设备报审表GD2202002 施工组织设计(方案)报审表GD2202002 工程质量事故报告GD220100710、工程事故调(勘)查记录11、工程质量事故(停工)通知GD220100812、工程事故处理报告GD220100913、工程复工通知书GD220101014、图纸会审记录(一)GD220100415、图纸会审记录(二)GD220100516、设计变更洽商记录GD220100617、工程变更单GD220201818、施工现场签证单GD2201SZ00519、分部(子分部)工程及单位工程工程竣工报验单GD220201020、分部(子分部)工程中间验收交接记录GD220101121、新技术(新工艺)施工总结燃气安装工程资料:1、室外燃气管道施工测量放线记录GD2302SZ0262、室外燃气管道竣工测量成果表GD2302SZ0263、燃气管道样板房验收记录GD2302069SZ4、燃气设施隐蔽施工记录GD23020705、钢制燃气管道连接施工记录GD2302SZ0246、聚乙烯燃气管道连接施工记录GD2302SZ0257、燃气管道(设备)防腐施工记录GD23020728、埋地燃气管道开槽施工记录GD2302SZ0279、大型(成组)燃气设备安装记录GD2302SZ02810、燃气管道警示标示装置施工记录GD2302SZ03111、燃气阀门试压记录GD2302068SZ12、燃气管道吹扫(清管)施工记录GD2302SZ02913、燃气管道(设备)试压记录GD2302SZ03014、燃气设备调试记录GD230207415、16、17、18、19、20、燃气地上立(环)管工程中间验收记录GD2302SZ023 分项工程质量验收记录GD25001 分部(子分部)工程验收记录GD25002SZ 安装工程设备及主要材料产品质量证明文件汇总表GD2302002 安装工程设备及主要材料进场监理检查记录GD2302003 安装工程重要材料进场抽检报告汇总表GD2302004第二篇:工程竣工资料目录工程准备阶段文件一、立项文件1、项目建议书;2、项目建议书审批意见及前期工作通知书;3、可行性研究报告及附件;4、可行性研究报告审批意见;5、关于立项有关的会议纪要、领导讲话;6、专家建议文件;7、调查资料及项目评估研究资料;二、建设用地、征地、拆迁文件1、选址申请及选址规划意见通知书;2、用地申请报告及县级以上人民政府城乡建设用地批准书;3、拆迁安置意见、协议、方案;4、建设用寺规划许可证及其附件;5、划拨建设用地文件;6、国有土地使用证;三、勘察、测绘、设计文件1、工程地质勘察报告;2、水文地质勘察报告、自然条件、地震调查;3、建设用地钉桩通知单;4、地形测量和拨地测量成果报告;5、申报的规划设计条件和规划设计条件通知书;6、审定设计方案通知书及审查意见;7、有关行政部门(人防、环保、消防、交通、园林、市政、文物、通讯、保密、教育、卫生等)批准文件或取得的有关协议;8、政府有关部门对施工图设计文件的审批意见;四、招投标文件及合同1、勘察、设计招投标文件;2、勘察、设计承包合同;3、施工招投标文件;4、施工承包合同;5、工程监理招投标文件;6、监理委托合同;五、开工审批文件1、建设项目列入计划的申报文件;2、建设项目列入计划的批复文件或计划项目表;3、建设项目规划许可证及其附件;4、建设工程施工许可证;5、投资许可证、审计证明、缴纳绿化建设费等证明;6、工程质量监督手续;六、建设、施工、监理机构及负责人1、工程项目管理机构(项目经理部)及负责人名单;2、工程项目监理机构(项目监理部)及负责人名单;3、工程项目施工管理机构(施工项目经理部)及负责人名单;监理文件一、监理规划1、监理规划2、监理实施细则二、监理月报中的有关质量问题三、监理会议纪要中的有关质量问题四、进度控制1、工程开工/复工审批表2、工程开工/复工暂停令五、质量控制1、不合格项目通知2、质量事故报告及处理意见六、造价控制1、工程竣工决算审核意见书七、分包资质1、分包单位资质材料2、供货单位资质材料3、试验等单位资质材料八、合同与其他事项管理1、工程延期报告及审批2、合同争议、违约报告及处理意见3、合同变更材料九、监理工作总结1、工程竣工总结2、质量评价意见报告一、建筑安装工程(一)土建(建筑与结构)工程施工文件1、施工技术准备阶段;(1)施工组织设计;(2)技术交底;(3)图纸会审记录;2、施工现场准备;(1)控制网设置资料;(2)工程定位测量资料;(3)基槽开挖线测量资料;3、地基处理记录:(1)地基钎探记录和钎探平面布点图;(2)验槽记录和地基处理记录;(3)桩基施工记录;(4)试桩记录;4、工程图纸变更记录:(1)设计会议会审记录;(2)设计变更记录;(3)工程洽商记录;5、施工材料预测构件质量证明文件及复试试验报告:(1)砂、石、砖、水泥、钢筋、防水材料、隔热保温、防腐材料、轻集料试验汇总表;(2)砂、石、砖、水泥、钢筋、防水材料、隔热保温、防腐材料、轻集料出厂证明文件;(3)砂、石、砖、水泥、钢筋、防水材料;轻集料、焊条、沥青复试试验报告;(4)预制构件(钢、混凝土)出厂合格证、试验记录;6、施工试验记录:(1)土壤(素土、灰土)干密度试验报告;(2)土壤(素土、灰土)击实试验报告;(3)砂浆(试块)抗压强度试验报告;(4)混凝土(试块)抗压强度试验报告;(5)混凝土抗渗试验报告;(6)商品混凝土出厂合格证、复试报告;(7)钢筋接头(焊接)试验报告;(8)土壤、砂浆、混凝土、钢筋连接、混凝土抗掺试验报告汇总表;7、隐蔽工程检查记录:(1)基础和主体结构钢筋工程;(2)钢结构工程;(3)防水工程;(4)高程控制;8、施工记录:(1)工程定位测量检查记录;(2)沉降观测记录;(3)现场施工预应力记录;(4)工程竣工测量;(5)新型建筑材料;(6)施工新技术;9、工程质量事故处理记录;10、工程质量检验记录:(1)基础、主体工程验收记录;(2)幕墙工程验收记录;(3)分部(子分部)分项工程质量验收记录;(二)电气、给排水、消防、采暧、通风、空调、燃气、建筑智能化、电梯工程1、图纸会审;2、设计变更;3、工程洽商;4、设备、产品质量合格证、质量保证书;5、设备安装记录;6、设备试运行记录;7、设备明细表;8、隐蔽工程检查记录;9、电气接地电阻、绝缘电阻、综合布线、有线电视末端等测试记录;10、楼宇自控、监视、安装、视听、电话等系统调试记录;11、变配电设备安装、检查、通电、满负荷测试记录;12、给排水、消防、采暧、通风、空调、燃气等管道强度、严密性、灌水、通水、吹洗、漏风、试压、通球、阀门等试验记录;13、电气照明、动力、给排水、消防、采暧、通风、空调、燃气等系统调试、试运行记录;14、电梯接地电阻、绝缘电阻测试记录;空载、半载、满载、超载试运行记录;平衡、运速、噪声调整试验报告;15、质量事故处理记录;16、分部(子分部)工程质量验收记录;(三)室外工程1、室外安装(给水、雨水、污水、热力、燃气、电讯、电力、照明、电视、消防等)施工文件;2、室外建筑环境(建筑小品、水景、道路园林绿化等)施工文件;二、市政基础设施工程1、图纸会审记录2、工程定位测量资料3、工程定位测量复核记录4、导线点、水准点测量复核记录5、工程轴线、定位桩、高程测量复核记录;6、设计变更通知单7、洽商记录8、砂、石、砌块、水泥、钢筋(材)、石灰、沥青、涂料、混凝土外加剂、防水材料、粘接材料、防腐保温材料、焊接材料等试验汇总表、质量合格证书和出厂检(试)验报告及现场复试报告;9、水泥、石灰、粉煤灰混合料;沥青混合料、商品混凝土等试验汇总表、出厂合格证和试验报告、现场复试报告;10、混凝土预制构件、管材、管件、钢结构构件等试验汇总表、出厂合格证书和相应的施工技术资料;11、厂站工程的成套设备、预应力混凝土张拉设备、各类地下管线井室设施、产品等汇总表、出厂合格证书及安装使用说明;12、砂浆、混凝土试块强度、钢筋(材)焊连接、填土、路基强度试验等汇总表;13、回填土、路床压实长试验及土质的最大干密度和最佳含水量试验报告;14、石灰类、水泥类、二灰类无机混合料基层的标准击实试验报告;15、道路基层混合料强度试验记录;16、道路面层压实度试验记录;17、混凝土试块强度试验报告;18、混凝土试块抗掺、抗冻试验报告;19、混凝土强度试块统计、评定记录; 20、砂浆试块强度试验报告;21、砂浆试块强度统计评定记录;22、钢筋(材)焊、连接试验报告;23、桩基础试(检)验报告;24、地基钎探记录及钎探位置图;25、地基与基槽验收记录;26、地基处理记录及示意图;27、桩基位置平面示意图;28、打桩记录;29、钻孔桩钻进记录及成孔质量检查记录; 30、钻孔(挖孔)桩混凝土浇灌记录;31、厂(场)、站工程大型设备安装调试记录;32、预应力张拉记录表;33、预应力张拉孔道压浆记录;34、孔位示意图;35、沉井工程下沉观测记录;36、管道、箱涵等工程项目推进记录;37、构筑物沉降观测记录;38、预制安装水泥壁板缠绕钢丝应力测定记录;39、隐蔽工程检查(验收)记录; 40、分部工程质量评定记录;41、道路工程的弯沉试验记录;42、桥梁工程的动、静载试验记录;43、无压力管道的严密性试验记录;44、压力管道的强度试验、严密性试验、通球试验等记录;45、水池满水试验;46、消化池气密性试验;47、电气绝缘电阻、接地电阻测试记录;48、电气照明、燃气管网等网试运行记录;49、供热管网、燃气管网等管网试运行记录; 50、燃气储罐总体试验记录;51、电讯、宽带网等管网试运行记录;52、工程质量事故报告及处理记录;53、建筑物、构筑物竣工测量记录及测量示意图;54、地下管线工程竣工测量记录;竣工图一、建筑安装工程竣工图(一)综合竣工图1、综合图(1)总平面布置图(包括建筑、建筑小品、水景、照明、道路、绿化等)(2)竖向布置图(3)室外给水、排水、热力、燃气等管网综合图;(4)电气(包括电力、电讯、电视系统等)综合图;(5)设计总说明书;2、室外专业图(1)室外给水(2)室外雨水(3)室外污水(4)室外热力(5)室外燃气(6)室外电讯(7)室外电力(8)室外电视(9)室外建筑小品(10)室外消防(11)室外照明(12)室外水景(13)室外道路(14)室外绿化(二)专业竣工图1、建筑竣工图2、结构竣工图3、装饰(装修)工程竣工图4、电气工程(智能化工程)竣工图;5、给排水工程(消防工程)竣工图;6、采暖通风空调工程竣工图;7、燃气工程竣工图;二、市政基础设施工程竣工图1、道路工程2、桥梁工程3、广场工程4、隧道工程5、铁路、公路、航空、水运等交通工程;6、地下铁道等轨道交通工程;7、地下人防工程;8、水利防灾工程;9、排水工程10、供水、供热、供气、电力、电讯等地下管线工程;11、高压架空输电线工程;12、污水处理、垃圾处理处置工程;13、场、厂、站工程;竣工验收文件1、工程概况表;2、工程竣工总结;3、单位(子单位)工程质量验收记录;4、竣工验收证明书;5、竣工验收报告;6、竣工验收备案表(包括各专项验收认可文件);7、工程质量保修书;8、单位工程质量评定表及报验单;9、决算文件;10、交付使用财产总表和财产明细表;11、工程有关照片;录音、录像材料;缩微品;光盘、磁盘;一.工程准备阶段文件(一)。
项目公示资料及业务办理指引一、项目立项需提供资料:按天然气客户工程报建基础资料详单提供完毕资料的项目既可在现场勘查后进行立项审批。
天然气客户工程报建基础资料详单1、客户单位建筑审核平面图……………………(复印件)2、城市建设配套费缴纳通知书、缴纳证书及发票(复印件)(2005年10月1日以前审批项目可不提供)3、报建单位的用气申请民用项目申请应含项目名称、项目地址、报建建筑面积、小区总户数、小区报装户数及楼号、交房日期及采暖方式及委托的办理人员等方面的说明老旧小区只提供项目名称、项目地址、小区报装户数及楼号采暖方式及委托的办理人员的说明工商项目应含项目的名称、申报的单位、申报项目的类型、规模以及委托的办理人员等说明4、办理人应提供加盖公章的正式委托书,及身份证复印件(老旧社区、小型商业等无法人资格单位可不提供委托书)5、相邻接气协议书……………………(相邻接气项目提供)6、加盖公章的用气申请单(无公章项目申报人应签字确认)二、项目设计需准备资料:项目图纸设计提供资料如下既可进行施工图纸设计(按客户类型选择收集,并在“□”内打“√”标注,在设计勘察现场时提供)一室外部分1 室外总平面图□2 室外综合管网图□3 市政道路实测管线图(主体接气规划审批需提供)□4 地下室资料(有地下室建筑时提供)□5 庭院地裂缝资料(申报项目红线内存在地裂缝时按设计需要提供)□二居民用户室内部分1 建筑物单体平面图(含地沟图)□2 建筑物单体立面(剖面)图□3 水、暖、电等其它相关专业室内管道施工图□4 热水器或壁挂锅炉耗气量□三餐饮用户室内部分1 操作间灶具平面布置图□2 所在建筑平面图及立面图□3 灶具名称、规格□4 灶具额定用气量□5 灶具燃气接口管径及具体位置□6 建筑设计防火分区图□四锅炉及直燃机用户室内部分1 锅炉房或直燃机房设备平面布置图□2 所在建筑平面图及立面图□3 用气设备型号□4 燃烧机型号□5 用气设备额定用气量□6 用气设备额定供气压力(动压及静压,要求为定值)□7 用气设备燃气接口管径及具体位置□8 建筑设计防火分区图□五工业用户室内部分1 工业厂房设备平面布置图□2 工艺设计说明(工况描述)□3 工业用气设备型号□4 工业用气燃烧机型号□5 工业用气设备额定用气量□6 工业用气设备额定供气压力(动压及静压,要求为定值)□7 工业用气设备燃气接口管径及具体位置□。
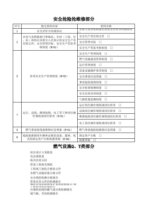
表1个体防护类装备配备序号装备类型装备名称主要用途1 头部防护安全帽防御物体对头部造成冲击、刺穿、挤压等伤害,其基本性能应符合GB 2811的要求2眼面防护焊接工防护面罩在焊接作业中用以防御有害弧光、熔融金属飞溅或粉尘等有害因素对眼睛和面部伤害,其基本性能应符合GB/T 3609.1的要求3 防护镜在焊接作业中用以防御有害弧光、熔融金属飞溅或粉尘等有害因素对眼睛的伤害,其基本性能应符合GB/T 3609.1的要求4 呼吸防护空气呼吸器预防作业场所缺氧和空气污染物等对人体的危害,不同类型的空气呼吸器的基本性能应分别符合GB/T 16556、XF 124或XF 1261的要求5躯干防护防静电工作服用于抢险作业中防止产生静电火花引起泄漏燃气发生火灾、爆炸等危险,其基本性能应符合GB 12014的要求6 防静电内衣7 低温防护服LNG、LPG等低温液体泄漏抢险过程中,防止低温对人体造成的伤害,其基本性能应符合GB/T 38300的要求8手部防护低温防护手套LNG、LPG等低温液体泄漏抢险过程中,防止低温对手部造成的伤害9 焊工防护手套在焊接和相关的作业过程中,保护手部和腕部免于受到伤害,其基本性能应符合AQ 6103的要求10足部防护防静电鞋用于抢险作业中防止产生静电火花引起泄漏燃气发生火灾、爆炸等危险,其基本性能应符合GB 21148的要求11 低温防护鞋LNG、LPG等低温液体泄漏抢险过程中,防止低温对足部造成的伤害,其基本性能应符合GB/T 20098和GB 21148的要求12 焊接防护鞋用于焊接作业中对足部防护,其基本性能应符合LD 4的要求13 坠落防护安全带高处作业、攀登作业坠落防护,其基本性能应符合GB 24543的要求燃气应急抢险救援装备物资配备参考清单表2 抢险救援类装备配备序号装备类型装备名称主要用途1检测/监测装备可燃气体检测仪泄漏燃气检测/监测,确定作业/警戒/疏散区域,泄漏点定位2 气体浓度检测仪进入有限空间作业中环境气体检测/监测3 电子测压仪压力容器、燃气管道压力检测/监测4 超声波测厚仪压力容器、燃气管道壁厚测试5 管道探测仪管线探测,辅助泄漏点定位6 涂层测厚仪防腐层厚度测试7 便携式风向风速仪应急救援现场风向、风速监测,辅助警戒/疏散区域划分和疏散方向确定8抢修作业装备焊机容器、管道等焊接9 切割机容器、管道等部件切割10 打眼机/开孔机容器、管道等抢修开孔11 角磨机焊接部位打磨12 堵漏器具容器、管道堵漏13 井盖开启工具阀井井盖开启14破拆装备冲击夯硬化路面、构筑物破拆15 电镐地面挖掘16 液压镐17 路面切割机硬化路面切割18有限空间作业装备救援绳人员意外跌落防护19 救援三脚架20 备件容器、钢瓶、管道等设施及其备件抢修备用件表3 综合保障类装备配备序号装备类型装备名称主要用途1车辆应急指挥车现场应急指挥2 抢险工程车应急抢险装备及物资、人员运输3 挖掘机地面挖掘4 吊车抢修作业坑、低洼部位积水抽排5 发电车现场供电6通信防爆对讲机现场语音信息的发送和接收7 车载通讯电台现场与指挥中心、调度中心及上级单位联络通信8 防爆移动电话9 手持扩音器人员疏散语音扩展10照明手提式防爆灯夜间或光线较弱处应急救援照明11 移动照明灯组12 佩戴式防爆照明灯13警戒锥型事故柱隔离、警戒、警示14 隔离警示带15 标示牌16 危险警示牌17 闪光警示灯18 排水抽水泵作业坑等低洼部位排水19 通风防爆风机现场作业区通风20 灭火干粉灭火器现场灭火21 急救医疗急救箱现场紧急救护。
报装资料清单
参照用户申请范例
(一)项目用气申请
1、建设单位名称、产权单位名称、用气项目名称、项目地址(区县、街道、门牌号、邮政编码、环路)、机构客户的企业性质(国有/集体/私有/外商独资/中外合资/中外合作/行政机关/事业单位/其他)、机构客户的法律实体(个体经营制/合伙企业/有限责任公司/股份有限公司/其他)、工商登记号、法人代表、授权代理人、联系电话、传真号、电子邮箱。
2、用气项目简况:占地面积、总建筑面积(小区另报分类面积)、行业类别、用气性质、是否为新建、改建、扩建等)。
3、项目用气需求参数:
(1)民用住宅:楼栋数、户数;
(2)公服餐厅数量、营业面积或餐座数;
(3)采暖(包括生活热水)用气:燃气锅炉单台吨位、台数,采暖面积;
(4)制冷用气:燃气制冷设备规格、台数、制冷面积;
(5)工业(生产)用气:设备类型、数量、耗能指标;
(6)冷热电联产(发电用气):发电功率、采暖面积、制冷面积;
(7)其它。
4、用气项目计划用气时间。
5、建设单位联系人及电话(座机及手机),建设单位公章。
(二)供气规划方案相关资料
1、北京市规委《规划意见书》(含附图)、《建设用地规划许可证》(含附件、附图)。
2、北京市规委《审定方案通知书》(含附件、附图1:500);方案变更需提供《规划设计方案复函》。
3、北京市测绘设计研究院1:2000地形图(海淀区羊坊店路15号63982153/63985887)并用铅笔标出项目用地红线(上述文件、图纸可为消蓝复印件)。
(三)其它资料
1、该用气项目的产权证明:如申请单位不是该用气项目的产权单位,还应提交产权单位给申请单位的相关授权委托文件。
2、其他相关资料。