安全资料--13本台帐(完整版)
- 格式:doc
- 大小:960.50 KB
- 文档页数:80
建筑施工安全管理十三本台帐台帐之一:安全生产管理制度………………………………………一、各项安全生产管理制度…………………………………………二、各工种安全技术操作规程………………………………………台帐之二:安全生产责任与目标管理………………………………一、企业主要人员及主要职能部门安全生产责任制………………二、项目部管理人员安全生产责任制………………………………三、安全生产目标责任书或经济承包协议书四、项目部安全管理目标责任书五、项目部安全生产组织网络………………………………………六、项目部安全生产责任制考核规定记录七、项目部安全目标责任考核规定及记录台帐三:施工组织设计………………………………………………一、施工组织设计(含工程概况表)………………………………二、施工现场总平面布置图和安全标志布置平面图三、专项安全施工方案………………………………………………台帐之四:分部(分项)工程安全技术交底………………………各分部(分项)工程、各工种及其它安全技术交底记录…………台帐之五:安全检查…………………………………………………安全产检查记录表……………………………………………………台帐之六:安全教育…………………………………………………一、职工花名册………………………………………………………二、职工三级安全教育登记卡………………………………………三、职工安全知识考试………………………………………………四、变换工种教育登记表……………………………………………五、项目部管理人员年度培训记录表及有关岗位证书复印件……六、特种作业人员和机械操作人员花名册…………………………七、特种作业人员和机械操作人员上岗证台帐之七:班组安全活动……………………………………………班组安全活动记录表…………………………………………………台帐之八:工伤事故处理……………………………………………一、安全生产月报表…………………………………………………二、伤亡事故报表……………………………………………………台帐之九:工地安全日记……………………………………………工地安全日记…………………………………………………………台帐之十:施工许可证明和产品合格证……………………………一、有关部门批准的施工文件二、安全防护用品合格证书及准用证三、机械产品合格证及准用证四、专项施工次格证书五、人身意外伤害保险证明六、各种文件(证书)名细表………………………………………台帐之十一:文明施工…………………………………………………一、文明施工技术措施…………………………………………………二、文明施工技术要求和验收表………………………………………三、施工现场消防安全管理检查记录表………………………………四、施工现场动用明火审批表…………………………………………台帐之十二:分项工程安全技术要求和验收…………………………一、脚手架安全技术要求和验收………………………二、基坑支护安全技术要求和验收………………………三、模板工程安全技术要求和验收………………………四、“三宝”、“四口”防护安全技术要求和验收………………………五、施工用电安全技术要求和验收………………………六、物料提升机安全技术要求和验收………………………七、外用电梯安全技术要求和验收………………………八、塔吊安全技术要求和验收………………………九、起重吊装安全技术要求和验收………………………十、施工机具安全技术要求和验收………………………十一、临建宿舍及办公用房技术要求和验收表………………………十二、XX市(经营地)建设工程灾害性天气避险扬所备案表…………………十三、申报标化工地资料(空白表)………………………………台账之十三各种记录清单:1、工程概况表2、施工组织设计3、专项安全施工方案4、文明施工技术措施5、项目部安全生产责任制考核表安全目标责任6、项目管理人员年度培训记录7、各分部分项工程、各工种及其它安全技术交底记录8、安全生产检查记录表9、职工花名册10、职工三级安全教育登记卡11、变换工种教育登记表12、特种作业和机械操作人员花名册13、班前安全活动记录表14、工地安全日记15、安全生产月报表16、伤亡事故报告17、施工现场消防安全管理检查记录表18、施工现场动用明火审批表19、模板拆除申请审批表20、接地电阻测试记录表21、电气设备、检验凭单和测试记录表22、检修记录表23、基坑毗邻建筑物沉降观测记录表24、基坑支护变形监测记录表25、落地式外脚手架搭设技术要求验收表26、悬挑式脚手架搭设技术要求验收表27、基坑支护安全技术要求和验收表28、模板工程安全技术要求和验收表29、“三宝”、“四口”防护安全技术要求和验收表30、施工用电安全技术要求和验收表31、物料提升机安全技术要求和验收表32、外用电梯安全技术要求和验收表33、塔吊安全技术要求和验收表34、平刨安全技术要求和验收表35、圆盘踞安全技术要求和验收表36、钢筋机械安全技术要求和验收表37、电焊机安全技术要求和验收表38、搅拌机安全技术要求和验收表39、挖土机械安全技术要求和验收表40、文明施工技术要求和验收表。
1、安全生产会议台帐包括:安全生产相关文件的传达、学习和贯彻情况。
具体记载会议名称、内容、时间、地点、参加人员、主持人、会议具体事项及处理结果等。
2、安全生产组织网络台帐包括:企业安全生产领导小组、本单位专(兼)职安全生产管理人员和从上到下的管理网络及具体人员。
3、安全生产宣传教育和培训台帐包括:安全生产教育记录、安全生产宣传记录、安全生产培训记录。
具体记录企业负责人、安全管理人员、企业安全生产全员培训、新进厂职工、特种作业人员安全教育及培训考核情况(安全教育培训时间、地点、培训人、被培训人、教育培训内容、考试时间、考试成绩等,考核试卷要存档。
经过安全教育的人员要有本人签名)。
4、安全生产检查台帐包括:日常安全生产检查记录、专项整治检查记录。
具体记录企业安全生产检查情况(每月一次大检查,每周一次常规检查,除此之外还要按照专业特点、根据季节变化、节假日安排以及特殊作业要求,开展专项检查;检查时间、检查内容、检查人、检查出的问题、整改措施、完成时间等)。
5、安全生产隐患排查治理台帐包括:安全生产隐患排查记录及整改记录情况。
(要按照“五定”原则进行)。
6、安全生产事故管理台帐包括:各类事故资料情况。
具体记录所发生的各类事故,包括火灾、爆炸、设备、生产、交通、人身和其他事故;并按照“四不放过”原则,进行事故原因及责任分析,详细填写应吸取的教训、采取的防范措施和处理意见等,人身事故要将当事人姓名、性别、年龄、工种、工龄及事故概况等记入台帐。
)7、安全生产工作考核与奖惩台帐包括:安全工作考核情况和奖惩情况。
具体记录各部门、各岗位安全生产责任制的考核情况,要有各级安全工作和安全生产考核细则,对事故发生个人及“三违”人员进行处罚的情况,对防止和避免事故发生的有功人员的奖励情况,对在安全管理中做出贡献的个人表彰和奖励情况。
8、消防安全管理台帐包括:消防安全组织网络、消防演练情况、消防设施台帐、消防工作会议,记录禁火区动火审批情况。
13本安全资料台帐总目录第一篇:13本安全资料台帐总目录安全资料目录一、安全生产责任制1、各级各部门安全生产责任制2、经济承包中的安全生产指标3、各工种安全技术操作规程4、专职安全人员证件和兼职安全人员名单5、管理人员责任制考核办法标准二、目标管理1、安全管理目标2、安全责任目标分解表3、责任目标考核规定三、施工组织设计1、施工组织设计或施工方案2、专业性较强的项目应编制专项安全施工组织设计或施工方案3、安全技术措施审批表四、分部分项安全技术交底1、安全技术交底卡五、安全检查1、安全检查制度1、特种作业人员登记表2、特种作业人员操作证或复印件十、机械设备管理资料目录1、项目机械设备一览表2、起重设备(1)出厂合格证明书(2)使用证(3)安拆单位的资格证(复印件)(4)安拆人员的特种作业操作证(复印件)(5)安拆方案(6)检测验收报告(7)维修保养记录3、钢筋加工机械(1)机械设备出厂合格证明书(2)安装验收记录(3)维修保养记录4、木工加工机械(1)机械设备出厂合格证明书(2)安装验收记录(3)维修保养记录5、砼、砂浆搅拌机械(1)机械设备出厂合格证明书十三、工伤事故处理1、伤亡事故登记表2、职工伤亡事故月报表3、因工死亡事故快报4、职工伤亡事故台帐5、重伤、死亡事故调查记录表6、重伤、死亡事故调查报告书第二篇:司法所台帐资料总目录司法所台帐资料总目录一、伍建设篇队伍建设一1、政治学习制度及记录2、党组织文件及制度3、党费缴纳记录4、剖析思想和工作存在问题及整改个人总结队伍建设二5、民主管理、依法行政工作6、司法所建制、编制7、培训情况及学历证书8、司法所人员业务培训9、报刊、杂志征订情况二、职能发挥篇(一)人民调解工作1、调解纠纷登记簿2、人民调解工作成果证明及标准化调委会证明文件3、人民调解组织网络图及程序网络图4、街道及社居委调解组织及调委会印章5、调委会名册6、工作制度7、人民调解月报表8、人民调解登记簿9、人民调解协议书卷宗(二)矛盾纠纷排查调处工作1、街道排查调处工作组织网络2、社居委排查调处工作组织机构3、调处中心各项规章制度4、可能引发群体性事件矛盾纠纷处置预案及责任制化解方案5、决策、苗头、个案预防方案6、2007年矛盾纠纷排查调处工作接待日安排表7、街道08年排查调处工作值班表8、社居委排查调处信息员(调解员)9、纠纷排查登记表10、社居委周排查表11、矛盾纠纷排查调处工作(三)社区矫正工作社区矫正一1、社区矫正对象无违法犯罪证明2、街道及社居委组织机构3、规章制度4、日常监督、管理和教育措施5、基本情况6、社区矫正工作经验汇报材料7、社区矫正工作宣传图片社区矫正二8、社区矫正卷宗9、社区矫正情况综合记载簿(四)刑释解教工作刑释解教一1、刑释解教人员无违法犯罪证明2、组织机构3、安置帮教工作制度4、刑释解教人员花名册及责任人花名册刑释解教二5、安置帮教工作卷宗(五)普法工作普法工作一1、组织机构2、街道普法工作文件(计划、规划、实施意见)3、社居委普法工作实施意见和规划4、二零零七年普法工作计划总结6、法律讲课稿及法律意见书7、“12.4”法律宣传日活动普法工作二8、普法宣传图片9、普法宣传、依法治理工作记录簿(六)法律援助工作1、法律援助工作2、法律援助工作制度3、接待咨询登记簿三、所务管理1、岗位目标责任制及考评情况2、司法所规章制度3、司法专网信息化管理制度6、政务公开7、考勤记录8、街道综治委文件及综治、司法工作计划总结四、物质保障1、司法所财政预算文件2、司法所工作人员岗位津贴工资表3、所容所貌及装备五、党委政府群众评价1、司法所近三年工作综合考评情况2、人民满意基层站所3、司法所受表彰情况4、司法行政工作群众评价表第三篇:司法所台帐资料总目录司法所台帐资料总目录一、伍建设篇队伍建设一1、政治学习制度及记录2、党组织文件及制度3、党费缴纳记录4、剖析思想和工作存在问题及整改个人总结队伍建设二5、民主管理、依法行政工作6、司法所建制、编制7、培训情况及学历证书8、司法所人员业务培训9、报刊、杂志征订情况二、职能发挥篇(一)人民调解工作1、调解纠纷登记簿2、人民调解工作成果证明及标准化调委会证明文件3、人民调解组织网络图及程序网络图4、街道及社居委调解组织及调委会印章5、调委会名册6、工作制度7、人民调解月报表8、人民调解登记簿9、人民调解协议书卷宗(二)矛盾纠纷排查调处工作1、街道排查调处工作组织网络2、社居委排查调处工作组织机构3、调处中心各项规章制度4、可能引发群体性事件矛盾纠纷处置预案及责任制化解方案5、决策、苗头、个案预防方案6、2007年矛盾纠纷排查调处工作接待日安排表7、街道08年排查调处工作值班表8、社居委排查调处信息员(调解员)9、纠纷排查登记表10、社居委周排查表11、矛盾纠纷排查调处工作(三)社区矫正工作社区矫正一1、社区矫正对象无违法犯罪证明2、街道及社居委组织机构3、规章制度4、日常监督、管理和教育措施5、基本情况6、社区矫正工作经验汇报材料7、社区矫正工作宣传图片社区矫正二8、社区矫正卷宗9、社区矫正情况综合记载簿10、社区矫正卷宗11、社区矫正情况综合记载簿社区矫正三12、社区矫正卷宗13、社区矫正情况综合记载簿14、社区矫正卷宗15、社区矫正情况综合记载簿16、社区矫正卷宗17、社区矫正卷宗社区矫正四18、社区矫正卷宗19、社区矫正情况综合记载簿20、社区矫正卷宗21、社区矫正情况综合记载簿(四)刑释解教工作刑释解教一1、刑释解教人员无违法犯罪证明2、组织机构3、安置帮教工作制度4、刑释解教人员花名册及责任人花名册刑释解教二5、安置帮教工作卷宗6、安置帮教工作卷宗7、安置帮教工作卷宗8、安置帮教工作卷宗9、安置帮教工作卷宗10、安置帮教工作卷宗11、安置帮教工作卷宗12、安置帮教工作卷宗13、安置帮教工作卷宗刑释解教三14、安置帮教工作卷宗15、安置帮教工作卷宗16、安置帮教工作卷宗17、安置帮教工作卷宗18、安置帮教工作卷宗19、安置帮教工作卷宗(五)普法工作普法工作一1、组织机构2、街道普法工作文件(计划、规划、实施意见)3、社居委普法工作实施意见和规划4、二零零七年普法工作计划总结5、社居委07年普法工作计划6、法律讲课稿及法律意见书7、“12.4”法律宣传日活动普法工作二8、普法宣传图片9、普法宣传、依法治理工作记录簿10、合肥市少儿艺校普法考试试卷(六)法律援助工作1、法律援助工作2、法律援助工作制度3、接待咨询登记簿三、所务管理1、岗位目标责任制及考评情况2、司法所规章制度3、司法专网信息化管理制度4、司法行政工作年终检查情况5、司法行政工作台账目录6、政务公开7、考勤记录8、街道综治委文件及综治、司法工作计划总结四、物质保障1、司法所财政预算文件2、司法所工作人员岗位津贴工资表3、所容所貌及装备五、党委政府群众评价1、司法所近三年工作综合考评情况2、人民满意基层站所3、司法所受表彰情况4、司法行政工作群众评价表第四篇:安全十三台帐资料要求安全十三台帐资料要求一、施工组织设计1、主体施工组织设计方案2、土方开挖、基坑支护专项方案3、基础施工方案4、模板施工专项方案5、脚手架施工专项方案6、临时用电施工方案7、安全文明施工专项方案8、施工现场安全应急预案9、土石方爆破施工方案10、管网开挖施工方案11、爆破安全专项方案12、爆破安全应急预案13、深孔爆破设计书方案14、保护措施方案(周边建筑物、高压线塔等)二、安全生产责任制1、各级各部门安全生产责任制2、各部门管理人员责任制考核登记表3、安全操作规程4、经济承包中的安全生产指标5、建设工程施工安全生产目标责任书(项目与安监站签定)6、施工项目安全生产文明施工目标责任书(项目经理与公司签定)7、安全生产责任书(项目部与管理人员、劳务公司、班组、民工层层签定)8、安全生产协议(项目部与各分包单位签定)9、施工现场安全、文明生产奖惩条例(项目部与各分包单位签定)10、管理人员责任制考核办法及标准11、专(兼)职安全员证件及名单表三、目标管理1、安全管理目标2、月计划目标3、安全责任目标分解表4、安全管理各种制度四、安全教育1、职工三级教育登记表2、职工安全教育花名册3、职工三级教育内容五、用工管理档案1、个人基本情况登记表2、用工合同3、本人身份证复印件4、健康证、卫生许可证5、安全教育证六、特种作业人员持证上岗1、特种作业人员登记表2、特种作业人员操作证、身份证复印件七、安全标志1、施工现场安全标志登记表2、施工现场安全标志平面布置图八、分部(分项)工程安全技术交底1、各工序各分项安全技术交底九、班组安全活动1、班前安全活动制度2、班前安全活动记录表十、工伤事故处理1、伤亡事故登记表2、职工伤亡事故月报表3、因工死亡事故快报4、职工伤亡事故台帐5、重伤、死亡事故调查记录表6、重伤、死亡事故调查报告书十一、用电档案1、电工巡视纪录和维修记录表2、临时用电工程检查验收表3、施工用电安装验收表4、接地电阻测试记录十二、机械管理1、施工机械设备验收检查资料2、机械设备验收记录表3、施工机械设备(塔机、施工电梯)报监资料3、机械租赁合同、承诺书十三、安全检查1、安全检查制度2、安全日常巡视检查记录3、安全定期检查记录表4、安全月排查治理情况检查表5、1、通知书、函告6、隐患整改通知书7、罚款通知单8、自查报告、安全会议纪要9、各种安全检查交接、验收记录表10、安全文明施工措施费清单11、安全防护用品检验单、合格证12、导轨式提升外架及悬挑式钢卸料平台上升、下滑、拆除安全技术交底、安全检查、验收资料工地标准化的检查评价程序及内容(一)房屋建筑工程 A.基础施工阶段:1.深基坑工程在基坑开挖深度超过3米时和顶板浇筑前;2.人工挖孔桩工程在施工进行到50%时;3.浅基础工程基础施工完成时。
中小型企业安全生产标准化十三本台帐样本最新版中小型企业安全生产标准化十三本台账样本最新版一、背景[提供对中小型企业安全生产标准化十三本台账样本的背景信息]二、目的本文档的目的是提供中小型企业安全生产标准化十三本台账样本的最新版本,以便企业能够按照标准要求建立和管理相关台账。
三、台账样本以下是中小型企业安全生产标准化十三本台账样本的最新版:1. 安全生产责任制度台账2. 安全生产管理机构和人员台账3. 安全生产规章制度台账4. 安全生产培训台账5. 安全生产事故隐患排查治理台账6. 安全生产应急救援台账7. 安全设施设备管理台账8. 特种作业人员台账9. 危险化学品台账10. 职业卫生台账11. 台账备案情况台账12. 安全生产投入台账13. 安全生产检查台账四、使用说明为了正确使用这些台账样本,请按照以下步骤进行操作:2. 根据自身企业的情况,逐项填写台账内容。
3. 确保填写的信息准确无误。
4. 根据需要,适时更新和维护台账。
5. 根据相关要求,备案台账信息。
五、注意事项为了保证台账的准确性和可靠性,请注意以下事项:- 严格按照标准要求填写台账,不得随意涂改或删除信息。
- 定期检查和更新台账,确保信息的有效性。
- 建立相关台账备份机制,防止信息丢失或损坏。
- 遵守相关法律法规,确保台账的合规性。
- 及时进行培训,提高员工对于台账管理的认识和能力。
六、总结本文档提供了中小型企业安全生产标准化十三本台账样本的最新版本,帮助企业按照标准要求建立和管理相关台账。
使用者应注意遵守相关要求,并始终保持台账的准确性和有效性。
如有需要,可根据实际情况进行适当的调整和维护。
可编写可改正一、施工组织设计1、施工组织设计、审批表22、主体构造实体检测方案2、安全文明施工方案23、质量通病防治专项方案3、安全应抢营救方案24、节能保温专项施工方案4、两防专项施工方案5、塔吊基础专项施工方案6、塔机专项施工方案7、多塔作业防碰撞专项方案8、人工挖孔桩专项施工方案9、钢筋专项施工方案10、模板施工方案11、混凝土专项施工方案12、卸料平台专项施工方案13、脚手架专项施工方案14、TD-2011附着式起落脚手架施工方案15、水平防备大棚专项施工方案16、暂时用电施工方案17、防尘防噪专项施工方案18、用火、用电及消防安全专项施工方案19、夜间专项施工方案20、检验批区分专项方案21、进场资料目睹取样送检制度1二、安全生产责任制与目标管理1、企业资质、各级管理人员证件(复印件)2、建立项目部通知、安全管理机构人员任职通知3、《各工种安全技术操作规程》的通知4、各级管理人员和工人安全生产、文明施工目标责任书5、各级管理人员安全生产责任制、管理人员责任制查核表6、《项目经济承包安全生产指标》的通知7、《安全生产绩效薪资查核制度》的通知8、《领导及管理人员施工现场带班制度》的通知9、《安全风险金抵押金管理制度》的通知10、对于《防备工程项目部拖欠农民工薪资管理制度》的通知11、对于《民工薪资月拖欠隐患排查制度》的通知12、《农民工薪资支付应急方案》的通知13、《消防安全管理制度和举措》的通知14、对于《建筑施工现场安全文明卫生管理制度》的通知15、对于《重要危险源管理制度》的通知16、对于《合同管理机构的设置》的通知17、现场火灾应急办理方案18、安全资本使用计划、安全生产文明施工举措费使用计划19、只需管理人员名单20、专(兼)职安全员名单表2三、安全生产管理制度1、安全生产教育制度2、安全检查制度3、按期检查(复)查制度4、施工安全技术交底与查收制度5、特种作业人员管理制度6、重要危险源管理制度7、安全生产绩效薪资查核制度8、消防管理制度和举措9、安全风险金抵押管理制度10、领导及管理人员施工现场带班制度11、防备工程项目部拖欠农民工薪资管理制度12、民工薪资月拖欠隐患排查制度13、落实建筑施工现场安全文明卫生管理制度14、合同管理制度15、项目部安全资料领取登记表16、班组长安全生产职责17、施工现场罚款通知单18、安全生产会议记录3四、安全教育(安全标记)1、建筑工人入场安全见告单2、三级安全教育内容3、三级教育人员花名册4、员工三级安全教育登记表5、管理人员、专(兼)职安全人员年度安全培训登记6、变换工种员工教育登记表7、重要危险源辨别与整顿8、企业三级安全生产现场教育记录9、施工现场安全标记平面部署图10、施工现场安全标记一览表11、保健抢救举措12、施工现场常有的口号口号13、市、县、企业相关安全生产文件的学习记录4可编写可改正五、分部(分项)工程安全技术交底1、普工及钢筋工、架子工、木匠、砼工、电工、塔吊起落机司机、司索工等各工种安全技术交底卡及照片2、地基与基础、主体构造、建筑装饰装饰、建筑屋面、建筑给排水、建筑电气、电梯与空调、消防、建筑节能保温等各分部工程安全技术交底记录及照片5可编写可改正3、六、班组安全活动1、班前安全活动制度2、挖孔桩、钢筋工、架子工、木匠、砼工、电工、起重工班组安全活动记录本6七、分项工程安全技术要乞降查收1、模板支撑系统报念申请表、模板支撑系统查收记录表2、落地式脚手架查收记录3、钢筋、模板、混凝土、外挂吊篮、卸料平台安全技术要求和查收记录表。
建筑施工安全管理十三本台帐台帐之一:安全生产管理制度………………………………………一、各项安全生产管理制度…………………………………………二、各工种安全技术操作规程………………………………………台帐之二:安全生产责任与目标管理………………………………一、企业主要人员及主要职能部门安全生产责任制………………二、项目部管理人员安全生产责任制………………………………三、安全生产目标责任书或经济承包协议书四、项目部安全管理目标责任书五、项目部安全生产组织网络………………………………………六、项目部安全生产责任制考核规定记录七、项目部安全目标责任考核规定及记录台帐三:施工组织设计………………………………………………一、施工组织设计(含工程概况表)………………………………二、施工现场总平面布置图和安全标志布置平面图三、专项安全施工方案………………………………………………台帐之四:分部(分项)工程安全技术交底………………………各分部(分项)工程、各工种及其它安全技术交底记录…………台帐之五:安全检查…………………………………………………安全产检查记录表……………………………………………………台帐之六:安全教育…………………………………………………一、职工花名册………………………………………………………二、职工三级安全教育登记卡………………………………………三、职工安全知识考试………………………………………………四、变换工种教育登记表……………………………………………五、项目部管理人员年度培训记录表及有关岗位证书复印件……六、特种作业人员和机械操作人员花名册…………………………七、特种作业人员和机械操作人员上岗证台帐之七:班组安全活动……………………………………………班组安全活动记录表…………………………………………………台帐之八:工伤事故处理……………………………………………一、安全生产月报表…………………………………………………二、伤亡事故报表……………………………………………………台帐之九:工地安全日记……………………………………………工地安全日记…………………………………………………………台帐之十:施工许可证明和产品合格证……………………………一、有关部门批准的施工文件二、安全防护用品合格证书及准用证三、机械产品合格证及准用证四、专项施工次格证书五、人身意外伤害保险证明六、各种文件(证书)名细表………………………………………台帐之十一:文明施工…………………………………………………一、文明施工技术措施…………………………………………………二、文明施工技术要求和验收表………………………………………三、施工现场消防安全管理检查记录表………………………………四、施工现场动用明火审批表…………………………………………台帐之十二:分项工程安全技术要求和验收…………………………一、脚手架安全技术要求和验收………………………二、基坑支护安全技术要求和验收………………………三、模板工程安全技术要求和验收………………………四、“三宝”、“四口”防护安全技术要求和验收………………………五、施工用电安全技术要求和验收………………………六、物料提升机安全技术要求和验收………………………七、外用电梯安全技术要求和验收………………………八、塔吊安全技术要求和验收………………………九、起重吊装安全技术要求和验收………………………十、施工机具安全技术要求和验收………………………十一、临建宿舍及办公用房技术要求和验收表………………………十二、XX市(经营地)建设工程灾害性天气避险扬所备案表…………………十三、申报标化工地资料(空白表)………………………………台账之十三各种记录清单:1、工程概况表2、施工组织设计3、专项安全施工方案4、文明施工技术措施5、项目部安全生产责任制考核表安全目标责任6、项目管理人员年度培训记录7、各分部分项工程、各工种及其它安全技术交底记录8、安全生产检查记录表9、职工花名册10、职工三级安全教育登记卡11、变换工种教育登记表12、特种作业和机械操作人员花名册13、班前安全活动记录表14、工地安全日记15、安全生产月报表16、伤亡事故报告17、施工现场消防安全管理检查记录表18、施工现场动用明火审批表19、模板拆除申请审批表20、接地电阻测试记录表21、电气设备、检验凭单和测试记录表22、检修记录表23、基坑毗邻建筑物沉降观测记录表24、基坑支护变形监测记录表25、落地式外脚手架搭设技术要求验收表26、悬挑式脚手架搭设技术要求验收表27、基坑支护安全技术要求和验收表28、模板工程安全技术要求和验收表29、“三宝”、“四口”防护安全技术要求和验收表30、施工用电安全技术要求和验收表31、物料提升机安全技术要求和验收表32、外用电梯安全技术要求和验收表33、塔吊安全技术要求和验收表34、平刨安全技术要求和验收表35、圆盘踞安全技术要求和验收表36、钢筋机械安全技术要求和验收表37、电焊机安全技术要求和验收表38、搅拌机安全技术要求和验收表39、挖土机械安全技术要求和验收表40、文明施工技术要求和验收表。
施工现场安全技术资料之一安全生产责任制1、各级管理人员安全生产责任制2、管理人员花名册3、各部门安全生产责任制4、各级各部门及管理人员安全生产责任制考核办法5、各级各部门及缸里人员安全生产责任制执行情况与考核记录6、经济承包合同7、各工种安全技术操作规程8、安全员资格9、安全值班(安全值班制度、安全值班表、安全值班记录〉10、项目经理安全资格11、施工企业安全资格12、建筑工程安全报监手续施工现场安全技术资料二目标管理1、安全管理目标2、安全责任目标分解3、安全责任目标考核规定4、安全责任目标考核记录施工现炀安全技术资料三施工组织设计1、施工组织设计2、专业性较强项目安全施工组织设计(万案)( 1 )临时用电工程( 2)脚手架工程( 3)基坑支护( 4)模板工程(引起重吊装作业( 6 )±苔吊( 7)物料?是升机( 8)其他垂直运输设备3、施工组织设计(万案)审批表施工现扬安全技术资料四分部(分顶)工程安全技术交底1、基础工程2、主体工程3、屋面工程4、装饰工程5、门窗工程6、脚手架工程7、临时用电工程8、垂直运输机械的拆装、使用9、施工机具及设备的安装、使用10、水暖、通风工程11、电气安装工程12、防火工程13、真Z工程14、各工种安全技术交底施工现扬安全技术资料五安全检查1、安全检查制度2、安全检查记录3、隐患整改报告书4、责令停止违法行为通知书5、建筑施工安全检查评分表( JGJ59-99 )施工现扬安全技术资料六安全教育1、安全教育与培训制度2、职工安全教育培训花名册3、职工安全教育档案4、施工管理人员年度安全培训考核记录施工现场安全技术资料七班前安全活动1、班前安全活动制度2、班前安全活动记录施工现扬安全技术资料八精神作业持证上岗1、特种作业人管理制度2、特种作业人花名册3、特种作业人证件管理施工现扬安全技术资料丸工伤事故处理1、工伤事故报告、调查处理和统计制度2、施工现场职工伤亡事故月报表3、伤亡事故及重大未遂事故记录4、因工伤亡事故调查处理结案审批表5、职工意外伤害保险施工现扬安全技术资料+安全标志1、安全标志台帐2、施工现场安全标志布置总平面图施工现扬安全技术资料十一安全防炉、临时设施费与准用iIE筐理1、安全防护、临时设施费与准用证管理制度2、安全防护、临时设施费统计表3、安全防护用具及机械设备准用管理施工现扬安全技术资料十二各类设备、设施验收及检测记录1、脚手架验收记录2、模板工程验收记录3、基坑支f户验收记录4、安全防护设施验收记录5、临时用电验收记录6、塔吊验收记录7、物料?是升机验收记录8、外用电梯验收记录9、施工机具验收记录10、起重机械安全装置检测记录11、漏电保护器检测记录12、接地电阻检测记录13、绝缘电阻检测记录14、电工巡视维修记录15、垂直运输机械交接班记录施工现扬安全技术资料十三文明施工1、文明施工管理制度2、门卫制度、交接班记录及外来人员登记薄3、宿舍管理制度4、消防制度5、动火审批手续6、治安保卫制度及责任分解7、六牌两国...‘a8、施工现场排水平面图9、卫生责任制10、食堂人员健康证11、急救措施及急救员上岗证12、卫生防病宣传教育材料13、夜间施工手续14、施工防尘防噪音及不扰民擂施施工现扬安全技术资料十四劳务用工1、民工工资发放制度2、民工用工制度3、民工工资发放公示制度4、民工工资发放记录。
一、安全生产责任制1、建立各级各部门安全生产责任制2、各级各部门执行责任制3、各种安全技术操作规程4、专职安全人员证件和兼职安全人员名单5、管理人员责任制考核办法及标准6、经济承包中的安全生产指标二、目标管理1、安全管理目标2、安全责任目标分解表3、责任目标考核规定三、施工组织设计1、施工组织设计安全措施或专项安全施工组织设计2、施工组织设计或专项安全施工组织设计审批意见书四、分部(分项)工程安全技术交底记录1、安全技术交底卡五、安全检查记录1、安全检查制度2、隐患整改通知书六、安全教育记录1、安全生产教育制度2、职工三级教育登记表3、职工三级教育人员花名册4、变换工种职工教育登记表5、管理人员、专(兼)职安全人员年度安全培训登记表七、班前安全活动记录1、班前活动制度2、班组安全活动记录本八、特种作业持证上岗证1、特种作业人员登记表2、特种作业人员操作证或复印件九、工伤事故处理记录1、伤亡事故登记表2、职工伤亡事故月报表3、因工死亡事故快报4、职工伤亡事故台帐5、重伤、死亡事故调查记录表6、重伤、死亡事故调查报告书十、安全标志记录1、施工现场安全标志登记表2、施工现场安全标志平面图十一、施工用电1、专项用电施工组织设计2、地极阻值遥测记录3、电工巡视维修记录4、施工用电技术交底5、临时用电工程检查验收表十二、施工机具1、机械设备维修保养记录2、机械设备验收记录表十三、塔吊检查资料1、安装与拆卸①安装拆卸方案②作业队伍资质证书2、塔吊指挥①司机上岗证②指挥上岗证③塔吊操作交接班记录④塔式起重机检查表⑤建筑起重机械设备备案使用登记表⑥建筑起重机自检情况登记表3、安装验收①建筑起重机械安装书面告知书②塔式起重机安装竣工验收表③塔式起重机安拆方案汇签表④塔式起重机基础验收记录⑤起重机械制造监督检验证书⑥中华人民共和国特种设备制造许可明细表⑦中华人民共和国特种设备制造许可证⑧起重机械设备合格证⑨起重机械设备厂安全生产许可证⑩起重机械设备厂资质证书11)起重机安拆作业人员上岗证12)塔机基础隐蔽记录及各种材料质保资料4、塔吊使用交接记录。
安全生产管理台账()年度企业名称:法定代表人:安全生产管理台账台账种类:安全工作文件、会议单位名称:台账编号: 010 / 43说明一、企业应对与所有与安全管理有关的收、发文件做好登记管理工作,规X收、文档案管理。
二、企业安全主管负责人应每月召开一次安全专题会议,学习、贯彻安全生产法律法规和国家、省、市政府有关文件及领导讲话精神,计划、实施、检查、评估企业安全生产的阶段性工作;研究、决策安全生产的重大问题,提出持续改进的安全对策和措施。
三、企业(公司、厂级)每周的生产会议应对本周及下周安全工作做出处理和安排。
四、安全生产会议中提出的问题在下次会议中要给予落实或整改情况说明。
五、企业应按相关规定不定期召开各类安全会议。
六、安全生产会议应该每季度进行一次小结,年终召开安全生产总结会议,总结全年安全生产工作,制定次年安全生产工作计划。
七、会议记录应工整、有条理,参加会议人员应签字。
1 / 43安全生产收文登记(年)2 / 43安全生产发文登记(年)3 / 43安全生产工作会议记录(年)4 / 43安全生产管理台账台账种类:安全教育培训单位名称:5 / 43台账编号:02企业主要负责人、安全管理人员安全生产管理资格培训取证记录(年)6 / 43全员安全生产知识教育培训记录(年度)7 / 43新入厂员工“三级教育”培训(年度)8 / 439 / 43特种作业人员培训、考核、持证登记表(年度)10 / 43安全生产管理台账台账种类:特种设备管理单位名称:台账编号: 0311 / 43特种设备登记表(年度)12 / 4313 / 43企业特种设备运行、维修、保养登记表(年度)14 / 43安全生产管理台账台账种类:安全生产检查单位名称:台账编号: 0415 / 43说明一、企业应根据安全检查计划,开展综合性检查、专业性检查、季节性检查、日常检查和节假日检查;各种安全检查均应按相应的安全检查表逐项检查,并与责任制挂钩。
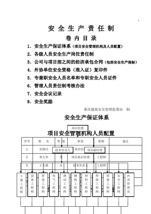
1 安全生产责任制卷内目录1.安全生产保证体系(项目安全管理机构及人员配置)2.各级人员安全生产岗位责任制3.公司与项目部之间的经济承包合同(包括安全生产指标)4.外协单位安全资格(准入证)复印件5.专兼职安全人员名单和专职安全人员证件6.管理人员责任制考核办法7.安全会议记录8.安全奖励重庆建筑安全管理监查站制安全生产保证体系1、认真贯彻“彻安全第一、预防为主”的方针和上级有关安全法规、规范和规定,确保职工在生产过程中的安全和健康,促进生产发展和提高企业经济效益。
2、施工项目管理人员必须坚持,管生产必须要管安全的原则,牢固树立安全责任重于泰山的思想,认真执行安全生产责任制,相互配合,分工协作,各负其责,共同把关,做好安全工作。
3、坚持经常性的安全教育,狠抓安全技术措施的编制和落实,有计划,有步骤地改善作业环境和劳动条件。
4、施工项目各级管理人员必须反安全生产工作摆在一切工作的首位,做到会议上有布置,日程上有安排,工作中有检查,月、季和年终有考评。
5、坚持经常性的安全检查,及时发现和消除隐患,把事故消灭在发生之前,如发生重大伤亡事故要保护好现场,按报告程序及时报告,并积极协助有关部门调查、要析和处理,同时认真吸取事故教训,杜绝同类事故重复发生。
重庆建筑安全管理监查站制项目经理安全生产责任1、认真执行党和国家安全生产方针、政策、规程、规定和上级指示、决议,结合项目实际情况,制定和执行安全生产管理办法。
2、对项目工程的安全生产负第一责任,必须安全生产列为重要议事日程,在计划、布置检查、总结、评比生产的同时,计划、布置、检查、总结、评比安全工作,正确处理,安全与生产,安全与效益的关系。
每周应召开一次安全生产工作会,讨论安全生产动态,解决安全生产中的问题。
3、严格执行安全考核指标和安全生产奖惩办法。
4、加强对职能部门和职工的安全教育,提高他们的安全意识和自我防护的能力。
5、严格执行安全技术措施审批和施工安全技术措施交底制度,确保劳动保护安全技术措施计划的实施,不断改善作业环境和劳动条件。
建筑施工安全管理十三本台帐台帐之一:安全生产管理制度………………………………………一、各项安全生产管理制度…………………………………………二、各工种安全技术操作规程………………………………………台帐之二:安全生产责任与目标管理………………………………一、企业主要人员及主要职能部门安全生产责任制………………二、项目部管理人员安全生产责任制………………………………三、安全生产目标责任书或经济承包协议书四、项目部安全管理目标责任书五、项目部安全生产组织网络………………………………………六、项目部安全生产责任制考核规定记录七、项目部安全目标责任考核规定及记录台帐三:施工组织设计………………………………………………一、施工组织设计(含工程概况表)………………………………二、施工现场总平面布置图和安全标志布置平面图三、专项安全施工方案………………………………………………台帐之四:分部(分项)工程安全技术交底………………………各分部(分项)工程、各工种及其它安全技术交底记录…………台帐之五:安全检查…………………………………………………安全产检查记录表……………………………………………………台帐之六:安全教育…………………………………………………一、职工花名册………………………………………………………二、职工三级安全教育登记卡………………………………………三、职工安全知识考试………………………………………………四、变换工种教育登记表……………………………………………五、项目部管理人员年度培训记录表及有关岗位证书复印件……六、特种作业人员和机械操作人员花名册…………………………七、特种作业人员和机械操作人员上岗证台帐之七:班组安全活动……………………………………………班组安全活动记录表…………………………………………………台帐之八:工伤事故处理……………………………………………一、安全生产月报表…………………………………………………二、伤亡事故报表……………………………………………………台帐之九:工地安全日记……………………………………………工地安全日记…………………………………………………………台帐之十:施工许可证明和产品合格证……………………………一、有关部门批准的施工文件二、安全防护用品合格证书及准用证三、机械产品合格证及准用证四、专项施工次格证书五、人身意外伤害保险证明六、各种文件(证书)名细表………………………………………台帐之十一:文明施工…………………………………………………一、文明施工技术措施…………………………………………………二、文明施工技术要求和验收表………………………………………三、施工现场消防安全管理检查记录表………………………………四、施工现场动用明火审批表…………………………………………台帐之十二:分项工程安全技术要求和验收…………………………一、脚手架安全技术要求和验收………………………二、基坑支护安全技术要求和验收………………………三、模板工程安全技术要求和验收………………………四、“三宝”、“四口”防护安全技术要求和验收………………………五、施工用电安全技术要求和验收………………………六、物料提升机安全技术要求和验收………………………七、外用电梯安全技术要求和验收………………………八、塔吊安全技术要求和验收………………………九、起重吊装安全技术要求和验收………………………十、施工机具安全技术要求和验收………………………十一、临建宿舍及办公用房技术要求和验收表………………………十二、XX市(经营地)建设工程灾害性天气避险扬所备案表…………………十三、申报标化工地资料(空白表)………………………………台账之十三各种记录清单:1、工程概况表2、施工组织设计3、专项安全施工方案4、文明施工技术措施5、项目部安全生产责任制考核表安全目标责任6、项目管理人员年度培训记录7、各分部分项工程、各工种及其它安全技术交底记录8、安全生产检查记录表9、职工花名册10、职工三级安全教育登记卡11、变换工种教育登记表12、特种作业和机械操作人员花名册13、班前安全活动记录表14、工地安全日记15、安全生产月报表16、伤亡事故报告17、施工现场消防安全管理检查记录表18、施工现场动用明火审批表19、模板拆除申请审批表20、接地电阻测试记录表21、电气设备、检验凭单和测试记录表22、检修记录表23、基坑毗邻建筑物沉降观测记录表24、基坑支护变形监测记录表25、落地式外脚手架搭设技术要求验收表26、悬挑式脚手架搭设技术要求验收表27、基坑支护安全技术要求和验收表28、模板工程安全技术要求和验收表29、“三宝”、“四口”防护安全技术要求和验收表30、施工用电安全技术要求和验收表31、物料提升机安全技术要求和验收表32、外用电梯安全技术要求和验收表33、塔吊安全技术要求和验收表34、平刨安全技术要求和验收表35、圆盘踞安全技术要求和验收表36、钢筋机械安全技术要求和验收表37、电焊机安全技术要求和验收表38、搅拌机安全技术要求和验收表39、挖土机械安全技术要求和验收表40、文明施工技术要求和验收表。
1 安全生产责任制卷内目录1.安全生产保证体系(项目安全管理机构及人员配置)2.各级人员安全生产岗位责任制3.公司与项目部之间的经济承包合同(包括安全生产指标)4.外协单位安全资格(准入证)复印件5.专兼职安全人员名单和专职安全人员证件6.管理人员责任制考核办法7.安全会议记录8.安全奖励重庆建筑安全管理监查站制安全生产保证体系项目安全管理机构人员配置建筑施工管理人员安全生产责任1、认真贯彻“彻安全第一、预防为主”的方针和上级有关安全法规、规范和规定,确保职工在生产过程中的安全和健康,促进生产发展和提高企业经济效益。
2、施工项目管理人员必须坚持,管生产必须要管安全的原则,牢固树立安全责任重于泰山的思想,认真执行安全生产责任制,相互配合,分工协作,各负其责,共同把关,做好安全工作。
3、坚持经常性的安全教育,狠抓安全技术措施的编制和落实,有计划,有步骤地改善作业环境和劳动条件。
4、施工项目各级管理人员必须反安全生产工作摆在一切工作的首位,做到会议上有布置,日程上有安排,工作中有检查,月、季和年终有考评。
5、坚持经常性的安全检查,及时发现和消除隐患,把事故消灭在发生之前,如发生重大伤亡事故要保护好现场,按报告程序及时报告,并积极协助有关部门调查、要析和处理,同时认真吸取事故教训,杜绝同类事故重复发生。
重庆建筑安全管理监查站制项目经理安全生产责任1、认真执行党和国家安全生产方针、政策、规程、规定和上级指示、决议,结合项目实际情况,制定和执行安全生产管理办法。
2、对项目工程的安全生产负第一责任,必须安全生产列为重要议事日程,在计划、布置检查、总结、评比生产的同时,计划、布置、检查、总结、评比安全工作,正确处理,安全与生产,安全与效益的关系。
每周应召开一次安全生产工作会,讨论安全生产动态,解决安全生产中的问题。
3、严格执行安全考核指标和安全生产奖惩办法。
4、加强对职能部门和职工的安全教育,提高他们的安全意识和自我防护的能力。
建筑施工安全管理十三本台帐台帐之一:安全生产管理制度………………………………………一、各项安全生产管理制度…………………………………………二、各工种安全技术操作规程………………………………………台帐之二:安全生产责任与目标管理………………………………一、企业主要人员及主要职能部门安全生产责任制………………二、项目部管理人员安全生产责任制………………………………三、安全生产目标责任书或经济承包协议书四、项目部安全管理目标责任书五、项目部安全生产组织网络………………………………………六、项目部安全生产责任制考核规定记录七、项目部安全目标责任考核规定及记录台帐三:施工组织设计………………………………………………一、施工组织设计(含工程概况表)………………………………二、施工现场总平面布置图与安全标志布置平面图三、专项安全施工方案………………………………………………台帐之四:分部(分项)工程安全技术交底………………………各分部(分项)工程、各工种及其它安全技术交底记录…………台帐之五:安全检查…………………………………………………安全产检查记录表……………………………………………………台帐之六:安全教育…………………………………………………一、职工花名册………………………………………………………二、职工三级安全教育登记卡………………………………………三、职工安全知识考试………………………………………………四、变换工种教育登记表……………………………………………五、项目部管理人员年度培训记录表及有关岗位证书复印件……六、特种作业人员与机械操作人员花名册…………………………七、特种作业人员与机械操作人员上岗证台帐之七:班组安全活动……………………………………………班组安全活动记录表…………………………………………………台帐之八:工伤事故处理……………………………………………一、安全生产月报表…………………………………………………二、伤亡事故报表……………………………………………………台帐之九:工地安全日记……………………………………………工地安全日记…………………………………………………………台帐之十:施工许可证明与产品合格证……………………………一、有关部门批准的施工文件二、安全防护用品合格证书及准用证三、机械产品合格证及准用证四、专项施工次格证书五、人身意外伤害保险证明六、各种文件(证书) 名细表………………………………………台帐之十一:文明施工…………………………………………………一、文明施工技术措施…………………………………………………二、文明施工技术要求与验收表………………………………………三、施工现场消防安全管理检查记录表………………………………四、施工现场动用明火审批表…………………………………………台帐之十二:分项工程安全技术要求与验收…………………………一、脚手架安全技术要求与验收………………………二、基坑支护安全技术要求与验收………………………三、模板工程安全技术要求与验收………………………四、“三宝”、“四口”防护安全技术要求与验收………………………五、施工用电安全技术要求与验收………………………六、物料提升机安全技术要求与验收………………………七、外用电梯安全技术要求与验收………………………八、塔吊安全技术要求与验收………………………九、起重吊装安全技术要求与验收………………………十、施工机具安全技术要求与验收………………………十一、临建宿舍及办公用房技术要求与验收表………………………十二、XX市(经营地)建设工程灾害性天气避险扬所备案表…………………十三、申报标化工地资料(空白表)………………………………台账之十三各种记录清单:1、工程概况表2、施工组织设计3、专项安全施工方案4、文明施工技术措施5、项目部安全生产责任制考核表安全目标责任6、项目管理人员年度培训记录7、各分部分项工程、各工种及其它安全技术交底记录8、安全生产检查记录表9、职工花名册10、职工三级安全教育登记卡11、变换工种教育登记表12、特种作业与机械操作人员花名册13、班前安全活动记录表14、工地安全日记15、安全生产月报表16、伤亡事故报告17、施工现场消防安全管理检查记录表18、施工现场动用明火审批表19、模板拆除申请审批表20、接地电阻测试记录表21、电气设备、检验凭单与测试记录表22、检修记录表23、基坑毗邻建筑物沉降观测记录表24、基坑支护变形监测记录表25、落地式外脚手架搭设技术要求验收表26、悬挑式脚手架搭设技术要求验收表27、基坑支护安全技术要求与验收表28、模板工程安全技术要求与验收表29、“三宝”、“四口”防护安全技术要求与验收表30、施工用电安全技术要求与验收表31、物料提升机安全技术要求与验收表32、外用电梯安全技术要求与验收表33、塔吊安全技术要求与验收表34、平刨安全技术要求与验收表35、圆盘踞安全技术要求与验收表36、钢筋机械安全技术要求与验收表37、电焊机安全技术要求与验收表38、搅拌机安全技术要求与验收表39、挖土机械安全技术要求与验收表40、文明施工技术要求与验收表。
安全资料--13本台帐(完整版)1 安全生产责任制卷内目录1.安全生产保证体系(项目安全管理机构及人员配置)2.各级人员安全生产岗位责任制3.公司与项目部之间的经济承包合同(包括安全生产指标)4.外协单位安全资格(准入证)复印件5.专兼职安全人员名单和专职安全人员证件6.管理人员责任制考核办法7.安全会议记录8.安全奖励安全生产保证体系项目安全管理机构人员配置建筑施工管理人员安全生产责任1、认真贯彻“彻安全第一、预防为主”的方针和上级有关安全法规、规范和规定,确保职工在生产过程中的安全和健康,促进生产发展和提高企业经济效益。
2、施工项目管理人员必须坚持,管生产必须要管安全的原则,牢固树立安全责任重于泰山的思想,认真执行安全生产责任制,相互配合,分工协作,各负其责,共同把关,做好安全工作。
3、坚持经常性的安全教育,狠抓安全技术措施的编制和落实,有计划,有步骤地改善作业环境和劳动条件。
4、施工项目各级管理人员必须反安全生产工作摆在一切工作的首位,做到会议上有布置,日程上有安排,工作中有检查,月、季和年终有考评。
5、坚持经常性的安全检查,及时发现和消除隐患,把事故消灭在发生之前,如发生重大伤亡事故要保护好现场,按报告程序及时报告,并积极协助有关部门调查、要析和处理,同时认真吸取事故教训,杜绝同类事故重复发生。
项目经理安全生产责任1、认真执行党和国家安全生产方针、政策、规程、规定和上级指示、决议,结合项目实际情况,制定和执行安全生产管理办法。
2、对项目工程的安全生产负第一责任,必须安全生产列为重要议事日程,在计划、布置检查、总结、评比生产的同时,计划、布置、检查、总结、评比安全工作,正确处理,安全与生产,安全与效益的关系。
每周应召开一次安全生产工作会,讨论安全生产动态,解决安全生产中的问题。
3、严格执行安全考核指标和安全生产奖惩办法。
4、加强对职能部门和职工的安全教育,提高他们的安全意识和自我防护的能力。
施工现场安全技术资料之一安全生产责任制1、各级管理人员安全生产责任制2、管理人员花名册3、各部门安全生产责任制4、各级各部门及管理人员安全生产责任制考核办法5、各级各部门及管理人员安全生产责任制执行情况与考核记录6、经济承包合同7、各工种安全技术操作规程8、安全员资格9、安全值班(安全值班制度、安全值班表、安全值班记录)10、项目经理安全资格11、施工企业安全资格施工现场安全技术资料二目标管理1、安全管理目标2、安全责任目标分解3、安全责任目标考核规定4、安全责任目标考核记录施工现场安全技术资料三施工组织设计1、施工组织设计2、专业性较强项目安全施工组织设计(方案)(1)临时用电工程(2)土方开挖工程(3)钻孔施工方案施工现场安全技术资料四分部(分项)工程安全技术交底1、各工种安全技术交底施工现场安全技术资料五安全检查1、安全检查制度2、安全检查记录3、隐患整改报告书4、责令停止违法行为通知书5、建筑施工安全检查评分表(JGJ59-2011)施工现场安全技术资料六安全教育1、安全教育与培训制度2、职工安全教育培训花名册3、职工安全教育档案4、施工管理人员年度安全培训考核记录施工现场安全技术资料七班前安全活动1、班前安全活动制度2、班前安全活动记录施工现场安全技术资料八特种作业持证上岗1、特种作业人管理制度2、特种作业人花名册3、特种作业人证件管理施工现场安全技术资料九工伤事故处理1、工伤事故报告、调查处理和统计制度2、施工现场职工伤亡事故月报表3、伤亡事故及重大未遂事故记录4、因工伤亡事故调查处理结案审批表5、职工意外伤害保险施工现场安全技术资料十安全标志1、安全标志台帐2、施工现场安全标志布置总平面图施工现场安全技术资料十一安全防护、临时设施费与准用证管理1、安全防护、临时设施费与准用证管理制度2、安全防护、临时设施费统计表3、安全防护用具及机械设备准用管理施工现场安全技术资料十二各类设备、设施验收及检测记录1、脚手架验收记录2、模板工程验收记录3、基坑支护验收记录4、安全防护设施验收记录5、临时用电验收记录6、塔吊验收记录7、物料提升机验收记录8、外用电梯验收记录9、施工机具验收记录10、起重机械安全装置检测记录11、漏电保护器检测记录12、接地电阻检测记录13、绝缘电阻检测记录14、电工巡视维修记录15、垂直运输机械交接班记录施工现场安全技术资料十三文明施工1、文明施工管理制度2、门卫制度、交接班记录及外来人员登记薄3、宿舍管理制度4、消防制度5、动火审批手续6、治安保卫制度及责任分解7、六牌两图8、施工现场排水平面图9、卫生责任制10、食堂人员健康证11、急救措施及急救员上岗证12、卫生防病宣传教育材料13、夜间施工手续14、施工防尘防噪音及不扰民措施。
安全生产十三本台账1、重庆建筑内业安全资料13本台账全面的范例谁可以发一个给我啊?非常感谢!我的是山东省的,如果需要把邮箱留给我。
山东省这里安全资料是十三卷2、安全的十三本台账怎么做?1、安全生产会议台帐包括:安全生产相关文件的传达、学习和贯彻情况。
具体记载会议名称、内容、时间、地点、参加人员、主持人、会议具体事项及处理结果等。
2、安全生产组织网络台帐包括:企业安全生产领导小组、本单位专(兼)职安全生产管理人员和从上到下的管理网络及具体人员。
3、安全生产宣传教育和培训台帐包括:安全生产教育记录、安全生产宣传记录、安全生产培训记录。
具体记录企业负责人、安全管理人员、企业安全生产全员培训、新进厂职工、特种作业人员安全教育及培训考核情况(安全教育培训时间、地点、培训人、被培训人、教育培训内容、考试时间、考试成绩等,考核试卷要存档。
经过安全教育的人员要有本人签名)。
4、安全生产检查台帐包括:日常安全生产检查记录、专项整治检查记录。
具体记录企业安全生产检查情况(每月一次大检查,每周一次常规检查,除此之外还要按照专业特点、根据季节变化、节假日安排以及特殊作业要求,开展专项检查;检查时间、检查内容、检查人、检查出的问题、整改措施、完成时间等)。
5、安全生产隐患排查治理台帐包括:安全生产隐患排查记录及整改记录情况。
(要按照“五定”原则进行)。
6、安全生产事故管理台帐包括:各类事故资料情况。
具体记录所发生的各类事故,包括火灾、爆炸、设备、生产、交通、人身和其他事故;并按照“四不放过”原则,进行事故原因及责任分析,详细填写应吸取的教训、采取的防范措施和处理意见等,人身事故要将当事人姓名、性别、年龄、工种、工龄及事故概况等记入台帐。
)7、安全生产工作考核与奖惩台帐包括:安全工作考核情况和奖惩情况。
具体记录各部门、各岗位安全生产责任制的考核情况,要有各级安全工作和安全生产考核细则,对事故发生个人及“三违”人员进行处罚的情况,对防止和避免事故发生的有功人员的奖励情况,对在安全管理中做出贡献的个人表彰和奖励情况。
十三台账目录1、安全生产责任制2、目标管理3、安全教育4、工程施工组织设计5、安全技术交底6、安全检查7、特种作业人员8、班组班前安全活动9、工伤处理10、施工用电档案11、安全标志12、机械设备管理资料13、劳动保护用品台帐安全生产责任制卷内目录1.安全生产保证体系(项目安全管理机构及人员配置)2.各级人员安全生产岗位责任制(签名责任书)3.公司与项目部之间的经济承包合同(包括安全生产指标)4.外协单位安全资格(准入证)复印件5.专兼职安全人员名单和专职安全人员证件6.安全会议制度7.安全会议记录8.安全奖励工程项目部安全管理网络图项目安全管理机构人员配置建筑施工管理人员安全生产责任1、认真贯彻“彻安全第一、预防为主”的方针和上级有关安全法规、规范和规定,确保职工在生产过程中的安全和健康,促进生产发展和提高企业经济效益。
2、施工项目管理人员必须坚持,管生产必须要管安全的原则,牢固树立安全责任重于泰山的思想,认真执行安全生产责任制,相互配合,分工协作,各负其责,共同把关,做好安全工作。
3、坚持经常性的安全教育,狠抓安全技术措施的编制和落实,有计划,有步骤地改善作业环境和劳动条件。
4、施工项目各级管理人员必须反安全生产工作摆在一切工作的首位,做到会议上有布置,日程上有安排,工作中有检查,月、季和年终有考评。
5、坚持经常性的安全检查,及时发现和消除隐患,把事故消灭在发生之前,如发生重大伤亡事故要保护好现场,按报告程序及时报告,并积极协助有关部门调查、要析和处理,同时认真吸取事故教训,杜绝同类事故重复发生。
项目经理安全生产责任1、认真执行党和国家安全生产方针、政策、规程、规定和上级指示、决议,结合项目实际情况,制定和执行安全生产管理办法。
2、对项目工程的安全生产负第一责任,必须安全生产列为重要议事日程,在计划、布置检查、总结、评比生产的同时,计划、布置、检查、总结、评比安全工作,正确处理,安全与生产,安全与效益的关系。
安全生产责任制卷内目录1.安全生产保证体系(项目安全管理机构及人员配置)2.各级人员安全生产岗位责任制3.公司与项目部之间的经济承包合同(包括安全生产指标)4.外协单位安全资格(准入证)复印件5.专兼职安全人员名单和专职安全人员证件6.管理人员责任制考核办法7.安全会议记录8.安全奖励安全生产保证体系项目安全管理机构人员配置建筑施工管理人员安全生产责任1、认真贯彻“安全第一、预防为主”的方针和上级部门有关安全法律、法规的规定,确保职工在生产过程中的安全和健康,促进生产发展和提高企业经济效益。
2、施工项目管理人员必须坚持,管生产必须要管安全的原则,牢固树立安全责任重于泰山的思想,认真执行安全生产责任制,相互配合,分工协作,各负其责,共同把关,做好安全工作。
3、坚持经常性的安全教育,狠抓安全技术措施的编制和落实,有计划,有步骤地改善作业环境和劳动条件。
4、施工项目各级管理人员必须反安全生产工作摆在一切工作的首位,做到会议上有布置,日程上有安排,工作中有检查,月、季和年终有考评。
5、坚持经常性的安全检查,及时发现和消除隐患,把事故消灭在发生之前,如发生重大伤亡事故要保护好现场,按报告程序及时报告,并积极协助有关部门调查、要析和处理,同时认真吸取事故教训,杜绝同类事故重复发生。
西能·浙商大厦项目部中开建设有限公司2015年5月10日项目经理安全生产责任1、认真执行党和国家安全生产方针、政策、规程、规定和上级指示、决议,结合项目实际情况,制定和执行安全生产管理办法。
2、对项目工程的安全生产负第一责任,必须安全生产列为重要议事日程,在计划、布置检查、总结、评比生产的同时,计划、布置、检查、总结、评比安全工作,正确处理,安全与生产,安全与效益的关系。
每周应召开一次安全生产工作会,讨论安全生产动态,解决安全生产中的问题。
3、严格执行安全考核指标和安全生产奖惩办法。
4、加强对职能部门和职工的安全教育,提高他们的安全意识和自我防护的能力。
5、严格执行安全技术措施审批和施工安全技术措施交底制度,确保劳动保护安全技术措施计划的实施,不断改善作业环境和劳动条件。
6、必须按上级要求,设置符合条件的专(兼)职安全管理(检查)人员,并积极支持他们的工作。
7、定期组织安全检查和分析,对查出的隐患必须做到落实人员,落实措施,落实经费,限期整改,不留隐患。
针对可能产生的安全隐患制定相应的预防措施。
8、当施工过程中发生安全事故时,项目经理必须按事故处理的有关规定和程序及时上报和处置,并制定防止同类事故再次发生的措施。
9、加强对外用工的安全教育和管理。
10、有权拒绝不科学、不安全的生产指令。
项目生产副经理安全生产责任1、认真贯彻执行安全生产方针、政策、法规、标准和上级指示,决议和规章制度,对本项目的安全生产工作负分管领导责任。
2、认真执行“管生产必须管安全”的原则,严格执行安全生产“五同时”的规定。
3、每周组织一次安全检查,及时分析和掌握本项目安全生产动态,研究解决问题的办法,责成有关班组对查出的问题进行整改,同时布置下周安全生产工作。
4、根据施工方案中的安全技术措施,分别向施工员和班组长进行安全技术交底,交接双方均应在安全持术交底卡上签字。
5、负责督促有关班组和人员对新工作,转换工种的工作和外用工进行安全教育和培训,凡未经教育培训的人员和无操作证的特种作业人员不得安排工作。
6、以身作责,遵章守纪,不违章指挥,及时制止作业行为。
7、发生工伤事故,必须及时抢救,并保护好现场,按程序立即报告有关部门,同时参加调查,分析事故,并完善改进措施。
8、根据上级有关规定,认真执行企业防护用品,防暑降温饮品的发放工作,同时做好职工劳逸结合和女工保护工作。
9、有权拒绝上级违反劳动安全法规的指令。
西能浙商大厦项目部中开建设有限公司2015年5月10日项目技术负责人安全生产责任1、认真贯彻执行国家安全生产方针、政策和安全标准、规范,结合项目实际情况,制定贯彻实施的具体措施,并检查落实情况。
2、在项目管理中,对本项目安全生产技术工作负总的责任,因而必须把安全技术工作列为重要议事日程,在计划、布置、检查、总结、评比生产技术工作时,必须同时计划、布置、检查、总结、评比安全生产技术工作。
3、组织、编制审查施工方案时,必须根据施工方法,使用机具设备和施工工艺等情况编制出有针对性的安全技术措施,成为科学指导施工技术依据。
4、经常深入施工现场,进行作业中的安全检查,及时研究和处理重大安全技术难题。
5、协助有关班组做好新工人,转换工种工人及外用工的安全教育培训、负责对专(兼)职安全人员的安全技术指导。
6、负责对项目生产副经理、施工员(工长)进行详细的安全技术交底,交底后双方均需在安全技术交底卡上签字。
7、总结交流安全生产技术的经验。
8、对重大伤亡事故和未遂事故从技术上分析原因,提出鉴定意见和改进措施。
西能浙商大厦项目部中开建设有限公司2014年5月10日项目施工员安全生产责任1、认真贯彻执行安全生产劳动保护方面的各种规章制度和安全技术措施,对分管项目工程的安全生产负直接责任。
2、认真按施工组织设计或施工方案指导施工,同时向作业人员进行详细的安全技术交底,组织实施安全技术措施,施工组织设计,方案在执行中如需修改,必须经原编制审批单位批准,不违章指挥,坚决制止违章作业。
3、在计划、布置、检查、总结、评比生产工作时,必须同时把安全生产贯穿到每个具体环节中,特别应有针对性的安全技术交底,当生产和安全发生矛盾的时候,生产必须服从安全。
4、指导所属班组搞好安全生产,组织班组学习安全操作规程,提高作业人员的安全意识,并检查执行情况。
5、教育工人正确使用个人劳动防护用品,在工作中检查劳保防护用品的执行情况。
6、对施工现场安全防护装置和设施进行验收。
7、凡发生工伤事故要保护好现场,并按程序上报并参与事故调查处理。
8、有权拒绝不科学,不安全的生产指令。
项目部中开建设有限公司2014年5月10日项目支部书记、政工、工会干事安全生产责任1、认真贯彻执行党和国家安全生产方针、政策、法令及规定,把反安全生产列为重要议事日程,经常研究职工安全思想动态,抓好安全生产的宣传教育工作,教育职工牢固树立安全第一的思想。
2、支持和协助行政领导及有关部门对安全生产奖惩办法的贯彻实施。
3、做好职工的思想政治工作,提高职工遵章守纪和遵守法的自觉性。
4、组织职工开展劳动竞赛,反安全工作纳入竞赛评比内容。
5、参加伤亡事故的调查处理,协助有关部门做好事故的善后工作。
项目部中开建设有限公司2014年5月10日项目专职安全员安全生产责任1、认真贯彻执行有关安全技术劳动保护法规,严格履行安全生产工作督促检查的职能。
2、落实安全设施的设置,对施工全过程的安全进行监督。
3、开展安全生产宣传教育工作,总结交流安全生产的先进经验。
组织安全教育和安全活动。
4、参加编制审查施工组织设计或施工方案中的安全技术措施。
组织指导班组开展安全生产活动,制止违章指挥和违章作业,配合有关部门排除安全隐患,遇有险情时,有权立即停止作业,撤出人员,并报告领导处理。
5、参加伤亡事故的调查处理,进行伤亡事故的统计,分析和报告工作。
6、监督劳保用品的质量,督促有关班组按规定及时发放和正确使用个人防护用品。
7、组织有关班组研究执行防尘、防毒、预防职业病和防暑降温措施。
8、督促有关班组做好劳逸结合和女工保护工作。
9、对违反安全生产规定的有关班组和人员在劝阻无效时,可越级报告。
项目部中开建设有限公司2014年5月10日项目材料部门(人员)安全生产责任1、负责安全技术措施计划和安全生产所需材料,保质保量供应。
2、根据劳动保护用品发放标准做好个人防护用品的计划、采购、保管和发放工作。
3、定期对安全帽、安全带、安全网等安全用具及防护设施进行检查验收,不符合安全要求的要及时更换。
4、采购的劳动保护用品必须符合国家标准,规范和制度要求。
项目部中开建设有限公司2014年5月10日机械管理人员安全生产责任1、对本项目所有机械设备配齐可靠的安全防护和保险装置,并经常检查其是否齐全、灵敏、有效,并督促有关人员进行日常维护、维修。
2、建立健全机电设备,压力容器,施工设备的安全规章制度及管理台帐。
3、负责施工设备的安装、使用、维护保养、试运转等工作,确保安全运转、安全行使。
4、负责本项目施工设备和安全事故的调查处理报告工作。
项目部中开建设有限公司2014年5月10日班组长安全生产责任1、严格遵守本工种安全规程和有关安全生产制度,根据本班组人员的技术、体力、思想等情况,合理安排工作,并做好安全技术交底,当一个班组分配两处或多处工作时,要指定临时负责人员负责安全工作,对本班组安全负责。
2、组织本班组职工学习安全技术操作规程,开展安全活动,召开上岗前安全生产会,每周进行安全评讲。
具体交待注意事项,并认真填写每天的班组活动记录。
3、对新调入的工作进行现场安全教育,熟悉环境和岗位并指定专人照管其人身安全。
4、作业前应对本次作业所使用的机具、设备、防护用具及作业环境进行安全检查,清除安全隐患。
5、督促本班组工作正确使用个人劳动防护用品。
6、教育班组人员坚守工作岗位,不违章指挥,不违章作业,不违反劳动纪律,同时作好自检,互检,交接检工作。
7、发生工伤事故要立即抢救,要详细记录并及时报告,组织全入人员认直分析原因,提出防范措施,发生重大伤亡事故要保护好现场并按程序上报。
8、支持班组安全员工作,及时采纳正确意见,发动职工提出搞好安全工作的合理化建议,并共同搞好安全生产工作。
项目部中开建设有限公司2014年5月10日全体职工安全生产责任1、牢记安全生产,人人有责,“预防为主,安全第一”的方针,积极参加安全活动,接受全全教育。
2、认真学习和掌握本工种的安全操作规程及有关安全知识,自觉遵守,严格执行安全生产的各项规章制度,听从安全人员指挥,做到不违章冒险作业。
服从安全监督人员的指导。
3、正确使用防护用品,爱护安全设施和安全标志,服从分配,坚守岗位,不随意开动他人操作的机械和电气设备,严格遵守岗位责任制和安全操作规程。
拒绝违章指挥。
4、发生事故或未遂事故,应立即向班组长报告,参加事故分析,吸取事故教训,对不安全作业报告意见积极提出搞好安全生产、改善劳动条件的合理化建设。
5、有权越级报告有关安全生产的一切情况,遇到有严重人身危险而无保证措施的作业、有权柜绝施工,同时立即报告或越级报告有关部门。
项目部中开建设有限公司2014年5月10日专兼职安全人员名单管理人员责任制考核办法为了检查各级部门安全生产责任制的落实情况,公司考评小组每月将对项目经理、副经理执行责任制的情况进行考核。
其余人员由项目考评小组每半月对执行责任制的情况进行考核,考核结果将与月评季奖挂钩,并作为工作业绩的主要依据。