2019年GFDD440120干式变压器冷却风机
- 格式:doc
- 大小:181.50 KB
- 文档页数:5
产品名称:DJ系列冷风机产品说明:DJ系列适用于库温为-25℃左右的冷库,作为鲜肉和鲜鱼制品或调理食品的速冻用。
产品图片:图片1产品参数:型号Model 名义冷却量W冷却面积(㎡)风机(380V)Air Cooler融霜电热器(220V)进液回气毛重功率风量直径射程盘管水盘DJ-0.8/5 800 5 90 2000 330 9 1*0.60.6 12 16 26DJ-1.3/8 1300 8 2*90 2*200330 91*0.90.9 12 16 33DJ-1.8/1 0 1800 10 2*902*200330 9 1.3 1.3 12 16 48DJ-2.1/1 5 2100 15 2*1202*200330 92*1.21.2 12 16 53DJ-4/20 4000 20 2*250 2*300400 122*1.31.3 16 25 65DJ-6/30 6000 30 2*250 2*300400 122*1.81.8 16 25 85DJ-8/40 8000 40 2*550 2*600500 12 51.3 1.3 19 38 147DJ-11/55 11000 55 2*550 2*600500 155*1.71.7 19 38 167DJ-14/70 14000 70 3*550 3*600500 155*2.12.1 19 38 210DJ-17/85 17000 85 3*550 3*600500 155*2.42.4 19 38 240DJ-20/1020000 100 4*550 4*600500 15 5*3 3 25 50 2700 0DJ-23/11 5 23000 115 4*5504*600500 155*3.23.2 25 50 90DJ28/14 0 28000 1402*1502*12500600 178*2.72.7 25 50 320DJ-34/17 0 34000 1703*1503*12500600 178*3.33.3 25 50 360产品特点:1.外壳采用磷化及二次喷塑工艺处理,方便清洁,高度防腐,外形美观,可根据用户要求选用铁板、镀锌板、轧花铝板和不锈钢板等材质。
干式变压器强制风冷的作用
强制风冷在干式变压器中主要起到以下作用:
1. 强制循环冷却:通过内外循环风机强制循环冷却干式变压器,实现散热,提高散热效率。
2. 降低温度:强制风冷可以有效地降低变压器的温度,从而提高其工作效率和使用寿命。
3. 适用范围广:强制风冷干式变压器适用于各种环境和条件下,如断续过负荷运行或紧急过载运行等。
4. 提高输出容量:通过强制风冷,干式变压器的输出容量可提高50%。
以上信息仅供参考,如需了解更多信息,建议咨询专业人士或查阅相关书籍文献。
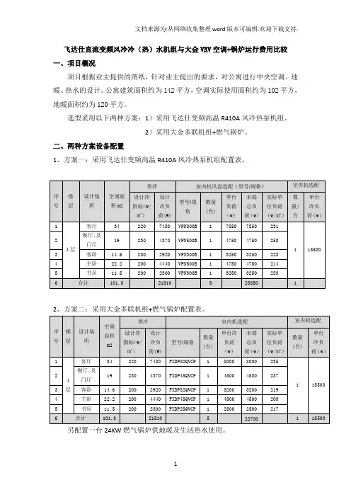
飞达仕直流变频风冷冷(热)水机组与大金VRV空调+锅炉运行费用比较一、项目概况项目根据业主提供的图纸,针对业主提出的要求,对公寓进行中央空调、地暖、热水的设计。
公寓建筑面积约为142平方,空调实际使用面积约为102平方,地暖面积约为120平方。
选型采用以下两种方案:1)采用飞达仕变频高温R410A风冷热泵机组。
2)采用大金多联机组+燃气锅炉。
二、两种方案设备配置1、方案一:采用飞达仕变频高温R410A风冷热泵机组配置表。
2、方案二:采用大金多联机组+燃气锅炉配置表。
另配置一台24KW燃气锅炉供地暖及生活热水使用。
三、运行费用比较1、计算用基本数据:制冷季120天,每天运行8小时,供暖季90天,每天运行12小时。
电费为0.5283元/KWh。
苏州地区天燃气实行阶梯式气价政策,每户年用气量600立方米以内为第一档,价格为每立方米2.48元;超过600立方米的部分为第二档,超过部分的价格为每立方米3.10元。
客户日常用气量每月约25立方米,年用气量约300立方米,冬季开地暖可享受第一档燃气量为300立方米,其余均为第二档气价。
2、方案一:采用变频高温R410A风冷热泵机组系统运行费用(1)夏季供冷运行费用:空调制冷时:主机功率5.53 KW,末端功率约0.373KW,水泵功率为0.22KW。
(2)冬季供暖运行费用:空调制热时:主机功率5.86KW,水泵功率为0. 22KW。
(3)能耗分析表:3、方案二多联机+锅炉系统运行费用(1)夏季供冷运行费用:空调制冷时:主机功率4.677KW,末端功率约0.476KW。
(2)冬季供暖运行费用:锅炉供暖时:耗气量约2.73m³/h,水泵功率约0.13KW。
(3)能耗分析表:4、年总运行费用对比表5、投资回报四、直流变频风冷热泵VS多联机+燃气锅炉五、对比结论综合以上比较,结合当地实际情况,使用变频风冷热泵机组系统更适合住宅使用。
能够满足舒适节能家居,运行费用也比较节省。
GFDD440-120干式变压器冷却风机产品用途和特点GF/FF系列干式变压器用横流式冷却风机(以下简称:干变冷却风机)主要用于干式变压器冷却增容及电子设备、配电柜、高低、压开关柜等产品的冷却降温等作用。
使用该系列冷却风机可提高干式变压器的输出功率40-50%,从而可大大提高干式变压器的承载能力、并延长了干式变压器的使用寿命,是国内外厂家普遍采用的最经济有效的方式。
我公司生产的GF/FF系列干变冷却风机依据中华人民共和国机械行业标准(JB/T8971-1999),通过电脑优化组合设计,使其风量更大、噪音更低,进一步提高了风压、降低了能耗,GF系列干变冷却风机的外壳采用了优质铝合金型材和不锈钢,结构紧凑、外形美观、安装简便,寿命长,从而为GF系列干变冷却风机长时间在较恶劣环境下平稳运行提供了可靠的保障。
工作原理GF/FF系列冷却风机用于干式变压器时,风机置于变压器线圈下部两侧,将冷风直接吹进变压器的线圈高、低压冷却风道,散热效果明显,可保障变压器的正常运行并延长其使用寿命。
(风机开、停及变压器的超温报警、超温跳闸等功能有温控装置提供)。
产品型号及含义FF/GF—□□□—□ /□———电机方向A或B—————叶轮直径(mm)————————风机总长度(mm)———————————顶吹式D(无字母“D”为侧吹式)——————————————电机相数(单相为D、三相为S)—————————————————产品代号:干式变压器用横流式冷却风机(简称干式变压器冷却风机或冷却风机)* 冷却风机A、B区分:以产品铭牌方向电机安装在左侧为B型,右侧为A型。
实例一:GFDD470-150 A 表示:干式变压器横流式冷却风机、单相220V、顶吹式、风机总长度470mm、叶轮直径150mm、电机在右边;实例二:GFD365-110/120 A 表示:干式变压器横流式冷却风机、单相220V、侧吹式、风机总长度470mm、叶轮直径110/120mm、电机在右边;实例三:GFS470-150 B 表示:干式变压器横流式冷却风机、三相380V、侧吹式、风机总长度470mm、叶轮直径150mm、电机在左边;顶(侧)吹式风机主要技术参数Top type blower main technical data顶吹式风机外形及安装尺寸图Top type blower shape and the install dimension diaCram侧吹式风机外形及安装尺寸图Side type blower shape and install dimension figure。
一种干式变压器冷却风机在线更换的升级装置[摘要]中海油某海上平台主变压器冷却风机进行在线更换安装服务。
目前,两台组网变压器线圈主要的冷却方式为利用变压器横式轴流风机对其进行强制风冷,强制风冷是干式变压器目前主流的冷却方式,经济性较高,对干式变压器进行强制风冷,可达到增容40-50%的效果。
因横式轴流风机特殊的结构,以及海上恶劣的使用环境,冷却风机出现故障的频率较高。
随着平台负荷的不断增加,变压器不具备倒停条件。
因此当冷却风机出现故障后,不能对冷却风机进行及时更换。
变压器冷却风机在线更换装置利用滑动装置,实现变压器冷却风机带电在线更换,保证变压器冷却条件以及安全稳定运行。
原装置由于没有电缆自动收放单元,在多次更换维修风机后,易造成电缆打结等故障,严重影响海上平台变压器用电安全,基于此对该装置进行改造升级。
[关键词]海上平台;干式变压器;冷却风机;散热1.概述随着海洋石油工业的快速发展,海上平台油井数量的不断增加,以及变频技术在采油工艺的普遍应用。
海上平台的电力负载呈现出日趋增长的态势。
目前部门规模较大的平台设计期间变压器的一用一备工况已经无法满足现场实际运行要求,改为两台变压器并联运行。
部分规模较小的平台,只配置一台主变压器,没有变压器作为备用。
对于以上情况,变压器的冷却风机出现故障后,现场无法对变压器进行停电,更换冷却风机,直接影响变压器的运行。
干式变压器冷风机主要用于干式变压器冷却增容,干式变压器配上冷风机散热后,可增容40-50%运行,从而大大提高干式变压器的承载能力,并延长了干式变压器的使用寿命,是国内外变压器生产厂家普遍采用的最经济有效的方式。
1.项目概况项目通过在变压器内安装滑轨与滑块,在变压器外壳位置进行改造,安装检修门系统,对风机的电源电缆进行重新敷设和绑扎接线。
将风机固定位置更换为滑块之上,通过滑块在滑轨的滑动,实现风机的整体移动的目的。
对变压器外壳进行检修门改造后,在保证变压器外壳原防护等级的同时,实现风机可以抽出变压器,实现对变压器风机的在线更换。
少年易学老难成,一寸光阴不可轻- 百度文库1 干式变压器运行检修标准成都供电段发布本标准根据成都供电段运行、检修实际情况编制;本标准由成都供电段段标准化委员会提出;本标准由段水电技术科起草;本标准起草人:蒋克荣少年易学老难成,一寸光阴不可轻- 百度文库本标准由成都供电段水电技术科负责解释。
干式变压器运行检修标准1主题内容及适用范围。
本标准规定了干式变压器保养、维修内容及要求。
2干式变压器检修的一般规定。
2.1运行干式变压器保养每年一次,现场进行;维修分为两种(一)重点修:在巡2少年易学老难成,一寸光阴不可轻- 百度文库视或保养时发现缺陷,危及设备供电安全,应马上组织抢修或整治,(二)一般修:不危及供电安全的非重点设备,在发现缺陷后,列入月检修计划;大修十五年一次。
2.2电检车间负责干式变压器的维修及大修,保养由设备管理部门负责。
2.3干式变压器检修周期、项目及要求,参见《铁路电力管理规则》。
安全措施必须符合《铁路电力安全工作规程》规定,确保人身、设备安全。
2.4干式变压器检修应进行修前调查、修中检查和修后验收。
了解干式变压器的运行状态,掌握存在的缺陷,确定检修项目。
通过修中检查,及时发现并纠正检修中存在的问题。
修后验收由技术负责人组织修检人员和设备负责人参加,并做好验收记录。
运行干式变压器检修后,应须进行送电检查,一切正常方可结束工作。
2.5干式变压器检修应做好记录。
修前调查、检修记录、验交记录应编入干式变压器技术档案。
并做到记名检修、备查。
3干式变压器介绍3.1干式变压器的优点:干式变压器符合GB 6450—86《干式电力变压器》,GB 10228—1997《干式电力变压器技术参数和要求》和GB 1094.1-1996《电力变压器第一部分总则》的规定,具有如下优点;3.1.1浇注线圈的整体强度好,耐受短路的能力最强;3.1.2耐受冲击过电压性能好,基准冲击水平(BIL)值高;3.1.3防潮及耐腐蚀性能特别好,尤其适合极端恶劣的环境条件下工作;3.1.4可以立即从备用状态下投入运行而无需预热去潮;3少年易学老难成,一寸光阴不可轻- 百度文库3.1.5损耗低,节能,过负荷能力强;3.1.6可靠性高、运行寿命长;3.1.7阻燃、无污染、体积小、重量轻、自动温控等。
十四、DBF 型大型变压器专用冷却风机1、DBF 型大型变压器专用冷却风机概述DBF 型大型变压器专用冷却风机,系DZ 型轴流风机的派生型产品,专为变压器油冷却配套设计,风机电机采用耐高温电机,保证在高温下能正常工作。
DBF 型大型变压器专用冷却风机,按直径分400~1000mm 八种规格,系列风量为4000~22500m 3/h ,全压为100-210Pa 。
配用电机为YCF 型电机,专为变压器风机的具体要求特殊设计制作。
2、DBF 型大型变压器专用冷却风机工作条件3、DBF 型大型变压器专用冷却风机配置3.1.标准配置●叶轮;●电机;●机壳(风筒、电机支架);●底脚。
3.2.备选件及附件(订货时注明是否购买)※减振设备;※控制箱;※网罩;※对接法兰;※百叶风口。
4、DBF 型大型变压器专用冷却风机加工工艺4.1.风机叶轮十字架为钢板冲压成型,叶片为铝合金冲压成型,叶片与十字架铆接装配成形。
叶轮经静、动平衡校正,平衡精度不大于G5.6级。
4.2.外筒法兰为采用整体翻边旋压而成。
DBF 型大型变压器专用冷却风机工作温度:-30~+40℃;湿度:小于90%;介质条件:空气(含尘量不超过100mg/m 3);工作电源:三相、380V/50Hz 。
5、DBF型大型变压器专用冷却风机性能参数表6DBF型大型变压器专用冷却风机性外形及安装尺寸1、JT-LZ 型冷却塔专用冷却风机性能参数表(固定角度)十五JT-LZ 型冷却塔专用冷却风机JZ -LZ 型冷却塔专用风机具有效率高、耗电省、噪声低、平衡精度优良等特点,已广泛用于国家机关、高级宾馆、体育中以及化工、轻工、医药、食品、纺织、冷冻、空调等工矿企业。
JT-LZ 型冷却塔专用冷却风机注:本系列风机也可根据用户需要,提供可变角度型风机。
2、JT-LZ 型冷却塔专用冷却风机性能参数表(可变角度)注:1.Df 测点定位:风口边缘与水平成45°角,距离等于风机直径(Df )的位置。
专利名称:一种海上风力发电用干式变压器的新型冷却装置专利类型:实用新型专利
发明人:闫春利,王洪蛟,马春明,李涛,蒋海霞,张伟
申请号:CN201922436468.6
申请日:20191230
公开号:CN211045215U
公开日:
20200717
专利内容由知识产权出版社提供
摘要:本实用新型涉及一种海上风力发电用干式变压器的新型冷却装置,包括塔筒,塔筒内设有密闭式金属壳体,密闭式金属壳体内设有绝缘遮风板,密闭式金属壳体上端设有排气风道,排气风道内设有轴流风机,密闭式金属壳体下端设有进气风道,密闭式金属壳体上设有温度传感器,塔筒内部一侧设有控制器,控制器上设有通讯模块,塔筒的下方设有散热筒,密闭式金属壳体与散热筒通过进气风道和排气风道进行管路连接,散热筒外设有拉套架,散热筒通过拉套架与塔筒栓接连接。
本实用新型采用散热筒与密闭式金属壳体连通对干式变压器进行密闭式的有效降温,耐用性好,且结构简单,成本低廉,对海面的腐蚀性气体的安全防护的性能极佳。
申请人:丹东欣泰电气股份有限公司
地址:118000 辽宁省丹东市振安区东平大街159号
国籍:CN
代理机构:沈阳友和欣知识产权代理事务所(普通合伙)
代理人:杨群
更多信息请下载全文后查看。
GFDD440-120干式变压器冷却风机
产品用途和特点
GF/FF系列干式变压器用横流式冷却风机(以下简称:干变冷却风机)主要用于干式变压器冷却增容及电子设备、配电柜、高低、压开关柜等产品的冷却降温等作用。
使用该系列冷却风机可提高干式变压器的输出功率40-50%,从而可大大提高干式变压器的承载能力、并延长了干式变压器的使用寿命,是国内外厂家普遍采用的最经济有效的方式。
我公司生产的GF/FF系列干变冷却风机依据中华人民共和国机械行业标准(JB/T8971-1999),通过电脑优化组合设计,使其风量更大、噪音更低,进一步提高了风压、降低了能耗,GF系列干变冷却风机的外壳采用了优质铝合金型材和不锈钢,结构紧凑、外形美观、安装简便,寿命长,从而为GF系列干变冷却风机长时间在较恶劣环境下平稳运行提供了可靠的保障。
工作原理
GF/FF系列冷却风机用于干式变压器时,风机置于变压器线圈下部两侧,将冷风直接吹进变压器的线圈高、低压冷却风道,散热效果明显,可保障变压器的正常运行并延长其使用寿命。
(风机开、停及变压器的超温报警、超温跳闸等功能有温控装置提供)。
产品型号及含义
FF/GF—□□□—□ /□
———电机方向A或B
—————叶轮直径(mm)
————————风机总长度(mm)
———————————顶吹式D(无字母“D”为侧吹式)
——————————————电机相数(单相为D、三相为S)
—————————————————产品代号:干式变压器用横流式冷却风机
(简称干式变压器冷却风机或冷却风机)
* 冷却风机A、B区分:以产品铭牌方向电机安装在左侧为B型,右侧为A型。
实例一:GFDD470-150 A 表示:干式变压器横流式冷却风机、单相220V、顶吹式、风机总长度
470mm、叶轮直径150mm、电机在右边;
实例二:GFD365-110/120 A 表示:干式变压器横流式冷却风机、单相220V、侧吹式、风机总长度470mm、叶轮直径110/120mm、电机在右边;
实例三:GFS470-150 B 表示:干式变压器横流式冷却风机、三相380V、侧吹式、风机总长度470mm、叶轮直径150mm、电机在左边;
顶(侧)吹式风机主要技术参数Top type blower main technical data
顶吹式风机外形及安装尺寸图Top type blower shape and the install dimension diaCram
侧吹式风机外形及安装尺寸图
Side type blower shape and install dimension figure。