屋面夹芯板施工方案---副本
- 格式:doc
- 大小:534.50 KB
- 文档页数:13
编制依据主要规、规程《钢结构工程施工质量验收规》GB50205-2001《建筑工程施工质量验收统一标准》GB50300-2001《屋面工程施工质量验收规》GB50202-2002施工原理夹芯板屋面施工中,应遵守钢筋混凝土结构工程施工规和钢结构工程施工规的相关规定,并结合夹芯板板自身的特点,突出其施工便捷,自重轻、免维护的特点。
本工法侧重于彩色夹芯板屋面板的连接、天沟的安装施工。
施工工艺:工艺流程图1.技术准备:(1).熟悉图纸,请设计、甲方、监理进行图纸会审,领会设计意图。
计算工程量,编制施工机具设备需要量计划。
(2).绘制夹芯板排版图,统计构件数量,进行工程量计算。
(3).提出各种加工半成品计划及技术、质量要求。
编制施工机具设备需要量计划。
①.檩条及系杆:檩条及系杆拉结材料是金属板材屋面的支撑系统。
主要材质为高频H型钢。
型钢厚度、刚度必须符合设计要求。
②.紧固件:膨胀螺栓、铆钉、自攻螺栓、垫板、垫圈、螺帽等用于板材与板材或板材与骨架固定连接的各种设计和安装所需的连接件必须是镀锌件,防止腐蚀;隐藏式的固定座及固定钉均亦为镀锌件。
③檩撑:檩条与檩条之间的支撑构件,必须为高强度的镀锌件。
(4)夹芯板到场后进行检查,有无翘边、脱模、扭曲、边缘是否整齐、色泽是否均匀、尺寸、厚度是否满足设计。
同时检查有否出厂合格证及检测报告。
(5)根据工程实际情况制定书面技术交底,并向现场施工人员详细讲解,以免造成错误施工。
2.现场准备:(1).检查轴线尺寸,钢结构的焊接、节点、螺栓、油漆等工程是否完善,钢筋混凝土结构的预埋件、平整度等。
(2)按设计或排版图,使用紧线器拉钢丝线测放出屋面轴线控制线的数量和位置,依据以上基准线弹出用于焊接屋面檩托的控制线。
(3)弹线完毕,在有构件的位置处进行拉线检查,对于高低差大于8mm 以上的点进行处理。
钢结构的高低差用钢垫或橡胶垫进行处理,砼结构的高低差可视具体情况,进行垫、削处理。
(4)如果钢结构或钢筋混凝土基层标高严重偏差,同时又限于成本或其它客观原因无法调整,则必须根据偏差情况严重程度采取统一标高进行垫高或逐步起坡的方式消除偏差。
编制依据主要规范、规程《钢结构工程施工质量验收规范》GB50205-2001《建筑工程施工质量验收统一标准》GB50300-2001《屋面工程施工质量验收规范》GB50202-2002施工原理夹芯板屋面施工中,应遵守钢筋混凝土结构工程施工规范和钢结构工程施工规范的相关规定,并结合夹芯板板自身的特点,突出其施工便捷,自重轻、免维护的特点。
本工法侧重于彩色夹芯板屋面板的连接、天沟的安装施工。
施工工艺:工艺流程图1.技术准备:(1).熟悉图纸,请设计、甲方、监理进行图纸会审,领会设计意图。
计算工程量,编制施工机具设备需要量计划。
(2).绘制夹芯板排版图,统计构件数量,进行工程量计算。
(3).提出各种加工半成品计划及技术、质量要求。
编制施工机具设备需要量计划。
①.檩条及系杆:檩条及系杆拉结材料是金属板材屋面的支撑系统。
主要材质为高频H型钢。
型钢厚度、刚度必须符合设计要求。
②.紧固件:膨胀螺栓、铆钉、自攻螺栓、垫板、垫圈、螺帽等用于板材与板材或板材与骨架固定连接的各种设计和安装所需的连接件必须是镀锌件,防止腐蚀;隐藏式的固定座及固定钉均亦为镀锌件。
③檩撑:檩条与檩条之间的支撑构件,必须为高强度的镀锌件。
(4)夹芯板到场后进行检查,有无翘边、脱模、扭曲、边缘是否整齐、色泽是否均匀、尺寸、厚度是否满足设计。
同时检查有否出厂合格证及检测报告。
(5)根据工程实际情况制定书面技术交底,并向现场施工人员详细讲解,以免造成错误施工。
2.现场准备:(1).检查轴线尺寸,钢结构的焊接、节点、螺栓、油漆等工程是否完善,钢筋混凝土结构的预埋件、平整度等。
(2)按设计或排版图,使用紧线器拉钢丝线测放出屋面轴线控制线的数量和位置,依据以上基准线弹出用于焊接屋面檩托的控制线。
(3)弹线完毕,在有构件的位置处进行拉线检查,对于高低差大于8mm 以上的点进行处理。
钢结构的高低差用钢垫或橡胶垫进行处理,砼结构的高低差可视具体情况,进行垫、削处理。
屋面夹芯板施工方案屋面夹芯板施工方案一、工艺流程:1. 施工准备:根据施工图纸和设计要求,对施工现场进行清理整理,确保施工场地平整,无杂物和障碍物。
2. 框架搭建:根据构造要求和设计要求,进行屋面框架的搭建,包括梁、柱、墙板等。
搭建过程中要注意材料的选择和连接的牢固性,确保框架的稳定性和安全性。
3. 安装夹芯板:先将夹芯板按照指定的规格和尺寸进行切割,然后用专用的安装工具将夹芯板依次安装在框架上。
安装时要注意夹芯板之间的错位和接缝的处理,确保整个屋面的密封性和保温性。
4. 固定夹芯板:将已安装的夹芯板进行固定,可采用自攻螺钉或专用密封胶进行固定。
固定时要确保夹芯板与框架之间的紧密贴合,防止出现松动和漏水现象。
5. 增强结构:根据设计要求,对屋面夹芯板进行增强结构的加固。
可采用加强筋、顶层涂层等方式进行加固,并进行必要的验收。
6. 完工验收:施工完成后,进行屋面夹芯板的验收工作。
包括对夹芯板的外观质量、固定性、密封性等进行检查,确保符合设计要求和施工规范。
二、施工要求:1. 操作人员必须熟悉夹芯板施工工艺和操作规范,严格按照施工图纸和设计要求进行施工。
2. 施工现场必须保持清洁整洁,杂物、水泥浆等必须及时清理。
3. 夹芯板切割时要使用专用的切割工具,确保切割平整、尺寸准确。
4. 夹芯板安装时要确保每块夹芯板的接缝处与框架之间使用专用密封胶进行密封处理,防止漏水。
5. 夹芯板固定时要使用适当数量和规格的自攻螺钉,要求牢固可靠,不得出现松动现象。
6. 施工过程中出现问题要及时处理,不得擅自改变施工工艺和设计要求。
三、安全措施:1. 施工人员必须佩戴相应的安全防护用品,如安全帽、防护眼镜、防护手套等。
2. 在搭建框架和固定夹芯板时要进行安全绑带,确保人员的安全。
3. 施工现场要设置明显的警示标志和隔离措施,禁止未经许可的人员进入施工区域。
4. 施工现场要保持整洁、有序,禁止乱堆杂物和松散材料。
5. 施工中严禁使用明火,如需施工照明要使用安全可靠的防爆灯具。
编制依据主要规范、规程《钢结构工程施工质量验收规范》GB50205-2001《建筑工程施工质量验收统一标准》GB50300-2001《屋面工程施工质量验收规范》GB50202-2002施工原理夹芯板屋面施工中,应遵守钢筋混凝土结构工程施工规范和钢结构工程施工规范的相关规定,并结合夹芯板板自身的特点,突出其施工便捷,自重轻、免维护的特点。
本工法侧重于彩色夹芯板屋面板的连接、天沟的安装施工。
施工工艺:工艺流程图1.技术准备:(1).熟悉图纸,请设计、甲方、监理进行图纸会审,领会设计意图。
计算工程量,编制施工机具设备需要量计划。
(2).绘制夹芯板排版图,统计构件数量,进行工程量计算。
(3).提出各种加工半成品计划及技术、质量要求。
编制施工机具设备需要量计划。
①.檩条及系杆:檩条及系杆拉结材料是金属板材屋面的支撑系统。
主要材质为高频H型钢。
型钢厚度、刚度必须符合设计要求。
②.紧固件:膨胀螺栓、铆钉、自攻螺栓、垫板、垫圈、螺帽等用于板材与板材或板材与骨架固定连接的各种设计和安装所需的连接件必须是镀锌件,防止腐蚀;隐藏式的固定座及固定钉均亦为镀锌件。
③檩撑:檩条与檩条之间的支撑构件,必须为高强度的镀锌件。
(4)夹芯板到场后进行检查,有无翘边、脱模、扭曲、边缘是否整齐、色泽是否均匀、尺寸、厚度是否满足设计。
同时检查有否出厂合格证及检测报告。
(5)根据工程实际情况制定书面技术交底,并向现场施工人员详细讲解,以免造成错误施工。
2.现场准备:(1).检查轴线尺寸,钢结构的焊接、节点、螺栓、油漆等工程是否完善,钢筋混凝土结构的预埋件、平整度等。
(2)按设计或排版图,使用紧线器拉钢丝线测放出屋面轴线控制线的数量和位置,依据以上基准线弹出用于焊接屋面檩托的控制线。
(3)弹线完毕,在有构件的位置处进行拉线检查,对于高低差大于8mm 以上的点进行处理。
钢结构的高低差用钢垫或橡胶垫进行处理,砼结构的高低差可视具体情况,进行垫、削处理。
夹芯板屋面施工方案夹芯板屋面施工方案一、施工前准备1. 按照设计图纸,清理施工现场,确保屋面无杂物。
2. 检查施工现场是否安全,是否有危险物品,确保施工人员的安全。
3. 准备好所需的施工工具和材料,包括夹芯板、螺丝、胶水、焊接设备等。
4. 检查夹芯板的数量和质量,确保够用且无质量问题。
二、施工步骤1. 根据设计图纸的要求,确定夹芯板的安装位置和数量,并在屋顶上做好标记。
2. 确定好夹芯板的方向和搭接方式,将夹芯板按照设计图纸的要求进行拼接和切割。
3. 在夹芯板的两侧涂上胶水,然后将夹芯板放置在预先标记的位置上。
4. 用螺丝将夹芯板固定在屋顶上,确保夹芯板牢固且不会松动。
5. 如果需要进行焊接,根据设计图纸的要求进行焊接操作,确保焊接处牢固可靠。
6. 重复以上步骤,依次安装其他夹芯板,直到完成整个屋面的施工。
三、施工质量控制1. 随时检查夹芯板的安装质量,确保夹芯板安装牢固且符合设计要求。
2. 检查夹芯板之间的搭接缝是否紧密,是否有漏水的风险。
3. 检查夹芯板的表面是否平整,是否有凹凸不平的情况。
4. 检查焊接处是否牢固,焊缝是否均匀。
四、施工安全措施1. 施工人员应配戴好安全帽、防护眼镜和耳塞等个人防护用品。
2. 施工现场应设置警示标志,以提醒其他人员注意施工作业。
3. 在施工现场设置安全警戒线,以防止未经许可的人员进入施工区域。
4. 施工过程中严禁吸烟和明火作业,以防止火灾事故的发生。
综上所述,夹芯板屋面施工方案的关键在于施工前的准备工作、施工步骤的执行和施工质量的控制。
只有充分准备、按照规定的步骤进行施工,并严格控制施工质量,才能确保夹芯板屋面的安全可靠性。
同时,在施工过程中要注重施工安全措施的落实,保障施工人员的身体健康和生命安全。
夹芯板屋面施工方案1. 引言夹芯板屋面作为一种常见的建筑材料,被广泛应用于工业建筑、商业建筑等领域。
它具有重量轻、安装方便、保温隔热性能好等优点,因此备受青睐。
本文将介绍夹芯板屋面的施工方案,包括施工前准备、施工步骤、注意事项等。
2. 施工前准备在进行夹芯板屋面的施工之前,需要做好以下准备工作:2.1 材料准备•夹芯板:选择质量可靠、规格合适的夹芯板,并进行数量估计,以保证施工过程中的连贯性。
•固定件:选择适合的螺栓、螺母、螺丝等固定件,确保夹芯板牢固固定。
•密封材料:选择适用于夹芯板屋面施工的防水、密封材料,以确保屋面的密封性能。
2.2 设备准备•升降机:选择安全可靠的升降机,以便将夹芯板运送到屋顶。
•手持工具:准备好适量的螺丝刀、螺丝批等手持工具,以便固定夹芯板。
2.3 施工现场准备•清理施工现场:确保屋顶平整干净,清理杂物和尘土等杂质。
•安全措施:设置必要的安全警告标志,并严格遵守施工安全规范。
3. 施工步骤3.1 安装托架和脚手架在施工现场搭建好必要的托架和脚手架,以提供施工所需的支撑和安全保护。
3.2 固定骨架在屋顶上固定骨架,可采用电焊或螺栓固定,确保骨架稳定可靠。
3.3 安装夹芯板按照预先设计的屋面布置图,将夹芯板逐块安装在骨架上。
具体步骤如下:•将夹芯板从升降机上吊放到对应位置,将其与骨架对齐。
•使用螺丝等固定件将夹芯板固定在骨架上,确保夹芯板与骨架之间没有间隙。
•依次将后续的夹芯板安装在上一个夹芯板的旁边,直至布置图示完成。
3.4 密封处理在夹芯板与骨架接缝处和夹芯板板缝之间进行密封处理,以确保屋面的防水性能。
使用合适的密封材料进行密封,确保严密。
3.5 防腐处理如果需要对夹芯板进行防腐处理,可以根据实际情况选择合适的防腐材料进行涂覆。
3.6 清理施工现场施工完成后,及时清理施工现场,清除杂物和尘土等,确保施工现场整洁。
4. 注意事项在夹芯板屋面施工过程中,需要注意以下事项:•安全第一:施工人员必须严格遵守安全操作规范,佩戴好安全帽、防滑鞋等个人防护装备。
编制依据主要规范、规程《钢结构工程施工质量验收规范》GB50205-2001《建筑工程施工质量验收统一标准》GB50300-2001《屋面工程施工质量验收规范》GB50202-2002施工原理夹芯板屋面施工中,应遵守钢筋混凝土结构工程施工规范和钢结构工程施工规范的相关规定,并结合夹芯板板自身的特点,突出其施工便捷,自重轻、免维护的特点。
本工法侧重于彩色夹芯板屋面板的连接、天沟的安装施工。
施工工艺:工艺流程图1.技术准备:(1).熟悉图纸,请设计、甲方、监理进行图纸会审,领会设计意图。
计算工程量,编制施工机具设备需要量计划。
(2).绘制夹芯板排版图,统计构件数量,进行工程量计算。
(3).提出各种加工半成品计划及技术、质量要求。
编制施工机具设备需要量计划。
①.檩条及系杆:檩条及系杆拉结材料是金属板材屋面的支撑系统。
主要材质为高频H型钢。
型钢厚度、刚度必须符合设计要求。
②.紧固件:膨胀螺栓、铆钉、自攻螺栓、垫板、垫圈、螺帽等用于板材与板材或板材与骨架固定连接的各种设计和安装所需的连接件必须是镀锌件,防止腐蚀;隐藏式的固定座及固定钉均亦为镀锌件。
③檩撑:檩条与檩条之间的支撑构件,必须为高强度的镀锌件。
(4)夹芯板到场后进行检查,有无翘边、脱模、扭曲、边缘是否整齐、色泽是否均匀、尺寸、厚度是否满足设计。
同时检查有否出厂合格证及检测报告。
(5)根据工程实际情况制定书面技术交底,并向现场施工人员详细讲解,以免造成错误施工。
2.现场准备:(1).检查轴线尺寸,钢结构的焊接、节点、螺栓、油漆等工程是否完善,钢筋混凝土结构的预埋件、平整度等。
(2)按设计或排版图,使用紧线器拉钢丝线测放出屋面轴线控制线的数量和位置,依据以上基准线弹出用于焊接屋面檩托的控制线。
(3)弹线完毕,在有构件的位置处进行拉线检查,对于高低差大于8mm 以上的点进行处理。
钢结构的高低差用钢垫或橡胶垫进行处理,砼结构的高低差可视具体情况,进行垫、削处理。
屋面岩棉夹芯板改造(更换)施工方案1. 简介本文档旨在提供屋面岩棉夹芯板改造(更换)的施工方案,以确保施工过程的安全和质量。
2. 施工准备在开始施工之前,需要完成以下准备工作:- 确认岩棉夹芯板的更换需求和数量;- 准备所需的岩棉夹芯板,确保质量符合要求;- 检查屋面结构和基础设施的完整性,确保可以支撑新的岩棉夹芯板;- 获取必要的施工许可和相关文件。
3. 施工步骤下面是岩棉夹芯板改造(更换)的施工步骤:步骤一:拆除旧岩棉夹芯板- 使用合适的工具和设备,仔细拆除旧的岩棉夹芯板,确保不损坏屋面结构;- 将拆除下来的岩棉夹芯板进行分类和处理,符合环保要求。
步骤二:准备岩棉夹芯板- 按照安装要求,对新的岩棉夹芯板进行切割和加工,确保尺寸和形状适应屋面结构;- 检查新的岩棉夹芯板的质量,确保符合相关标准。
步骤三:安装岩棉夹芯板- 按照屋面结构的要求,使用合适的工具和设备将岩棉夹芯板固定在屋面上;- 注意岩棉夹芯板的对齐和平整度,确保安装牢固和稳定。
步骤四:封口和防水处理- 对岩棉夹芯板的接缝和边缘进行封口处理,使用专业的密封材料,确保防水效果;- 检查整个屋面的防水性能,确保没有任何漏水问题。
4. 安全注意事项在进行屋面岩棉夹芯板改造(更换)施工时,请务必遵守以下安全注意事项:- 确保施工人员配备必要的个人防护设备,包括手套、安全帽、护目镜等;- 在高处工作时,使用适当的安全设备和防护措施,确保工作人员的安全;- 遵循相关施工规范和标准,确保施工过程符合安全要求。
5. 质量控制为了确保岩棉夹芯板改造(更换)的质量,可以采取以下措施:- 在施工过程中,定期进行质量检查和验收,确保施工符合要求;- 存档相关文件,包括施工记录、质量检查报告等,以备查证。
以上是屋面岩棉夹芯板改造(更换)的施工方案,希望能对实际项目提供参考和指导。
如有任何问题,请随时与我们联系。
谢谢!。
屋面夹芯板工程施工方案一、概述屋面夹芯板是一种由两层面板(通常是金属,如铝或钢板)之间夹一层绝缘材料而组成的建筑材料。
它具有轻便、结构牢固、保温隔热等优点,因此在建筑工程中得到广泛应用。
本文将对屋面夹芯板工程的施工方案进行详细介绍。
二、施工前准备1. 审查设计文件:施工前需仔细审查设计图纸和施工规范,确保了解工程要求以及施工过程中的重点和难点。
2. 确定施工方案:根据设计要求和实际情况,确定最合适的施工方案,包括施工工艺、安装顺序等。
3. 设备准备:准备好所需的施工机械设备及工具,确保其完好无损,并进行必要的试运转和检查。
4. 材料准备:根据设计要求,准备好所需的屋面夹芯板及施工所需的辅助材料,保证质量合格。
5. 安全防护:制定安全生产计划,设置警示标识,配备好必要的安全防护设施,加强施工现场安全管理。
6. 人员培训:对施工人员进行专业培训和技术交底,确保其对施工任务和要求有充分的理解。
三、施工工艺1. 基础准备:在屋面夹芯板铺设区域进行基础准备,包括清理基础表面、进行防水处理等。
2. 定位布设:根据设计图纸,合理布设夹芯板的位置和尺寸,并进行定位标记,确保夹芯板的安装位置准确无误。
3. 框架搭设:根据设计要求和施工方案,搭设好支撑框架,确保其结构稳固,能够承受夹芯板的重量。
4. 夹芯板安装:将夹芯板按照设计要求依次安装到支撑框架上,要求板件分层对齐,整齐划一,拼接处严密。
5. 连接固定:根据设计要求,进行夹芯板之间的连接固定,使用专用的五金件或胶水进行固定,确保板件之间的连接牢固。
6. 接缝处理:对夹芯板拼缝处进行处理,保证接缝密封,防水防潮,合理处理接缝,确保夹芯板整体表面平整。
7. 防护层施工:在夹芯板装饰层上进行防护层的施工,如防水层、保护层等,以确保屋面夹芯板的安全使用。
8. 清理整理:施工结束后,对施工现场进行清理整理,清除所有施工垃圾,保持施工现场的整洁。
四、质量检验1. 检查尺寸:对安装好的夹芯板进行尺寸检查,确保夹芯板的安装位置和尺寸符合设计要求。
编制依据主要规、规程《钢结构工程施工质量验收规》GB50205-2001《建筑工程施工质量验收统一标准》GB50300-2001《屋面工程施工质量验收规》GB50202-2002施工原理夹芯板屋面施工中,应遵守钢筋混凝土结构工程施工规和钢结构工程施工规的相关规定,并结合夹芯板板自身的特点,突出其施工便捷,自重轻、免维护的特点。
本工法侧重于彩色夹芯板屋面板的连接、天沟的安装施工。
施工工艺:工艺流程图1.技术准备:(1).熟悉图纸,请设计、甲方、监理进行图纸会审,领会设计意图。
计算工程量,编制施工机具设备需要量计划。
(2).绘制夹芯板排版图,统计构件数量,进行工程量计算。
(3).提出各种加工半成品计划及技术、质量要求。
编制施工机具设备需要量计划。
①.檩条及系杆:檩条及系杆拉结材料是金属板材屋面的支撑系统。
主要材质为高频H型钢。
型钢厚度、刚度必须符合设计要求。
②.紧固件:膨胀螺栓、铆钉、自攻螺栓、垫板、垫圈、螺帽等用于板材与板材或板材与骨架固定连接的各种设计和安装所需的连接件必须是镀锌件,防止腐蚀;隐藏式的固定座及固定钉均亦为镀锌件。
③檩撑:檩条与檩条之间的支撑构件,必须为高强度的镀锌件。
(4)夹芯板到场后进行检查,有无翘边、脱模、扭曲、边缘是否整齐、色泽是否均匀、尺寸、厚度是否满足设计。
同时检查有否出厂合格证及检测报告。
(5)根据工程实际情况制定书面技术交底,并向现场施工人员详细讲解,以免造成错误施工。
2.现场准备:(1).检查轴线尺寸,钢结构的焊接、节点、螺栓、油漆等工程是否完善,钢筋混凝土结构的预埋件、平整度等。
(2)按设计或排版图,使用紧线器拉钢丝线测放出屋面轴线控制线的数量和位置,依据以上基准线弹出用于焊接屋面檩托的控制线。
(3)弹线完毕,在有构件的位置处进行拉线检查,对于高低差大于8mm 以上的点进行处理。
钢结构的高低差用钢垫或橡胶垫进行处理,砼结构的高低差可视具体情况,进行垫、削处理。
(4)如果钢结构或钢筋混凝土基层标高严重偏差,同时又限于成本或其它客观原因无法调整,则必须根据偏差情况严重程度采取统一标高进行垫高或逐步起坡的方式消除偏差。
屋面彩钢夹芯板改造施工方案***屋面彩钢夹芯板使用多年,现已出现腐化老化渗水迹象。
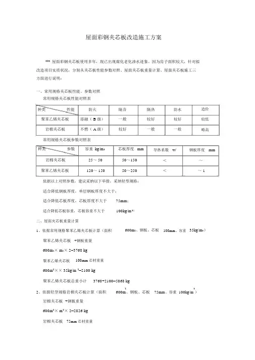
因为房子面积较大,针对拟改造项目实质状况,分别从夹芯板性能参数对照、屋面夹芯板重量计算、屋面夹芯板施工三方面进行说明:一、常用规格夹芯板性能、参数对照常用规格夹芯板性能对照表种类性能防火隔音隔热防水聚苯乙烯夹芯板溶融( B 级)一般较好较好岩棉夹芯板不燃( A 级)较好一般一般常用规格夹芯板参数对照表造价较低略高种类参数容重kg/m3芯板厚度mm 岩棉夹芯板25~ 5050~150聚苯乙烯夹芯板120~ 15050~250依据以上对照参数,建议采纳以下举措,采纳轻型规格:适合降低钢板厚度,单层钢板厚度不大于;适合降低芯板厚度,芯板厚度不大于75mm;导热系数<<w/钢板厚度~~ 1mm适合降低芯板容重,芯板容重不大于100kg/m3;二、屋面夹芯板重量计算1、依据常用规格聚苯乙烯夹芯板计算(面积600m2、钢板、芯板100mm、容重35kg/m3)聚苯乙烯夹芯板+钢板重量600m2× m2× 2=3768 kg聚苯乙烯夹芯板100mm芯材重量600m2×× 35kg/m 3=2100 kg聚苯乙烯夹芯板总重小计3768+2100=5868 kg232、依据轻型规格岩棉夹芯板计算(面积600m、钢板、芯板75mm、容重 100kg/m )岩棉夹芯板 +钢板重量600m2× m2× 2=2826 kg岩棉夹芯板75mm芯材重量600m2×× 100kg/m3=4500 kg岩棉夹芯板总重小计2826+4500=7326 kg3、经计算,轻型规格岩棉夹芯板与常用规格聚苯乙烯夹芯板的重量比值为7326kg/5868kg ≈。
惯例房子设计时,设计值与标准值的比率系数为~。
即拟改造后的荷载未超出惯例房子设计时的设计值。
三、屋面夹芯板施工1、施工准备连结件:包含墙板固定夹、自攻螺钉、拉铆钉、膨胀螺栓、压盖等;密封资料:包含密封胶带、密封条、泡沫堵头、密封胶等;机械:自攻钻、射钉枪、切割机、电焊机等;工具:螺丝刀、钳子、铁皮剪子、扳子、钢锯、锤子、钢尺、笤帚、防备手套等。
夹芯板施工方案夹芯板是一种由两层面板和中间填充层组成的建筑材料,具有重量轻、强度高、导热性能好等特点,广泛应用于建筑墙体、屋面、隔热隔音等领域。
以下是夹芯板施工的方案。
1. 施工准备首先要对施工现场进行清理整理,并确保施工区域通风良好。
准备好所需的夹芯板和配件,如螺丝、膨胀管等。
2. 水平基准线的确定确定好水平基准线非常重要,因为夹芯板的安装需要保持水平。
可以使用水平仪等工具来确定基准线,并在墙面上标记出来。
3. 固定幕墙龙骨在基准线上方一段距离处,安装幕墙龙骨。
幕墙龙骨的安装需要进行水平和垂直校正,确保其位置准确无误。
4. 安装夹芯板将夹芯板提升到指定的位置,并将其与幕墙龙骨进行对齐。
使用螺丝和膨胀管将夹芯板固定在墙体上,确保夹芯板与墙体之间没有间隙。
5. 接缝处理夹芯板的接缝需要进行处理,以确保接缝处的密封性和整体美观。
可以使用密封胶填补夹芯板之间的缝隙,并用专用的钢板覆盖接缝处,增加夹芯板之间的连接强度。
6. 底部处理夹芯板底部需要进行防水处理,可以使用防水胶带或涂刷防水涂料进行处理,以防止水分渗透进入夹芯板内部。
7. 吊顶处理夹芯板安装完毕后,可以根据需要进行吊顶处理。
可以选择不同的装饰材料,如石膏板、铝扣板等,安装在夹芯板上方,增加空间的美观性和舒适度。
8. 清洁和验收施工完毕后,要对施工现场进行清洁,清除施工过程中的垃圾和杂物。
同时,对夹芯板的安装质量进行验收,确保夹芯板的安装符合规范要求。
以上就是夹芯板施工的基本方案,施工过程中需要注意安全、精确度和施工质量,确保夹芯板的安装稳固可靠,达到使用要求。
屋顶岩棉夹芯板施工方案1. 引言屋顶岩棉夹芯板作为一种常见的建筑材料,具有优良的保温隔热性能和较高的强度,被广泛应用于房屋屋顶的施工中。
本文将介绍屋顶岩棉夹芯板的施工方案,包括材料准备、施工步骤和注意事项等内容。
2. 材料准备在进行屋顶岩棉夹芯板施工前,首先需要准备以下材料和工具: - 屋顶岩棉夹芯板 - 钻孔机 - 手动切割工具(如锯子、刀片等) - 螺丝刀 - 打孔机 - 螺丝和螺栓 - 密封胶3. 施工步骤3.1 备料准备1.将屋顶平整清洁,并清除可能存在的障碍物。
2.检查屋顶结构是否牢固,无明显损坏或漏水情况。
3.根据实际需求,测量和标记出需要覆盖岩棉夹芯板的区域。
3.2 安装岩棉夹芯板1.将岩棉夹芯板按照预先测量的尺寸进行切割。
2.将切割好的岩棉夹芯板放置在预留的位置上,确保吻合度和平整度。
3.使用螺丝刀或打孔机,依次将岩棉夹芯板固定到屋顶结构上,并确保固定牢固。
4.在岩棉夹芯板之间的接缝处,使用密封胶进行处理,以达到防水和密封的效果。
3.3 吊装和连接1.在安装过程中,如需要搬运大型岩棉夹芯板,请使用吊车等专业设备进行吊装。
确保搬运过程中注意安全。
2.使用螺栓将岩棉夹芯板固定连接在一起,以增强整体的稳定性和强度。
3.4 防护层应用1.在岩棉夹芯板安装完成后,根据需要可以进行防护层的应用。
常见的防护层有防水涂料、防火涂料等。
根据实际需要选择合适的防护层材料。
2.涂刷防护层时,请根据产品说明书进行操作,并确保涂层均匀、完整。
4. 注意事项•在施工过程中,应注意个人安全防护措施,如佩戴安全帽、手套、护目镜等。
•施工现场应保持整洁,避免出现杂物和垃圾,以免影响施工质量。
•施工前应仔细检查岩棉夹芯板的质量和规格,确保符合设计要求,并及时处理不合格的材料。
•在遇到下雨或强风等极端天气情况时,应暂停施工,等待天气恢复后再进行操作。
•完成施工后,应进行验收,确保岩棉夹芯板的安装质量和防护层的完整性。
EPS夹芯板屋面施工方案1、工艺流程2、操作方法(1)施工准备:铺钉夹芯板前,应将各项准备工作做完.核对檩条规格和铺设尺寸:检查檩条铺设的规格、间距、坡度是否符合结构设计要求。
每块屋面板除端部应设置檩条支撑外,中间部位也应设置一道至两道以上的檩条.(2)配板:根据设计图纸及现场实际屋面部分的尺寸绘制板块排列图,以此作为切割各种板块的依据,将切割完毕的板块按排列图顺序编号,以便于施工。
(3)铺设及固定彩钢夹芯板铺板时应拉通线,做到纵横对齐。
长向(纵向)搭接应位于檩条处(搭接处应改用双檩或檩条一侧加焊通长角钢),两块板均应伸至支撑构件上,每块板的支座长度大于等于50mm.搭接方向应顺年最大风力方向搭接,其纵向搭接长度为:当屋面坡度大于等于10%时为200mm;当屋面坡度小于10%时为250mm.端部(横向)搭接应顺流水方向搭接,搭接长度按具体板型确定,搭接方向宜与主导风向一致;屋面板从檐口一端开始,往另一端和屋脊方向同时铺设;铺设时,用墙板固定夹将屋面板与墙进行固定,每块屋面板两端的支撑处要用自攻螺钉与檩条固定:纵向连接时,问距小于或等于350mm,并且每块板与同一根檩条及墙梁的连接不得少于3个点,非纵向连接时不得少于2个点;在屋脊、檐口处的连接点宜适当加密.钻孔时,应垂直地将屋面板与檩条一起钻透,固定螺栓时,应先垫好防水密封垫圈,并套上橡胶垫板和不锈钢压盖后用力拧紧;铺板时,用拉铆钉将板与板进行连接,问距一般为100mm~500mm。
两块板的长向搭接缝处应放置一条通长的密封条,端头应放置两条密封条,密封条应连续不得间断.夹芯板材应采用带防水垫圈的镀锌螺栓固定,固定点应设在波峰上,所有外漏的螺钉均应涂密封材料保护,不得有渗漏。
螺栓拧紧后,两板的搭接处用硅酮密封胶封严;板铺设后,两块板的长向(纵向)搭接处还应用拉铆钉连接,所用拉铆钉均用硅酮密封胶密封,并用金属或塑料压盖保护;固定位置的要求:自攻螺钉、拉铆钉用于屋面时设于波峰;用于墙面时设于波谷;屋脊铺设:首先,沿屋脊线在相邻两檩条上铺托脊板,在托脊板上放置屋面板,将屋面板、托脊板、檩条用螺栓固定;其次,向两坡屋面板沿屋脊形成的凹型空间内填塞聚氨酯泡沫,再在两坡屋面板端头粘好聚乙烯泡沫堵头;最后,再用拉铆钉将屋脊板、挡水板固定,并加通长胶带,见图-1;檐口铺设:沿夹芯板端头,铺设封檐板并固定,构造见图-2:图-1-2屋面板与山墙相接处沿墙采用通长轻质聚氨酯泡沫或现浇聚氨酯发泡密封,屋面板外侧与山墙顶部用包角板统一封包,包角板顶部向屋面一侧设2%坡度,见图6。
编制依据主要规范、规程《钢结构工程施工质量验收规范》GB50205-2001《建筑工程施工质量验收统一标准》GB50300-2001《屋面工程施工质量验收规范》GB50202-2002施工原理夹芯板屋面施工中,应遵守钢筋混凝土结构工程施工规范和钢结构工程施工规范的相关规定,并结合夹芯板板自身的特点,突出其施工便捷,自重轻、免维护的特点。
本工法侧重于彩色夹芯板屋面板的连接、天沟的安装施工。
施工工艺:工艺流程图1.技术准备:(1).熟悉图纸,请设计、甲方、监理进行图纸会审,领会设计意图。
计算工程量,编制施工机具设备需要量计划。
(2).绘制夹芯板排版图,统计构件数量,进行工程量计算。
(3).提出各种加工半成品计划及技术、质量要求。
编制施工机具设备需要量计划。
①.檩条及系杆:檩条及系杆拉结材料是金属板材屋面的支撑系统。
主要材质为高频H 型钢。
型钢厚度、刚度必须符合设计要求。
②.紧固件:膨胀螺栓、铆钉、自攻螺栓、垫板、垫圈、螺帽等用于板材与板材或板材与骨架固定连接的各种设计和安装所需的连接件必须是镀锌件,防止腐蚀;隐藏式的固定座及固定钉均亦为镀锌件。
③檩撑:檩条与檩条之间的支撑构件,必须为高强度的镀锌件。
(4)夹芯板到场后进行检查,有无翘边、脱模、扭曲、边缘是否整齐、色泽是否均匀、尺寸、厚度是否满足设计。
同时检查有否出厂合格证及检测报告。
(5)根据工程实际情况制定书面技术交底,并向现场施工人员详细讲解,以免造成错误施工。
2.现场准备:(1).检查轴线尺寸,钢结构的焊接、节点、螺栓、油漆等工程是否完善,钢筋混凝土结构的预埋件、平整度等。
(2)按设计或排版图,使用紧线器拉钢丝线测放出屋面轴线控制线的数量和位置,依据以上基准线弹出用于焊接屋面檩托的控制线。
(3)弹线完毕,在有构件的位置处进行拉线检查,对于高低差大于8mm 以上的点进行处理。
钢结构的高低差用钢垫或橡胶垫进行处理,砼结构的高低差可视具体情况,进行垫、削处理。
屋面彩钢夹芯板改造施工方案***屋面彩钢夹芯板使用多年,现已出现腐蚀老化渗水迹象。
由于房屋面积较大,针对拟改造项目实际情况,分别从夹芯板性能参数对比、屋面夹芯板重量计算、屋面夹芯板施工三方面进行说明:一、常用规格夹芯板性能、参数对比常用规格夹芯板性能对比表常用规格夹芯板参数对比表根据以上对比参数,建议采取以下措施,选用轻型规格:适当降低钢板厚度,单层钢板厚度不大于0.3mm;适当降低芯板厚度,芯板厚度不大于75mm;适当降低芯板容重,芯板容重不大于100kg/m3;二、屋面夹芯板重量计算1、根据常用规格聚苯乙烯夹芯板计算(面积600m2、钢板0.4mm、芯板100mm、容重35kg/m3)聚苯乙烯夹芯板0.4mm+0.4mm钢板重量600m2×3.14kg/m2×2=3768 kg聚苯乙烯夹芯板100mm芯材重量600m2×0.1m×35kg/m3=2100 kg聚苯乙烯夹芯板总重小计3768+2100=5868 kg2、根据轻型规格岩棉夹芯板计算(面积600m2、钢板0.3mm、芯板75mm、容重100kg/m3)岩棉夹芯板0.3mm+0.3mm钢板重量600m2×2.355kg/m2×2=2826 kg岩棉夹芯板75mm芯材重量600m2×0.075m×100kg/m3=4500 kg岩棉夹芯板总重小计2826+4500=7326 kg3、经计算,轻型规格岩棉夹芯板与常用规格聚苯乙烯夹芯板的重量比值为7326kg/5868kg≈1.25。
常规房屋设计时,设计值与标准值的比例系数为1.3~1.35。
即拟改造后的荷载未超过常规房屋设计时的设计值。
三、屋面夹芯板施工1、施工准备连接件:包括墙板固定夹、自攻螺钉、拉铆钉、膨胀螺栓、压盖等;密封材料:包括密封胶带、密封条、泡沫堵头、密封胶等;机械:自攻钻、射钉枪、切割机、电焊机等;工具:螺丝刀、钳子、铁皮剪子、扳子、钢锯、锤子、钢尺、笤帚、防护手套等。
屋面聚苯板夹芯板改造施工方案一、前期准备在进行屋面聚苯板夹芯板改造施工前,需要进行一系列的前期准备工作,包括设计方案的确定、材料的选购、工具设备的准备以及施工队伍的组建等。
1.设计方案的确定:根据屋面的实际情况以及业主的需求,确定改造方案,包括材料的选用、施工方式以及施工时间等。
2.材料的选购:选择质量可靠、环保耐用的聚苯板夹芯板材料,确保其性能符合要求,并与供应商签订合同,保证材料的供应和质量。
3.工具设备的准备:根据设计方案的要求,准备相应的工具和设备,包括切割机、固定工具、脚手架等,确保施工过程中的操作顺利进行。
4.施工队伍的组建:根据项目的规模和工期,组建专业的施工队伍,包括施工人员、技术人员以及安全监管人员等,确保施工过程的质量和安全。
二、施工步骤1.清理旧材料:将原有的屋面材料进行清理,包括拆除旧的聚苯板夹芯板以及清理旧的防水涂料等,确保施工基础的干净整洁。
2.安装新材料:根据设计方案,按照预先制定的施工图纸,安装新的聚苯板夹芯板,包括固定和拼接等步骤,确保板材的牢固和连接的紧密。
3.密封缝隙:在夹芯板的拼接处,采用密封胶进行填充,并确保缝隙的平整、密封,以防止水渗漏和温度过度波动。
4.检查验收:完成施工后,对改造后的屋面进行检查验收,确保施工质量符合要求,包括夹芯板的安装质量、板面的平整度以及密封效果等。
三、施工注意事项在进行屋面聚苯板夹芯板改造的施工过程中,需要注意以下几个方面的问题。
1.安全施工:施工过程中,必须严格按照安全操作规程进行,佩戴好安全防护用具,确保施工人员的人身安全。
2.材料质量:选购的聚苯板夹芯板材料必须具备合格证明,并严格按照设计要求使用,杜绝使用低质量的材料。
3.密封效果:施工过程中,夹芯板的拼接处必须保证缝隙的平整、紧密,采用专业的密封胶材料进行处理,以保证防水效果。
4.施工监管:在施工过程中,要进行定期的施工监管,确保施工人员按照规定的施工程序进行施工,杜绝违规操作。
编制依据
主要规范、规程
《钢结构工程施工质量验收规范》GB50205-2001
《建筑工程施工质量验收统一标准》GB50300-2001
《屋面工程施工质量验收规范》GB50202-2002
施工原理
夹芯板屋面施工中,应遵守钢筋混凝土结构工程施工规范和钢结构工程施工规范的相关规定,并结合夹芯板板自身的特点,突出其施工便捷,自重轻、免维护的特点。
本工法侧重于彩色夹芯板屋面板的连接、天沟的安装施工。
施工工艺:
工艺流程图
1.技术准备:
(1).熟悉图纸,请设计、甲方、监理进行图纸会审,领会设计意图。
计算工程量,编制施工机具设备需要量计划。
(2).绘制夹芯板排版图,统计构件数量,进行工程量计算。
(3).提出各种加工半成品计划及技术、质量要求。
编制施工机具设备需要量计划。
①.檩条及系杆:檩条及系杆拉结材料是金属板材屋面的支撑系统。
主要材质为
高频H型钢。
型钢厚度、刚度必须符合设计要求。
②.紧固件:膨胀螺栓、铆钉、自攻螺栓、垫板、垫圈、螺帽等用于板材与板材或板材与骨架固定连接的各种设计和安装所需的连接件必须是镀锌件,防止腐蚀;隐藏式的固定座及固定钉均亦为镀锌件。
③檩撑:檩条与檩条之间的支撑构件,必须为高强度的镀锌件。
(4)夹芯板到场后进行检查,有无翘边、脱模、扭曲、边缘是否整齐、色泽是否均匀、尺寸、厚度是否满足设计。
同时检查有否出厂合格证及检测报告。
(5)根据工程实际情况制定书面技术交底,并向现场施工人员详细讲解,以免造成错误施工。
2.现场准备:
(1).检查轴线尺寸,钢结构的焊接、节点、螺栓、油漆等工程是否完善,钢筋混凝土结构的预埋件、平整度等。
(2)按设计或排版图,使用紧线器拉钢丝线测放出屋面轴线控制线的数量和位置,依据以上基准线弹出用于焊接屋面檩托的控制线。
(3)弹线完毕,在有构件的位置处进行拉线检查,对于高低差大于8mm 以上的点进行处理。
钢结构的高低差用钢垫或橡胶垫进行处理,砼结构的高低差可视具体情况,进行垫、削处理。
(4)如果钢结构或钢筋混凝土基层标高严重偏差,同时又限于成本或其它客观原因无法调整,则必须根据偏差情况严重程度采取统一标高进行垫高或逐步起坡的方式消除偏差。
压型钢板屋面内天沟
(5).内天沟分段安装时,搭接要工整,顺直、排水通畅、无积水。
天沟纵向坡度不应小于1%;天沟采用镀锌钢板制作时,应伸入压型板的下面,其长度不应小于200mm。
内天沟变形缝处理采用堵头封闭端口,用凸型盖板置于变形缝处制作安装须工整,顺直。
3.支架安装:支架按设计间距,采用自攻螺钉与檩条连接,位置必须准确,固定牢固。
4.屋面板吊装、安装:
(1).屋面板吊装依据屋面板型、制作卡模,采用垂直运输设备逐块吊装。
(2).屋面板端部通过板上的与檩条预钻孔相配就位和排列。
(3).所有的板材在建筑上的位置和排列需保持300mm 的模数。
(4).屋面夹芯板的固定方式分为紧固件连接和拼接式连接两种。
①紧固件连接:
a:夹芯板与檩条连接时,采用带防水垫圈的镀锌自攻螺钉固定,固定点应设在波峰上,间距≤350mm,并在与同一根檩条或墙梁的连接不得少于3 点。
固定时,手工操作力度适中,不宜将自攻螺钉固定的过紧或过松,防止形成缝隙。
JJB45-500-1000型彩色钢板屋面纵向搭接
压型钢板屋面紧固件连接详图
b:所有外露的自攻螺钉和拉铆钉均应涂抹密封材料保护(如密封胶),并扣戴
防水帽。
c:铺设夹芯板屋面时,相邻两块板的搭接,应按最大频率风向搭接,可避免刮风时冷空气灌入室内。
紧固件连接
(5).屋面板与檩条连接:相邻一张板边相应地压在第一张板边上,在每个檩条相应的板材搭接处安装支架,支架与檩条用自攻钉固定之后,支架连接的位置相应调整。
(6).屋面扳的搭接:屋面板长度方向的搭接采用自攻螺钉连接,连接处压密封胶条及打密封胶,防止渗漏,其接缝咬合严密、顺直。
(7).脊瓦(屋脊盖沿)、封檐夹芯板安装:屋脊盖沿两侧屋面板在内侧用橡胶泡棉堵头堵住,屋脊盖沿与屋面板连接用支件。
屋脊盖板A型
屋脊盖板B型
在安装屋檐饰边前,预制橡皮防水块应安装充满整个屋面板皱熠空隙。
脊瓦、封檐搭接要严密,顺直。
(8).屋面板锁边:屋面板间侧边的直立拼缝采用锁边机械锁边,操作前,首先用手动咬边机咬半米左右长度,然后把电动锁边机垫平放置于已锁完处,辊轮加紧锁紧处,开动锁边机,让其均匀往前锁边。
5.采光板安装:
采光板与屋面面板间连接,采用螺栓、密封胶条。
另外在采光板两侧各加一固定板,用于固定采光板与相邻屋面板,用自攻钉固定,采光板与上下两张板的压紧顺序依照屋面坡度方向,其上被压,下边它压下一张屋面板。
在采光板上部需设不锈钢分水岭。
6.外檐沟安装:
(1).首先安装预制成型的角部密封圈,以便与山墙饰边和排水天沟轮廓相配。
(2).在安排排水天沟之前,用预制成型的橡胶密封圈安全填满屋面板熠皱下的空隙。
(3).在安装排水沟之前,先将预制成型的墙面密封钢条安装在墙面熠皱中。
预制成型的墙面密封钢条可由0.6mm 镀锌钢板制成。
(4).檐沟安装时,压型钢板应伸入檐沟内,其长度不应小于150mm。
夹芯屋面彩板檐沟
机具设备
序号设备名称单位数量备注
1 切割机台
2 GDQ200
2 汽车吊台25 T
3 电剪刀把21 T、5T
4 拉铆枪把10 φ13
5 手提电钻把4
6 钳子、胶锤、钢丝线、紧线器、钢丝绳若干
质量控制
1.主要质量控制项目:
(1).金属板材及保温棉等辅助材料进场后,其规格、品种、质量、颜色、线条必须符合设计要求。
检验方法:检查出厂质量证明书及技术性能检测报告。
(2).金属彩板安装的连接、保温、密封处理三个关键要素必须符合设计要求,不得有渗漏现象。
检验方法:观察检查后和雨后或淋水检验
(3).压型金属板安装的主控项目:压型金属板、泛水板和屋脊盖沿等固定可靠、牢固,防腐涂层和密封材料敷设完好,连接件数量、间距应符合设计要求和国家现行钢结构及屋面施工规范有关标准规定。
检查数量:全数检查
检验方法:观察检查和尺量。
(4).压型金属屋面面板应在支承构件上可靠搭接,搭接长度应符合设计要求,且不应小于表9.6.1 所规定的数值。
检查数量:按搭接部位总长度抽查10%,且不应小于10m。
检验方法:观察检查和尺量。
压型金属屋面面板应在支承构件上的搭接长度
压型金属屋面面板安装的允许偏差
2.成品保护:
(1).金属彩板垂直、水平运输时,所用的卡具、架子车必须捆绑棉丝,安放牢固。
严禁拖滑彩色钢板。
(2).在屋面面板上面必须及时清理杂物,避免工具、配件坠地,造成彩板漆膜损坏。
(3).夹芯板的堆放场地应平坦、坚实,且便于排除地面水。
堆放时应分层,并且从底层起每隔300~500mm 加放垫木,以免水淋湿积水后表层形成污点,堆放高度不宜超过2m。
3.需要的质量记录:
(1).金属板材的出厂合格证及检测报告。
(2).金属板材紧固件、檩条的材质证明。
(3).焊条的品牌、型号及合格证。
4.附加说明:
(1).在屋面顺坡方向上尽量少用搭接接头,可使用长度较长的压型钢板,车站风雨棚等屋面工程宜使用整板。
(2).板与板连接接头处的螺栓拧紧力不能过大,防止螺栓被拧断,或压型板局部损坏,使该处成为漏水点。
(3).屋面板材水平、垂直方向的螺钉要保证在一条线上,并且螺钉等距。
(4).在安装了几块屋面板后要用仪器检查屋面板的平面度,以防止屋面凹凸不平,出现波浪。
(5).在施工现场切割钢板时,钢板的正面需朝下,以避免热锯屑的损坏,而留下烧焦的痕迹。
(6).屋面板安装完后,若后续工作需要在屋面行走须注意以下几点:①应沿着彩板的凹槽部分行走。
②尽量穿软底鞋,最好不要穿带有纹路的鞋子,避免其沾上小石子等杂物。
③一次不能多人同时行走。
安全环保管理措施
应严格遵照国家建设部《建设工程施工现场管理规定》及有关建设工程施工安全技术法规、标准及条列执行。
1.施工人员操作时,必须穿胶鞋,防止滑伤。
2.施工现场严禁吸烟。
3.施工现场必须戴安全帽,高空作业必须戴安全绳。
4.合理安排施工工艺流程,避免高低空同时作业,必须同时作业时应搭设水平防护网。
5.屋面施工材料必须随时捆绑固定,做好防风工作。
6.电动工具必须设漏电保护装置。
7.屋面要避开雨天施工,若屋面施工后发生暴雨时应进行遮盖保护。
8.氧气、乙炔分开堆放,使用时保持5 米以上距离,由专人严密看管。