六角螺母尺寸对比
- 格式:xls
- 大小:19.50 KB
- 文档页数:2
六角螺栓及螺母尺寸(详细)
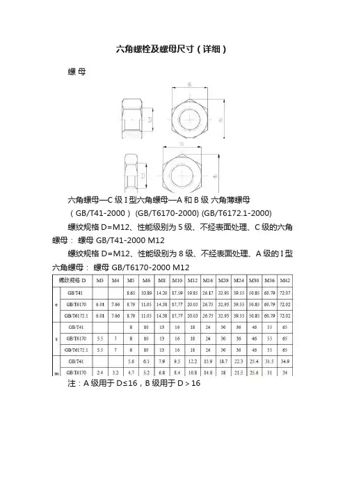
螺母
六角螺母—C级 I型六角螺母—A和B级六角薄螺母
(GB/T41-2000) (GB/T6170-2000) (GB/T6172.1-2000)
螺纹规格 D=M12、性能级别为5级、不经表面处理、C级的六角螺母:螺母 GB/T41-2000 M12
螺纹规格 D=M12、性能级别为8级、不经表面处理、A级的I型六角螺母:螺母 GB/T6170-2000 M12
注:A级用于D≤16,B级用于D>16
注(1):s(最大)的1栏适用于强度8.8及10.9及性状A2-50、A2-70的内容,2栏适用于强度12.9的内容。
但根据双方当事人之间协议,强度12.9的内容也可以适用1栏。
螺纹的公称直径M20以上的s(最大)适用于所有的强度及性状内容。
注(2):螺纹的公称直径中带括号的尽量不要使用。
备注:1.头部的侧面带有直纹或网纹[参照JIS B 0951(滚花)]。
此时,dk(最大)为该表中的带**的数值。
此外,需要没有滚花的货时,订货人必须指定。
但该dk(最大)为该表中带*的数值。
2.对于螺纹的公称直径建议使用的公称长度(ℓ)为粗线框内的内容。
如果ℓ比虚线位置短的为全螺纹,杆部的不完全螺纹长度约为3P。
3.公称长度(ℓ)比虚线位置长的话,ℓg(最大)及ℓs(最小)根据下式决定。
ℓg(最大)=公称长度(ℓ)-b
ℓs(最小)=ℓg(最大)-5P
参考:内六角螺栓的沉头孔及螺栓孔的尺寸。
六角螺栓及螺母尺寸(详细)
螺母
六角螺母—C级 I型六角螺母—A和B级六角薄螺母
(GB/T41-2000) (GB/T6170-2000) (GB/T6172.1-2000)
螺纹规格 D=M12、性能级别为5级、不经表面处理、C级的六角螺母:螺母 GB/T41-2000 M12
螺纹规格 D=M12、性能级别为8级、不经表面处理、A级的I型六角螺母:螺母 GB/T6170-2000 M12
注:A级用于D≤16,B级用于D>16
注(1):s(最大)的1栏适用于强度8.8及10.9及性状A2-50、A2-70的内容,2栏适用于强度12.9的内容。
但根据双方当事人之间协议,强度12.9的内容也可以适用1栏。
螺纹的公称直径M20以上的s(最大)适用于所有的强度及性状内容。
注(2):螺纹的公称直径中带括号的尽量不要使用。
备注:1.头部的侧面带有直纹或网纹[参照JIS B 0951(滚花)]。
此时,dk(最大)为该表中的带**的数值。
此外,需要没有滚花的货时,订货人必须指定。
但该dk(最大)为该表中带*的数值。
2.对于螺纹的公称直径建议使用的公称长度()为粗线框内的内容。
如果比虚线位置短的为全螺纹,杆部的不完全螺纹长度约为3P。
3.公称长度()比虚线位置长的话,g(最大)及s(最小)根据下式决定。
g(最大)=公称长度()-b
s(最小)=g(最大)-5P
参考:内六角螺栓的沉头孔及螺栓孔的尺寸。
各类六角螺母螺纹规格
一、1型六角螺母C级
1.优选螺纹规格(单位:mm)
2.非优选优选螺纹规格(单位:mm)
二、2型六角螺母(单位:mm)
三、1型六角螺母细牙
1.优选螺纹规格(单位:mm)
2.非优选优选螺纹规格(单位:mm)
四、六角薄螺母细牙
1.优选螺纹规格(单位:mm)
2.非优选优选螺纹规格(单位:mm)
五、六角薄螺母无倒角(单位:mm)
六、2型六角螺母(单位:mm)
七、2型六角螺母细牙
1.优选螺纹规格(单位:mm)
2.非优选优选螺纹规格(单位:mm)
参考文献:
1型六角螺母GB/T 6170-2015
1型六角螺母细牙GB/T6171-2016
六角薄螺母细牙GB/T 6173-2015
六角薄螺母无倒角GB/T6174-2016
2型六角螺母GB/T 6175-2016
2型六角螺母细牙GB/T 6176-2016。
一、GB/T41-2000等级为5级是C级,是粗制品 二、GB/T6170-2000等级为8级A级是精制品或半精制品 三、
作为一种标准件,它就应当有自己的通用规格
六角螺母(20张)对于六角螺帽,常用的标准有:GB52、GB6170、GB6172和DIN934,对于它们之间的主要区别有:GB6170的厚度要比GB52、GB6172和DIN934来的厚,俗称为厚螺帽。
另外就是对边上的区别,M8的螺帽系列中DIN934、GB6170、GB6172的对边都是13MM比GB52的对边14MM要小1MM,M10的螺帽,DIN934与GB52的对边为17MM,比GB6170和GB6172的的对边要大1MM,M12的螺帽,DIN934、GB52的对边为19MM比GB6170和GB6172的对边18MM要大1MM。
对于M14的螺帽,DIN934、GB52的对边为22MM比GB6170和GB6172的对边21MM要大1MM。
另外就是M22的螺帽,DIN934、GB52的对边为32MM,比GB6170、GB6172的对边34MM要小2MM。
(GB6170和GB6172除了其厚度不一样外,对边宽度完全一样)其余规格在不考虑厚度的情
况下,可以通用。
一、GB/T41-2000等级为5级是C级,是粗制品 二、GB/T6170-2000等级为8级A级是精制品或半精制品 三、
作为一种标准件,它就应当有自己的通用规格
六角螺母(20张)对于六角螺帽,常用的标准有:GB52、GB6170、GB6172和DIN934,对于它们之间的主要区别有:GB6170的厚度要比GB52、GB6172和DIN934来的厚,俗称为厚螺帽。
另外就是对边上的区别,M8的螺帽系列中DIN934、GB6170、GB6172的对边都是13MM比GB52的对边14MM要小1MM,M10的螺帽,DIN934与GB52的对边为17MM,比GB6170和GB6172的的对边要大1MM,M12的螺帽,DIN934、GB52的对边为19MM比GB6170和GB6172的对边18MM要大1MM。
对于M14的螺帽,DIN934、GB52的对边为22MM比GB6170和GB6172的对边21MM要大1MM。
另外就是M22的螺帽,DIN934、GB52的对边为32MM,比GB6170、GB6172的对边34MM要小2MM。
(GB6170和GB6172除了其厚度不一样外,对边宽度完全一样)其余规格在不考虑厚度的情况
下,可以通用。
之欧侯瑞魂创作一、公制内六角螺栓与内六角扳手尺寸对比表:内六角螺栓==对应内六角扳手尺寸M4←→3M5←→4M6←→5M8←→6M10←→8M12←→10M14←→12M16←→14M18←→14M20←→17M22←→17攻螺纹底孔的计算:脆性资料(铸铁、青铜等):钻孔直径d0=d(螺纹外径)-1.1p (螺距)塑性资料(钢、紫铜等):钻孔直径d0=d(螺纹外径)-p(螺距)二、内六角扳手的型号比螺丝的型号下几多?比如6#内六角扳手用来拧M8的内六角螺丝?4#←→M55#←→M66#←→M88#←→M1010#←→M1212#←→M14,M1614#←→M16,M2017#←→M2019#←→M2422#,←→M3027#←→M36三、外六角所用的开口扳手以六角螺母对应比力准确, 因为存在六角头螺栓和小六角头螺栓.经常使用的开口扳手规格为:7、8、10、14、17、19、22、24、27、30、32、36、41、46、55、65;对应螺纹规格为:M4、M5、M6、M8、M10、M12、M14、M16、M18、M20、M22、M24、M27、M30、M36、M42全套内六角扳手中最小规格为3, 其对应关系为S3=M4、S4=M5、S5=M6、S6=M8、S8=M10、S10=M12、S12=M14-M16、S14=M18-M20、S17=M22-M24、S19=M27-M30、S24=M36、S27=M42.攻丝前螺纹底孔直径的计算方法:对脆性资料依照基本尺寸-1.0826螺距,对塑性资料依照螺纹基本尺寸-螺距+0.1.脆性资料在攻丝时为纯切削状态,底孔尺寸为螺纹牙底圆直径,塑性资料在攻丝时由于资料受力后发生塑性变形,资料会向螺纹小径移动,因此底孔应该适当加年夜.对M6以下的螺纹孔, 不分资料性质, 统一按基本尺寸-螺距.钻孔一般用螺栓年夜径D减去螺距.四、公制外六角螺栓和套筒(梅花)扳手对边尺寸对比表:螺栓尺寸对应扳手或套筒对边尺寸M4←→7MMM5←→8MMM6←→10MMM8←→13MM(14MM)M10←→16MM(17MM)M12←→18MM(19MM)M14←→21MM(22MM)M16←→24MMM18←→27MMM20←→30MMM22←→34MM括号中的尺寸为GB旧标准尺寸.。
之马矢奏春创作一、公制内六角螺栓与内六角扳手尺寸对比表:内六角螺栓==对应内六角扳手尺寸M4←→3M5←→4M6←→5M8←→6M10←→8M12←→10M14←→12M16←→14M18←→14M20←→17M22←→17攻螺纹底孔的计算:脆性资料(铸铁、青铜等):钻孔直径d0=d(螺纹外径)-1.1p (螺距)塑性资料(钢、紫铜等):钻孔直径d0=d(螺纹外径)-p(螺距)二、内六角扳手的型号比螺丝的型号下几多?比如6#内六角扳手用来拧M8的内六角螺丝?4#←→M55#←→M66#←→M88#←→M1010#←→M1212#←→M14,M1614#←→M16,M2017#←→M2019#←→M2422#,←→M3027#←→M36三、外六角所用的开口扳手以六角螺母对应比力准确, 因为存在六角头螺栓和小六角头螺栓.经常使用的开口扳手规格为:7、8、10、14、17、19、22、24、27、30、32、36、41、46、55、65;对应螺纹规格为:M4、M5、M6、M8、M10、M12、M14、M16、M18、M20、M22、M24、M27、M30、M36、M42全套内六角扳手中最小规格为3, 其对应关系为S3=M4、S4=M5、S5=M6、S6=M8、S8=M10、S10=M12、S12=M14-M16、S14=M18-M20、S17=M22-M24、S19=M27-M30、S24=M36、S27=M42.攻丝前螺纹底孔直径的计算方法:对脆性资料依照基本尺寸-1.0826螺距,对塑性资料依照螺纹基本尺寸-螺距+0.1.脆性资料在攻丝时为纯切削状态,底孔尺寸为螺纹牙底圆直径,塑性资料在攻丝时由于资料受力后发生塑性变形,资料会向螺纹小径移动,因此底孔应该适当加年夜.对M6以下的螺纹孔, 不分资料性质, 统一按基本尺寸-螺距.钻孔一般用螺栓年夜径D减去螺距.四、公制外六角螺栓和套筒(梅花)扳手对边尺寸对比表:螺栓尺寸对应扳手或套筒对边尺寸M4←→7MMM5←→8MMM6←→10MMM8←→13MM(14MM)M10←→16MM(17MM)M12←→18MM(19MM)M14←→21MM(22MM)M16←→24MMM18←→27MMM20←→30MMM22←→34MM括号中的尺寸为GB旧标准尺寸.。
外六角、内六角螺栓和对应套筒对照表
公制外六角螺栓和气动工具内六角套筒对边尺寸对
照表:公制内六角螺钉(注意不是螺栓)与气动工具六角旋具套筒尺寸对照表:
螺栓尺寸(mm) 对应扳手或套筒对边尺寸
(mm) 内六角螺栓尺寸(mm)
对应六角旋具套筒
尺寸(mm)
M3 5.5 M3 2.5 M4 7 M4 3 M5 8 M5 4 M6 10 M6 5 M8 13(14)M8 6 M10 16(17)M10 8 M12 18(19)M12 10 M14 21(22)M14 12 M16 24 M16 14 M18 27 M18 14 M20 30 M20 17 M22 34 M22 17 M24 36 M24 19 注:括号中的尺寸为GB旧标准尺寸。
M30 22
M36 27
M42 32
M48 36
M56 41
M64 46 内六角扳手、开口扳手和对应螺纹对照表
攻丝前螺纹底孔直径的计算方法:
1.对于脆性材料按照:基本尺寸-1.0826螺距;
2.对于塑性材料按照:螺纹基本尺寸-螺距+0.1;
注意:
(1)脆性材料在攻丝时为纯切削状态,底孔尺寸为螺纹牙底圆直径;塑性材料在攻丝时由于材料受力后产生塑性变形,材料会向螺纹小径移动,因此底孔应该适当加大。
(2)对于M6以下的螺纹孔,不分材料性质,计算统一按照:基本尺寸-螺距。
一、公制内六角螺栓与内六角扳手尺寸对照表:内六角螺栓==对应内六角扳手尺寸M3←→2.5M4←→3M5←→4M6←→5M8←→6M10←→8M12←→10M14←→12M16←→14M18←→14M20←→17M22←→17攻螺纹底孔的计算:脆性材料(铸铁、青铜等):钻孔直径d0=d(螺纹外径)-1.1p(螺距)塑性材料(钢、紫铜等):钻孔直径d0=d(螺纹外径)-p(螺距)二、内六角扳手的型号比螺丝的型号下多少?比如6#内六角扳手用来拧M8的内六角螺丝?4#←→M55#←→M66#←→M88#←→M1010#←→M1212#←→M14,M1614#←→M16,M2017#←→M2019#←→M2422#,←→M3027#←→M36三、外六角所用的开口扳手以六角螺母对应比较准确,因为存在六角头螺栓和小六角头螺栓。
常用的开口扳手规格为:7、8、10、14、17、19、22、24、27、30、32、36、41、46、55、65;对应螺纹规格为:M4、M5、M6、M8、M10、M12、M14、M16、M18、M20、M22、M24、M27、M30、M36、M42全套内六角扳手中最小规格为3,其对应关系为S3=M4、S4=M5、S5=M6、S6=M8、S8=M10、S10=M12、S12=M14-M16、S14=M18-M20、S17=M22-M24、S19=M27-M30、S24=M36、S27=M42。
攻丝前螺纹底孔直径的计算方法:对于脆性材料按照基本尺寸-1.0826螺距,对于塑性材料按照螺纹基本尺寸-螺距+0.1。
脆性材料在攻丝时为纯切削状态,底孔尺寸为螺纹牙底圆直径,塑性材料在攻丝时由于材料受力后产生塑性变形,材料会向螺纹小径移动,因此底孔应该适当加大。
对于M6以下的螺纹孔,不分材料性质,统一按基本尺寸-螺距.钻孔一般用螺栓大径D减去螺距.四、公制外六角螺栓和套筒(梅花)扳手对边尺寸对照表:螺栓尺寸对应扳手或套筒对边尺寸M3←→5.5MMM4←→7MMM5←→8MMM6←→10MMM8←→13MM(14MM)M10←→16MM(17MM)M12←→18MM(19MM)M14←→21MM(22MM)M16←→24MMM18←→27MMM20←→30MMM22←→34MM括号中的尺寸为GB旧标准尺寸。
螺丝尺寸对应内六角扳手的四个方面之迟辟智美创作发布时间:10-08-18 来源:VESSEL CO.,INC.点击量:33197 字段选择:年夜中小一、公制内六角螺栓与内六角扳手尺寸对比表:内六角螺栓==对应内六角扳手尺寸M3←→M4←→3M5←→4M6←→5M8←→6M10←→8M12←→10M14←→12M16←→14M18←→14M20←→17攻螺纹底孔的计算:脆性资料(铸铁、青铜等):钻孔直径d0=d(螺纹外径)-1.1p(螺距)塑性资料(钢、紫铜等):钻孔直径d0=d(螺纹外径)-p (螺距)二、内六角扳手的型号比螺丝的型号下几多?比如6#内六角扳手用来拧M8的内六角螺丝?4#←→M55#←→M66#←→M88#←→M1010#←→M1212#←→M14,M1614#←→M16,M2017#←→M2022#←→M3027#←→M36三、外六角所用的开口扳手以六角螺母对应比力准确,因为存在六角头螺栓和小六角头螺栓.经常使用的开口扳手规格为:7、8、10、14、17、19、22、24、27、30、32、36、41、46、55、65;对应螺纹规格为:M4、M5、M6、M8、M10、M12、M14、M16、M18、M20、M22、M24、M27、M30、M36、M42全套内六角扳手中最小规格为3,其对应关系为S3=M4、S4=M5、S5=M6、S6=M8、S8=M10、S10=M12、S12=M14-M16、S14=M18-M20、S17=M22-M24、S19=M27-M30、S24=M36、S27=M42.攻丝前螺纹底孔直径的计算方法:对脆性资料依照基本尺寸-1.0826螺距,对塑性资料依照螺纹基本尺寸-螺距+0.1.脆性资料在攻丝时为纯切削状态,底孔尺寸为螺纹牙底圆直径,塑性资料在攻丝时由于资料受力后发生塑性变形,资料会向螺纹小径移动,因此底孔应该适当加年夜.对M6以下的螺纹孔,不分资料性质,统一按基本尺寸-螺距.钻孔一般用螺栓年夜径D减去螺距.四、公制外六角螺栓和套筒(梅花)扳手对边尺寸对比表:螺栓尺寸对应扳手或套筒对边尺寸M3←→M4←→7MMM5←→8MMM6←→10MMM8←→13MM(14MM)M10←→16MM(17MM)M12←→18MM(19MM)M14←→21MM(22MM)M16←→24MMM18←→27MMM20←→30MMM22←→34MM括号中的尺寸为GB旧标准尺寸.提醒年夜家,在购买扳手前一定要清楚自己的螺丝尺寸,要配上多年夜的内六角扳手,否则就会买错货.。
一、公制内六角螺栓与内六角扳手尺寸对照表:内六角螺栓==对应内六角扳手尺寸M3←→2.5M4←→3M5←→4M6←→5M8←→6M10←→8M12←→10M14←→12M16←→14M18←→14M20←→17M22←→17(一)攻螺纹底孔的计算:脆性材料(铸铁、青铜等):钻孔直径d0=d(螺纹外径)-1.1p(螺距)塑性材料(钢、紫铜等):钻孔直径d0=d(螺纹外径)-p(螺距)二、内六角扳手的型号比螺丝的型号下多少?比如6#内六角扳手用来拧M8的内六角螺丝?4#←→M55#←→M66#←→M88#←→M1010#←→M1212#←→M14,M1614#←→M16,M2017#←→M2019#←→M2422#,←→M3027#←→M36三、外六角所用的开口扳手以六角螺母对应比较准确,因为存在六角头螺栓和小六角头螺栓。
常用的开口扳手规格为:7、8、10、14、17、19、22、24、27、30、32、36、41、46、55、65;对应螺纹规格为:M4、M5、M6、M8、M10、M12、M14、M16、M18、M20、M22、M24、M27、M30、M36、M42全套内六角扳手中最小规格为3,其对应关系为S3=M4、S4=M5、S5=M6、S6=M8、S8=M10、S10=M12、S12=M14-M16、S14=M18-M20、S17=M22-M24、S19=M27-M30、S24=M36、S27=M42。
攻丝前螺纹底孔直径的计算方法:对于脆性材料按照基本尺寸-1.0826螺距,对于塑性材料按照螺纹基本尺寸-螺距+0.1。
脆性材料在攻丝时为纯切削状态,底孔尺寸为螺纹牙底圆直径,塑性材料在攻丝时由于材料受力后产生塑性变形,材料会向螺纹小径移动,因此底孔应该适当加大。
对于M6以下的螺纹孔,不分材料性质,统一按基本尺寸-螺距.钻孔一般用螺栓大径D减去螺距.四、公制外六角螺栓和套筒(梅花)扳手对边尺寸对照表:螺栓尺寸对应扳手或套筒对边尺寸M3←→5.5MMM4←→7MMM5←→8MMM6←→10MMM8←→13MM(14MM)M10←→16MM(17MM)M12←→18MM(19MM)M14←→21MM(22MM)M16←→24MMM18←→27MMM20←→30MMM22←→34MM括号中的尺寸为GB旧尺寸。
六 角 螺 母六角螺母—C 级 I 型六角螺母—A 和B 级 六角薄螺母 (GB/T41-2000) (GB/T6170-2000) (GB/T6172.1-2000)标记示例螺纹规格 D=M12、性能级别为5级、不经表面处理、C 级的六角螺母: 螺母 GB/T41-2000 M12 螺纹规格 D=M12、性能级别为8级、不经表面处理、A 级的I 型六角螺母: 螺母 GB/T6170-2000 M12mm注:A 级用于D ≤16,B 级用于D >161.各部位的尺寸螺纹规格DM3M4M5M6 M8 M10 M12 M16 M20 M24 M30 M36 M42eGB/T418.63 10.89 14.20 17.59 19.85 26.17 32.95 39.55 50.85 60.79 72.07 GB/T6170 6.01 7.66 8.79 11.05 14.38 17.77 20.03 26.75 32.95 39.55 50.85 60.79 72.02 GB/T6172.1 6.01 7.66 8.79 11.05 14.38 17.77 20.03 26.75 32.95 39.55 50.85 60.79 72.02 s GB/T418 10 13 16 18 24 30 36 46 55 65 GB/T6170 5.5 7 8 10 13 16 18 24 30 36 46 55 65 GB/T6172.1 5.5 7 8 10 13 16 18 24 30 36 46 55 65 mGB/T415.66.17.9 9.5 12.2 15.9 18.7 22.3 25.4 31.5 34.9 GB/T6170 2.4 3.2 4.7 5.2 6.8 8.4 10.8 14.8 18 21.5 25.6 31 34 GB/T6172.11.82.22.73.245681012151821单位:mm螺纹的公称直径(d)(2)M3 M4 M5 M6 M8 M10 M12 (M14) 螺栓的螺距(P) 0.5 0.7 0.8 1 1.25 1.5 1.75 2b 参考18 20 22 24 28 32 36 40dk 最大(基准尺寸)* 5.5 7 8.5 10 13 16 18 21最大** 5.68 7.22 8.72 10.22 13.27 16.27 18.27 21.33 最小 5.32 6.78 8.28 9.78 12.73 15.73 17.73 20.67da 最大 3.6 4.7 5.7 6.8 9.2 11.2 13.7 15.7 ds最大(基准尺寸) 3 4 5 6 8 10 12 14 最小 2.86 3.82 4.82 5.82 7.78 9.78 11.73 13.73e 最小 2.87 3.44 4.58 5.72 6.86 9.15 11.43 13.72f 最大0.51 0.60 0.60 0.68 1.02 1.02 1.45 1.45 k最大(基准尺寸) 3 4 5 6 8 10 12 14 最小 2.86 3.82 4.82 5.70 7.64 9.64 11.57 13.57 r 最小0.1 0.2 0.2 0.25 0.4 0.4 0.6 0.6s 公称(基准尺寸) 2.5 3 4 5 6 8 10 12最小 2.52 3.02 4.02 5.02 6.02 8.025 10.025 12.032 最大(1)1栏 2.580 3.080 4.095 5.140 6.140 8.175 10.175 12.2122栏 2.560 3.080 4.095 5.095 6.095 8.115 10.115 12.142注(1):s(最大)的1栏适用于强度8.8及10.9及性状A2-50、A2-70的内容,2栏适用于强度12.9的内容。