DL∕T 5210.1-2012 电力建设施工质量验收及评价规程_第1部分土建工程(配套表格)
- 格式:doc
- 大小:7.97 MB
- 文档页数:299
单位工程质量报审表表号:DJB-A4-03 工程名称:工程编号:T03-001 致北京中达联咨询有限公司华能廉江塘蓬风电场工程项目监理部:根据施工承包合同的规定,单位工程现已施工完毕,经我公司三级自检,质量符合国家标准和技术规范以及本工程设计的要求,请审查和验收。
附件:1.单位工程质量竣工验收记录2 .单位工程质量控制资料核查记录3 .单位工程安全和功能检验资料核查及主要功能抽查记录4 .单位工程观感质量检查记录5 .单位工程质量等级评定记录施工项目部(章):项目经理:日期:监理项目部审查意见:监理项目部(章):总监理工程师:专业监理工程师:日期:业主项目部审查意见:建设管理单位(章):项目经理:日期:本表一式五份,由承包单位填报,建设管理单位三份,项目监理部、承包单位各存一份。
单位工程质量竣工验收记录工程编号:0201-001 电土验表:3.0.12-4 单位(子单位)工程名称XX 结构类型/ 层数/ 建筑面积/ 施工单位XX有限公司技术负责人XX 开工日期XXXX.XX.XX项目技术负项目经理XX XX 竣工日期/责人序号项目验收记录验收结论共3 分部,经查 3 分部,1 分部工程符合标准及设计要求 3 分部共16 项,经审查符合要求16 项,2 质量控制资料核查经核定符合标准要求 6 项共核查 5 项,符合要求 5 项,安全和主要使用功能3 共抽查 5 项,符合要求 5 项,核查及抽查结果经返工处理符合要求0 项4 观感质量验收共抽查9项,符合要求9项,不符合要求0项5 综合验收结论建设单位监理单位设计单位施工单位(公章)(公章)(公章)(公章)参加验单位(项目)负责人:总监理工程师:单位(项目)负责人单位(项目)负责人:收单位年月日年月日年月日年月日单位工程质量控制资料核查记录工程编号:0201-002 电土验表:3.0.12-5 子单位工程名称XXXX机组施工单位XXXX有限公司施工单位监理(建设)单位序号项目资料名称份数检查核查检查人核查人意见意见1原材料、设备出厂合格证及进场检(试)验报告13 符合要求2预拌混凝土(砂浆)、构件、配件、高强度螺栓连接副、淋水填料等制成品出厂证件/ / /3 钢筋接头试验报告(焊接、机械连接) 2 符合要求4 混凝土试件试验报告 6 符合要求5出厂证钢结构摩擦面的抗滑移系数及高强度螺栓连接副试验报告/ / /件及试6 砂浆试件试验报告(砌筑砂浆、抹灰砂浆)/ / /验资料7 防水与防腐砂浆、胶泥、涂料试验报告/ / /8 土方回填试验报告 1 符合要求9 地基处理试验资料/ / /10 桩基试验资料/ / /11 构件试验资料/ / /12 混凝土结构实体检验记录 2 符合要求1图纸会检、设计变更、洽商记录 1 符合要求2 施工方案、作业指导书、技术交底记录8 符合要求3 测量放线记录及沉降观测记录/ /4 地基处理及桩基施工记录/ / /5 预应力钢筋冷拉及张拉记录/ / /6 混凝土工程施工记录 2 符合要求7 结构吊装记录/ / /主要技8 管道、阀门等设备强度试验、严密性试验记录/ / /术资料9 及施工水池满水试验记录/ / /记录10 系统清洗、灌水、通水、通球试验记录/ / /11 绝缘、接地电阻测试记录/ / /12 通风、空调调试记录及制冷系统试验记录/ / /13 电梯负荷试验、安全装置检查记录/ / /14 建筑智能系统功能测定及设备调试记录/ / /15 新材料、新工艺施工记录/ / /16 坝体(基)的稳定性监测记录/ / /单位工程质量控制资料核查记录工程编号:0201-002 电土验表:3.0.12-5 续表施工单位监理(建设)单位序号项目资料名称份数检查核查检查人核查人意见意见1地基验槽验收记录 2 符合要求2 钢筋工程验收记录 2 符合要求隐蔽工3 地下混凝土工程验收记录 2 符合要求程验收记录4 防水、防腐工程验收记录 2 符合要求5 其他(安装)工程验收记录 2 符合要求1 分项工程质量验收记录16 符合要求工程质2 分部工程质量验收记录3 符合要求量验收记录3 混凝土强度统计、评定记录 1 符合要求工程质量事故及主要质量问题0 无核查意见核查结论监理单位:施工单位:建设单位:总监理工程师:项目经理:项目负责人:(项目技术负责人)(项目技术负责人)年月日年月日年月日单位工程安全和功能检验资料核查及主要功能抽查记录工程编号:0201-003 电土验表:3.0.12-6 子单位XXXX机组施工单位XXX有限公司工程名称施工单位监理(建设)单位序安全和功能检查项目份数号核查抽查核查检查意见检查人意见结果(抽查)人1 地基强度、压实系数、注浆体强度检测报告 1 符合要求2 地基承载力检测报告☆/ / / /3 复合地基桩体强度、地基承载力检测报告☆/ / / /4 单桩竖向抗压承载力及桩身完整性检测报告☆/ / / /混凝土实体强度、结构实体钢筋保护层厚度检5 8 符合要求测报告☆混凝土质量生产水平控制统计记录(商品混凝6 2 符合要求土可以无此项资料)。
表3.0.12-1检验批质量验收记录表3.0.12-2分项工程质量验收记录表3.0.12-3分部(子分部)工程质量验收记录编号:注:除地基基础分部外,勘察单位可不参加。
表3.0.12-4单位(子单位)工程质量竣工验收记录编号:表3.0.12-5单位(子单位)工程质量控制资料核查记录编号:表3.0.12-6单位(子单位)工程安全和功能检验资料核查及主要功能抽查记录编号:表3.0.12-7单位(子单位)工程观感质量检查记录编号:表3.0.12-8单位工程(烟囱)观感质量检查记录编号:表3.0.12-9单位工程(冷却塔)观感质量检查记录编号:表3.0.12-10单位工程(其它构筑物)观感质量检查记录编号:表3.0.12-11单位(子单位)工程质量控制资料核查记录(适用于其它消防)编号:表3.0.12-12单位(子单位)工程安全和功能检验资料核查及主要功能抽查记录(适用于其它消防)编号:表3.0.12-13单位(子单位)工程观感质量检查记录(适用于其它消防)编号:表3.0.13-1地基与基础分部(子分部)工程质量控制资料核查记录表3.0.13-2主体结构分部(子分部)工程质量控制资料核查记录表3.0.13-3建筑装饰装修分部(子分部)工程质量控制资料核查记录Array表3.0.13-4建筑屋面分部(子分部)工程质量控制资料核查记录表3.0.13-5建筑给排水及采暖分部(子分部)工程质量控制资料核查记录表3.0.13-6建筑电气分部(子分部)工程质量控制资料核查记录表3.0.13-7通风与空调分部(子分部)工程质量控制资料核查记录表3.0.13-8电梯分部(子分部)工程质量控制资料核查记录表3.0.13-9建筑智能化分部(子分部)工程质量控制资料核查记录表3.0.13-10地基与基础分部(子分部)工程安全和功能检验资料核查及主要功能抽查记录表3.0.13-13建筑装饰装修分部(子分部)工程安全和功能检验资料核查及主要功能抽查记录表3.0.13-14建筑给排水及采暖分部(子分部)工程安全和功能检验资料核查及主要功能抽查记录表3.0.13-15建筑电气分部(子分部)工程安全和功能检验资料核查及主要功能抽查记录表3.0.13-16通风与空调分部(子分部)工程安全和功能检验资料核查及主要功能抽查记录表3.0.13-17电梯分部(子分部)工程安全和功能检验资料核查及主要功能抽查记录表3.0.13-18智能建筑分部(子分部)工程安全和功能检验资料核查及主要功能抽查记录表3.0.13-19地基与基础分部(子分部)工程观感质量检查记录编号:表3.0.13-20主体结构分部(子分部)工程观感质量检查记录编号:表3.0.13-21建筑屋面分部(子分部)工程观感质量检查记录表3.0.13-24建筑电气分部(子分部)工程观感质量检查记录表3.0.13-25通风与空调分部(子分部)工程观感质量检查记录表3.0.13-26电梯分部(子分部)工程观感质量检查记录表3.0.13-27智能建筑分部(子分部)工程观感质量检查记录表3.0.14施工现场质量管理检查记录。
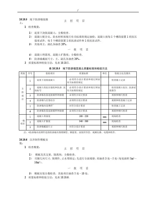
/'10.10.5 地下防渗墙混凝主控项目土:1 检查数量:1)泥浆下浇筑混凝土:全数检查。
2)混凝土配合比、防水材料按现行有关标准的规定抽检;混凝土按每1 个槽段留置1 组抗压强度试件,每5 个槽段留置1 组抗渗试件和1 组抗冻试件。
3)其他项主、副孔各抽查20%。
一般项目4)混凝土坍落度、混凝土扩散度:全数检查。
5)防渗墙截面尺寸:主、副孔各抽查20%。
2 质量标准和检验方法:见表10.10.5。
表10.10.5 地下防渗墙混凝土质量标准和检验方法注:*防渗墙内设埋件是指防渗墙内预埋钢管、钢筋笼、浇筑用导管、观测仪器、电缆和铁件。
10.10.6 沉井制作模板安装:1 检查数量:主控项目1)模板及其支架、隔离剂:全数检查。
2)刃脚几何尺寸,预埋件、止水带固定:先进行全面观察,再抽查3 处~5 处(每处面积5m2~10m2)。
一般项目3)模板安装全数检查,其他项目抽查5 处~10 处。
2 质量标准和检验方法:见表10.10.6。
表10.10.6 沉井制作模板安装质量标准和检验方法续表10.10.610.10.7沉井钢筋安装:1检查数量:主控项目1)钢筋的品种、级别、规格和数量,刃脚钢板护角:全数检查。
2)焊接(机械连接)接头的力学性能:按现行有关标准规定取样送检。
3)钢筋笼骨架:先进行全面观察,再抽查3 处~5 处(每处面积5m2~10m2)。
一般项目4)接头位置和外观质量:全数检查。
5)钢筋安装:抽查5 处~10 处。
2 质量标准和检验方法:见表10.10.7。
表10.10.7 沉井钢筋安装质量标准和检验方法10.10.8 沉井混凝土施工:1 检查数量:主控项目1)表10.10.8 第1 项~第3 项:混凝土取样与试件留置应符合现行有关标准规定。
2)表10.10.8 第4 项~第6 项:全数检查。
一般项目3)混凝土坍落度、扩散度:先进行全面观察,再抽查3 处~5 处(每处面积5m2~10m2)。
DL / T 5210.1 —20125通用工程质量验收5.1 一般规定5.1.1 本章适用于建筑工程的施工测量,以及土石方与基坑、地基处理与桩基、防水、砌体、混凝土结构、钢结构、地面与楼面、屋面、建筑装饰装修、防腐蚀、给排水及采暖、通风与空调、建筑电气、电梯、厂区道路、智能建筑、建筑节能、水土保持、室外(厂区景观)、其他消防等工程的施工质量验收。
5.1.2 本章5.3、5.4 适用于具备完整的地质勘察资料及工程附近管线、建筑物、构筑物和其他公共设施的构造情况资料的土石方与基坑工程、地基处理与桩基工程的施工质量验收。
5.1.3 本章5.5~5.8 适用于地下建筑物及构筑物、防护工程及沟、隧道等地下工程防水的施工质量验收。
5.1.4 本章5.9 适用于建筑工程的砖、石、混凝土小型空心砌块、蒸压加气混凝土砌块等砌体的施工质量验收。
5.1.5 本章5.10 适用于建筑工程混凝土结构施工质量的验收,不适用于特种混凝土结构施工质量的验收。
5.1.6 本章5.11 适用于建筑工程单层、多层、高层以及网架、压型金属板等钢结构工程施工质量的验收。
5.1.7 本章5.12 适用于地面与楼面工程(含室外散水、明沟、踏步、台阶和坡道等附属工程)的施工质量验收,不适用于有保温、隔热、超净、屏蔽、绝缘、防止放射线以及防腐蚀等特殊要求的建筑地面工程的施工质量验收。
5.1.8 本章5.13~5.21 适用于抹灰、门窗、吊顶、轻质隔墙、饰面板(砖)、幕墙、涂饰、裱糊与软包、装饰装修细部等工程的施工质量验收。
5.1.9 本章5.22 适用于防水等级为Ⅰ~Ⅲ级的屋面工程的施工质量验收。
5.1.10 本章5.23 适用于新建、改建、扩建的建筑物和构筑物防腐蚀工程的施工质量验收。
5.1.11 本章5.24 适用于厂区内、外的永久性沥青路面和水泥混凝土路面,其中沥青路面包括沥青混凝土、沥青碎石、沥青表面处理、沥青贯入式、沥青上拌下贯式等路面。
目录编制说明填写说明第一部分质量验收表式3 质量验收基本规定 (2)电土验表3.0.12-1 检验批质量验收记录 (3)电土验表3.0.12-2 分项工程质量验收记录 (4)电土验表3.0.12-3 分部(子分部)工程质量验收记录 (5)电土验表3.0.12-4 单位(子单位)工程质量竣工验收记录 (6)电土验表3.0.12-5 单位(子单位)工程质量控制资料核查记录 (7)电土验表3.0.12-6 单位(子单位)工程安全和功能检验资料核查及主要功能抽查记录 ......... . 9 电土验表3.0.12-7 单位(子单位)工程观感质量检查记录 (11)电土验表3.0.12-8 单位工程(烟囱)观感质量检查记录 (13)电土验表3.0.12-9 单位工程(冷却塔)观感质量检查记录 (14)电土验表3.0.12-10 单位工程(其他构造物)观感质量检查记录 (15)电土验表3.0.12-11 单位(子单位)工程质量控制资料核查记录(适用其他消防) (16)电土验表3.0.12-12 单位(子单位)工程安全和功能检验资料核查及主要功能抽查记录(适用其他消防) (17)电土验表3.0.12-13 单位(子单位)工程观感质量检查记录(适用其他消防) (18)电土验表3.0.13-1 地基与基础分部(子分部)工程质量控制资料核查记录 (19)电土验表3.0.13-2 主体结构分部(子分部)工程质量控制资料核查记录 (20)电土验表3.0.13-3 建筑装饰装修分部(子分部)工程质量控制资料核查记录 (22)电土验表3.0.13-4 建筑屋面分部(子分部)工程质量控制资料核查记录 (23)电土验表3.0.13-5 建筑给排水及采暖分部(子分部)工程质量控制资料核查记录 (24)电土验表3.0.13-6 建筑电气分部(子分部)工程质量控制资料核查记录 (25)电土验表3.0.13-7 通风与空调分部(子分部)工程质量控制资料核查记录 (26)电土验表3.0.13-8 电梯分部(子分部)工程质量控制资料核查记录 (27)电土验表3.0.13-9 建筑智能化分部(子分部)工程质量控制资料核查记录 (28)电土验表3.0.13-10 地基与基础分部(子分部)工程安全和功能检验资料核查及主要功能抽查记录 (29)电土验表3.0.13-11 主体结构分部(子分部)工程安全和功能检验资料核查及主要功能抽查记录 (30)电土验表3.0.13-12 建筑屋面分部(子分部)工程安全和功能检验资料核查及主要功能抽查记录 (31)电土验表3.0.13-13 建筑装饰装修分部(子分部)工程安全和功能检验资料核查及主要功能抽查记录 (32)电土验表3.0.13-14 建筑给排水及采暖分部(子分部)工程安全和功能检验资料核查及主要功能抽查记录 (33)电土验表3.0.13-15 建筑电气分部(子分部)工程安全和功能检验资料核查及主要功能抽查记录 (34)电土验表3.0.13-16 通风与空调分部(子分部)工程安全和功能检验资料核查及主要功能抽查记录 (35)电土验表3.0.13-17 电梯分部(子分部)工程安全和功能检验资料核查及主要功能抽查记录 (36)电土验表3.0.13-18 智能建筑分部(子分部)工程安全和功能检验资料核查及主要功能抽查记录 (37)电土验表3.0.13-19 地基与基础分部(子分部)工程观感质量验检查记录 (38)电土验表3.0.13-20 主体结构分部(子分部)工程观感质量验检查记录 (39)电土验表3.0.13-21 建筑屋面分部(子分部)工程观感质量评分表 (40)电土验表3.0.13-22 建筑装饰装修分部(子分部)工程观感质量评分表 (41)电土验表3.0.13-23 给水排水及采暖分部(子分部)工程观感质量评分表 (42)电土验表3.0.13-24 建筑电气分部(子分部)工程观感质量评分表 (43)电土验表3.0.13-25 通风与空调分部(子分部)工程观感质量评分表 (44)电土验表3.0.13-26 电梯分部(子分部)工程观感质量评分表 (45)电土验表3.0.13-27 智能建筑分部(子分部)工程观感质量评分表 (46)电土验表3.0.13-28 建筑节能分部工程质量验收记录 (47)电土验表3.0.13-29 建筑节能分部工程质量控制资料核查记录 (48)电土验表3.0.14 施工现场质量管理检查记录 (49)工程编号:电土验表3.0.12-1中国电力建设企业协会监制工程编号:电土验表:3.0.12-2中国电力建设企业协会监制分部(子分部)工程质量验收记录工程编号:电土验表:3.0.12-3注除地基基础分部外,勘察单位可不参加。
工程编号工程名称验收单位质量验收表编号机组系统单位工程子单位工程分部工程子分部工程分项工程检验批施工单位勘察单位设计单位监理单位建设单位01 01 热力系统01 主厂房工程√√√√00 01 地基处理与桩基工程√√√√01 地基处理工程√√√√(分项、检验批划分参照通用标准)02 桩基工程√√√√(分项、检验批划分参照通用标准)02 基础工程√√√√01 土(石)方开挖、回填√√√01 定位及高程控制√√01 定位及高程控制√√表5.2.102 挖方√√01 土方开挖√√表5.3.103 回填√√01 回填√√表5.3.202 开挖支护工程√√√01 降水与排水√√01 降水与排水√√表02 成孔√√01 成孔√√表表03 灌注桩钢筋√√01 钢筋加工√√表5.10.702 钢筋笼√√表04 混凝土灌注桩√√01 混凝土原材料及配合比√√表02 混凝土施工√√表03 混凝土灌注桩√√表05 水泥土桩墙支护工程√√01 水泥土桩墙支护工程√√表5.3.606 锚杆及土钉墙支护工程√√01 锚杆及土钉墙支护工程√√表5.3.707 沉井(箱)√√01 沉井(箱)√√表工程编号工程名称验收单位质量验收表编号DLT 5210.1-2012 《电力建设施工质量验收及评价规程第1部分土建工程》机组系统单位工程子单位工程分部工程子分部工程分项工程检验批施工单位勘察单位设计单位监理单位建设单位03 主厂房基础工程√√01 垫层√√01 垫层√√表5.12.702 钢筋√√01 钢筋加工√√表5.10.702 基础桩锚筋焊接√√表5.10.803 钢筋安装√√表5.10.903 模板√√01 模板安装√√表6.2.102 模板拆除√√表5.10.604 混凝土√√01 混凝土原材料及配合比√√表02 混凝土施工√√表03 混凝土结构外观及尺寸偏差√√表6.2.805 基础混凝土防腐√√01 基础混凝土防腐√√表表5.23.306 基础砌砖√√01 基础砌砖√√表5.9.104 地下室结构工程√√01 模板√√01 模板安装√√表表5.10.502 模板拆除√√表5.10.602 钢筋√√01 钢筋加工√√表5.10.702 钢筋安装√√表5.10.903 混凝土√√01 混凝土原材料及配合比√√表02 混凝土施工√√表03 混凝土结构外观及尺寸偏差√√表表工程编号工程名称验收单位质量验收表编号机组系统单位工程子单位工程分部工程子分部工程分项工程检验批施工单位勘察单位设计单位监理单位建设单位03 主厂房主体结构√√√01 主体现浇混凝土结构√√01 模板√√01 模板安装√√表6.4.102 模板拆除√√表5.10.602 钢筋√√01 钢筋加工√√表5.10.702 钢筋安装√√表5.10.903 混凝土√√01 混凝土原材料及配合比√√表02 混凝土施工√√表03 混凝土结构外观及尺寸偏差√√表02 主体钢结构√√01 钢构件制作(安装)焊接√√01 钢构件制作(安装)焊接√√表5.11.102 普通坚固件连接√√01 普通坚固件连接√√表5.11.303 高强度螺栓连接√√01 高强度螺栓连接√√表5.11.404 钢结构零、部件加工√√01 钢结构零、部件加工√√表5.11.505钢构件组装√√01 钢构件组装√√表表06钢构件预拼装√√01 钢构件预拼装√√表07钢构件安装√√01 钢构件安装√√表表08 钢结构涂装√√01 钢结构防腐√√表02 钢结构防火√√表09 二次灌浆√√01 二次灌浆√√表6.7.9工程编号工程名称验收单位质量验收表编号机组系统单位工程子单位工程分部工程子分部工程分项工程检验批施工单位勘察单位设计单位监理单位建设单位01 01 01 00 03 03 钢煤斗结构√√01 钢构件焊接√√01 钢构件焊接√√表5.11.102 钢构件零、部件加工√√01 钢构件零、部件加工√√表5.11.503 钢构件(钢煤斗)组装√√01 钢构件(钢煤斗)组装√√表6.5.804 钢构件(钢煤斗)安装√√01 钢构件(钢煤斗)安装√√表05 钢结构涂装√√01 钢结构防腐√√表04 墙板(围护)结构√√01 钢结构焊接√√01 钢结构焊接√√表5.11.102 钢结构零、部件加工√√01 钢结构零、部件加工√√表5.11.503 钢结构安装√√01 钢结构安装√√04 墙架安装√√01 墙架安装√√05 钢结构涂装√√01 钢结构防腐√√02 钢结构防火√√06 压型金属板墙板安装√√01 压型金属板安装√√07 墙体砌体√√01 砌体工程√√表5.9.5 04 各层楼板结构√√√01 各层平台钢结构√√01钢梁焊接√√01钢结构焊接√√表5.11.102钢梁零、部件加工√√01钢结构零、部件加工√√表5.11.503钢梁组装√√01钢结构组装√√表5.11.9工程编号工程名称验收单位质量验收表编号机组系统单位工程子单位工程分部工程子分部工程分项工程检验批施工单位勘察单位设计单位监理单位建设单位04 钢梁安装√√01 钢梁安装√√05 钢梁涂装√√01 钢梁防腐√√02 钢梁防火√√06钢构件(钢梯平台及栏杆)焊接√√01钢构件焊接√√表5.11.107钢构件(钢梯平台及栏杆)零部件加工√√01钢结构零、部件加工√√表5.11.508钢构件(钢梯、平台及栏杆)组装√√01 钢梯、平台及栏杆组装√√09钢构件(钢梯、平台及栏杆)安装√√01钢构件(钢梯、平台及栏杆)安装√√10 单轨吊安装√√01 单轨吊安装√√11钢构件(钢梯、平台及栏杆)涂装√√01 钢梁防腐√√02 钢梁防火√√02 各层平台混凝土结构√√01 组合楼板金属压型板安装√√01 金属压型板工程√√02 钢筋√√01 钢筋加工√√表5.10.702 钢筋安装√√表5.10.903 混凝土√√01 混凝土原材料及配合比√√表02 混凝土施工√√表03 混凝土结构外观及尺寸偏差√√表工程编号工程名称验收单位质量验收表编号机组系统单位工程子单位工程分部工程子分部工程分项工程检验批施工单位勘察单位设计单位监理单位建设单位03 砌筑工程(各层配电间小室)√√01 砌筑工程√√01 砖砌体√√表表5.9.502 构造柱圈过梁模板√√01 模板安装√√表5.10.102 模板拆除√√表5.10.603 构造柱圈过梁钢筋√√01 钢筋加工√√表5.10.702 钢筋安装√√表5.10.904 构造柱圈过梁混凝土√√01 混凝土原材料及配合比√√表02 混凝土施工√√表03 混凝土结构外观及尺寸偏差√√表05 吊车梁结构√√√01 现浇混凝土吊车梁√√01 模板√√01 模板安装√√表6.4.102 模板拆除√√表5.10.602 钢筋√√01 钢筋加工√√表5.10.702 钢筋安装√√表5.10.903 混凝土√√01 混凝土原材料及配合比√√表02 混凝土施工√√表03 混凝土结构外观及尺寸偏差√√表6.4.904 吊车梁轨道安装√√01 吊车梁轨道安装√√表02 钢结构吊车梁√√01 钢梁焊接√√01 钢结构焊接√√表5.11.102 钢梁零、部件加工√√01 钢结构零、部件加工√√表5.11.503 钢梁组装√√01 钢结构组装√√表5.11.9工程编号工程名称验收单位质量验收表编号机组系统单位工程子单位工程分部工程子分部工程分项工程检验批施工单位勘察单位设计单位监理单位建设单位04 √√01 钢梁安装√√表05 钢梁涂装√√01 钢梁防腐√√表02 钢梁防火√√表06 吊车梁轨道安装√√01 吊车梁轨道安装√√表03 预制混凝土吊车梁√√(参照现浇结构)表表06 屋顶结构√√√01 钢屋架√√01 钢构件制作(安装)焊接√√01 钢构件制作(安装)焊接√√表5.11.102 高强度螺栓连接√√01 高强度螺栓连接√√表5.11.403 钢结构零、部件加工√√01 钢结构零、部件加工√√表5.11.504 钢构件(屋架、析架)组装√√01 钢构件(屋架、析架)组装√√表05 钢结构预拼装√√01 钢结构预拼装√√表06 钢屋架安装√√01 钢屋架安装√√表07 钢构件(墙架、檩条)安装√√01 钢构件(墙架、檩条)安装√√表08 钢网架制作√√01 钢网架制作√√表5.11.609 钢网架安装√√01 钢网架安装√√表10 钢结构涂装√√01 钢结构防腐√√表02 钢结构防火√√表工程编号工程名称验收单位质量验收表编号机组系统单位工程子单位工程分部工程子分部工程分项工程检验批施工单位勘察单位设计单位监理单位建设单位02 现浇屋面板√√01 屋面压型板√√01 压型板安装√√表5.22.902 模板√√01 模板安装√√表5.10.102 模板拆除√√表5.10.603 钢筋√√01 钢筋加工√√表5.10.702 钢筋安装√√表5.10.904 混凝土√√√01 混凝土原材料及配合比√√表02 混凝土施工√√表03 混凝土结构外观及尺寸偏差√√表03 预制屋面板√√01 模板√√01 模板安装√√表5.10.202 模板拆除√√表5.10.602 钢筋√√01 钢筋加工√√表5.10.702 钢筋安装√√表5.10.903 混凝土√√√01 混凝土原材料及配合比√√表02 混凝土施工√√表03 混凝土结构外观及尺寸偏差√√表04 混凝土屋面板安装√√01 装配式结构施工√√表07 主厂房建筑装饰装修工程√√√(子分部、分项、检验批划分参照通用标准)08 主厂房建筑设备安装工程√√√(子分部、分项、检验批划分参照通用标准)√√09 屋面工程√√√(子分部、分项、检验批划分参照通用标准)√√工程编号工程名称验收单位质量验收表编号机组系统单位工程子单位工程分部工程子分部工程分项工程检验批施工单位勘察单位设计单位监理单位建设单位02 集控楼工程√√√√(子分部、分项、检验批划分参照通用标准)03 汽轮发电机、汽动给水泵工程√√√√01 汽轮发电机基础√√√√01 底板结构√√√00 01 定位及高程控制√√01 定位及高程控制√√表5.2.102 垫层√√01 垫层√√表5.12.703 模板√√√01 模板安装√√表6.6.102 模板拆除√√表5.10.6 04 钢筋√√01 钢筋加工√√表5.10.702 基础桩锚筋焊接√√表5.10.803 钢筋安装√√表6.6.4 05 混凝土√√01 混凝土原材料及配合比√√表02 混凝土施工√√表03 混凝土结构外观及尺寸偏差√√表6.6.7 06 基础混凝土防腐√√01 基础混凝土防腐√√表表5.23.302 上部结构√√√00 01 模板√√01 模板安装√√表6.6.902 模板拆除√√表5.10.602 柱、梁、板安装√√01 钢筋加工√√表5.10.702 钢筋安装√√表03 柱、梁、板混凝土√√01 混凝土原材料及配合比√√表02 混凝土施工√√表03 混凝土结构外观及尺寸偏差√√表工程编号工程名称验收单位质量验收表编号机组系统单位工程子单位工程分部工程子分部工程分项工程检验批施工单位勘察单位设计单位监理单位建设单位04 二次灌浆√√01 设备基础二次灌浆√√表6.7.903 中间层平台结构√√√00 01 钢梁焊接√√01 钢结构焊接√√表5.11.102 钢梁零、部件加汇√√01 钢结构零、部件加工√√表5.11.503 钢梁组装√√01 钢结构组装√√表5.11.904 钢梁安装√√√01 钢梁安装√√表05 钢梁涂装√√01 钢梁防腐√√表02 钢梁防火√√表06 组合楼板中压型金属板安装√√01 压型金属板工程√√表07 平台钢筋√√01 钢筋加工√√表5.10.702 钢筋安装√√表5.10.908 混凝土√√01 混凝土原材料及配合比√√表02 混凝土施工√√表03 混凝土结构外观及尺寸偏差√√表09 钢格栅安装√√01 钢格栅安装√√表02 汽动给水泵工程√√√√(分部、分项、检验批同汽机基础)04 锅炉建筑工程√√√√00 01 地基处理工程√√√√子分部、分项、检验批参照通用标准工程编号工程名称验收单位质量验收表编号机组系统单位工程子单位工程分部工程子分部工程分项工程检验批施工单位勘察单位设计单位监理单位建设单位00 01 地基处理工程√√√√子分部、分项、检验批参照通用标准02 地基工程√√√√01 土(石)方开挖、回填√√√01 定位及高程控制√√01 定位及高程控制√√表5.2.102 挖方√√01 土方开挖√√表5.3.103 回填√√01 回填√√表5.3.202 开挖支护工程√√√01 降水与排水√√01 降水与排水√√表02 成孔√√01 成孔√√表表03 灌注桩钢筋√√01 钢筋加工√√表5.10.702 钢筋笼√√表04 混凝土灌注桩√√01 混凝土原材料及配合比√√表02 混凝土施工√√表03 混凝土灌注桩√√表05 水泥土桩墙支护工程√√01 水泥土桩墙支护工程√√表5.3.606 锚杆及土钉墙支护工程√√01 锚杆及土钉墙支护工程√√表5.3.707 沉井(箱)√√01 沉井(箱)√√表03 锅炉基础工程√√02 垫层√√01 垫层√√表5.12.7工程编号工程名称验收单位质量验收表编号机组系统单位工程子单位工程分部工程子分部工程分项工程检验批施工单位勘察单位设计单位监理单位建设单位03 模板√√01 模板安装√√表6.2.102 模板拆除√√√表5.10.604 钢筋√√01 钢筋加工√√表5.10.702 基础桩锚筋焊接√√表5.10.803 钢筋安装√√表5.10.905 混凝土√√01 混凝土原材料及配合比√√表02 混凝土施工√√√表03 混凝土结构外观及尺寸偏差√√表6.2.806 二次灌浆√√01 二次灌浆√√表6.7.907 基础混凝土防腐√√01 基础混凝土防腐√√表5.23.303 主体结构工程01 主体混凝土结构工程分项、检验批参照主厂房标准02 主体钢结构结构工程分项、检验批参照主厂房标准03 墙板(围护)结构分项、检验批参照主厂房标准04 各层楼板结构分项、检验批参照主厂房标准04 建筑装饰装修工程(子分部、分项、检验批划分参照通用标准)05 建筑屋面工程(子分部、分项、检验批划分参照通用标准)工程编号工程名称验收单位质量验收表编号机组系统单位工程子单位工程分部工程子分部工程分项工程检验批施工单位勘察单位设计单位监理单位建设单位06 建筑电气工程(子分部、分项、检验批划分参照通用标准)07 通风与空调工程(子分部、分项、检验批划分参照通用标准)08 电梯(子分部、分项、检验批划分参照通用标准)05 主厂房地下设施工程√√√√01 汽机地下设施√√01 电动给水泵基础√√√00 01 垫层01 垫层√√表5.12.702 模板√√01 模板安装√√表6.7.102 模板拆除√√表5.10.603 钢筋√√01 钢筋加工√√表5.10.702 钢筋安装√√表6.7.404 混凝土√√01 混凝土原材料及配合比√√表02 混凝土施工√√表03 混凝土结构外观及尺寸偏差√√表6.7.705 二次灌浆√√01 设备基础二次灌浆√√表6.7.906 基础混凝土防腐√√01 基础混凝土防腐√√表5.23.302 凝结水坑及水泵基础√√√00 01 垫层√01 垫层√表5.12.702 模板√01 模板安装√表10.13.102 模板拆除√表5.10.6工程编号工程名称验收单位质量验收表编号机组系统单位工程子单位工程分部工程子分部工程分项工程检验批施工单位勘察单位设计单位监理单位建设单位03 钢筋√01 钢筋加工√表5.10.702 钢筋安装√表10.13.204 混凝土√01 混凝土原材料及配合比√表02 混凝土施工√表03 混凝土结构外观及尺寸偏差√表10.13.305 二次灌浆√√01 设备基础二次灌浆√√表6.7.906 基础混凝土防腐√01 基础混凝土防腐√表5.23.303 循环水坑及水泵基础√√√(分项同凝结水坑及水泵基础)√04 其它设备基础√√√(分项同电动给水泵基础工程)05 沟道工程√√√01 垫层√√01 垫层√√表5.12.702 模板√√01 模板安装√√表6.8.102 模板拆除√√表5.10.603 钢筋√√01 钢筋加工√√表5.10.702 钢筋安装√√表6.8.404 混凝土√√01 混凝土原材料及配合比√√表02 混凝土施工√√表03 混凝土结构外观及尺寸偏差√√表6.8.705 沟道盖板模板√√01 模板√√表11.4.9 06 沟道盖板钢筋√√01 钢筋安装√√表工程编号工程名称验收单位质量验收表编号机组系统单位工程子单位工程分部工程子分部工程分项工程检验批施工单位勘察单位设计单位监理单位建设单位07 沟道盖板混凝土√√01 沟道盖板混凝土√√表08 钢盖板制作√√√01 钢盖板制作√√表09 盖板安装√√01 盖板安装√√表02 锅炉地下设施01 磨煤机基础√00 01 垫层√01 垫层√表5.12.702 模板√01 模板安装√表6.7.102 模板拆除√表5.10.603 钢筋√01 钢筋加工√表5.10.702 基础桩锚筋焊接√表5.10.803 钢筋安装√表6.7.404 混凝土√01 混凝土原材料及配合比√表02 混凝土施工√表03 混凝土结构外观及尺寸偏差√表6.7.705 二次灌浆√01 基础二次灌浆√表6.7.906 基础混凝土防腐√√01 基础混凝土防腐√√表5.23.302 送风机基础√√√(分项同磨煤机基础工程)03 引风机基础√√√(分项同磨煤机基础工程)04 其它设备基础√√√(分项同磨煤机基础工程)05 凝结水箱基础√√√(分项同磨煤机基础工程)工程编号工程名称验收单位质量验收表编号机组系统单位工程子单位工程分部工程子分部工程分项工程检验批施工单位勘察单位设计单位监理单位建设单位06 坑池工程√√√00 01 垫层√01 垫层√表5.12.702 模板√01 模板安装√表10.13.102 模板拆除√表5.10.603 钢筋01 钢筋加工√表5.10.702 钢筋安装√表10.13.204 混凝土√01 混凝土原材料及配合比√表02 混凝土施工√表03 混凝土结构外观及尺寸偏差√表10.13.305 混凝土防腐√01 坑池混凝土防腐√表5.23.107 沟道工程√√√(分项同汽机地下设施沟道工程)06 直接空冷空心柱工程√√√√00 01 地基与基础工程√√√(子分部、分项、检验批划分参照通用标准)02 上部结构工程√√√01 混凝土结构√√01 模板√√01 模板安装√√表表5.10.502 模板拆除√√表5.10.602 钢筋√√01 钢筋加工√√表5.10.702 钢筋安装√√表5.10.903 混凝土√√01 混凝土原材料及配合比√√表02 混凝土施工√√表03 混凝土结构外观及尺寸偏差√√表表工程编号工程名称验收单位质量验收表编号机组系统单位工程子单位工程分部工程子分部工程分项工程检验批施工单位勘察单位设计单位监理单位建设单位02 钢结构√√01 钢结构焊接√√01 钢结构焊接√√表5.11.102 紧固件连接√√01 普通紧固件连接√√表5.11.302 高强度螺栓连接√√表5.11.403 钢结构零件及部件加工√√01 钢结构零件及部件加工√√表5.11.504 钢构件(屋架、桁架)组装√√01 钢构件(屋架、桁架)组装√√表05 钢构件〔墙架、檩条、支撑系统)组装√√01 钢构件〔墙架、檩条、支撑系统)组装√√表02 √√06 钢构件(钢梯、平台及栏杆)组装√√01 钢构件(钢梯、平台及栏杆)组装√√表07 钢构件预拼装工程√√01 钢构件预拼装√√表08 钢构件(单层)安装√√01 钢构件(单层)安装√√表09 钢构件(墙架、檩条)安装√√01 钢构件(墙架、檩条)安装√√表10 钢构件(钢梯、平台及栏杆)安装√√01 钢构件(钢梯、平台及栏杆)安装√√表11 压型金属板工程√√01 压型金属板√√表12 钢结构涂装√√01 防腐涂料涂装√√表02 防火涂料涂装√√表工程编号工程名称验收单位质量验收表编号机组系统单位工程子单位工程分部工程子分部工程分项工程检验批施工单位勘察单位设计单位监理单位建设单位07 凝结水精处理室√√√√(分部、分项、检验批划分参照通用标准)08 送风机房或起吊架√√√√(分部、分项、检验批划分参照通用标准)09 引风机房或起吊架√√√√(分部、分项、检验批划分参照通用标准)10 除尘器基础和小室√√√√(分部、分项、检验批划分参照通用标准)11 电除尘配电室√√√√(分部、分项、检验批划分参照通用标准)12 烟道√√√√(分部、分项、检验批划分参照通用标准)13 00 烟囱√√√√01 地基处理√√√√(子分部、分项、检验批划分参照通用标准)02 桩基工程√√√√(子分部、分项、检验批划分参照通用标准)03 00 基础工程√√√01 定位及高程控制√√01 定位及高程控制√√表5.2.102 挖方√√01 土方开挖√√表5.3.103 填方√√01 土方回填√√表5.3.204 基坑支护√√01 基坑支护√√表表工程编号工程名称验收单位质量验收表编号机组系统单位工程子单位工程分部工程子分部工程分项工程检验批施工单位勘察单位设计单位监理单位建设单位05 垫层√√01 垫层√√表5.12.706 模板√√01 模板安装√√表6.10.402 模板拆除√√表5.10.607 钢筋√√01 钢筋加工√√表5.10.702 基础桩锚筋焊接√√表5.10.803 钢筋安装√√表6.10.308 混凝土√√01 混凝土原材料及配合比√√表02 混凝土施工√√表03 混凝土结构外观及尺寸偏差√√表6.10.809 二次灌浆√√01 基础二次灌浆√√表6.7.910 基础防腐√√01 防腐√√表6.10.904 筒身工程√√√01 钢筋混凝土筒壁√√√01 滑(升)模板装置√√01 滑(升)模板装置√√表02 钢筋√√01 钢筋加工√√表5.10.702 钢筋安装√√表03 混凝土√√01 混凝土原材料及配合比√√表02 混凝土施工√√表03 混凝土结构外观及尺寸偏差√√表02 砖内筒工程√√√01 耐酸砖砌筑√√01 砖砌筑√√表13 00 04 02 02 耐酸砂浆封闭层√√01 耐酸砂浆封闭层√√工程编号工程名称验收单位质量验收表编号机组系统单位工程子单位工程分部工程子分部工程分项工程检验批施工单位勘察单位设计单位监理单位建设单位03 扁钢抱箍√√01 扁钢抱箍制作安装√√表5.11.104 各层砖筒座节点√√01 各层砖筒座节点封闭√√表03 钢筒壁或钢内筒√√01 钢筒零部件加工√√01 钢筒零部件加工√√表02 钢筒制作(安装)焊接√√01 钢筒制作(安装)焊接√√表03 钢筒组装√√01 钢筒组装√√表04 钢筒分段安装√√01 钢筒分段安装√√表05 高强螺栓的连接√√01 高强螺栓的连接√√表5.11.4 04 塔架(扶壁结构)√√√01 塔架制作√√01 塔架制作√√表5.11.102 塔架预拼装√√01塔架预拼装√√表表03 塔架安装√√01 塔架安装√√表05 内衬与隔热层√√√01 砖内衬(筒)和隔热层√√01 砖内衬(筒)和隔热层√√表02 不定形材料内衬√√01 不定形材料内衬√√表03 砖内筒、钢内筒筒外侧隔热√√01 砖内筒、钢内筒筒外侧隔热√√表05 烟囱平台√√√01 钢平台√√√01 钢平台制作√√01 钢平台制作√√表工程编号工程名称验收单位质量验收表编号机组系统单位工程子单位工程分部工程子分部工程分项工程检验批施工单位勘察单位设计单位监理单位建设单位01 钢平台02 钢平台安装√√01 钢平台安装√√表02 混凝土灰斗平台工程√√√01 模板√√01 模板安装√√表5.10.102 模板拆除√√表5.10.602 柱、梁、板钢筋√√01 钢筋加工√√表5.10.702 钢筋安装√√表5.10.903 柱、梁、板混凝土√√01 混凝土原材料及配合比√√表02 混凝土施工√√表03 混凝土结构外观及尺寸偏差√√表04 金属灰斗√√01 金属灰斗制作√√表03 组合平台(钢混结构)√√√01 钢构件制作√√01 钢构件制作√√表02 钢构件安装√√01 钢构件安装√√表03 压型钢板安装√√01 压型钢板安装√√√表04 钢筋√√01 钢筋制作√√表5.10.702 钢筋安装√√表5.10.905 栓钉焊接√√表5.11.201 栓钉焊接√√06 混凝土√√01 混凝土原材料及配合比√√表02 混凝土施工√√表03 混凝土结构外观及尺寸偏差√√表√√工程编号工程名称验收单位质量验收表编号机组系统单位工程子单位工程分部工程子分部工程分项工程检验批施工单位勘察单位设计单位监理单位建设单位06 烟囱防腐蚀工程√√√00 01 排烟道内表面防腐01 排烟道内表面防腐表02 钢结构防腐涂料涂装√√01 钢结构防腐涂料涂装√√表03 耐酸胶泥及耐酸砂浆内衬防腐√√01耐酸胶泥及耐酸砂浆内衬防腐√√表04 耐酸砖(玻化砖)防腐内衬√√01 耐酸砖(玻化砖)防腐内衬√√表05 耐酸混凝土构件(导流板、筒座环梁)√√01 耐酸混凝土构件(导流板、筒座环梁)√√表07 水平内接烟道√√√01 砖混结构烟道√01 模板√√01 模板安装√√表5.10.102 模板拆除√√表5.10.602 柱、梁、板钢筋√√01 钢筋加工√√表5.10.702 钢筋安装√√表5.10.903 柱、梁、板混凝土√√01 混凝土原材料及配合比√√表02 混凝土施工√√表03 混凝土结构外观及尺寸偏差√√表04 填充墙砌体√√01 墙体砌体√√表5.9.105 耐酸砖砌筑√√01 砖砌筑√√表06 一般抹灰√√表5.13.101 抹灰√√07 烟道外侧隔热层√√01 隔热层√√表工程编号工程名称验收单位质量验收表编号机组系统单位工程子单位工程分部工程子分部工程分项工程检验批施工单位勘察单位设计单位监理单位建设单位02 钢烟道√√√01 钢烟道制作√√01 钢烟道制作√√表5.11.102 钢烟道安装√√√01 钢烟道安装√√表03 隔热层√√01 隔热层√√表08 附属设施工程√√√00 01 外钢梯、平台制作安装√√01 外钢梯、平台制作安装√√表5.11.502 内钢梯组装√√01 内钢梯组装√√表03 内钢梯安装√√01 内钢梯安装√√表04 钢梯、平台涂装√√01 钢梯、平台涂装√√05 航空标志√√01 航空标志√√表06 避雷设施√√01 避雷设施√√表07 照明设施01 (子分部、分项、检验批划分参照通用标准)01 01 13 00 08 00 08 地面及门窗工程(子分部、分项、检验批划分参照通用标准)14 电子设备控制楼√√√√(分部、分项、检验批划分参照通用标准)15 侧煤仓间工程√√√√(分部、分项、检验批划分参照通用标准)16 联合车间√√√√(分部、分项、检验批划分参照通用标准)工程编号工程名称验收单位质量验收表编号机组系统单位工程子单位工程分部工程子分部工程分项工程检验批施工单位勘察单位设计单位监理单位建设单位17 厂区热网换热站√√√√(分部、分项、检验批划分参照通用标准)18 厂区热网支架工程√√√√(分部、分项、检验批划分参照通用标准)02 燃料供应系统01 轨道衡室√√√√(分部、分项、检验批划分参照通用标准)02 汽车衡室√√√√(分部、分项、检验批划分参照通用标准)03 卸煤间或卸煤沟√√√√01 汽车卸煤沟√√√√01 地基工程√√√(子分部、分项、检验批划分参照通用标准)02 地下结构√√√01 底板(梁)、侧壁结构√√01 垫层√√01 垫层√√表5.12.702 模板01 模板安装√√表7.2.102 模板拆除√√表5.10.603 钢筋√√01 钢筋加工√√表5.10.702 钢筋安装√√表5.10.9 04 混凝土√√01 混凝土原材料及配合比√√表02 混凝土施工√√表03 混凝土结构外观及尺寸偏差√√表7.2.7工程编号工程名称验收单位质量验收表编号机组系统单位工程子单位工程分部工程子分部工程分项工程检验批施工单位勘察单位设计单位监理单位建设单位05 防潮、防水、防腐层√√01 防潮、防水层√√表表5.5.602 细部构造√√表5.5.703 防腐层√√表表5.23.702 煤斗壁、平台结构√√01 模板√√01 模板安装√√表7.3.202 模板拆除√√表5.10.602 钢筋√√01 钢筋加工表5.10.702 钢筋安装√√表03 混凝土√√01 混凝土原材料及配合比√√表02 混凝土施工√√表03 混凝土结构外观及尺寸偏差√√表04 煤蓖子制作、安装√√01 煤蓖子制作√√表02 煤蓖子安装√√表05 煤斗防磨层√√01 煤斗防磨层√√表7.3.901 02 03 01 02 03 0.00m层梁、板结构√√01 模板√√01 模板安装√√表7.2.102 模板拆除√√表5.10.602 梁、板钢筋√√01 钢筋加工√√表5.10.702 钢筋安装√√表5.10.903 混凝土√√01 混凝土原材料及配合比√√表02 混凝土施工√√表03 混凝土结构外观及尺寸偏差√√表7.2.7工程编号工程名称验收单位质量验收表编号机组系统单位工程子单位工程分部工程子分部工程分项工程检验批施工单位勘察单位设计单位监理单位建设单位03 上部结构√√√01 现浇混凝土结构√√01 模板√√01 模板安装√√表5.10.102 模板拆除√√表5.10.602 钢筋√√01 钢筋加工√√表5.10.702 钢筋安装√√表5.10.903 混凝土√√01 混凝土原材料及配合比表02 混凝土施工√√表03 混凝土结构外观及尺寸偏差√√表02 钢结构√√01 钢构件制作(安装)焊接√√01 钢构件制作(安装)焊接√√表5.11.102 普通坚固件连接√√01 普通坚固件连接√√表5.11.303 高强度螺栓连接√√01 高强度螺栓连接√√表5.11.404 钢结构零、部件加工√√01 钢结构零、部件加工√√表5.11.501 02 03 01 03 02 05 钢构件组装√√01钢构件组装√√表表06 钢结构预拼装√√01 钢结构预拼装√√表07 钢构件安装√√01 钢构件安装√√表08 钢结构涂装√√01 钢结构防腐√√表02 钢结构防火√√表。
电力建设施工质量验收及评价规程第1部分土建工程项目实际案例及配套表格DLT5210.1-2012一、电力工程项目实际案例二、电力全套总表工程质量报验单表号:GZL09 编号:0100-08-05-01-01-01-02本表一式伍份,由施工单位填报并存二份,查验后,连同附件,建设单位及工程部、项目监理单位各存一份。
本表一式伍份,由施工单位填报并存二份,查验后,连同附件,建设单位及工程部、项目监理单位各存一份。
具体验收记录表参见《电力建设施工质量验收及评定规程》。
土方开挖分项工程质量验收记录工程质量报验单表号:GZL09 编号:0100-08-05-01-01-01-03本表一式伍份,由施工单位填报并存二份,查验后,连同附件,建设单位及工程部、项目监理单位各存一份。
本表一式伍份,由施工单位填报并存二份,查验后,连同附件,建设单位及工程部、项目监理单位各存一份。
具体验收记录表参见《电力建设施工质量验收及评定规程》。
土方回填分项工程质量验收记录工程质量报验单表号:GZL09 编号:0100-08-05-01-01-07-01本表一式伍份,由施工单位填报并存二份,查验后,连同附件,建设单位及工程部、项目监理单位各存一份。
本表一式伍份,由施工单位填报并存二份,查验后,连同附件,建设单位及工程部、项目监理单位各存一份。
具体验收记录表参见《电力建设施工质量验收及评定规程》。
浆砌石基础分项工程质量验收记录表3.0.12-2 编号:0100-08-05-01-01-07-01工程质量报验单表号:GZL09 编号:0100-08-05-01-02-02-01本表一式伍份,由施工单位填报并存二份,查验后,连同附件,建设单位及工程部、项目监理单位各存一份。
本表一式伍份,由施工单位填报并存二份,查验后,连同附件,建设单位及工程部、项目监理单位各存一份。
具体验收记录表参见《电力建设施工质量验收及评定规程》。
砖砌体分项工程质量验收记录表3.0.12-2 编号:0100-08-05-01-02-02-01程质量报验单表号:GZL09 编号:0100-08-05-01-01本表一式伍份,由施工单位填报并存二份,查验后,连同附件,建设单位及工程部、项目监理单位各存一份。
电力建设施工质量验收及评定规程第1部分:土建工程DL/T 5210.1-2005目录前言 (1)1 范围 (2)2 规范性引用文件 (2)3 总则 (3)4 质量验收及评定范围 (15)5 通用工程 (139)6热力系统土建工程 (423)7燃料供应系统土建工程 (477)8除灰渣系统土建工程 (487)9 供水及水处理系统土建工程 (515)10电气系统土建工程 (570)附录A (582)附录B (584)附录C (586)附录D (590)附录E (592)附录F (593)附录G (595)附录H (599)条文说明 (602)电力建设施工质量验收及评定规程第1部分:土建工程DL/T 5210.1-2005前言DL/T 5210《电力建设施工质量验收及评定规程》分九个部分:——第一部分:土建工程——第二部分:锅炉——第三部分:汽轮机——第四部分:热工仪表及控制装置——第五部分:管道——第六部分:水处理及制氢装置——第七部分:焊接——第八部分:加工配制——DL/T 5161.17—2002电气装置安装工程质量检验及评定规程本部分是DL/T 5210的第一部分,是根据国家发展改革委员会《关于下达2004年行业标准项目计划的通知》(发改办工业[2004]872号)文的要求编制的。
本部分编制的主要依据是:现行国家有关工程质量的法律、法规、管理标准、技术标准、电力行业有关标准和相关行业标准,并参考了原电力工业部标准《火电施工质量检验用及评定标准第一篇土建工程篇》(建质[1994]114号)的内容。
本部分共10章及5个规范性附录和3个资料性附录,主要技术内容包括范围、规范性引用文件、总则、质量验收及评定范围、通用工程、热力系统土建工程、燃料供应系统土建工程、除灰渣系统土建工程、供水及水处理系统土建工程、电气系统土建工程。
自本部分实施之日起,原电力工业部标准《火电施工质量检验及评定标准第一篇土建工程篇》(建质[1994]114号)同时废止。
电力建设施工质量验收及评定规程第1部分:土建工程DL/T 5210.1-2005目录前言 (1)1 范围 (2)2 规范性引用文件 (2)3 总则 (3)4 质量验收及评定范围 (15)5 通用工程 (139)6热力系统土建工程 (423)7燃料供应系统土建工程 (477)8除灰渣系统土建工程 (487)9 供水及水处理系统土建工程 (515)10电气系统土建工程 (570)附录A (582)附录B (584)附录C (586)附录D (590)附录E (592)附录F (593)附录G (595)附录H (599)条文说明 (602)电力建设施工质量验收及评定规程第1部分:土建工程DL/T 5210.1-2005前言DL/T 5210《电力建设施工质量验收及评定规程》分九个部分:——第一部分:土建工程——第二部分:锅炉——第三部分:汽轮机——第四部分:热工仪表及控制装置——第五部分:管道——第六部分:水处理及制氢装置——第七部分:焊接——第八部分:加工配制——DL/T 5161.17—2002电气装置安装工程质量检验及评定规程本部分是DL/T 5210的第一部分,是根据国家发展改革委员会《关于下达2004年行业标准项目计划的通知》(发改办工业[2004]872号)文的要求编制的。
本部分编制的主要依据是:现行国家有关工程质量的法律、法规、管理标准、技术标准、电力行业有关标准和相关行业标准,并参考了原电力工业部标准《火电施工质量检验用及评定标准第一篇土建工程篇》(建质[1994]114号)的内容。
本部分共10章及5个规范性附录和3个资料性附录,主要技术内容包括范围、规范性引用文件、总则、质量验收及评定范围、通用工程、热力系统土建工程、燃料供应系统土建工程、除灰渣系统土建工程、供水及水处理系统土建工程、电气系统土建工程。
自本部分实施之日起,原电力工业部标准《火电施工质量检验及评定标准第一篇土建工程篇》(建质[1994]114号)同时废止。
电力建设施工质量验收及评价规程第1部分土建工程项目实际案例及配套表格DLT5210.1-2012一、电力工程项目实际案例二、电力全套总表工程质量报验单表号:GZL09 编号:0100-08-05-01-01-01-02本表一式伍份,由施工单位填报并存二份,查验后,连同附件,建设单位及工程部、项目监理单位各存一份。
本表一式伍份,由施工单位填报并存二份,查验后,连同附件,建设单位及工程部、项目监理单位各存一份。
具体验收记录表参见《电力建设施工质量验收及评定规程》。
土方开挖分项工程质量验收记录表3.0.12-2 编号:0100-08-05-01-01-01-02工程质量报验单表号:GZL09 编号:0100-08-05-01-01-01-03本表一式伍份,由施工单位填报并存二份,查验后,连同附件,建设单位及工程部、项目监理单位各存一份。
本表一式伍份,由施工单位填报并存二份,查验后,连同附件,建设单位及工程部、项目监理单位各存一份。
具体验收记录表参见《电力建设施工质量验收及评定规程》。
土方回填分项工程质量验收记录工程质量报验单表号:GZL09 编号:0100-08-05-01-01-07-01本表一式伍份,由施工单位填报并存二份,查验后,连同附件,建设单位及工程部、项目监理单位各存一份。
本表一式伍份,由施工单位填报并存二份,查验后,连同附件,建设单位及工程部、项目监理单位各存一份。
具体验收记录表参见《电力建设施工质量验收及评定规程》。
浆砌石基础分项工程质量验收记录表3.0.12-2 编号:0100-08-05-01-01-07-01工程质量报验单表号:GZL09 编号:0100-08-05-01-02-02-01本表一式伍份,由施工单位填报并存二份,查验后,连同附件,建设单位及工程部、项目监理单位各存一份。
本表一式伍份,由施工单位填报并存二份,查验后,连同附件,建设单位及工程部、项目监理单位各存一份。
具体验收记录表参见《电力建设施工质量验收及评定规程》。
表3.0.12-1 检验批质量验收记录表3.0.12-2 分项工程质量验收记录表3.0.12-3 分部(子分部)工程质量验收记录编号:注:除地基基础分部外,勘察单位可不参加。
表3.0.12-4 单位(子单位)工程质量竣工验收记录编号:表3.0.12-5 单位(子单位)工程质量控制资料核查记录编号:表3.0.12-6 单位(子单位)工程安全和功能检验资料核查及主要功能抽查记录编号:表3.0.12-7 单位(子单位)工程观感质量检查记录编号:表3.0.12-8 单位工程(烟囱)观感质量检查记录编号:表3.0.12-9 单位工程(冷却塔)观感质量检查记录编号:表3.0.12-10 单位工程(其它构筑物)观感质量检查记录编号:表3.0.12-11 单位(子单位)工程质量控制资料核查记录(适用于其它消防)编号:表3.0.12-12 单位(子单位)工程安全和功能检验资料核查及主要功能抽查记录(适用于其它消防)编号:表3.0.12-13 单位(子单位)工程观感质量检查记录(适用于其它消防)编号:表3.0.13-1 地基与基础分部(子分部)工程质量控制资料核查记录表3.0.13-2 主体结构分部(子分部)工程质量控制资料核查记录表3.0.13-3 建筑装饰装修分部(子分部)工程质量控制资料核查记录表3.0.13-4 建筑屋面分部(子分部)工程质量控制资料核查记录表3.0.13-5 建筑给排水及采暖分部(子分部)工程质量控制资料核查记录表3.0.13-6 建筑电气分部(子分部)工程质量控制资料核查记录表3.0.13-7 通风与空调分部(子分部)工程质量控制资料核查记录表3.0.13-8 电梯分部(子分部)工程质量控制资料核查记录表3.0.13-9 建筑智能化分部(子分部)工程质量控制资料核查记录表3.0.13-10 地基与基础分部(子分部)工程安全和功能检验资料核查及主要功能抽查记录表3.0.13-13 建筑装饰装修分部(子分部)工程安全和功能检验资料核查及主要功能抽查记录表3.0.13-14 建筑给排水及采暖分部(子分部)工程安全和功能检验资料核查及主要功能抽查记录表3.0.13-15 建筑电气分部(子分部)工程安全和功能检验资料核查及主要功能抽查记录表3.0.13-16 通风与空调分部(子分部)工程安全和功能检验资料核查及主要功能抽查记录表3.0.13-17 电梯分部(子分部)工程安全和功能检验资料核查及主要功能抽查记录表3.0.13-18 智能建筑分部(子分部)工程安全和功能检验资料核查及主要功能抽查记录表3.0.13-19 地基与基础分部(子分部)工程观感质量检查记录编号:表3.0.13-20 主体结构分部(子分部)工程观感质量检查记录编号:表3.0.13-21 建筑屋面分部(子分部)工程观感质量检查记录表3.0.13-24 建筑电气分部(子分部)工程观感质量检查记录表3.0.13-25 通风与空调分部(子分部)工程观感质量检查记录表3.0.13-26 电梯分部(子分部)工程观感质量检查记录表3.0.13-27 智能建筑分部(子分部)工程观感质量检查记录表3.0.14 施工现场质量管理检查记录。
DL / T 5210.1 —2012前言本部分是根据国家能源局“关于下达2009 年第一批能源领域行业标准制(修)订计划的通知”(国能科技[2009]163 号)的要求,经过广泛调查研究,认真总结实践经验,参考有关国际标准和国外先进技术,在广泛征求意见的基础上修订而成的。
DL/T 5210《电力建设施工质量验收及评价规程》分八个部分:——DL/T 5210.1 土建工程——DL/T 5210.2 锅炉机组——DL/T 5210.3 汽轮发电机组——DL/T 5210.4 热工仪表及控制装置——DL/T 5210.5 管道及系统——DL/T 5210.6 水处理及制氢设备和系统——DL/T 5210.7 焊接——DL/T 5210.8 加工配制本部分是DL/T 5210 的第1 部分:土建工程。
共有23 章,有关质量验收的内容设置11 章及3 个规范性附录和2 个资料性附录,有关质量评价的内容设置10 章。
本部分主要技术内容包括:1. 总则;2. 术语;3. 基本规定;4. 工程质量验收范围;5. 通用工程质量验收;6. 热力系统土建工程质量验收;7. 燃料供应系统土建工程质量验收;8. 除灰渣系统土建工程质量验收;9. 脱硫、脱硝土建工程质量验收;10. 供水及水处理系统土建工程质量验收;11. 电气系统土建工程质量验收;12. 附属生产设施土建工程质量验收;13. 厂前区公共福利及与厂址有关的土建单项工程质量验收;14. 质量评价基本规定;15. 质量评价框架体系;16. 质量评价内容;17. 基本评价方法;18. 地基及桩基工程质量评价;19. 结构工程质量评价;20. 屋面工程质量评价;21. 装饰装修工程质量评价;22. 建筑安装工程质量评价;23. 工程质量综合评价等。
本部分是在国家发展和改革委员会发布的DL/T 5210.1—2005《电力建设施工质量验收及评价规程第1 部分:土建工程》基础上修订的。
表3.0.12-1检验批质量验收记录表3.0.12-2分项工程质量验收记录表3.0.12-3分部(子分部)工程质量验收记录编号:注:除地基基础分部外,勘察单位可不参加。
表3.0.12-4单位(子单位)工程质量竣工验收记录编号:表3.0.12-5单位(子单位)工程质量控制资料核查记录编号:表3.0.12-6单位(子单位)工程安全和功能检验资料核查及主要功能抽查记录编号:表3.0.12-7单位(子单位)工程观感质量检查记录编号:表3.0.12-8单位工程(烟囱)观感质量检查记录编号:表3.0.12-9单位工程(冷却塔)观感质量检查记录编号:表3.0.12-10单位工程(其它构筑物)观感质量检查记录编号:注:观感质量检查内容可按附录A进行。
其它构筑物包括圆形煤场、灰库、防爆墙、综合支架等。
表3.0.12-11单位(子单位)工程质量控制资料核查记录(适用于其它消防)编号:表3.0.12-12单位(子单位)工程安全和功能检验资料核查及主要功能抽查记录(适用于其它消防)编号:表3.0.12-13单位(子单位)工程观感质量检查记录(适用于其它消防)编号:表3.0.13-1地基与基础分部(子分部)工程质量控制资料核查记录学习资料收集于网络,仅供参考表3.0.13-2主体结构分部(子分部)工程质量控制资料核查记录表3.0.13-3建筑装饰装修分部(子分部)工程质量控制资料核查记录表3.0.13-4建筑屋面分部(子分部)工程质量控制资料核查记录表3.0.13-5建筑给排水及采暖分部(子分部)工程质量控制资料核查记录表3.0.13-6建筑电气分部(子分部)工程质量控制资料核查记录表3.0.13-7通风与空调分部(子分部)工程质量控制资料核查记录表3.0.13-8电梯分部(子分部)工程质量控制资料核查记录表3.0.13-9建筑智能化分部(子分部)工程质量控制资料核查记录表3.0.13-10地基与基础分部(子分部)工程安全和功能检验资料核查及主要功能抽查记录表3.0.13-13建筑装饰装修分部(子分部)工程安全和功能检验资料核查及主要功能抽查记录表3.0.13-14建筑给排水及采暖分部(子分部)工程安全和功能检验资料核查及主要功能抽查记录表3.0.13-15建筑电气分部(子分部)工程安全和功能检验资料核查及主要功能抽查记录表3.0.13-16通风与空调分部(子分部)工程安全和功能检验资料核查及主要功能抽查记录表3.0.13-17电梯分部(子分部)工程安全和功能检验资料核查及主要功能抽查记录表3.0.13-18智能建筑分部(子分部)工程安全和功能检验资料核查及主要功能抽查记录表3.0.13-19地基与基础分部(子分部)工程观感质量检查记录编号:表3.0.13-20主体结构分部(子分部)工程观感质量检查记录编号:表3.0.13-21建筑屋面分部(子分部)工程观感质量检查记录表3.0.13-24建筑电气分部(子分部)工程观感质量检查记录表3.0.13-25通风与空调分部(子分部)工程观感质量检查记录表3.0.13-26电梯分部(子分部)工程观感质量检查记录表3.0.13-27智能建筑分部(子分部)工程观感质量检查记录表3.0.14施工现场质量管理检查记录。
表3.0.12-1检验批质量验收记录
表3.0.12-2分项工程质量验收记录
表3.0.12-3分部(子分部)工程质量验收记录
编号:
注:除地基基础分部外,勘察单位可不参加。
表3.0.12-4单位(子单位)工程质量竣工验收记录
编号:
表3.0.12-5单位(子单位)工程质量控制资料核查记录
编号:
表3.0.12-6单位(子单位)工程安全和功能检验资料
核查及主要功能抽查记录
编号:
表3.0.12-7单位(子单位)工程观感质量检查记录
编号:
表3.0.12-8单位工程(烟囱)观感质量检查记录
编号:
表3.0.12-9单位工程(冷却塔)观感质量检查记录
编号:
表3.0.12-10单位工程(其它构筑物)观感质量检查记录
编号:
表3.0.12-11单位(子单位)工程质量控制资料核查记录
(适用于其它消防)
编号:
表3.0.12-12单位(子单位)工程安全和功能检验资料核查及主要功能抽
查记录
(适用于其它消防)
编号:
表3.0.12-13单位(子单位)工程观感质量检查记录
(适用于其它消防)
编号:
表3.0.13-1地基与基础分部(子分部)工程质量控制资料核查记录
表3.0.13-2主体结构分部(子分部)工程质量控制资料核查记录
表3.0.13-3建筑装饰装修分部(子分部)工程
质量控制资料核查记录
表3.0.13-4建筑屋面分部(子分部)工程质量控制资料核查记录
表3.0.13-5建筑给排水及采暖分部(子分部)工程质量控制资料核查记录
表3.0.13-6建筑电气分部(子分部)工程质量控制资料核查记录
表3.0.13-7通风与空调分部(子分部)工程质量控制资料核查记录
表3.0.13-8电梯分部(子分部)工程质量控制资料核查记录
表3.0.13-9建筑智能化分部(子分部)工程质量控制资料核查记录
表3.0.13-10地基与基础分部(子分部)工程
安全和功能检验资料核查及主要功能抽查记录
表3.0.13-13建筑装饰装修分部(子分部)工程
安全和功能检验资料核查及主要功能抽查记录
表3.0.13-14建筑给排水及采暖分部(子分部)工程安全和功能检验资料核
查及主要功能抽查记录
表3.0.13-15建筑电气分部(子分部)工程
安全和功能检验资料核查及主要功能抽查记录
表3.0.13-16通风与空调分部(子分部)工程
安全和功能检验资料核查及主要功能抽查记录
表3.0.13-17电梯分部(子分部)工程
安全和功能检验资料核查及主要功能抽查记录
表3.0.13-18智能建筑分部(子分部)工程
安全和功能检验资料核查及主要功能抽查记录
表3.0.13-19地基与基础分部(子分部)工程观感质量检查记录
编号:
表3.0.13-20主体结构分部(子分部)工程观感质量检查记录
编号:
表3.0.13-21建筑屋面分部(子分部)工程观感质量检查记录
表3.0.13-24建筑电气分部(子分部)工程观感质量检查记录
表3.0.13-25通风与空调分部(子分部)工程观感质量检查记录
表3.0.13-26电梯分部(子分部)工程观感质量检查记录
表3.0.13-27智能建筑分部(子分部)工程观感质量检查记录
表3.0.14施工现场质量管理检查记录。