管道保温验收记录
- 格式:xls
- 大小:12.50 KB
- 文档页数:2
空调水管道隐蔽工程验收记录(立管保温前隐蔽)空调水管道隐蔽工程验收记录鲁TK—012 0 0 1 工程名称天元商务大厦施工单位天元建设集团有限公司分项工程名称冷热水系统安装监理(建设)单位济南中建建筑设计院环境温度25? 验收日期 2008.01.10 图号及管线号暖施-44 L1 L2 管径 DN20,80 数量 180m 材质无缝钢管、螺旋焊管接头形式焊接工作介质自来水防腐红丹防锈漆绝热离心玻璃棉管40、45 隐蔽方法: 简图及说明:立管系统1#保温绝热将保温棉管套在管道上,缠两道塑料布和玻璃丝布,压接紧密,与木砖等接缝处保温严密。
保温后,装饰工1、保温棉管规格如下:DN50-100保温棉厚度为40mm;DN125-300,保温棉厚度为45mm。
程吊顶 2、防潮层与绝热层紧密粘贴,环向搭接的缝口应朝向低端,纵向搭接缝位于管道侧面,并顺水。
3、水管穿楼板处,套管内保温棉填塞密实,管道与套管无接触;阀门等单独保温,并能单独拆卸。
4、外部金属保护壳应紧贴绝热层,接口的搭接应顺水,并有凸筋加强,采用自攻螺丝固定,螺钉间距匀称,并不得刺破防潮层,外表平整、美观。
验收结论施工单位监理(建设)单位试验人: 专业质量检查员: 项目专业技术质量负责人: 监理工程师:(建设单位项目专业技术负责人):(公章) (公章) 注:1、简图及说明应把坐标、标高、坡向、坡度及其他管线的相互关系等说明。
2、此表适应于给水、排水、采暖、通风、空调、消防等管道的隐蔽工程验收。
山东省建设工程质量监督总站监制空调水管道隐蔽工程验收记录鲁TK—012 0 0 2 工程名称天元商务大厦施工单位天元建设集团有限公司分项工程名称冷热水系统安装监理(建设)单位济南中建建筑设计院环境温度25? 验收日期 2008.01.14 图号及管线号暖施-44 L1 L2 管径 DN20,80 数量 180m 材质无缝钢管、螺旋焊管接头形式焊接工作介质自来水防腐红丹防锈漆绝热离心玻璃棉管40、45 隐蔽方法: 简图及说明:立管系统2#保温绝热将保温棉管套在管道上,缠两道塑料布和玻璃丝布,压接紧密,与木砖等接缝处保温严密。
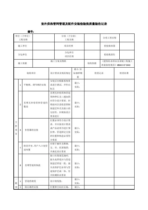
室外供热管网管道及配件安装分项工程检验批质量验收记录SN3.8.1
系统水压试验及调试分项工程质量验收记录统表2
游泳池水系统安装分项工程质量验收记录统表2
游泳池水系统安装工程检验批质量验收记录SN3.9.2
锅炉安装分项工程质量验收记录统表2
室外供热管网管道及配件安装分项工程检验批质量验收记录SN3.10.1
辅助设备及管道安装分项工程质量验收记录统表2
辅助设备及管道安装分项工程检验批质量验收记录SN3.10.2
安全附件安装分项工程质量验收记录统表2
锅炉安全附件安装工程检验批质量验收记录SN3.10.3
续表
烘炉、煮炉和试运行分项工程质量验收记录统表2
锅炉烘炉、煮炉和试运行检验批质量验收记录SN3.10.4
热换站安装分项工程质量验收记录统表2
换热站安装分项工程检验批质量验收记录SN3.10.5。
空调水管道隐蔽工程验收记录(立管保温前隐蔽)空调水管道隐蔽工程验收记录鲁TK—012 0 0 1 工程名称天元商务大厦施工单位天元建设集团有限公司分项工程名称冷热水系统安装监理(建设)单位济南中建建筑设计院环境温度25? 验收日期2008.01.10 图号及管线号暖施-44 L1 L2 管径DN20,80 数量180m 材质无缝钢管、螺旋焊管接头形式焊接工作介质自来水防腐红丹防锈漆绝热离心玻璃棉管40、45 隐蔽方法: 简图及说明:立管系统1#保温绝热将保温棉管套在管道上,缠两道塑料布和玻璃丝布,压接紧密,与木砖等接缝处保温严密。
保温后,装饰工1、保温棉管规格如下:DN50-100 保温棉厚度为40mm;DN125- 300,保温棉厚度为45mm。
程吊顶 2 、防潮层与绝热层紧密粘贴,环向搭接的缝口应朝向低端,纵向搭接缝位于管道侧面,并顺水。
3、水管穿楼板处,套管内保温棉填塞密实,管道与套管无接触; 阀门等单独保温,并能单独拆卸。
4、外部金属保护壳应紧贴绝热层,接口的搭接应顺水,并有凸筋加强,采用自攻螺丝固定,螺钉间距匀称,并不得刺破防潮层,外表平整、美观。
验收结论施工单位监理(建设)单位试验人: 专业质量检查员: 项目专业技术质量负责人: 监理工程师:(建设单位项目专业技术负责人):(公章)(公章)注:1 、简图及说明应把坐标、标高、坡向、坡度及其他管线的相互关系等说明。
2、此表适应于给水、排水、采暖、通风、空调、消防等管道的隐蔽工程验收。
山东省建设工程质量监督总站监制空调水管道隐蔽工程验收记录鲁TK—012 0 0 2 工程名称天元商务大厦施工单位天元建设集团有限公司分项工程名称冷热水系统安装监理(建设)单位济南中建建筑设计院环境温度25? 验收日期2008.01.14 图号及管线号暖施-44 L1 L2 管径DN20,80 数量180m 材质无缝钢管、螺旋焊管接头形式焊接工作介质自来水防腐红丹防锈漆绝热离心玻璃棉管40、45 隐蔽方法: 简图及说明:立管系统2#保温绝热将保温棉管套在管道上,缠两道塑料布和玻璃丝布,压接紧密,与木砖等接缝处保温严密。
管道基础检验批验收记录项目:xxxx工程施工单位:xxxx公司验收单位:xxxx监理公司一、项目概况本次验收的是xxxx工程的管道基础部分。
该工程位于xxxx地区,主要包括xxxx。
二、验收内容1.管道基础设计文件审核2.管道基础施工质量检查3.管道基础验收试验4.管道基础验收记录汇总三、验收过程1.管道基础设计文件审核验收单位对管道基础设计文件进行了仔细审核,包括基础设计图纸、施工方案、材料使用清单等。
设计文件内容合理且符合相关规范要求。
2.管道基础施工质量检查对管道基础施工过程中的关键节点进行了随机检查,包括基坑开挖、基础混凝土浇筑等。
施工单位按照设计要求进行作业,现场操作规范,施工质量良好。
3.管道基础验收试验根据设计文件要求,进行了管道基础验收试验。
试验内容包括基础地基承载力试验、基础混凝土强度检测等。
试验结果表明,基础地基承载力满足设计要求,基础混凝土强度合格。
4.管道基础验收记录汇总对以上验收内容进行了记录汇总,详细记录了设计文件审核情况、施工质量检查结果及管道基础验收试验结果。
验收记录中包括了每个环节的具体数据和相应的评价。
四、验收结论经过对管道基础的设计文件审核、施工质量检查和验收试验,结合验收记录,得出以下结论:1.管道基础的设计文件符合相关规范要求,满足工程实际需求。
2.管道基础的施工质量良好,按照设计要求进行了作业,施工现场整洁有序。
3.管道基础的验收试验结果合格,基础地基承载力满足设计要求,基础混凝土强度合格。
五、存在问题及建议通过本次验收过程,针对管道基础存在以下问题提出如下建议:1.需加强施工过程的监督和管理,确保按照设计文件要求施工。
2.在施工过程中,加强对材料的检查和验收,确保施工材料符合质量要求。
3.检查人员应加强对施工现场安全措施的检查,确保施工过程安全稳定。
六、验收人员1. 验收单位:xxxx监理公司2. 施工单位:xxxx公司附录:1.管道基础设计文件审核报告2.管道基础施工质量检查报告3.管道基础验收试验报告4.管道基础验收记录汇总表以上是本次管道基础检验批的验收记录。
管道保温分项验收记录一、项目概况本项目工程的管道保温工程分项工程,总包方委托保温施工单位进行管道保温施工工作。
为了确保施工质量和验收合格,特进行管道保温分项验收。
管道保温工程的主要任务是保证管道输送的介质在一定的温度下保持稳定,防止能量的损失。
二、验收时间本次管道保温分项验收于2024年XX月XX日开始,历时X天,验收地点为工程现场。
三、验收内容1.验收范围:本次验收涵盖了所有管道保温施工工程。
2.验收标准:根据相关国家标准和工程设计要求进行验收,确保施工质量符合规范要求。
四、验收人员1.验收单位代表:XX工程监理公司代表。
2.施工单位代表:XX保温施工公司代表。
3.委托方代表:总包方相关负责人。
4.相关项目管理人员。
五、验收过程1.验收准备:验收前,施工单位提供了相关的施工记录、保温材料证书、施工工艺流程等资料供验收单位查阅,并准备了相应的验收仪器和工具。
2.验收步骤:(1)对施工单位的施工记录进行审核,核对施工过程是否符合工程设计要求和施工规范。
(2)对保温材料进行抽样检测,保温材料的密度、导热系数等性能指标是否符合规范要求。
(3)检查施工工艺流程,核查保温施工的层次、厚度是否满足设计要求。
(4)对保温施工现场进行巡视,检查固定件的安装是否牢固,保温材料的接口是否严密。
(5)检查保温施工质量,对已施工完成的管道进行测温,判断保温效果是否满足设计要求。
(6)对施工单位提交的保温施工图纸进行评估,评估图纸质量是否满足工程实际要求。
3.验收记录:(1)施工记录审核结果:经过审核,施工记录符合工程设计要求和施工规范。
(2)保温材料抽样检测结果:经过检测,保温材料的密度、导热系数等性能指标符合规范要求。
(3)施工工艺流程检查结果:经过核查,保温施工的层次、厚度满足设计要求。
(4)保温施工现场巡视结果:经过巡视,固定件安装牢固,保温材料接口严密。
(5)保温施工质量检查结果:经过测温,保温效果满足设计要求。