广东美发师中级操作技能考核准备通知单(考场)05
- 格式:doc
- 大小:14.00 KB
- 文档页数:1
职业技能鉴定命题组卷技术要求一、电子文档结构报送的试卷应是Word格式保存的电子文档。
其中,理论试卷分正文试卷、参考答案与评分标准两个电子文档。
技能试卷笔试部分分正文试卷、参考答案与评分标准两个电子文档,现场操作试卷分考场准备通知单、考生准备通知单、试卷正文、考核评分记录表四个电子文档。
电子文档的排列结构如下:二、理论试卷的要求(一)题型与配分理论试卷实行百分制,采用非标准化命题形式。
试题可采用选择、判断、填空、简答、计算、论述等多种题型,总题量在501.职业标准是命题制卷的基本依据。
每份理论试卷应覆盖职业标准核心鉴定点的50%以上,鉴定范围的配分比重与职业标准中的比重表大体相当。
例如:金2.同一职业等级的每份试卷保持水平(难度、题型、题量)的一致。
3.同等级任意两份试卷的试题重复比重不超过10%,同职业高等级试卷覆盖低等级试卷的试题比重不超过15%。
4.卷内同一种题型不得出现相同鉴定点的试题。
不同试题间基本独立,不得上下关联甚至内容雷同。
5.填空题每题一空,答案意义相符即给分。
单项选择题采用4选1形式。
多项选择题统一采用4选n或5选n形式,待选项中至少2个选项有较强的干扰性。
6.文字准确、规范,清楚无歧义。
7.试卷中的插图如使用Word有困难,可采用其它方式。
三、技能试卷的要求技能试卷实行百分制。
技能试卷的笔试部分,内容以案例分析和方案设计为主,格式与理论试卷问答题、计算题基本相似。
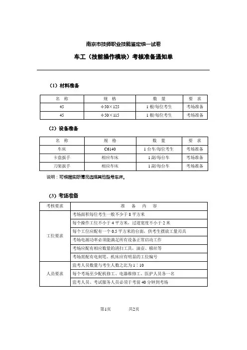
技能试卷的现场操作部分应包含以下各电子文档:1.考生准备通知单内容为考生需要准备的前提条件,如材料、工量具及其它准备条件列表,按试题列示。
不需要考生准备的则可省略考生准备通知单。
2.考场准备通知单内容为考场需要准备的前提条件,如场地、材料、工件、备料单、工量具、设备、电源等准备条件,按试题列示。
3.试卷正文内容为试题中的考核要求,包括试题、试题分值、考核时间、考核内容或技术标准、图表、图纸、图样(标注尺寸)和文字说明等。
职业技能鉴定考试维修电工中级(四级)操作技能考核考场准备维修电工中级操作技能考核准备通知单(考场) 准备要求:序号名称型号与规格单位数量备注 1 中、小型双速异步电动机自定台1安装、接线及调试的专用2 配套自定套 1 工具和仪表3 单相交流电源~ 220 V 和 36 V、5 A 处 14 三相四线电源~3×380/220 V、20 A 处 1验电笔、钢丝钳、螺钉旋具(一5 电工通用工具字形和十字形)、电工刀、尖嘴套 1钳、活扳手、剥线钳等6 万用表自定块 17 兆欧表台 1 500 V、0~200 MΩ8 钳形电流表 0~50 A 块 1 9 黑胶布自定卷 1 10 透明胶布自定卷 1 11 圆珠笔自定支 1 12 演草纸 A4或B5或自定张 2 13 劳保用品绝缘鞋、工作服等套 1准备要求:序号名称型号与规格单位数量备注60千瓦以下直流电动1 自定台 1 机2 故障检修专用工具配套自定套 1故障排除专用材料、备3 配套自定套 1 件及测试仪表4 助手配初级工助手人 15 直流电源配套自定套 1验电笔、钢丝钳、螺钉旋具(一6 电工通用工具字形和十字形)、电工刀、尖嘴套 1钳、活扳手、剥线钳等7 万用表自定块 1 8 兆欧表 500 V、0~200 MΩ 台 1 9 圆珠笔自定支1 10 劳保用品绝缘鞋、工作服等套 104GS20000000-60706050440001 第1页共2页维修电工中级操作技能考核准备通知单(考场)准备要求:序号名称型号与规格单位数量备注 1 接地装置处 12 接地电阻测量仪 ZC-8 台 1 包括探针、连接导线等附件3 铁榔头把 1准备要求:序号名称型号与规格单位数量备注 1 劳保用品绝缘鞋、工作服等套1 2 安全设施配套自定套 104GS20000000-60706050440001 第2页共2页。
试题1-1#、三相绕线转子异步电动机启动电路的
安装与调试
(2)工具准备单
试题1-2#、三相绕线转子异步电动机回路串频敏变阻器自动启动控制电路的安装与调试
试题1-3#、M2在MI点动运行后定时启动的电气控制线路的安装与调试
试题1-4井、三台三相交流异步电动机顺序启动控制电路的安装与调试
试题1-5#、两台三相交流异步电动机顺序启停控制线路的安装与调试
试题1-6#、两台三相异步电动机同时起动,延时停止控制线路的安装与调试
试题1-7#、滑台两点位置控制电路的安装与调试
试题1-8#、三相交流异步电动机四点限位控制电路的安装与调试
试题1-9升、液压控制机床滑台运动的电气控制线路安装与调试
(2)工具准备单。
广东省职业技能等级认定试卷
汽车维修工(汽车车身涂装修复)技能等级认定
中级技能考核试卷
准备通知单(考场)样卷
试题1:
①本题分值:30分
②考核时间:60min
③考核形式:实操
④设备设施准备:
说明:以上表格清单是1个考核工位所需设备设施数量。
各考核点可根据考核人数和实际条件准备若干个考核工位。
试题2:
①本题分值:20分
②考核时间:60min
③考核形式:实操
干个考核工位。
试题3:三选一
①本题分值:40分
②考核时间:90min
③考核形式:实操
④设备设施准备:项目一:
说明:以上表格清单是1个考核工位所需设备设施数量。
各考核点可根据考核人数和实际条件准备若干个考核工位。
项目二:
说明:以上表格清单是1个考核工位所需设备设施数量。
各考核点可根据考核人数和实际条件准备若干个考核工位。
说明:以上表格清单是1个考核工位所需设备设施数量。
各考核点可根据考核人数和实际条件准备若干个考核工位。
试题4:
①本题分值:10分
②考核时间:30min
③考核形式:实操
说明:以上表格清单是1个考核工位所需设备设施数量。
各考核点可根据考核人数和实际条件准备若干个考核工位。
广东省职业技能等级认定试卷商业摄影师技能等级认定中级工技能考核试卷准备通知单(考场)05重要提示一、本次技能考核拍摄相关项目所列设备及物料准备清单主要针对单项目、单人次轮流按顺序考核而定,在相关项目考核前应按要求准备好。
二、本次技能考核所有拍摄项目所需的设备,在实施时会因为考核过程的差异有所不同,所以在实施技能考核前,考核负责单位应根据考场设施面积、考生总人数、考核相关工作人员数量来设计考核过程,并在考核实施前充分咨询考评员的意见。
三、拍摄考核物料的准备,主要物体类型尽量不要变动,如需道具可在准备期咨询考评员。
四、摄影后期在电脑机房进行考核,可根据考生人数情况及设施条件选择是否统一进行,还是衔接拍摄项目考核连续进行。
五、本次技能考核关于拍摄项目的考核可根据条件设计不同实施方案。
下列方案仅供参考:1.分两阶段轮流按顺序进行考核,每一阶段考核两个项目,但证件照作为第一考核项目。
每一阶段,考生依考核顺序进场,连续完成两个项目的考核。
2.考场在同一场地空间分设两个影棚,每个影棚使用面积须有约4m*7m或以上,每个影棚需在醒目位置标示考核项目内容,并配备至少一名考评人员及必要的设施设备。
开考时,由一名考务人员在备考场地核对考生信息并指引考生按顺序进场,考生进场后由一名考评人员回收试卷和评分记录表,并按考核顺序号发放相机存储卡,指示考核开始并同步计时,计时完成前30秒,考评员须提醒一次考生,计时完成但考生未完成,可延迟不超过2分钟,但须将相应情况如实填写在该考生的评分记录表上。
3.所有考生完成第一阶段两个考核项目的考核后,可休息十分钟,待考评员准备好影棚设备及相关物料,便可按顺序进行第二阶段的考核,考场控制参照第一阶段进行。
4.若考生总人数为30人,上述方案至少需要考核现场工作人员3人,完成本次拍摄项目的考核时间约为330分钟。
5.若场地空间许可设置四个影棚,采用考生一次进场、依次完成四个项目的考核方案,完成30人考核需时约160-170分钟。
广东省职业技能等级认定统一试卷网络与信息安全管理员技能等级认定三级技能考核样卷准备通知单(考场)00X试题1:①本题分值:15 分②考核时间:20 min③考核形式:实操试题2:①本题分值:15 分②考核时间:15 min③考核形式:实操试题3:①本题分值:10 分②考核时间:15 min③考核形式:实操④设备设施准备:试题4:①本题分值:10 分②考核时间:15 min③考核形式:实操④设备设施准备:试题5:①本题分值:15 分②考核时间:15 min ③考核形式:实操 试题6:①本题分值:5 分 ②考核时间:10 min ③考核形式:实操 ④设备设施准备:试题7:①本题分值:15 分 ②考核时间:15 min ③考核形式:实操 ④设备设施准备:试题8:①本题分值:15 分 ②考核时间:15 min ③考核形式:实操广东省职业技能鉴定统一试卷网络与信息安全管理员技能等级认定三级技能考核试卷准备通知单(考生)00X试题1:①本题分值:15 分②考核时间:20 min③考核形式:实操④工具及其他准备:无,使用考场准备的电脑进行答题。
试题2:①本题分值:15 分②考核时间:15 min③考核形式:实操④工具及其他准备:无,使用考场准备的电脑进行答题。
试题3:①本题分值:10 分②考核时间:15 min③考核形式:实操④工具及其他准备:无,使用考场准备的电脑进行答题。
试题4:①本题分值:10 分②考核时间:15 min③考核形式:实操④工具及其他准备:无,使用考场准备的电脑进行答题。
试题5:①本题分值:15 分②考核时间:15 min③考核形式:实操④工具及其他准备:无,使用考场准备的电脑进行答题。
试题6:①本题分值:5 分②考核时间:10 min③考核形式:实操④工具及其他准备:无,使用考场准备的电脑进行答题。
试题7:①本题分值:15 分②考核时间:15 min③考核形式:实操④工具及其他准备:无,使用考场准备的电脑进行答题。
广东省职业技能等级认定试卷动画制作员技能等级认定中级技能考核试卷准备通知单(考场)01试题1:老年人杵着拐杖走路按照规定的动作,以二维或三维动画制作技术,设计动画并制作输出成不少于15秒的动画视频。
试题1:①本题分值: 100 分②考核时间: 240 分钟③考核形式:实操④设备设施准备:说明:考场在实施考核时,应准备符合考试要求的电脑,确保考生人手一台。
最低配置:处理器英特尔i5以上,内存16G以上,独立显卡显存2G以上,硬盘500G,19寸LCD显示器。
广东省职业技能等级认定试卷动画制作员技能等级认定中级技能考核试卷准备通知单(考生)01试题1:老年人杵着拐杖走路按照规定的动作,以二维或三维动画制作技术,设计动画并制作输出成不少于15秒的动画视频。
试题1:①本题分值: 100 分②考核时间: 240 分钟③考核形式:实操④设备设施准备:绘图板以及驱动程序⑤绘图工具广东省职业技能等级认定试卷动画制作员技能等级认定中级技能考核试卷准备通知单(考场)02试题2:农夫拉着车在乡间小路上走着按照规定的动作,以二维或三维动画制作技术,设计动画并制作输出成不少于15秒的动画视频。
试题2:①本题分值: 100 分②考核时间: 240 分钟③考核形式:实操④设备设施准备:说明:考场在实施考核时,应准备符合考试要求的电脑,确保考生人手一台。
最低配置:处理器英特尔i5以上,内存16G以上,独立显卡显存2G以上,硬盘500G,19寸LCD显示器。
广东省职业技能等级认定试卷动画制作员技能等级认定中级技能考核试卷准备通知单(考生)02试题2:农夫拉着车在乡间小路上走着按照规定的动作,以二维或三维动画制作技术,设计动画并制作输出成不少于15秒的动画视频。
试题2:①本题分值: 100 分②考核时间: 240 分钟③考核形式:实操④设备设施准备:绘图板以及驱动程序⑤绘图工具广东省职业技能等级认定试卷动画制作员技能等级认定中级技能考核试卷准备通知单(考场)03试题3:上班族的小年轻急匆匆的走在上班路上按照规定的动作,以二维或三维动画制作技术,设计动画并制作输出成15秒的动画视频。
职业技能鉴定国家题库试卷
美发师中级操作技能考核准备通知单(考场)05
试题1、
卷杠工具:卷发杠(50~60支)、卷发纸(50~60张)、尖尾梳1把。
试题2、
彩染工具:染膏、双氧奶、染发碗、围布。
试题3、
准备要求:
(1)辅助工具:毛巾、围布、喷水壶。
(2)修剪工具:美容剪、剪发梳、电推剪、锯齿、剪、削刀。
(3)造型工具:吹风机及各种梳刷。
(4)造型饰品:喷发胶、摩丝、发蜡等。
试题4、
准备要求:
(1)辅助用品:毛巾、围布、喷水壶及一定数量的发卡。
(2)造型工具:吹风机及各种梳刷。
(3)造型饰品:假发、装饰品、喷发胶、摩丝等。
试题5、
准备要求:
(1)辅助工具:毛巾、围布、喷水壶。
(2)修剪工具:美容剪、剪发梳、电推剪、锯齿、剪、削刀。
(3)造型工具:吹风机及各种梳刷。
(4)造型饰品:喷发胶、摩丝、发蜡等。
试题6、
准备要求:
(1)辅助工具:毛巾、围布、喷水壶。
(2)修剪工具:美容剪、剪发梳、电推剪、锯齿、剪、削刀。
(3)造型工具:吹风机及各种梳刷。
(4)造型饰品:喷发胶、摩丝、发蜡等。
备注:本准备通知单暂不设主材料。
07GS19000000-40704020040001 第1页共1页。