VRV空调系统冷媒管安装施工方案(end)
- 格式:doc
- 大小:661.00 KB
- 文档页数:17
VRV空调系统冷媒管安装施工工法工法编号:RJGF(闽)—07—2010完成单位:中建七局第三建筑有限公司主要完成人:吴志鸿周国章柯友才王礼华1 前言VRV(Variable Refrigerant Volume-可变冷媒容量)空调系统因其高效、环保、设置灵活、节能的特性,在工程建设中得到越来越多的应用。
为了使VRV空调系统冷媒管道施工工艺规范化、标准化,我公司在工程实践的基础上经过不断研究、探索,编制了本工法。
2 特点2.0.1冷媒铜管之间采用专用胀管器胀管后充氮保护钎焊连接,管道连接紧密,焊缝严实,管道长度设置灵活,施工方便。
2.0.2铜管与设备之间采用专用扩口器扩口后螺纹连接,扩口尺寸与螺纹配合紧密误差小,连接可靠,有效减少泄漏。
2.0.3采用专用分支接头和端管,提高施工效率并有利于冷媒分配。
2.0.4施工工艺程序化、规范化、工效高,工程质量和安全容易控制。
3 适用范围本工法适用于民用建筑VRV空调系统中的冷媒铜管系统施工。
4 工艺原理冷媒铜管通过专用胀管及扩口工具加工管道接头,并在管内通入氮气进行保护焊接。
焊接采用氧气乙炔火焰加热铜管并利用铜管本身热量熔化钎料,依靠润湿和毛细管作用向接口间缝隙渗透形成焊缝。
5 施工工艺流程及操作要点5.1 工艺流程VRV空调系统冷媒管施工工艺流程:施工准备→铜管加工→钎焊连接→铜管敷设→管道冲洗→气密试验→管道保温→真空干燥→冷媒追加→调试运行5.2 操作要点5.2.1施工准备:1现场核对:安装前首先核对图纸,检查管道布置是否与结构及其它专业管道交叉、矛盾;核对管道预埋件、支架、套管的位置、标高是否正确。
2预留孔洞:在主体施工阶段,根据设计图纸在管道穿板处采用UPVC或钢套管预留孔洞,穿墙穿梁处则预埋钢套管。
孔洞大小为保温后的外径大两号。
3安装套管:管道穿墙穿板处应设置钢套管。
套管管径比保温后的管外径大两号。
穿墙套管应与墙体装饰面平齐,穿楼板套管应与楼板底面平齐,穿楼板套管高出装饰地面5㎝。
目录第一章工程及专业概况 (3)1.1工程概况 (3)1.2专业概况 (3)第二章编制目的及依据 (4)2.1编制目的 (4)2.2编制依据 (4)第三章冷媒管安装特点和原理: (4)第四章施工工艺流程及操作要点 (5)4.1 工艺流程 (5)4.2 操作要点 (5)第五章材料与设备 (18)5.1 材料 (18)5.2 主要设备表 (19)第七章安全措施: (21)第八章施工人员计划和工期计划 (21)8.1、施工人员安排 (21)8.2、工期安排 (22)第九章环保措施 (22)第一章工程及专业概况1.1工程概况1.1.1工程名称:营口开发区奥体中心—体育场1.1.2工程地点:辽宁省营口市鲅鱼圈区1.1.3建设单位:营口市熊岳城市建设发展有限公司1.1.4设计单位:同济大学建筑设计研究院(集团)有限公司1.1.5监理单位:营口经济技术开发区建设监理有限公司1.1.6施工单位:南通建筑工程总承包有限公司1.1.7工程概况:营口开发区奥体中心—体育场总建筑面积约62430平方米,观众座位约25266个,内场设有标准400米跑道及足球场,可满足各项田径比赛要求。
比赛场地为东、西、北看台,南侧为酒店,地上4层,建筑高度为37.327米(结构最高点),属于中型乙级体育场。
考虑到场馆的赛后利用,体育场在东看台和南看台下部一层设有商业开发用房,面积约为8000平方米,用作商业开发、健身、休闲、娱乐、购物等综合功能。
1.2专业概况本工程为营口开发区奥体中心-体育场通风与空调工程。
体育场建筑面积约为62430m2。
其中室内空调面积约为22498m2;空调总冷负荷为3478kW;其中东、西看台三层包厢采用多组26~38HP的变冷媒流量多联空调机组(制冷量共359kW)作为空调系统的冷源,室外机置于四层卫生间屋面平台。
第二章编制目的及依据2.1编制目的本方案为营口奥体中心-体育场VRV空调系统冷媒管施工方案,是保证施工安全、提高施工质量、提高功效的文件。
VRV空调系统冷媒管安装施工方案
冷媒管材质选择:
冷媒管的材质选择应符合国家相关标准,一般可采用铜管或者铝管,较大功率和长管距情况下,可以选择铜铝复合管。
冷媒管径选择:
冷媒管径的选择应根据空调系统的冷负荷来确定。
一般来说,小型VRV空调系统的冷媒管径可选择9.52mm的铜管,大型VRV空调系统的冷媒管径则可选择12.7mm或者15.88mm的铜管。
冷媒管走线选择:
冷媒管的固定及防护:
冷媒管在安装过程中应进行固定,通常可以使用固定卡夹或者张力绳进行固定。
冷媒管与建筑结构的摩擦应得到一定的防护,以避免损坏冷媒管。
可以在冷媒管周围使用防护套进行保护。
冷媒管的连接:
冷媒管的连接通常采用软连接方式,可通过软管和接头进行连接。
确保冷媒管的连接牢固可靠,不漏氟。
冷媒管的绝热:
冷媒管在安装过程中应进行绝热处理,以减少冷媒管的能量损失。
可以使用专用的绝热材料进行包覆,如橡胶保温带或者泡沫保温材料。
冷媒管的真空抽真:
在冷媒管安装施工完成后,应进行真空抽真处理。
真空抽真可以有效去除冷媒管中的杂质和湿气,保证冷媒管的流通畅通,提高系统的效率。
以上是一种适用于VRV空调系统的冷媒管安装施工方案。
在实际工程中,应根据具体情况进行合理调整和安排,以确保冷媒管的安装质量和系统的性能。
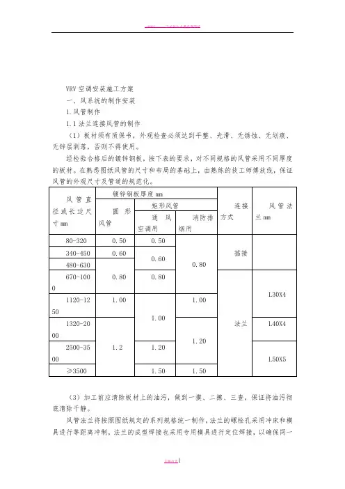
VRV空调安装施工方案一、风系统的制作安装1.风管制作1.1法兰连接风管的制作(1)板材须有质保书,外观检查必须达到平整、光滑、无锈蚀、无划痕、无锌层剥落,否则不得使用。
经检验合格后的镀锌钢板,按下表的要求,对不同规格的风管采用不同厚度的板材。
在熟悉图纸风管的尺寸和布局的基础上,由熟练的技工师傅放线,保证(3)加工前应清除板材上的油污,做到一摸、二擦、三查,保证将油污彻底清除干静。
风管法兰将按照图纸规定的系列规格统一制作,法兰的螺栓孔采用冲床和模具进行等距离冲制,法兰的成型焊接也采用专用模具进行定位焊接,以确保同一规格的风管法兰具有互换性。
法兰的加工除边长(或直径)按规范要求外,还应严格做到:法兰组件焊对缝平整度错口不大于0.5mm,铆钉孔间距不大于100mm,(螺孔间距不大于120mm),孔距准确,应具有互换性。
焊渣、焊接飞溅物、浮锈应彻底清除干净。
钢板开料后,由熟练铆工进行压加强筋、咬口、折弯等工序进行风管的制作。
制作成形后,将法兰固定于风管两端,并在两法兰面平行时,将法兰在风管上铆固。
风管与法兰的共同制作关键点是材料开料的准确和制作场地的平整性要求要水平,制作好的风管有得有扭曲或倾斜。
风管制作好后根据系统进行编号。
组装要按规定进行检验和编号,才能交付安装。
风管、部件、配件、半成品组合,应先将咬口处污物清除干净,组合铆接后,采用涂胶或焊锡堵塞缝隙和孔洞。
翻边宽度一致,应大于6mm,但不得过大,以免遮盖住螺孔,影响连接紧密性,不平整度小于1mm。
风管法兰在制作过程中要求进行校正,不得采用不直角角铁。
风管连接垫层,用d=3mm橡胶板。
矩形镀锌钢板风管应采用咬接或铆接,法兰螺栓及铆钉的间距,低压和中压系统风管应小于或等于150mm;高压系统风管应小于或等到于100mm。
矩形法兰的四角应设螺孔。
当三通长边>1000mm时,三通采用分流板加固。
柔性短管制作选用软橡胶板或优质人造革,制作时要求内壁光滑,纵缝胶合平整,不得有孔洞或漏胶缝隙。
VRV空调施工方案
第一节施工前准备
施工注意要点
常用材料及工具
常用工具铜管
冷凝水管保温材料,橡塑保温,难燃B1级;
VRV多联系统的信号线类型:双芯软线,
分歧管
线径:0.75~1.25mm2
对于符合3C认证的设备,应采用屏蔽线
卡箍类型:使用金属或PVC卡箍吊杆类型:设备采用M10,管道采用M8全螺
纹丝杆吊装
割刀
材料放置在干燥、清洁的地方,注意摆放
整齐
采用R410A专用扩口器时,铜管口与扩口器夹具口水平对齐采用原扩口器扩R410A铜管时,铜管口比R22铜管多伸出0.5~1mm
弯管器,在铜管的弯管时,可以根据需要的角度以及长度进行自由的调整。
涨管器,胀管器使用于相同管径的铜管连接时,扩大铜管的内径,再插入同管径的铜管,进行焊接。
压力表双岐管
真空泵
第二节空调设备的施工施工注意要点
安装膨胀螺栓
室内机的吊装与固定
室外机的安装
室外机的配管要求
第三节配管施工作业
冷媒管施工注意要点
冷媒配管作业
割管作业去除毛边作业
涨管
相同管径的铜管焊接时,应使用胀管器或铜管接头,不能采用扩口对接的方式
第四节冷媒系统作业
冷媒系统作业施工注意要点
3 充填冷媒时需使用电子测量仪器,确保加液量
第五节配线施工配线工程施工注意点
第六节系统试运转调试流程。
目录第一章工程及专业概况 (3)1.1工程概况 (3)1.2专业概况 (3)第二章编制目的及依据 (4)2.1编制目的 (4)2.2编制依据 (4)第三章冷媒管安装特点和原理: (4)第四章施工工艺流程及操作要点 (5)4.1 工艺流程 (5)4.2 操作要点 (5)第五章材料与设备 (19)5.1 材料 (19)5.2 主要设备表 (20)第七章安全措施: (23)第八章施工人员计划和工期计划 (23)8.1、施工人员安排 (23)8.2、工期安排 (24)第九章环保措施 (24)第一章工程及专业概况1.1工程概况1.1.1工程名称:营口开发区奥体中心—体育场1.1.2工程地点:辽宁省营口市鲅鱼圈区1.1.3建设单位:营口市熊岳城市建设发展有限公司1.1.4设计单位:同济大学建筑设计研究院(集团)有限公司1.1.5监理单位:营口经济技术开发区建设监理有限公司1.1.6施工单位:南通建筑工程总承包有限公司1.1.7工程概况:营口开发区奥体中心—体育场总建筑面积约62430平方米,观众座位约25266个,内场设有标准400米跑道及足球场,可满足各项田径比赛要求。
比赛场地为东、西、北看台,南侧为酒店,地上4层,建筑高度为37.327米(结构最高点),属于中型乙级体育场。
考虑到场馆的赛后利用,体育场在东看台和南看台下部一层设有商业开发用房,面积约为8000平方米,用作商业开发、健身、休闲、娱乐、购物等综合功能。
1.2专业概况本工程为营口开发区奥体中心-体育场通风与空调工程。
体育场建筑面积约为62430m2。
其中室内空调面积约为22498m2;空调总冷负荷为3478kW;其中东、西看台三层包厢采用多组26~38HP的变冷媒流量多联空调机组(制冷量共359kW)作为空调系统的冷源,室外机置于四层卫生间屋面平台。
第二章编制目的及依据2.1编制目的本方案为营口奥体中心-体育场VRV空调系统冷媒管施工方案,是保证施工安全、提高施工质量、提高功效的文件。
目录第一章工程及专业概况 (3)1.1工程概况 (3)1.2专业概况 (3)第二章编制目的及依据 (4)2.1编制目的 (4)2.2编制依据 (4)第三章冷媒管安装特点和原理: (4)第四章施工工艺流程及操作要点 (5)4.1 工艺流程 (5)4.2 操作要点 (5)第五章材料与设备 (19)5.1 材料 (19)5.2 主要设备表 (20)第七章安全措施: (23)第八章施工人员计划和工期计划 (23)8.1、施工人员安排 (23)8.2、工期安排 (24)第九章环保措施 (24)第一章工程及专业概况1.1工程概况1.1.1工程名称:营口开发区奥体中心—体育场1.1.2工程地点:辽宁省营口市鲅鱼圈区1.1.3建设单位:营口市熊岳城市建设发展有限公司1.1.4设计单位:同济大学建筑设计研究院(集团)有限公司1.1.5监理单位:营口经济技术开发区建设监理有限公司1.1.6施工单位:南通建筑工程总承包有限公司1.1.7工程概况:营口开发区奥体中心—体育场总建筑面积约62430平方米,观众座位约25266个,内场设有标准400米跑道及足球场,可满足各项田径比赛要求。
比赛场地为东、西、北看台,南侧为酒店,地上4层,建筑高度为37.327米(结构最高点),属于中型乙级体育场。
考虑到场馆的赛后利用,体育场在东看台和南看台下部一层设有商业开发用房,面积约为8000平方米,用作商业开发、健身、休闲、娱乐、购物等综合功能。
1.2专业概况本工程为营口开发区奥体中心-体育场通风与空调工程。
体育场建筑面积约为62430m2。
其中室内空调面积约为22498m2;空调总冷负荷为3478kW;其中东、西看台三层包厢采用多组26~38HP的变冷媒流量多联空调机组(制冷量共359kW)作为空调系统的冷源,室外机置于四层卫生间屋面平台。
第二章编制目的及依据2.1编制目的本方案为营口奥体中心-体育场VRV空调系统冷媒管施工方案,是保证施工安全、提高施工质量、提高功效的文件。
第十一节、VRV空调工程VRV主要施工工艺及技术措施一、空调工程施工工艺1、空调系统管道及设备安装(1)冷媒管安装1)冷媒管管径大于20mm时,支吊架的间距不应大于1.5m;冷媒管管径小于20mm时,支吊架的间距不应大于1m。
2)铜管切割必须采用专用切割刀具,避免管口产生毛刺。
3)必须保证冷媒管内的清洁干燥、需用氮气吹净。
4)为避免空气里杂质对冷媒管的氧化作用,在采用钎焊时应对冷媒管用氮气吹净,使用氮气替换冷媒管内的空气。
5)在冷媒管与设备连接时,应对冷媒管进行包扎封盖,防止水份、脏物或灰尘等杂质进入冷媒管内。
6)封盖冷媒管可采用未端钎焊的方法或PVC带子包扎的方法。
7)冷媒管必须选用满足JIS标准要求的去氢磷铜无缝管。
8)冷媒管的钎焊方法应采9)取向下或水平侧向进行,应尽可能避免仰焊。
10)液管和气管端管必须注意装配方向和角度,以免油的回流或积蓄。
11)冷媒管的联接形式可采用扩口联接和法兰联接。
12)冷媒管道的长度不得超过300m。
13)室外机高于室内机时最大高度差不得超过50m。
14)室内机高于室外机时最大高度差不得超过40m。
15)室内机相互之间最大高度差不得超过15m。
16)系统第一级分支距最远室内机的最远距离不得超过40m。
(2)室外机的安装1)有关设备要汇同有关人员共同对设备进行开箱点件,办理移交手续。
2)检查设备在运输过程中是否受到损伤。
3)检查设备尺寸和基础预留尺寸是否相符,确认无误后按土建预留标记对基础标高和中心线进行确认划线。
4)设备二次搬运过程中一定要避免损伤。
5)室外机务必固定牢固,室外机与基础垫橡胶减振,室外机的位置应便于维护。
6)为便于室外机散热及减少噪音传播方向,室外机风扇吹出侧背向建筑立面。
7)室外机的吊装需争取总包及甲方的支持,提供塔吊或室外施工设备。
(3)室内机安装1)安装前核对设备型号。
2)悬挂室内机的吊架要稳定牢固。
3)留下足够的安装空间以供检修,检修口应不小于450*450mm。
VRV变频空调冷媒铜管焊接施工工艺大金VRV系统的安装调试详细的规范大金(VRV)Variable Refrigerant Volume 可变冷媒量,变频控制直接冷媒空调系统。
随着楼房环境质量的不断提高和楼房功能的日趋多样化,对空调系统灵活的扩展能力和空调性能的要求越来越高。
(VRV)Variable Refrigerant Volume 可变冷媒量,变频控制直接冷媒空调系统。
随着楼房环境质量的不断提高和楼房功能的日趋多样化,对空调系统灵活的扩展能力和空调性能的要求越来越高。
在VRV系统中使用新型润滑油控制系统来管理制冷机油,用于稳定冷媒量的新机械结构配备PID控制系统,新型的自动容量平衡回路能稳定冷媒环境的流量,使配管的长度最大可扩展到100米(PID=比例积分微分控制)可精确控制内机容量50%~130%,独立控制采用中央控制传输线将控制线集中在1根2芯公共配线上(超微传输系统)使安装更方便、快捷。
鉴于大金空调VRV变频控制中央空调的特殊之处,大金公司对VRV系统的安装调试有一套详细的规范,需安装人员严格遵守:1.室内机的安装对于天花板悬吊型室内机,每一种规格的包装箱内都有尺寸定位模板,借助尺寸定位模板,使用红外线定位仪确定室内机的位置。
安装室内机时必须严格保持室内机的水平状态。
否则将引起系统故障。
安装完毕后,必须留下足够的空间以备维修保养。
2.隐蔽工程必须严格遵守冷媒配管的三大原则,即干燥性,清洁性和气密性。
为了保证冷媒配管的清洁性,在焊接冷媒配管时,必须进行氮气的替换,即在焊接时,在冷媒管内部吹氮气,以去除冷媒管内部的氧化物。
3.隐蔽工程结束后,须进行气密实验,步骤如下:第一阶段:3kg/cm2加压保持3分钟以上第二阶段:12 kg/cm2加压保持3分钟以上第三阶段:28 kg/cm2加压保持24分钟以上若压力无变化,则气密性良好气密实验结束后,必须进行冷媒管道的真空干燥,以达到冷媒配管的干燥性。
目录1。
工程专项施工方案 (2)11.设备安装工艺介绍 (2)1。
2。
施工进度计划及保障措施 (11)1。
工程专项施工方案1.1。
设备安装工艺介绍1.1。
1、设备安装注意事项a. 搬运过程中,要注意对设备进行保护。
设备吊装时,吊装的绳索必须挂在设备的专用吊环上,不得将绳索捆绑在设备机壳、轴承及接管上。
与设备机壳接触的绳索,在棱角处垫上柔软材料,防止磨损机壳及绳索被切断.b. 施工中注意防电,电线应远离索具。
不能远离的,要对索具采取有效的保护措施.c. 设备从地面向楼层上吊装作业,必须在白天进行.吊装时做到信号明确,统一。
信号不明确不许作业.d. 进入施工现场应穿戴好安全防护用品。
e. 每件设备必须试吊,试吊离开地面100mm,经确认吊装无异常后方可进行正式起吊。
f. 施工作业区要做好安全防护,地面要设安全警戒区,围好警视带,并设专人看管。
1.1。
2、空调管路系统及设备安装1)冷媒管路安装➢冷媒管管径大于20mm时,支吊架的间距为1.5m;冷媒管管径大于10mm而小于20mm 时,支吊架的间距为1.2m;冷媒管管径小于10mm时,支吊架的间距为1。
0m➢铜管切割采用专用切割刀具,避免管口产生毛刺➢必须保证冷媒管内的清洁干燥,焊接时用氮气吹净➢为避免空气里杂质对冷媒管的氧化作用,在采用钎焊时应对冷媒管用氮气吹净,使用氮气替换冷媒管内的空气(氮气保护焊)➢在冷媒管未与设备连接时,应对冷媒管进行包扎封盖,防止水分、脏物或灰尘等杂质进入冷媒管内➢封盖冷媒管可采用末端钎焊的方法或PVC带子包扎的方法➢冷媒管必须选用满足JIS标准要求的去氢磷无缝紫铜管➢冷媒管的钎焊方法采取向下或水平侧向进行,尽可能避免仰焊➢液管和气管端管必须注意装配方向和角度,以免油的回流或积蓄➢冷媒管的联接形式采用扩口联接和法兰联接➢冷媒管道的长度不得超过100M➢室外机高于室内机时最大高度差不得超过50M➢室内机高于室外机时最大高度差不得超过40M➢室内机相互之间最大高度差不得超过15M➢系统第一级分支距最远室内机的最远距离不超过40M➢ 铜管焊接的工艺原理铜管钎焊连接是在焊接接头处加热,加入焊料溶解,依靠毛细作用将熔化的钎料吸入连接处完成钎焊连接。
VRV空调系统冷媒管防护敷设施工工法编制单位:***********************主要编制人:*** *** ** *** ***1 前言在VRV空调系统的使用中,经常遇见明装冷媒管道为提高观感质量用包扎胶带对保温后管道进行包裹,但由于包扎胶带和保温层长期阳光照射、雨雪侵蚀、施工交叉损坏等,不能满足创优做法需求,且已经影响到VRV空调系统的使用寿命。
冷媒管槽盒内或PVC-U管内敷设的施工技术具有施工简洁、成本低廉、结构牢固、检修便捷、成排成线等优点,是避免保温老化、管道被损坏的一种新方法。
由北京六建集团有限责任公司施工的北京市重点工程,“**”工程、及*****工程中通过VRV 空调系统冷媒管槽盒、PVC-U管内敷设施工技术的实践,大大改善了观感质量及防护效果并取得良好收益及一致好评。
为了规范此施工工艺、保障施工质量、推广施工技术特编此工法。
2 特点2.0.1操作简单、施工速度快、可适应各种气候的侵扰同时外形美观,具备防水、防火、防尘等特点,可提升工程质量,延长管道及保温使用寿命。
2.0.2结构简单、安装可靠易于日常维护及检修。
2.0.3施工工艺程序化、规范化、功效高,工程质量和安全容易控制。
2.0.4PVC-U管材连接不使用任何粘结剂且安装强度较高。
2.0.5成本低廉、自身重量轻、安装便捷、施工效率高。
2.0.6安装工艺合理,施工工序搭接紧凑可流水式作业,使得工序交叉窝工与工程质量返工现象得到扼制,既节约了人工,又减少了材料的浪费。
2.0.7材料可集中加工,节约材料降低成本。
3 适用范围VRV空调系统冷媒管槽盒内安装施工技术适用于室内外VRV空调系统冷媒管道的安装,PVC-U套管内安装施工技术仅适用于室内安装。
4 工艺原理4.0.1槽盒采用镀锌槽盒或防火槽盒,利用专用连接片连接,支吊架支撑,圆头方劲螺栓配防滑螺母固定。
4.0.2利用外装钢制槽盒(PVC-U套管)本身较大的刚度、不易变形等特点对VRV空调系统冷媒管道及外敷保温层进行多方面防护,延长使用寿命保障使用功能。
VRV空调系统冷媒管施工要求【摘要】VRV空调系统作为集变冷媒流量控制技术、变频控制技术等多种先进理念,满足用户对空调节能性、舒适性、美观性、可靠性及智能性的多重要求。
广泛用于办公、商业、制造及家具行业。
虽然VRV空调系统在节能、舒适等方面有很多优势,但如果在实际设计安装方面不加以重视,会直接影响使用效果,特别是冷媒管道施工方面不按照规范要求施工,将会使VRV空调系统的节能性、舒适性、可靠性大大降低。
本文重点阐述了VRV空调冷媒管道从设计到安装施工当中需注意的一些问题及施工要求,在此和大家分享一下,希望能给同行们提供参考和帮助。
【关键词】VRV空调冷媒管道的选型;冷媒管道的施工;冷媒管保温施工0.前言银行的营业网点除了必须提供安全可靠、快捷便利的金融业务外,美观舒适的装修环境和冬暖夏凉的室内温度也是非常重要的。
目前网点的空调系统一般采用大金的VRV空调系统,从设备本身的质量和功能来说,应该是能满足网点空调系统的使用要求的,但是在实际使用中,却存在室内空调温度达不到使用要求,经检查和分析原因,发现有些是设计问题(设计不够合理),有些是安装施工质量问题。
本文将主要涉及VRV空调系统的安装质量,特别是冷媒管道系统的施工方法及施工质量。
1.冷媒管道的选型首先,空调系统对冷媒管道的清洁要求和承压能力都很高。
VRV空调系统多选用R410a冷媒,冷媒管道一般选用磷酸脱氧无缝铜管,对管材的直径和厚度都有相应要求。
一般管径Φ22.2以下使用盘管,Φ22.2以上使用直管,具体尺寸要求如下:具体配管尺寸按照下游室内机容量指数进行选择:2.冷媒管道的施工2.1关于冷媒管的养护(1)冷媒管送到现场后,无论直管还是盘管,都要保证不变形、不折弯,两端口加盖盖子。
(2)冷媒管在未与室内机相连时应先进行封口。
(3)在冷媒管排管施工过程中,应将冷媒管的端口加盖并且用塑料袋包裹好。
2.2关于冷媒配管的管径尺寸和分支组件的选定(1)根据室内机的布局来确定分支接头或分支端管的数量。
目录第一章工程及专业概况 (2)1.1工程概况 (2)1.2专业概况 (2)第二章编制目的及依据 (2)2.1编制目的 (2)2.2编制依据 (2)第三章冷媒管安装特点和原理: (2)第四章施工工艺流程及操作要点 (3)4.1 工艺流程 (3)4.2 操作要点 (3)第五章材料与设备 (10)5.1 材料 (10)5.2 主要设备表 (10)第七章安全措施: (11)第八章施工人员计划和工期计划 (12)8.1、施工人员安排 (12)8.2、工期安排 (12)第九章环保措施 (12)第一章工程及专业概况1.1工程概况1.1.1工程名称:营口开发区奥体中心—体育场1.1.2工程地点:辽宁省营口市鲅鱼圈区1.1.3建设单位:营口市熊岳城市建设发展有限公司1.1.4设计单位:同济大学建筑设计研究院(集团)有限公司1.1.5监理单位:营口经济技术开发区建设监理有限公司1.1.6施工单位:南通建筑工程总承包有限公司1.1.7工程概况:营口开发区奥体中心—体育场总建筑面积约62430平方米,观众座位约25266个,内场设有标准400米跑道及足球场,可满足各项田径比赛要求。
比赛场地为东、西、北看台,南侧为酒店,地上4层,建筑高度为37.327米(结构最高点),属于中型乙级体育场。
考虑到场馆的赛后利用,体育场在东看台和南看台下部一层设有商业开发用房,面积约为8000平方米,用作商业开发、健身、休闲、娱乐、购物等综合功能。
1.2专业概况本工程为营口开发区奥体中心-体育场通风与空调工程。
体育场建筑面积约为62430m2。
其中室内空调面积约为22498m2;空调总冷负荷为3478kW;其中东、西看台三层包厢采用多组26~38HP的变冷媒流量多联空调机组(制冷量共359kW)作为空调系统的冷源,室外机置于四层卫生间屋面平台。
第二章编制目的及依据2.1编制目的本方案为营口奥体中心-体育场VRV空调系统冷媒管施工方案,是保证施工安全、提高施工质量、提高功效的文件。
VRV空调系统施工工艺1、工艺流程(1)冷媒水管道安装:安装准备→预制加工→卡架安装→管道焊接→试压→冲洗→防腐→保温→调试;(2)冷凝水管安装:安装准备→预制加工→卡架安装→ UPVC管道粘接→设备联接→灌水试验→通水冲洗→防结露保温。
2、管道安装(1)所有水管配件需做外观检查,所有阀门除作外观检查外,还需检查其动作是否正确、灵活、严密,不合格的严禁使用。
管道穿墙穿楼板处需设钢套管,套管内径应比保温层外径大20~30mm,套管内空隙应用超细玻璃棉等不燃材料填满。
墙体上套管与粉刷层齐平,楼板处套管应高于建筑层面30mm。
(2)坡度C.空调冷凝水管坡度需≥O.01,且不能上翻。
3、冷媒管焊接施工方法A.先进行铜管扩口,把铜管固定于操作台上,露出约15mm。
B.准备相应扩口工具,工具为上下不同直径的圆柱,中间为锥面。
C.把扩口工具敲入铜管到锥面2-3mm,敲入要保证垂直,确保孔的圆柱度,为铜管接入作准备。
D.用卡尺确认各部分尺寸,确保铜管无压扁、变形等。
E.将联接铜管插入长约10mm。
F.采用专用焊丝开始焊接。
4、冷媒管道安装完成要进行气密性试验。
冷凝水管道需做灌水试验。
5、室内机和室外机的安装(1)设备进场时应做开箱验收记录,核查与室外机有关的基础尺寸,与室内机有关的吊顶开孔尺寸。
安装前应研读使用说明书,按使用说明书和规范要求安装。
(2)安装室外机时应对机座进行找平,其纵、横水平度偏差均应不大于0.1/100为合格。
(3)设备的隔振:为防止设备运行时振动传递到其他部位,必须作好减振,减振设备由厂家提供。
(4)设备接管前应先清洗各出入口管道,合格后方能连接。
连接设备的管道和管件应单独作设备支架,设备不应承受管道的荷载,管道与设备连接应采用柔性连接。
(5)安装后均应作单机试运转记录。
VRV空调系统冷媒管安装施工工法工法编号:RJGF(闽)—07—2019完成单位:中建七局第三建筑有限公司主要完成人:吴志鸿周国章柯友才王礼华1 前言VRV(Variable Refrigerant Volume-可变冷媒容量)空调系统因其高效、环保、设置灵活、节能的特性,在工程建设中得到越来越多的应用。
为了使VRV空调系统冷媒管道施工工艺规范化、标准化,我公司在工程实践的基础上经过不断研究、探索,编制了本工法。
2 特点2.0.1冷媒铜管之间采用专用胀管器胀管后充氮保护钎焊连接,管道连接紧密,焊缝严实,管道长度设置灵活,施工方便。
2.0.2铜管与设备之间采用专用扩口器扩口后螺纹连接,扩口尺寸与螺纹配合紧密误差小,连接可靠,有效减少泄漏。
2.0.3采用专用分支接头和端管,提高施工效率并有利于冷媒分配。
2.0.4施工工艺程序化、规范化、工效高,工程质量和安全容易控制。
3 适用范围本工法适用于民用建筑VRV空调系统中的冷媒铜管系统施工。
4 工艺原理冷媒铜管通过专用胀管及扩口工具加工管道接头,并在管内通入氮气进行保护焊接。
焊接采用氧气乙炔火焰加热铜管并利用铜管本身热量熔化钎料,依靠润湿和毛细管作用向接口间缝隙渗透形成焊缝。
5 施工工艺流程及操作要点5.1 工艺流程VRV空调系统冷媒管施工工艺流程:施工准备→铜管加工→钎焊连接→铜管敷设→管道冲洗→气密试验→管道保温→真空干燥→冷媒追加→调试运行5.2 操作要点5.2.1施工准备:1现场核对:安装前首先核对图纸,检查管道布置是否与结构及其它专业管道交叉、矛盾;核对管道预埋件、支架、套管的位置、标高是否正确。
2 预留孔洞:在主体施工阶段,根据设计图纸在管道穿板处采用UPVC或钢套管预留孔洞,穿墙穿梁处则预埋钢套管。
孔洞大小为保温后的外径大两号。
3安装套管:管道穿墙穿板处应设置钢套管。
套管管径比保温后的管外径大两号。
穿墙套管应与墙体装饰面平齐,穿楼板套管应与楼板底面平齐,穿楼板套管高出装饰地面5㎝。
VRV空调系统冷媒管安装施工工艺1 前言VRV(Variable Refrigerant Volume-可变冷媒容量)空调系统因其高效、环保、设置灵活、节能的特性,在工程建设中得到越来越多的应用。
2 特点2.0.1冷媒铜管之间采用专用胀管器胀管后充氮保护钎焊连接,管道连接紧密,焊缝严实,管道长度设置灵活,施工方便。
2.0.2铜管与设备之间采用专用扩口器扩口后螺纹连接,扩口尺寸与螺纹配合紧密误差小,连接可靠,有效减少泄漏。
2.0.3采用专用分支接头和端管,提高施工效率并有利于冷媒分配。
2.0.4施工工艺程序化、规范化、工效高,工程质量和安全容易控制。
3 适用范围本工艺适用于民用建筑VRV空调系统中的冷媒铜管系统施工。
4 工艺原理冷媒铜管通过专用胀管及扩口工具加工管道接头,并在管内通入氮气进行保护焊接。
焊接采用氧气乙炔火焰加热铜管并利用铜管本身热量熔化钎料,依靠润湿和毛细管作用向接口间缝隙渗透形成焊缝。
5 施工工艺流程及操作要点5.1 工艺流程VRV空调系统冷媒管施工工艺流程:施工准备→铜管加工→钎焊连接→铜管敷设→管道冲洗→气密试验→管道保温→真空干燥→冷媒追加→调试运行5.2 操作要点5.2.1施工准备:1现场核对:安装前首先核对图纸,检查管道布置是否与结构及其它专业管道交叉、矛盾;核对管道预埋件、支架、套管的位置、标高是否正确。
2 预留孔洞:在主体施工阶段,根据设计图纸在管道穿板处采用UPVC或钢套管预留孔洞,穿墙穿梁处则预埋钢套管。
孔洞大小为保温后的外径大两号。
3安装套管:管道穿墙穿板处应设置钢套管。
套管管径比保温后的管外径大两号。
穿墙套管应与墙体装饰面平齐,穿楼板套管应与楼板底面平齐,穿楼板套管高出装饰地面5㎝。
管道焊缝接头不得置于套管内。
管道与套管间的空隙用岩棉等不燃或难燃材料填塞密实,外加防水油膏封堵。
5.2.2 铜管加工:1切割:1)根据图纸和现场实测尺寸采用专用割管器切割铜管。
割管器应绕铜管逆时针旋转,并不断旋紧转柄。
目录第一章工程及专业概况 (2)1.1工程概况 (2)1.2专业概况 (2)第二章编制目的及依据 (2)2.1编制目的 (2)2.2编制依据 (2)第三章冷媒管安装特点和原理: (3)第四章施工工艺流程及操作要点 (3)4.1 工艺流程 (3)4.2 操作要点 (3)第五章材料与设备 (13)5.1 材料 (13)5.2 主要设备表 (14)第七章安全措施: (16)第八章施工人员计划和工期计划 (16)8.1、施工人员安排 (16)8.2、工期安排 (17)第九章环保措施 (17)第一章工程及专业概况1.1工程概况1.1.1工程名称:营口开发区奥体中心—体育场1.1.2工程地点:辽宁省营口市鲅鱼圈区1.1.3建设单位:营口市熊岳城市建设发展有限公司1.1.4设计单位:同济大学建筑设计研究院(集团)有限公司1.1.5监理单位:营口经济技术开发区建设监理有限公司1.1.6施工单位:南通建筑工程总承包有限公司1.1.7工程概况:营口开发区奥体中心—体育场总建筑面积约62430平方米,观众座位约25266个,内场设有标准400米跑道及足球场,可满足各项田径比赛要求。
比赛场地为东、西、北看台,南侧为酒店,地上4层,建筑高度为37.327米(结构最高点),属于中型乙级体育场。
考虑到场馆的赛后利用,体育场在东看台和南看台下部一层设有商业开发用房,面积约为8000平方米,用作商业开发、健身、休闲、娱乐、购物等综合功能。
1.2专业概况本工程为营口开发区奥体中心-体育场通风与空调工程。
体育场建筑面积约为62430m2。
其中室内空调面积约为22498m2;空调总冷负荷为3478kW;其中东、西看台三层包厢采用多组26~38HP的变冷媒流量多联空调机组(制冷量共359kW)作为空调系统的冷源,室外机置于四层卫生间屋面平台。
第二章编制目的及依据2.1编制目的本方案为营口奥体中心-体育场VRV空调系统冷媒管施工方案,是保证施工安全、提高施工质量、提高功效的文件。
2.2编制依据1、同济大学建筑设计研究院(集团)有限公司设计的《营口开发区奥体中心-体育场》暖通专业图纸;2、《建筑工程施工质量验收统一标准》(GB50300-2001)3、《通风与空调工程施工质量验收规范》(GB50243-2002);4、《通风与空调工程施工工艺标准》(DBJ/T61-39-2005);5、《建筑节能工程施工质量验收规范》(GB50411—2007);6、《工业金属管道工程施工及验收规范》(GB50235-97);7、国家现行法律法规;按建设单位的机电设备要求,我方应充分考虑技术规范中相关部门颁布的一些标准、准则和业务条例。
我单位将在施工中执行相关要求,在此仅列出部分常用管理办法。
第三章冷媒管安装特点和原理:1、冷媒铜管之间采用专用胀管器胀管后充氮保护钎焊连接,管道连接紧密,焊缝严实,管道长度设置灵活,施工方便。
2 、铜管与设备之间采用专用扩口器扩口后螺纹连接,扩口尺寸与螺纹配合紧密误差小,连接可靠,有效减少泄漏。
3、采用专用分支接头和端管,提高施工效率并有利于冷媒分配。
4 、施工工艺程序化、规范化、工效高,工程质量和安全容易控制。
5、工艺原理:冷媒铜管通过专用胀管及扩口工具加工管道接头,并在管内通入氮气进行保护焊接。
焊接采用氧气乙炔火焰加热铜管并利用铜管本身热量熔化钎料,依靠润湿和毛细管作用向接口间缝隙渗透形成焊缝。
6、由于本工程建筑特点,需要搭建3米高的移动操作平台四个,以便于安全施工。
7、由于各个品牌的VRV空调各自性能的差异,管路的布置需要根据所选空调特点进行深化设计并进行调整。
调整后的施工图纸需要同济院的审核认定后方可施工。
第四章施工工艺流程及操作要点4.1 工艺流程VRV空调系统冷媒管施工工艺流程:施工准备→铜管加工→钎焊连接→铜管敷设→管道冲洗→气密试验→管道保温→真空干燥→冷媒追加→调试运行4.2 操作要点4.2.1 施工准备:1、现场核对:安装前首先核对图纸,检查管道布置是否与结构及其它专业管道交叉、矛盾;核对管道预埋件、支架、套管的位置、标高是否正确。
2、预留孔洞:在主体施工阶段,根据设计图纸在管道穿板处采用UPVC或钢套管预留孔洞,穿墙穿梁处则预埋钢套管。
孔洞大小为保温后的外径大两号。
3、安装套管:管道穿墙穿板处应设置钢套管。
套管管径比保温后的管外径大两号。
穿墙套管应与墙体装饰面平齐,穿楼板套管应与楼板底面平齐,穿楼板套管高出装饰地面5㎝。
管道焊缝接头不得置于套管内。
管道与套管间的空隙用岩棉等不燃或难燃材料填塞密实,外加防水油膏封堵。
4.2.2 铜管加工:1、切割:1)、根据图纸和现场实测尺寸采用专用割管器切割铜管。
割管器应绕铜管逆时针旋转,并不断旋紧转柄。
刀口应与管轴线垂直(切口允许倾斜偏差为管径的1%)并缓缓进刀以防挤扁铜管。
2)、切割后用锉刀将切割面打磨平滑去除毛刺,打磨时管口应侧向下以防粉屑进入管内。
3)、用铰刀沿管口内侧旋转去除锐边和毛刺使铜管切口平整光滑。
也可用专用圆形铰刀同时对管口内外进行倒棱处理。
4)、切割后应记录相应管道长度,以此作为系统充填冷媒的依据。
2 、弯管:对于Φ12.7mm及以下铜管可用手直接弯管,<Φ22.2mm使用弯管器弯管,≥Ф22.2mm采用冲压弯头。
弯管时,弯头两侧必须保持不小于管径2倍的直线部分。
铜管的弯曲半径取3.5~4倍铜管直径D,椭圆率不大于8%。
冷媒管道分支管应按介质流向弯成90°弧度与主管连接。
不得使用弯曲半径小于1.5D 压制弯管。
3、胀管:铜管对接时必须采用胀管工艺,将铜管用胀管器扩胀成承口,再进行承插钎焊连接。
胀管器分为棘轮和液压两种,注意不得用扩口器进行胀口。
首先选择合适胀管模具旋转套入胀管器的端头再将铜管套入模具的胀口上并旋紧紧固旋钮。
慢慢将手柄压下进行胀管,并不断循环,当胀管到一半时将铜管旋转45度再继续胀管操作,以防止铜管出现裂缝。
承插的胀管方向应迎着冷媒流向。
胀管后组对的管道内壁应齐平,错边量不大于0.1倍壁厚,且不大于1mm。
承口深度不应小于管径。
胀管后的内径D应为管道外径Φ+0.1mm~0.15mm。
4、扩口:铜管与机组螺纹接口连接时应对铜管端头进行扩口(扩喇叭口)操作。
扩口应使用专用扩口器进行加工尺寸如表5.2.2所示:表5.2.2 铜管扩口尺寸表扩口操作步骤如下:1)、松开扩口器叉臂上的螺杆手柄和夹紧手柄,将叉臂伸入扩口横杆铰链端部。
选择相应尺寸的锥形开口后将管子从扩口器底部往上推直到与夹具口水平对齐。
2)、将叉臂向前滑动直到叉臂上的箭头碰到扩口横杆上的线为止。
然后上紧夹紧手柄。
3)、顺时针旋转螺杆手柄直到压力推杆松开。
然后将螺杆手柄,夹紧手柄退松并使叉臂向后滑动卸下管子。
4)、喇叭口应均匀,大小适中,以免扩小了连接时密封不好,扩大了管口容易开裂。
扩完喇叭口后必须仔细检查喇叭口内表面质量,要求无划伤、不得呈歪斜状。
然后在喇叭口上涂冷冻机油。
铜管扩口尺寸 管径(英寸)配管外径d(mm)口部尺寸L(mm)1/46.358.4-8.83/8 9.5212.2-12.81/2 12.715.6-16.25/8 15.8818.8-19.43/4 19.0523.1-23.75.2.3、钎焊连接:本工法铜管采用钎焊进行连接,使用银钎焊料。
将接头加热利用接头温度熔化钎料,经润湿和毛细管作用向焊缝间隙渗透填充。
钎料经扩散并附着于铜管表面后凝固形成紧密牢固的连接。
其操作步骤如下:1、焊前清洁:铜管接头应清洁光亮,无油污、无氧化层、无毛刺或凹凸以防止产生气孔或虚焊。
采用锉刀和铰刀对管口进行处理,除去管口毛刺。
清理时管口应侧向下,清理完应轻轻敲打管壁避免碎屑进入管道内部。
管道外壁的油污涂料应采用湿布进行擦拭清除。
2、充氮保护:铜管焊接时需充入氮气进行保护焊接以防铜管被氧化。
焊接时应保持焊接区域氮气微压(调节氮气瓶上的压力表使压力保持在3kg/cm2~5kg/cm2),让氮气定向充入正在钎焊的管道内。
焊接完成应待铜管完全冷却后,方可停止充入氮气。
充氮保护焊方法示意图如图4.2.3-1。
铜管另一端可用铜管配套的塑料保护盖盖住,并用针扎几个小洞以起到节约氮气的作用并保证氮气在内部流动。
3、焊接火焰和温度要求:钎焊温度应图4.2.3-1 氮气保护焊接示比铜管的熔点温度低,控制在650℃~800℃之间。
钎焊必须使用氧乙炔火焰或氧丙烷火焰进行钎焊。
同时为保证钎焊的温度要求,用外焰进行加热时,火焰应呈中性或略带还原性。
但应注意外焰温度超过800℃时管子容易变形或熔化穿孔;利用焰心加热时温度较低,管子容易变黑影响质量和美观;一般采用内焰(火焰呈黄白色)进行加热焊接。
4、钎焊操作:1)、将铜管插入接头中,稍微旋转以保证焊缝间隙均匀。
点燃火焰对铜管接头处加热。
预热时应让火焰沿管道环向均匀加热至铜管变成暗红色。
用钎料接触接头以判定接头处的温度。
若钎料不熔化证明温度不足,需继续加热;若钎料迅速熔化表明温度已经达到钎焊要求可以开始焊接。
继续加热以保持接头处温度在钎焊温度以上。
2)、调整火焰方向使之朝向焊缝间隙,同时向接头缝隙处送入钎料,送料时使焊条和火焰呈45度角。
利用接头的热量将钎料填入缝隙直至将钎缝填满,注意不得直接将火焰对准钎料使之熔化到钎缝内。
对于φ40以上大口径管道,因其周长较长不容易加热均匀,可使用两支焊枪同时加热使接头处的径向与长度方向受热均匀,使钎料均匀填满钎缝,以保证质量。
3)、当钎料全部熔化后应停止加热以防钎料不断往内渗透不易形成饱满的焊缝。
钎焊操作宜向下或水平侧向进行,不宜仰焊和倒立焊接,接头的分支口一定要保持水平(图5.2.3-2)。
头在高处焊接时较难操作,加热温度不容易掌握,因此应避免在高处焊接分支接头。
可在地上将分支管端口焊接上一段1m 左右的短管,然后在高处对直管进行焊接。
5)、钎焊后应继续吹入氮气直到铜管冷却。
铜管须保持静止直至自然冷却结晶,以防熔化的钎料冷却时受到振动导致焊缝产生裂纹影响钎焊质量。
用手触摸铜管不再烫手后用湿布冷却和擦拭连接部位(不能用冷水直接冷却)进行焊后处理。
4.2.4、 铜管敷设: 1、支架制作安装: 1)、管道支架型式:φ22以下制冷铜管由于管道较小,可将成品抱箍设置于保温层外,以防冷桥产生。
而对于φ22及以上铜管则应采用在管道外侧安装保温木垫(或PE 托座)后采用抱箍固定。
对于并排安装的管道可用镀锌成品综合支架敷设(如图5.2.4-1)。
将立管统一放置在同一门架上,门架的间距可以取1.5m ,且每层不少于两个。
表5.2.4-1支吊架间距表 1000短管钎焊条分歧接头1000短管钎焊条分歧接头1000短管1000短管钎焊条火焰朝向焊缝图 5.2.3-2 焊接方向成排管道固定支架做法汽液管共架做法单管吊架做法支、吊架位置应靠近接口,但不得影响接口的拆装。