功放引脚图
- 格式:doc
- 大小:195.00 KB
- 文档页数:1
NE5532中文资料引脚图NE5532功放:NE5532是高性能低噪声双运算放大器(双运放)集成电路。
与很多标准运放相似,但它具有更好的噪声性能,优良的输出驱动能力及相当高的小信号带宽,电源电压范围大等特点。
因此很适合应用在高品质和专业音响设备、仪器、控制电路及电话通道放大器。
用作音频放大时音色温暖,保真度高,在上世纪九十年代初的音响界被发烧友们誉为“运放之皇”,至今仍是很多音响发烧友手中必备的运放之一。
NE5532管脚,NE5532引脚功能:1:AMPOUT1放大信号输出(1)2:IN1-反相信号输入(1)3:IN1+同相信号输入(1)4:GND接地5:IN2+同相信号输入(2)6:IN2-反相信号输入(2)7:AMPOUT2放大信号输出(2)8:Vcc电源NE5532价格:NE5532是属于发烧运放集成电路,价格因厂家和性能等级不同相差非常大,从几毛到几块再到几百块,甚者更高不等。
NE5532生产厂家:TI[TexasInstruments]、ON、PHILIPS、Semiconductor...NE5532描述:The NE5532,NE5532A,SA5532,and_SA5532A devices are high-performance operational amplifiers combining excellent DC and_AC characteristics.They feature very low noise,high output-drive capability,high unity-gainand_maximum-output-swing bandwidths,low distortion,high slew rate,input-protection diodes,and_output short-circuit protection. These operational amplifiers are compensated internally for unity-gain operation. These devices have specified maximum limits for equivalent input noise voltage.NE5532特性:Equivalent Input Noise Voltage:5 nV/√Hz Typ at 1 kHzUnity-Gain Bandwidth: 10 MHz TypCommon-Mode Rejection Ratio: 100 dB TypHigh DC Voltage Gain: 100 V/mV TypPeak-to-Peak Output Voltage Swing 26 V Typ With VCC± = ±15 V and_RL = 600 ?High Slew Rate: 9 V/μs TypNE5532相关型号:NE5532p、NE5532、NE5532A、SA5532、SA5532、ARC4558、JRC4558D、NE4558、OP275、EL2244、AD827你是不是在找?1、NE5532前置放大电路图2、NE5532前置3、NE5532放大4、NE5532电路5、NE5532芯片怎么用6、NE5532前级电路图7、NE5532负反馈电容8、5532运放2604哪个好9、NE5532p10、NE5532p用什么代换11、NE5532封装12、NE5532前级电路图经典13、opa2604运放比5532好吗NE5532相关运放:1、LM833N BJT工艺双运放噪声4.5nV/√Hz GBW:15M 压摆率:7V/uS 输入失调电压:0.3mV 温漂:2.0uV/℃2、OPA627 BJT工艺单运放噪声4.5nV/√Hz GBW:16M 压摆率:55V/uS 输入失调电压:0.13mV 温漂:1.2uV/℃3、OPA2604 FET工艺双运放噪声10nV//√Hz GBW:20M 压摆率:25V/uS 输入失调电压:1mV 温漂:8uV/℃4、NE5534 BJT工艺单运放噪声3.5nV/√Hz GBW:10M 压摆率:13V/uS 输入失调电压:0.5mV 温漂:规格书未给出5、NE5532 BJT工艺双运放噪声5nV/√Hz GBW:10M 压摆率:9V/uS 输入失调电压:0.5mV 温漂:规格书未给出代替NE5532,NE5532用什么代替?NE5532是双路低噪声高速音频运算放大器,op275:和5532比,胆性还重一点,解析力、低频、音场更好一点,可以买贴片的来打磨声卡用(特别是创新的),可以改善硬冷的数码声。
标题:LM3886TF功放管引脚阻值一、LM3886TF功放管介绍LM3886TF是一种高性能的Overture系列音频功放芯片,具有高品质音质和稳定的性能。
该芯片采用了国际先进的多晶技术,能够在低电压条件下提供更大的输出功率,广泛应用于音频功放系统中。
二、LM3886TF功放管引脚图示LM3886TF功放管引脚一共有11个,分别为V-, OUT1, GND, V+, BYP, IN-, IN+, COMP, GND, SD, MUTE, V-. 下面详细介绍每个引脚的功能及阻值。
三、LM3886TF功放管引脚功能及阻值1. V-:负电源输入端,用于连接负电源。
推荐的阻值为100kΩ。
2. OUT1:输出端1,连接输出器件或负载。
无需外接电阻。
3. GND:地线端,接地用。
无需外接电阻。
4. V+:正电源输入端,用于连接正电源。
推荐的阻值为100kΩ。
5. BYP:旁路输入端,旁路输入滤波电容用。
推荐的阻值为10kΩ。
6. IN-:差分输入端负极,接受差分输入信号。
推荐的阻值为10kΩ。
7. IN+:差分输入端正极,接受差分输入信号。
推荐的阻值为10kΩ。
8. COMP:补偿电路输入端,用于连接补偿电路。
推荐的阻值为22kΩ。
9. GND:地线端,接地用。
无需外接电阻。
10. SD:关断端,用于控制功放芯片的开关机。
推荐的阻值为10kΩ。
11. MUTE:静音端,用于控制功放芯片的静音功能。
推荐的阻值为10kΩ。
四、LM3886TF功放管引脚阻值选择注意事项1. 在选用引脚阻值时,应根据实际系统需求和设计规范选择合适的阻值。
选择过大或者过小的阻值都会影响芯片的性能和稳定性。
2. 建议在实际设计中进行测试验证,以确保选用的阻值符合系统要求。
五、结语LM3886TF功放管引脚阻值的选择对于功放系统的性能和稳定性具有重要影响,正确选用合适的阻值是保证系统正常运行的重要因素。
希望本文对LM3886TF功放管引脚阻值的选择有所帮助,也希望读者能在实际设计中根据具体情况进行合理选用,确保系统的稳定性和性能。
NE5532中文资料引脚图NE5532功放:NE5532是高性能低噪声双运算放大器(双运放)集成电路。
与很多标准运放相似,但它具有更好的噪声性能,优良的输出驱动能力及相当高的小信号带宽,电源电压范围大等特点。
因此很适合应用在高品质和专业音响设备、仪器、控制电路及电话通道放大器。
用作音频放大时音色温暖,保真度高,在上世纪九十年代初的音响界被发烧友们誉为“运放之皇”,至今仍是很多音响发烧友手中必备的运放之一。
NE5532管脚,NE5532引脚功能:1:AMPOUT1放大信号输出(1)2:IN1-反相信号输入(1)3:IN1+同相信号输入(1)4:GND接地5:IN2+同相信号输入(2)6:IN2-反相信号输入(2)7:AMPOUT2放大信号输出(2)8:Vcc电源NE5532价格:NE5532是属于发烧运放集成电路,价格因厂家和性能等级不同相差非常大,从几毛到几块再到几百块,甚者更高不等。
NE5532生产厂家:TI[TexasInstruments]、ON、PHILIPS、Semiconductor...NE5532描述:The NE5532, NE5532A, SA5532, and_SA5532A devices are high-performance operational amplifiers combining excellent DC and_AC characteristics.They feature very low noise, high output-drive capability, high unity-gain and_maximum-output-swing bandwidths, low distortion, high slew rate,input-protection diodes, and_output short-circuit protection. These operational amplifiers are compensated internally for unity-gain operation. These devices have specified maximum limits for equivalent input noise voltage.NE5532特性:Equivalent Input Noise Voltage:5 nV/√Hz Typ at 1 kHzUnity-Gain Bandwidth: 10 MHz TypCommon-Mode Rejection Ratio: 100 dB TypHigh DC Voltage Gain: 100 V/mV TypPeak-to-Peak Output Voltage Swing 26 V Typ With VCC± = ±15 V and_RL = 600 ?High Slew Rate: 9 V/μs TypNE5532相关型号:NE5532p、NE5532、NE5532A、SA5532、SA5532、ARC4558、JRC4558D、NE4558、OP275、EL2244、AD827你是不是在找?1、NE5532前置放大电路图2、NE5532前置3、NE5532放大4、NE5532电路5、NE5532芯片怎么用6、NE5532前级电路图7、NE5532负反馈电容8、5532运放2604哪个好9、NE5532p10、NE5532p用什么代换11、NE5532封装12、NE5532前级电路图经典13、opa2604运放比5532好吗NE5532相关运放:1、LM833N BJT工艺双运放噪声4.5nV/√Hz GBW:15M 压摆率:7V/uS 输入失调电压:0.3mV 温漂:2.0uV/℃2、OPA627 BJT工艺单运放噪声4.5nV/√Hz GBW:16M 压摆率:55V/uS 输入失调电压:0.13mV 温漂:1.2uV/℃3、OPA2604 FET工艺双运放噪声10nV//√Hz GBW:20M 压摆率:25V/uS 输入失调电压:1mV 温漂:8uV/℃4、NE5534 BJT工艺单运放噪声3.5nV/√Hz GBW:10M 压摆率:13V/uS 输入失调电压:0.5mV 温漂:规格书未给出5、NE5532 BJT工艺双运放噪声5nV/√Hz GBW:10M 压摆率:9V/uS 输入失调电压:0.5mV 温漂:规格书未给出代替NE5532,NE5532用什么代替?NE5532是双路低噪声高速音频运算放大器,op275:和5532比,胆性还重一点,解析力、低频、音场更好一点,可以买贴片的来打磨声卡用(特别是创新的),可以改善硬冷的数码声。
TL082是一通用的J-FET双运算放大器。
其特点是:●较低的办入偏置电压和偏置电流;●输出设有短路保护电路;●输入级具有较高的输入阻抗;●内建频率补偿电路;●较高的压摆率:16V/us(典型值);●最大工作电压:Vccmax=+/-18V.TL082典型应用电路LM324LM324引脚图简介:LM324系列器件为价格便宜的带有真差动输入的四运算放大器。
与单电源应用场合的标准运算放大器相比,它们有一些显著优点。
该四放大器可以工作在低到3.0伏或者高到32伏的电源下,静态电流为MC1741的静态电流的五分之一。
共模输入范围包括负电源,因而消除了在许多应用场合中采用外部偏置元件的必要性。
每一组运算放大器可用图1所示的符号来表示,它有5个引出脚,其中“+”、“-”为两个信号输入端,“V+”、“V-”为正、负电源端,“Vo”为输出端。
两个信号输入端中,Vi-(-)为反相输入端,表示运放输出端Vo的信号与该输入端的位相反;Vi+(+)为同相输入端,表示运放输出端Vo的信号与该输入端的相位相同。
LM324的引脚排列见图2。
参数描述:运放类型:低功率放大器数目:4 带宽:1.2MHz 针脚数:14 工作温度范围:0°C to +70°C 封装类型:SOIC 3dB带宽增益乘积:1.2MHz 变化斜率:0.5V/μs 器件标号:324 器件标记:LM324AD 增益带宽:1.2MHz 工作温度最低:0°C 工作温度最高:70°C 放大器类型:低功耗温度范围:商用电源电压最大:32V 电源电压最小:3V 芯片标号:324 表面安装器件:表面安装输入偏移电压最大:7mV 运放特点:高增益频率补偿运算逻辑功能号:324 额定电源电压, +:15V LM324的特点: 1.短路保护输出 2.真差动输入级 3.可单电源工作:3V-32V 4.低偏置电流:最大100nA 5.每封装含四个运算放大器。
NE555引脚功能及应用NE555为8脚时基集成电路,各脚主要功能(集成块图在下面)1地GND 2触发3输出4复位5控制电压6门限(阈值)7放电8电源电压Vcc应用十分广泛,可装如下几种电路:1。
单稳类-----作用:定延时,消抖动,分(倍)频,脉冲输出,速率检测等。
2。
双稳类-----作用:比较器,锁存器,反相器,方波输出及整形等。
3。
无稳类-----作用:方波输出,电源变换,音响报警,玩具,电控测量,定时等。
我们知道,555电路在应用和工作方式上一般可归纳为3类。
每类工作方式又有很多个不同的电路。
在实际应用中,除了单一品种的电路外,还可组合出很多不同电路,如:多个单稳、多个双稳、单稳和无稳,双稳和无稳的组合等。
这样一来,电路变的更加复杂。
为了便于我们分析和识别电路,更好的理解555电路,这里我们这里按555电路的结构特点进行分类和归纳,把555电路分为3大类、8种、共18个单元电路。
每个电路除画出它的标准图型,指出他们的结构特点或识别方法外,还给出了计算公式和他们的用途。
方便大家识别、分析555电路。
下面将分别介绍这3类电路。
单稳类电路:单稳工作方式,它可分为3种。
见图示。
第1种(图1)是人工启动单稳,又因为定时电阻定时电容位置不同而分为2个不同的单元,并分别以1.1.1 和1.1.2为代号。
他们的输入端的形式,也就是电路的结构特点是:“RT-6.2-CT”和“CT-6.2-RT”。
第2种(图2)是脉冲启动型单稳,也可以分为2个不同的单元。
他们的输入特点都是“RT-7.6-CT”,都是从2端输入。
1.2.1电路的2端不带任何元件,具有最简单的形式;1.2.2电路则带有一个RC微分电路。
第3种(图3)是压控振荡器。
单稳型压控振荡器电路有很多,都比较复杂。
为简单起见,我们只把它分为2个不同单元。
不带任何辅助器件的电路为1.3.1;使用晶体管、运放放大器等辅助器件的电路为1.3.2。
图中列出了2个常用电路。
3.3 D 类数字功放D类功放也叫丁类功放,是指功放管处于开关工作状态的功率放大器。
早先在音响领域里人们一直坚守着 A 类功放的阵地,认为 A 类功放声音最为清新透明,具有很高的保真度。
但 A 类功放的低效率和高损耗却是它无法克服的先天顽疾。
后来效率较高的 B 类功放得到广泛的应用,然而,虽然效率比 A 类功放提高很多,但实际效率仍只有50%左右,这在小型便携式音响设备如汽车功放、笔记本电脑音频系统和专业超大功率功放场合,仍感效率偏低不能令人满意。
所以,如今效率极高的 D 类功放,因其符合绿色革命的潮流正受着各方面的重视,并得到广泛的应用。
3.3.1 D 类功放的特点与电路组成1 . D类功放的特点( 1)效率高。
在理想情况下, D 类功放的效率为 100%(实际效率可达 90%左右)。
B功放的效率为 78.5%(实际效率约 50% ),A 类功放的效率才 50%或 25%(按负载方式而定)类。
这是因为 D 类功放的放大元件是处于开关工作状态的一种放大模式。
无信号输入时放大器处于截止状态,不耗电。
工作时,靠输入信号让晶体管进入饱和状态,晶体管相当于一个接通的开关,把电源与负载直接接通。
理想晶体管因为没有饱和压降而不耗电,实际上晶体管总会有很小的饱和压降而消耗部分电能。
(2)功率大。
在 D 类功放中,功率管的耗电只与管子的特性有关,而与信号输出的大小无关,所以特别有利于超大功率的场合,输出功率可达数百瓦。
( 3)失真低。
D 类功放因工作在开关状态,因而功放管的线性已没有太大意义。
在类功放中,没有 B 类功放的交越失真,也不存在功率管放大区的线性问题,更无需电路的负反馈来改善线性,也不需要电路工作点的调试。
( 4)体积小、重量轻。
D 类功放的管耗很小,小功率时的功放管无需加装体积庞大的散热片,大功率时所用的散热片也要比一般功放小得多。
而且一般的 D 类功放现在都有多种专用的 IC 芯片,使得整个 D 类功放电路的结构很紧凑,外接元器件很少,成本也不高。
TDA2005引脚功能电路图
TDA2005是单电源工作的双声道音频功率放大集成电路,可应用于OTL双声道功放,也可接成BTL桥式功放电路使用。
TDA2005内含过热、过载、输出短路等多种保护电路环节,性能稳定。
TDA2005外形为11脚单向排列,外形图如下
TDA2005主要参数
工作电压:8-18V
静态电流:60mA
可承受电源电压峰值:40V(50毫秒)
输出峰值电流:3.5A
芯片可承受结温:-40~150℃
可驱动扬声器最低阻抗:1.6欧姆
双声道输出功率:10W×2(扬声器阻抗=2Ω;总谐波失真=10%)
BTL桥式输出功率:20W(扬声器阻抗=4Ω;总谐波失真=1%)
TDA2005引脚功能
(注意其散热片与引脚6相通)
当电源=12V时,各管脚的电压值:(从1脚到11脚依次排列)1.3、0.74、7.13、0.71、1.27、0、11.4、5.77、12、5.7、11.3
TDA2005桥式放大接法(BTL)
TDA2005双声道输出接法(OTL)。
2.4G无线模块/无线通讯/无线收发/nRF24L01模块 ----售价: 60元n RF24L01微功率无线通讯模块,采用Nordic公司的NRF24L01芯片,2.4G全球开发ISM频段免许可证使用,最高工作速率达2Mbps,125频道满足多点通信和跳频通信需要,体积小巧约31mm*17mm,高效GFSK 调制,抗干扰能力强,特别适合无线音视频传输、工业控制领域等需要较大传输速率的无线通讯需求。
nRF24L01 (外置天线)(尺寸:31mm*17mm)模块性能及特点:(1) 2.4GHz 全球开放ISM 频段免许可证使用(2) 最高工作速率2Mbps,高效GFSK调制,抗干扰能力强,特别适合工业控制场合(3) 125 频道,满足多点通信和跳频通信需要(4) 内置硬件CRC 检错和点对多点通信地址控制(5) 低功耗1.9 - 3.6V 工作,待机模式下状态为22uA;掉电模式下为900nA(6) 模块可软件设地址,只有收到本机地址时才会输出数据(提供中断指示),可直接接各种单片机使用,软件编程非常方便(7) 内置专门稳压电路,使用各种电源包括DC/DC 开关电源均有很好的通信效果(8) 标准 5*2 DIP间距接口,便于嵌入式应用(9) 工作于Enhanced ShockBurst 具有Automatic packet handling, Auto packet transaction handling,具有可选的内置包应答机制,极大的降低丢包率。
(10) nRF24L01配外置天线,无阻挡传输距离50-100米,RF24L01B配PCB内置天线,无阻挡传输距离20-50米。
如需要传输更远距离,请选用本公司出品的带功放电路的RF24L01PA模块(11) 本公司提供目前几大主流单片机(AVR,MSP430,51,C8051F等)的开发代码,客户只需要将代码移植,就能轻松应用本模块;同时配套基于目前主流单片机(AVR,MSP430,51等)的无线开发系统,帮助更快实现无线应用,欢迎配套选购(12) 与51系列单片机P0口连接时候,需要加10K的上拉电阻,与其余口连接不需要(13) 其他系列的单片机,如果是5V的,请参考该系列单片机IO口输出电流大小,如果超过10mA,需要串联电阻分压,否则容易烧毁模块! 如果是3.3V的,可以直接和RF24L01模块的IO口线连接。
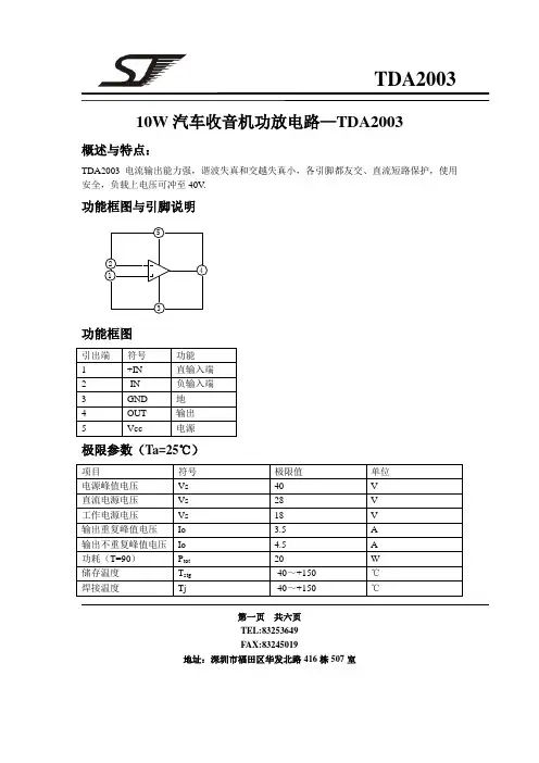
TDA200310W 汽车收音机功放电路—TDA2003概述与特点:TDA2003电流输出能力强,谐波失真和交越失真小,各引脚都友交、直流短路保护,使用安全,负载上电压可冲至40V.功能框图与引脚说明23455432TitleNumberSize B Date:18-Nov-2001File:D:\cdq\Yd20012435功能框图引出端 符号 功能 1 +IN 直输入端 2 -IN 负输入端 3 GND 地 4 OUT 输出 5Vcc电源极限参数(Ta=25℃)项目 符号 极限值 单位 电源峰值电压 Vs 40 V 直流电源电压 Vs 28 V 工作电源电压 Vs 18 V 输出重复峰值电压Io** A 输出不重复峰值电压 Io ** A功耗(T=90) P tot 20 W 储存温度T stg -40~+150℃焊接温度 Tj-40~+150℃第一页 共六页 TEL:83253649 FAX:83245019地址:深圳市福田区华发北路416栋507室TDA2003测试电路图12344321220Ω2.2Ω470μF1000nFR1R212345+VsViRLUTC2003mAV1000μF直流测试图BCD4321D CB Rx 39Ω39nF220Ω2.2Ω1000μF1Ω100nF470μFC3100nF100μFC11μFC2CxR1R2R312345+VsViC4RLTDA2003Rx=20*R2 Cx=1/(2πB*R1)交流测试图第二页共六页TDA2003电特性参数(参照测试电路,V=16V,Ta=25℃)参数符号测试条件最小值典型值最大值单位电源电压Vs 8 18 V 静态输出端电压Vo ** ** ** V 静态电流Id 44 50 mA 输出功率Po d=10%,f=1kHz WR L=8Ω** 6R L =2Ω9 10R L =3.2Ω**R L =1.6Ω12输出灵敏度Vi f=1kHz mVPo=0.5W, R L =4Ω14Po=6W, R L =4Ω55Po=0.5W, R L =2Ω10Po=10W, R L =2Ω50输入饱和电压Vi(rms)300 mV 频响 B Po=1W, R L =4Ω40 15000 Hz 失真 D f=1kHzPo=0.05~4.5W, R L =4Ω** %Po=0.05~7.5W, R L =2Ω**输入阻抗Ri Open look,f=1kHz 70 150 KΩ输入噪声电流e N60 200 pA l N 1 5 μV 开环增益Gvo f=1kHz 80 dBf=10kHz 60 dB 闭环增益Gvc f=1kHz,R L =4Ω** 40 ** dB效率ηf=1kHzPo=6W, R L =4Ω Po=10W, R L =2Ω 69 % 65 % 电源电压抑制比SVRf=100kHz,Vripple=0.5V Rg=10k Ω, R L =4Ω3036dB第三页 共六页TDA2003应用图BCD4321D CB Rx 39Ω39nF220Ω2.2Ω1000μF1Ω100nF470μFC3100nF100μFC11μFC2CxR1R2R312345+VsViC4RLTDA2003典型应用图DC B A15μFC12.2μFC212345Vs=14.4VViRL=4TDA20031ΩR3100nF1Ω100nF200Ω430Ω16Ω16Ω12345TDA200310μFC2C12.2μFBTL应用图第四页共六页TDA2003BCD4321DC B15μF0.1μFC312345Vs=14.4VViRL=4TDA2003R3100nF200Ω620Ω12345TDA20030.1μFR3100nF1nF简易BTL应用图CD4321DCVs(V)14.440t1=50mS3000μF/16V2mH电源A BTO PIN5应用说明图内部保护电路系统1234负载脉冲电压缓冲在5脚接上LC网络(如应用说明图)可使得TDA2003承受电压脉冲系列,如果电压峰值超过40V,需接入该LC网络,这样可以使5脚上得电压限定在预定值以内(如应用说明图)如应用说明图接入LC网络后,A处允许有脉冲串(幅度高达120V,脉宽2mS)A处电源电压可大于最高工作电压18V。
LM1875、LM3886(LM4780)、LM4766、TDA7293、TDA7294比较及应用摘要:一.6片IC简介本文将为大家介绍现在流行的6款IC音频功率放大器,分别是美国国半公司的LM1875、LM4766、LM3886(LM4780)以及ST意法公司的TDA9293和TDA7294,它们的标称输出功率在30~100W 范围内,适用于家用高保真音频功率放大器。
采用这几款IC的功放具有元件少、调试简单的特点,功率、音质与一般的分立元件功放相比毫不逊色,因此一直受到广大DIY发烧友,特别是初学者的喜爱。
JeffRowland的基于LM3886、TDA7293的功放跻身世界优秀功放之林,更证明了功率IC本身性能之优异。
关键词:音频功率放大器功率IC TDA7294 TDA7293应用LM1875 LM4766 LM3886一、6片IC简介本文将为大家介绍现在流行的6款IC音频大功率放大器,分别是美国国半公司的LM1875、LM4766、LM386(LM4780)以及ST意法公司的TDA7293、TDA7294,它们的标称功率在30~100W范围内,适合于家用高保真音频放大器。
采用这几款IC的功放具有元件少,高度简单的特点,功率、音质与一般分立元件功放相比毫不逊色,因此一直受到DIY发烧友,特别是初学者的喜爱。
JeffRowland的基于LM3886、TDA7293的功放跻身世界优秀功放之林,更证明了功率IC本身性能之优异。
虽然JeffRowland证明了功率IC可以好声,而且这些IC家喻户晓,使用者众多,但“IC音质不如分立元件”的观念却依然根深蒂固的扎根于广大DIY发烧友的头脑里。
很多人对这些芯片的认识来自未能发挥芯片的制作,造成对这些芯片的误解。
本文将从产品数据手册入手,多角度,深入地挖掘产品数据手册中包含的丰富信息,揭开数据背后隐藏的秘密,以求给大家一个全面的认识。
1、LM1875LM1875是美国国家半导体公司20世纪90年代初推出的一款音频功放IC,如图1所示。
NE555引脚功能及应用NE555为8脚时基集成电路,各脚主要功能(集成块图在下面)1地GND 2触发3输出4复位5控制电压6门限(阈值)7放电8电源电压Vcc应用十分广泛,可装如下几种电路:1。
单稳类-----作用:定延时,消抖动,分(倍)频,脉冲输出,速率检测等。
2。
双稳类-----作用:比较器,锁存器,反相器,方波输出及整形等。
3。
无稳类-----作用:方波输出,电源变换,音响报警,玩具,电控测量,定时等。
我们知道,555电路在应用和工作方式上一般可归纳为3类。
每类工作方式又有很多个不同的电路。
在实际应用中,除了单一品种的电路外,还可组合出很多不同电路,如:多个单稳、多个双稳、单稳和无稳,双稳和无稳的组合等。
这样一来,电路变的更加复杂。
为了便于我们分析和识别电路,更好的理解555电路,这里我们这里按555电路的结构特点进行分类和归纳,把555电路分为3大类、8种、共18个单元电路。
每个电路除画出它的标准图型,指出他们的结构特点或识别方法外,还给出了计算公式和他们的用途。
方便大家识别、分析555电路。
下面将分别介绍这3类电路。
单稳类电路:单稳工作方式,它可分为3种。
见图示。
第1种(图1)是人工启动单稳,又因为定时电阻定时电容位置不同而分为2个不同的单元,并分别以1.1.1 和1.1.2为代号。
他们的输入端的形式,也就是电路的结构特点是:“RT-6.2-CT”和“CT-6.2-RT”。
第2种(图2)是脉冲启动型单稳,也可以分为2个不同的单元。
他们的输入特点都是“RT-7.6-CT”,都是从2端输入。
1.2.1电路的2端不带任何元件,具有最简单的形式;1.2.2电路则带有一个RC微分电路。
第3种(图3)是压控振荡器。
单稳型压控振荡器电路有很多,都比较复杂。
为简单起见,我们只把它分为2个不同单元。
不带任何辅助器件的电路为1.3.1;使用晶体管、运放放大器等辅助器件的电路为1.3.2。
图中列出了2个常用电路。
音频功率放大器的组成.1 整体电路原理本立体声功率放大器所用的核心芯片是国际通用高保真音频功率放大集成电路TDA2030A。
本电路由三个部分组成,即电源电路、左右声道的功率放大器及输入信号处理电源(四运放)。
电源变压器将220V交流电降为双12V低压交流电,经桥式整流后变为±18V的直流电,作为功放及运放的供电电源,D5、R29组成电源指示电路,以指示电源是否正常,开关K为电源开关。
2.2 电源部分本设计是由TDA2030构成的双声道功率放大器,左右声道对称,TDA2030是一种单声道集成功率放大器,采用单电源或双电源供电方式,电路中主要构成框架如下:前置放大采用GL324四运放的两路运放的负反馈放大,放大倍数为10倍,后经过RC滤波电路组成的高低音调节,在经过平衡和电量调节输入功放芯片即TDA2030。
电路框图整流电路:桥式整流电路的作用是利用单向导电性的整流元件二极管,将正负交替的正弦交流电压整流成为单向脉动电压。
但是,这种单向电压往往包含着很大的脉动成分,距离理想的直流电压还差得很远。
稳压电路:稳压电路的作用是采取某些措施,使输出的直流电压在电网电压或负载电流发生变化时保持稳定。
设计中是利用变压器将电网上面220V的交流电降为双12V低压交流电,再经过桥式整流把12V的交流成分整流成±18V的直流电,经过滤波滤除直流成分中的交流部分,考虑到芯片电源电压要求比较宽泛本设计中没有采用稳压部分。
2.3 前置放大部分前置放大器是各种音源设备和功率放大器的连接设备,起到信号放大的作用。
音源信号在经过前置放大器的放大后,就可以直接送入功率放大器,使功率放大器能正常工作。
前置放大器还可以对信号的频率进行调节和控制。
本设计的前置放大部分是采用GL324四运算放大芯片的负反馈实行的。
优点在于其在分压偏置电路中利用负反馈的原理以稳定放大电路的工作,此外还可以增加增益的稳定性,减小非线性失真,展开频带及控制输入输出阻抗。
摘要随着音响技术的发展,整个音响技术领域发生了巨大的变化,它不仅融合了音频技术和功放技术,现代人对听觉的水平要求越来越高,所以对音响的音质真色,音高和音强等音质状况本来面貌的能力,同时对声音信号进行必要的修饰和加工。
因此,此次实训题目是双通道集成功率放大器。
本文主要介绍的是由NE5532芯片构成的音频放大器,它在音频应用场合提供低失真度和较高质量的音色,以及具有较宽的通频带。
放大倍数可根据需要更改,方便设计者研究。
关键词:音频技术;NE5532芯片;功率放大器AbstractWith the development of audio technology, gigantic change happened in the entire audio technology field , it has fused not only VF technology and meritorious service readjust oneself to a certain extent technology, horizontal demand of modernist to sense of hearing is more and more high, therefore to real color of the audio acoustic fidelity , pitch accord waits for an acoustic fidelity by force status original face ability, carries out necessary polishing and treating on sound signal at the same time. That reality trains examination questions is a binary channels integration power amplifier therefore , this time.That the main body of a book is introduced mainly is the VF amplifier being composed of NE5532 chip, as well as having broader band its tone colour applying occasion providing low distortion degree and higher mass in VF. Need changes , the convenient designer studies multiplications but basis.Keywords:VF technology;NE5532 chip; Power amplifier目录引言 (1)1主要器件功能介绍 (1)1.1三极管 (1)1.1.1三极管外形特征 (1)1.1.2达林顿三极管 (1)1.1.3三极管工作原理 (2)1.2 NE5532芯片 (2)1.2.1 NE5532的管脚分布 (2)1.2.2 NE5532的特点 (2)1.2.3 NE5532的主要参数 (3)2集成功率放大电路 (3)2.1负反馈电路作用及原理 (3)2.1.1放大器非线性失真 (4)2.1.2放大器幅频特性 (4)2.1.3负反馈降低噪声原理 (5)2.2自激及消振 (5)2.2.1自激 (5)2.2.2消振电路原理 (6)2.3功率放大器工作原理 (6)3双声道集成功率设计 (6)3.1 原理图设计 (6)3.2 电路音量调节部分 (6)3.3 NE5532构成前级电压放大 (6)3.4 三极管构成后级电流放大 (6)4实物制作与调试说明 (7)4.1 制作电路板 (7)4.1.1 PCB设计流程如图7所示。
TDA2616伴音功放电路典型应用电路图TDA2616引脚功能及参考电压:1脚:10V——信号输入12脚:5V——静噪(低电平静噪)3脚:10V——1/2基准电压4脚:10V——信号输出15脚:0V——地6脚:10V——信号输出27脚:20V——电源8脚:10V——负向输入端9脚:10V——信号输入2TDA2009伴音功放电路典型应用电路图TDA20091脚:1.2V——左声道输入2脚:0.8V——左声道反馈3脚:12V——静噪4脚:0.8V——右声道反馈5脚:1.2V——右声道输入6脚:0V——地7脚:0V——空8脚:12.4V——右声道输出9脚:24V——电源10脚:12.4V——左声道输出11脚:--TDA1521伴音功放电路典型应用电路图该电路摘自长虹C2191,为OTL双声道接法。
TDA1521引脚功能及参考电压:1脚:11V——反向输入1(L声道信号输入)2脚:11V——正向输入13脚:11V——参考1(OCL接法时为0V,OTL接法时为1/2Vcc)4脚:11V——输出1(L声道信号输出)5脚:0V——负电源输入(OTL接法时接地)6脚:11V——输出2(R声道信号输出)7脚:22V——正电源输入8脚:11V——正向输入29脚:11V——反向输入2(R声道信号输入)TDA1013B伴音功放电路典型应用电路图TDA1013引脚功能及参考电压:1脚:0V——地2脚:7.7V——伴音输出3脚:16V——电源4脚:13.5V——电源5脚:0.3V——功放输入6脚:6.7V——前置输出7脚:2.8V——音量控制8脚:1.9V——音频输入9脚:0V——地TA8218AH伴音功放电路典型应用电路图TA8218AH引脚功能及参考电压:1脚:1.9V——反向输入端2脚:2.1V——R路音频信号输入端3脚:0V——地4脚:1.9V——反向输入端5脚:2.1V——重低音音频信号输入端6脚:2.1V——L路音频信号输入7脚:1.9V——反向输入端8脚:8.9V——滤波9脚:26V——电源10脚:13V——L路音频信号输出11脚:4.7V——静音12脚:4.5V——空13脚:0V——地14脚:13V——重低音信号输出15脚:5.0V——空16脚:4.6V——静音17脚:13V——R路音频信号输出TA8211AH伴音功放电路典型应用电路图该电路摘自长虹C2588形彩电1脚:2.1V——左声道负反馈外接电容2脚:2.2V——左声道信号输入3脚:0V——地4脚:2.2V——右声道信号输入5脚:2.1V——右声道负反馈外接电容6脚:8.2V——电源滤波7脚:12V——右声道信号输出8脚:2.2V——空9脚:24V——电源10脚:0V——地(功放)11脚:2.2V——空12脚:12V——左声道信号输出LA4287伴音功放电路典型应用电路图TV伴音信号从N601的(1)脚输入,AV伴音信号从N601的(3)脚输入,CPU(40)脚输出的TV/AV的切换信号经R601送到V601的基极,由V601倒相后控制N601的(4)脚,经内部选择后从N601的(9)脚输出音频信号,推动喇叭发声。
BCLK R/CLK SET VPO VBB +GN DA VPO-VPI VFRO VCC FSR DRMCLK R/PN DMCLK XBCLK X DXFSK TSX AN LB GSX VFXI+VFXI-TP3067外部引脚图各管脚功能如下:(1)VPO+接收功率放大器的非倒相输出(2)GNDA 模拟地,所有信号均以该引脚为参考点。
(3)VPO -接收功率放大器的倒相输出 (4)VPI 接收功率放大器的倒相输入。
(5)VFRO 接收滤波器的模拟输出。
(6)VCC 正电源引脚,VCC =+5V 士8% 。
(7)FSR 接收帧同步脉冲,它启动BCLKR ,于是PCM 数据接入DR , FSR 为脉冲序列8KHz 。
(8)DR 接收帧数据输入,PCM 数据随着前沿移入DR 。
(9)BCLKR \CLKSEL 在FSR 的前沿后把数据移入DR 的位时钟,其频率可从64KHz 至2048KHz ,另一方面它也可能是一个逻辑输入,以此为在同步模式中的主时钟选择频率1536KHz 八1544KHz 或2048KHz ,BCLKR 用在发送和接收两个方向。
(10) MCLKR \PDN 接收主时钟,其频率可以为1536MH 八1544MH 二或2048MHz,它允许与MCLKx 异步,但为了获得最佳性能应当与MCLKR 同,当MCLKR 连续联在低电位时,CLKx 被选用为所有内部定时,当MCLKR 连续工作在高电位时,器件就处于掉电模式。
(11) MCLKY 发送主时钟,其频率可以是1536KHz \ 1544KHz \ 2048KHz,它允许与MCLKR 同步,同步工作能实现最佳性能。
(12) BCLKx 把PCM 数据从Dx 上移出的位时钟,其频率可从64KHz 变至2048KHz ,但必须与MCLKx 同步。
(13) DX 由FSx 启动的三态PCM 数据输出 (14) FSX 发送帧同步脉冲输入,它启动BCLKx 并使Dx 上PCM 数据移出Dx 。
TDA1521制作15W双声道功放电路图-------------------------------------------------常用伴音电路-TDA1521该电路摘自长虹C2191,为OTL双声道接法。
TDA1521引脚功能及参考电压:1脚:11V——反向输入1(L声道信号输入)2脚:11V——正向输入13脚:11V——参考1(OCL接法时为0V,OTL接法时为1/2Vcc)4脚:11V——输出1(L声道信号输出)5脚:0V——负电源输入(OTL接法时接地)6脚:11V——输出2(R声道信号输出)7脚:22V——正电源输入8脚:11V——正向输入29脚:11V——反向输入2(R声道信号输入)TDA1521是荷兰飞利浦公司设计的低失真度及高稳度的芯片。
其中的参数为:TDA1521在电压为±16V、阻抗为8Ω时,输出功率为2×15W,此时的失真仅为%。
输入阻抗20KΩ, 输入灵敏度600mV,信噪比达到85dB。
其电路设有等待、静噪状态,具有过热保护,低失调电压高纹波抑制,而且热阻极低,具有极佳的高频解析力和低频力度。
其音色通透纯正,低音力度丰满厚实,高音清亮明快,很有电子管的韵味。
1、本功放板经过精心设计、布局。
板材选用1.6mm的优质玻璃纤维板,焊盘喷锡制造(尺寸:7.5cm*7cm)。
2、本功放板输出不失真功率为:15W*2。
散热片尺寸为76MM*43MM*22MM.3、整流为3A,200V的HER303快恢复二极管,电源滤波和退偶电容选用日本黑金刚105°长寿命电容,高频滤波为松下CBB无极电容。
耦合为橘红色的飞利浦补品电容,贝茹尔电路为德国西门子千层饼无极电容和优质金属五环电阻。
芯片为原装的飞利浦TDA1521(非台湾产)。
4、优质的元件和合理的设计保证了本功放板的音质十分出色。
(本功放板实物和图片完全相同)。
整流快恢复二极管是原装库存的,管脚有少许氧化,焊接前请用刀片清理好管脚的氧化层再焊接,防止虚焊!5、电源建议选用交流双12V输出,功率不小于30W的变压器。