工业控制系统自查表
- 格式:docx
- 大小:13.53 KB
- 文档页数:8
附件工业控制系统信息安全自查表填表说明一、组成结构本表包含三个分表:(1)工业控制系统信息安全检查情况汇总表(2)工业控制系统运营单位基本情况表(3)工业控制系统信息安全自查表二、填写对象各分表填写责任人如下:(1)工业控制系统信息安全检查情况汇总表:由各地经济和信息化主管部门指定专人负责汇总填写。
(2)工业控制系统运营单位基本情况表:由各工业控制系统运营单位指定专人负责填写。
(3)工业控制系统信息安全自查表:由工业控制系统运营单位的各工业控制系统负责人填写。
表1 工业控制系统信息安全检查情况汇总表1 重要工业控制系统是指与国家安全、国家经济安全、国计民生紧密相关的,如钢铁、有色、化工、装备制造、电子信息、核设施、石油石化、电力、天然气、水利枢纽、环境保护、铁路、城市轨道交通、民航、城市供水供气供热等工业生产领域中的工业控制系统。
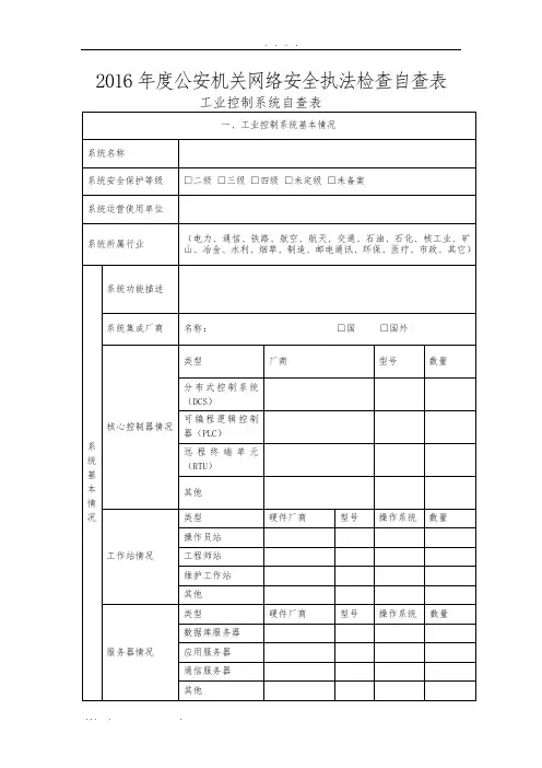
2 工业主机是指工业生产控制各业务环节涉及组态、操作、监控、数据采集与存储等功能的主机设备载体,包括工程师站、操作员站、历史站等。
表2 工业控制系统运营单位基本情况表注1:工控系统基本情况可另附表说明。
注2:此处工业控制系统的划分原则为1)具体的完整的工业控制系统:以企业工业自动化生产过程为基础,属于企业的一个自动化生产全过程或一个工业自动化生产装置;或者是2)工业控制系统中相对独立的一部分:以企业工业自动化生产过程的局部环节为基础,属于企业的一个自动化生产全过程或一个工业自动化生产装置的工业控制系统中的相对独立的且物理边界清晰的某个安全区域或通信网络。
1 按照《国民经济行业分类》(GB/T4745-2011)规定填写。
2 按照《事业单位登记管理暂行条例》登记的,为社会公益目的、由国家机关举办或者其他组织组织利用国有资产举办的,从事教育、科技、文化、卫生等活动的社会服务组织。
3 按照《中华人民共和国企业法人登记管理条例》登记注册的三类经济组织:(1)全部资产归国家所有的(非公司制)国有企业;(2)全部资产归国家所有的国有独资有限责任公司;(3)由国有资本占控制地位的有限责任公司和股份有限公司,此处称国有控股公司。
工业控制系统信息安全自查表填表说明一、组成结构本表包含三个分表:(1)工业控制系统信息安全检查情况汇总表(2)工业控制系统运营单位基本情况表(3)工业控制系统信息安全自查表二、填写对象各分表填写责任人如下:(1)工业控制系统信息安全检查情况汇总表:由各地工业和信息化主管部门指定专人负责汇总填写。
(2)工业控制系统运营单位基本情况表:由工业控制系统运营单位(含省属企业)指定专人负责填写。
(3)工业控制系统信息安全自查表:由工业控制系统运营单位的各工业控制系统负责人填写。
表1 工业控制系统信息安全检查情况汇总表1重要工业控制系统是指与国家安全、国家经济安全、国计民生紧密相关的,如钢铁、有色、化工、装备制造、电子信息、核设施、石油石化、电力、天然气、水利枢纽、环境保护、铁路、城市轨道交通、民航、城市供水供气供热等工业生产领域中的工业控制系统。
2工业主机是指工业生产控制各业务环节涉及组态、操作、监控、数据采集与存储等功能的主机设备载体,包括工程师站、操作员站、历史站等。
表2 工业控制系统运营单位基本情况表注1:工控系统基本情况可另附表说明注2:此处工业控制系统的划分原则为:1)具体的完整的工业控制系统:以企业工业自动化生产过程为基础,属于企业的一个自动化生产全过程或一个工业自动化生产装置;或者是2)工业控制系统中相对独立的一部分:以企业工业自动化生产过程的局部环节为基础,属于企业的一个自动化生产全过程或一个工业自动化生产装置的工业控制系统中的相对独立的且物理边界清晰的某个安全区域或通信网络。
1按照《国民经济行业分类》(GB/T4745-2011)规定填写。
2按照《事业单位登记管理暂行条例》登记的,为社会公益目的、由国家机关举办或者其他组织利用国有资产举办的,从事教育、科技、文化、卫生等活动的社会服务组织。
3按照《中华人民共和国企业法人登记管理条例》登记注册的三类经济组织:(1)全部资产归国家所有的(非公有制)国有企业;(2)全部资产归国家所有的国有独资有限责任公司;(3)由国有资本占控制地位的有限责任公司和股份有限公司,此处称国有控股公司。
附件:重要工业控制系统基本情况调查表及说明填表单位:(盖章)填报日期:年月日— 1 —填报说明一、调查范围本调查表中的重要工业控制系统是指在钢铁、有色、化工、电力、天然气、装备制造、环境保护、城市供水供气供热以及其他与国计民生紧密相关的领域中建设应用,采用数据采集监控、分布式控制、过程控制、可编程逻辑控制等技术,对生产设备进行状态监测、调度控制的系统。
对于一旦出现问题,可能导致等级安全事故的工业控制系统为本次调查对象。
其中,以可能导致以下后果之一的工业控制系统为主要调查对象。
1. 3人以上死亡或10人以上重伤;2. 1000万元以上直接经济损失;3. 影响10万人(含)以上正常生活;4. 对国家安全、社会秩序、经济建设和公共利益产生重大影响和严重后果。
5. 影响本单位正常生产经营活动产生无法有效提供产品、服务等严重后果。
二、保密要求根据填写内容敏感程度确定是否涉密,并在调查表上明确标识。
三、填报要求1. 工业控制系统因在各行业的应用场景不同而类型不同。
填表单位仅填写自身运营的工业控制系统相关情况,无某系统类型则调查表二中相应类型的表格可不填写。
—2—2. 表格中下划线表示需要填写的详细情况,可出格填写或另外附纸。
3. 报送材料需加盖单位公章。
以下填报材料涂红部分属于填报重点,图黄部分是填报重点说明。
此次调查的范围:钢铁、有色、化工、电力、天然气、装备制造、环境保护、城市供水供气供热以及其他与国计民生紧密相关的领域中应用的重要工业控制系统。
— 3 —工业控制系统信息安全管理情况调查表一一、运营单位基本情况2按照《事业单位登记管理暂行条例》登记的,为社会公益目的、由国家机关举办或者其他组织利用国有资产举办的,从事教育、科技、文化、卫生等活动的社会服务组织。
—4—3按照《中华人民共和国企业法人登记管理条例》登记注册的三类经济组织:(1)全部资产归国家所有的(非公司制)国有企业;(2)全部资产归国家所有的国有独资有限责任公司;(3)由国有资本占控制地位的有限责任公司和股份有限公司,此处称国有控股公司。
工业控制系统信息安全自查表填表说明一、组织构成报表包含四个分表:表1:工业控制系统运营服务单位基本情况表;表2:工业控制系统运营服务单位自查情况汇总表;表3:工业控制系统信息安全自查表;表4:工业企业工业云信息安全自查表。
二、填写对象各分表填写责任人如下:表1、表2、表4由工业控制系统运营服务单位指定专人负责填写,表3由工业控制系统负责人填写;表1部分内容(斜体部分)、表2全表可通过报送系统自动生成,表3、表4均需人工填写。
三、填报方式各工业控制系统运营服务单位可登录报送平台(:8080)直接填写。
表1 工业控制系统运营服务单位基本情况表注1:工控系统基本情况可另附表说明。
注2:此处工业控制系统的划分原则为1)具体的完整的工业控制系统:以企业工业自动化生产过程为基础,属于企业的一个自动化生产全过程或一个工业自动化生产装置;或者是2)工业控制系统中相对独立的一部分:以企业工业自动化生产过程的局部环节为基础,属于企业的一个自动化生产全过程或一个工业自动化生产装置的工业控制系统中的相对独立的且物理边界清晰的某个安全区域或通信网络。
注3:每个工控系统均应填写1个工业控制系统信息安全自查表(表3)。
1 按照《国民经济行业分类》(GB/T4745-2011)规定填写。
2 按照《事业单位登记管理暂行条例》登记的,为社会公益目的、由国家机关举办或者其他组织利用国有资产举办的,从事教育、科技、文化、卫生等活动的社会服务组织。
3 按照《中华人民共和国企业法人登记管理条例》登记注册的三类经济组织:(1)全部资产归国家所有的(非公司制)国有企业;(2)全部资产归国家所有的国有独资有限责任公司;(3)由国有资本占控制地位的有限责任公司和股份有限公司,此处称国有控股公司。
4 包括港、澳、台资本和其他地区外资资本投资设立的独资或控股的独资公司、有限责任公司和股份有限公司。
5 重要工业控制系统是指与国家安全、国家经济安全、国计民生紧密相关的,如钢铁、有色、化工、装备制造、电子信息、核设施、石油石化、电力、天然气、水利枢纽、环境保护、铁路、城市轨道交通、民航、城市供水供气供热等工业生产领域中的工业控制系统。
页眉内容
附件
工业控制系统信息安全自查表
填表说明
一、组成结构
本表包含三个分表:
表1工业控制系统信息安全检查情况汇总表
1重要工业控制系统是指与国家安全、国家经济安全、国计民生紧密相关的,如钢铁、有色、化工、装备制造、电子信息、核设施、石油石化、电力、天然气、水利枢纽、环境保护、铁路、城市轨道交通、民航、城市供水供气供热等工业生产领域
中的工业控制系统。
2工业主机是指工业生产控制各业务环节涉及组态、操作、监控、数据采集与存储等功能的主机设备载体,包括工程师站、
操作员站、历史站等。
表2工业控制系统运营单位基本情况表
表3工业控制系统信息安全自查表
注:多套系统可复印分别填写。
1工业主机是指工业生产控制各业务环节涉及组态、操作、监控、数据采集与存储等功能的主机设备载体,
包括工程师站、操作员站、历史站等。
附件工业控制系统信息安全自查表(填表说明(一、构成构造(本表包含三个分表:(1〕工业控制系统信息安全检查状况汇总表(2〕工业控制系统营运单位根本状况表(3〕工业控制系统信息安全自查表二、填写对象(各分表填写责任人以下:(1〕工业控制系统信息安全检查状况汇总表:由各地经济和信息化主管部门指定专人负责汇总填写。
(2〕工业控制系统营运单位根本状况表:由各工业控制系统运(营单位指定专人负责填写。
(3〕工业控制系统信息安全自查表:由工业控制系统营运单位的各工业控制系统负责人填写。
表1工业控制系统信息安全检查状况汇总表市州名称根本重要工业控制系统1营运单位总数:家状况重要工业控制系统总数:套种类设备国内品牌外国品牌可逻辑编程控制器〔PLC〕台台散布式控制系统〔DCS〕台台工业生远程终端设备〔RTU〕台台产控制数控机床台台设备工业机器人台台智能仪表台台其余台台工业网工业互换机台台工业路由器台台络通信串口效力器台台设备系统其余台台构成工业主机2台台状况工业主组态软件&数据收集与监控系统套套〔SCADA〕软件机设备工业数据库套套其余台台工业生制造履行系统〔MES〕套套ERP管理系统套套产信息工业云套套系统其余套套工业网工业防火墙台台工业网闸台台络安全主机安全防备设备台台设备其余台台1、安装防病毒软件或应用程序白名单软件的重要工业控制系统数目:安全软套件选择2、病毒库或白名单规那么实时更新的重要工业控制系统数目:与管理套状况3、按期对工业控制系统进行查杀的重要工业控制系统数目:套4、已成立防病毒和歹意软件入侵管理体制的重要工业控制系统数目:套1、已成立工业控制网络安全配置策略的重要工业控制系统数目:套、已成立工业主机安全配置策略的重要工业控制系统数目:套3、已成立工业控制设备安全配置策略的重要工业控制系统数目:配置和套补丁管4、已成立工业控制系统配置清单的重要工业控制系统数目:理状况套5、按期对配置清单进行更新和保护的重要工业控制系统数目:套6、实时修复重要工控安全破绽的重要工业控制系统数目:套1、直接与公司网连结的重要工业控制系统数目:套2、直接与互联网连结的重要工业控制系统数目:界限安套全防备3、对工业控制系统进行安全地区区分的重要工业控制系统数目:状况套4、对工业控制系统安全地区实行逻辑隔绝的重要工业控制系统数目:套1、已明确区分要点物理安全防备地区并成立物理安全防备举措的重要工业控制系统数量:物理和套环境安2、撤掉或封闭工业主机上不用要外设接口的重要工业控制系统数目:全防备套状况3、使用外设安全管理技术手段管理外设接口的重要工业控制系统数量:套1、使用身份认证管理手段的重要工业控制系统数目:套身份认2、以最小特权原那么分派账户权限的重要工业控制系统数目:证状况套3、未使用默认口令或弱口令的重要工业控制系统数目:套4、按期更新口令的重要工业控制系统数目:套1、面向互联网开通HTTP、FTP等网络效力的重要工业控制系统数目:套2、使用数据单向接见控制等策略进行安全加固的重要工业控制系统远程访数目:套问安全3、使用VPN等远程接入方式的重要工业控制系统数目:状况套4、保留工业控制系统有关接见日记的重要工业控制系统数目:套1、在工业控制网络部署网络安全监测设备的重要工业控制系统数目:套2、在重要工业控制设备前端已部署具备深度包剖析和过滤功能防备安全监设备的重要工业控制系统数量:测和应套急方案3、已拟订工控安全事件应急响应方案的重要工业控制系统营运单位操练情数目:家况4、按期对应急方案进行操练的重要工业控制系统营运单位数目:家5、对应急响应方案进行订正的重要工业控制系统营运单位数目:家1、成立工业控制系统财产清单的重要工业控制系统数目:套、对要点主机设备进行冗余配置的重要工业控制系统数目:财产安套全状况3、对网络设备进行冗余配置的重要工业控制系统数目:套4、对控制组件进行冗余配置的重要工业控制系统数目:套1、对静态储存的重要工业数据进行保护的重要工业控制系统数目:套数据安2、对动向传输的重要工业数据进行保护的重要工业控制系统数目:全状况套3、按期备份要点业务数据的重要工业控制系统数目:套4、对测试数据进行保护的重要工业控制系统数目:套1、合同中已商定效力商在效力过程中应该担当的信息安全责任和义供应链务的重要工业控制系统数量:管理情套况2、与效力商签署保密协议的重要工业控制系统数目:1套2落实责1、成立工控安全管理体制的重要工业控制系统营运单位数目:3任状况家456重要工业控制系统是指与国家安全、国家经济安全、国计民生密切有关的,如钢铁、有色、化工、装备制造、电子信息、核设备、石油石化、电力、天然气、水利枢纽、环境保护、铁路、城市轨道交通、民航、城市供水供气供热等工业生产领域中的工业控制系统。
附件工业控制系统信息安全自查表填表说明一、组成结构本表包含三个分表:〔1〕工业控制系统信息安全检查情况汇总表〔2〕工业控制系统运营单位基本情况表〔3〕工业控制系统信息安全自查表二、填写对象各分表填写责任人如下:〔1〕工业控制系统信息安全检查情况汇总表:由各地经济和信息化主管部门指定专人负责汇总填写。
〔2〕工业控制系统运营单位基本情况表:由各工业控制系统运营单位指定专人负责填写。
〔3〕工业控制系统信息安全自查表:由工业控制系统运营单位的各工业控制系统负责人填写。
表1 工业控制系统信息安全检查情况汇总表1 重要工业控制系统是指与国家安全、国家经济安全、国计民生紧密相关的,如钢铁、有色、化工、装备制造、电子信息、核设施、石油石化、电力、天然气、水利枢纽、环境保护、铁路、城市轨道交通、民航、城市供水供气供热等工业生产领域中的工业控制系统。
2 工业主机是指工业生产控制各业务环节涉及组态、操作、监控、数据采集与存储等功能的主机设备载体,包括工程师站、操作员站、历史站等。
表2 工业控制系统运营单位基本情况表注1:工控系统基本情况可另附表说明。
注2:此处工业控制系统的划分原则为1〕具体的完整的工业控制系统:以企业工业自动化生产过程为基础,属于企业的一个自动化生产全过程或一个工业自动化生产装置;或者是2〕工业控制系统中相对独立的一部分:以企业工业自动化生产过程的局部环节为基础,属于企业的一个自动化生产全过程或一个工业自动化生产装置的工业控制系统中的相对独立的且物理边界清晰的某个安全区域或通信网络。
1 按照《国民经济行业分类》〔GB/T4745-2011〕规定填写。
2 按照《事业单位登记管理暂行条例》登记的,为社会公益目的、由国家机关举办或者其他组织组织利用国有资产举办的,从事教育、科技、文化、卫生等活动的社会服务组织。
3 按照《中华人民共和国企业法人登记管理条例》登记注册的三类经济组织:〔1〕全部资产归国家所有的〔非公司制〕国有企业;〔2〕全部资产归国家所有的国有独资有限责任公司;〔3〕由国有资本占控制地位的有限责任公司和股份,此处称国有控股公司。