噪声实验指导书3(2014).
- 格式:doc
- 大小:2.24 MB
- 文档页数:28
噪声作业指导书一、背景介绍噪声是指在工作环境中产生的不受欢迎的声音,可能对员工的健康和工作效率产生负面影响。
为了保障员工的健康和提高工作效率,制定噪声作业指导书是必要的。
二、目的本文档的目的是为员工提供关于噪声作业的指导,包括噪声的定义、对员工健康的影响、噪声控制措施等,以匡助员工正确应对噪声环境,保护自己的健康。
三、噪声的定义噪声是指超过正常听觉范围的声音,通常以分贝(dB)为单位进行测量。
在工作环境中,常见的噪声源包括机器设备、交通工具、人声等。
四、噪声对员工健康的影响1.听力受损:长期暴露在高噪声环境中,可能导致听力受损,甚至听力丧失。
2.心理健康问题:噪声会导致员工焦虑、烦躁、失眠等心理健康问题,影响工作效率和生活质量。
3.生理健康问题:长期暴露在高噪声环境中,可能导致高血压、心脏病、消化系统问题等生理健康问题。
五、噪声控制措施1.技术控制措施:- 选择低噪声设备:在购买设备时,优先选择低噪声的设备,减少噪声源的产生。
- 维护设备:定期检查和维护设备,确保其正常运行,减少噪声产生。
- 隔离噪声源:在工作场所中采取隔音措施,如安装隔音墙、隔音门等,减少噪声传播。
2.行政控制措施:- 调整工作时间:合理安排员工的工作时间,避免在噪声最大的时段进行工作。
- 轮岗制度:实行轮岗制度,让员工有机会暂时远离噪声源,减少暴露时间。
- 提供个人防护设备:为员工提供耳塞、耳罩等个人防护设备,减少噪声对听力的影响。
3.培训和教育:- 噪声知识培训:向员工提供噪声知识培训,让他们了解噪声对健康的影响和应对方法。
- 安全操作培训:培训员工正确操作设备,减少噪声产生,提高工作效率。
六、员工的责任和义务1.遵守相关规定:员工应遵守公司制定的噪声控制规定,如佩戴个人防护设备等。
2.参预培训:员工应积极参预噪声知识培训和安全操作培训,提高自我保护意识。
3.报告问题:员工应及时向上级报告噪声问题,以便采取相应的控制措施。
1.目的规范声级计对工作场所噪声进行测量,使其符合认可要求,保证检测数据具有真实性和代表性,并符合统计学要求。
2.适用范围适用于本公司承担的一切工作场所物理因素一一噪声的测量工作。
3.职责1.1市场部负责签订职业卫生技术服务合同。
3.2职业卫生评价室负责制定现场测量方案。
4.3现场检测室负责实施工作场所噪声测量及声级计的保管、现场使用、日常校准和维护工作。
4.工作程序4.1测量仪器4.1.1声级计:2型或以上,具有A计权,“S(慢)”档。
5.1.2积分声级计或个人噪声剂量计:2型或以上,具有A计权、“S(慢)”档和“Peak(峰值)”档。
4.2现场调查为正确选择测量点、测量方法和测量时间等,必须在测量前对工作场所进行现场调查。
调查内容主要包括:4.2.1工作场所的面积、空间、工艺区划、噪声设备布局等,绘制略图。
4.2.2工作流程的划分、各生产程序的噪声特征、噪声变化规律等。
4.2.3预测量,判定噪声是否稳态、分布是否均匀。
4.2.4工作人员的数量、工作路线、工作方式、停留时间等。
4.3测量仪器的准备4.3.1测量仪器选择:固定的工作岗位选用多功能声级计;流动的工作岗位优先选用声级计,或对不同的工作地点使用多功能声级计分别测量,并计算等效声级。
4.3.2测量前应用声级校准器对测量仪器进行校正。
4.3.3多功能声级计或声级计设置为A计权、“S(慢)”档,取值为声级1pA或等效声级1Aeq;测量脉冲噪声时使用“Peak(峰值)”档。
4.4测点选择4.4.1工作场所声场分布均匀(测量范围内A声级差别<3dB(A)),选择3个测点,取平均值。
4.4.2工作场所声场分布不均匀时,应将其划分若干声级区,同一声级区内声级差每个区域内,选择2个测点,取平均值。
<3dB(A)o4.4.3劳动者工作是流动的,在流动范围内,对工作地点分别进行测量,计算等效声级。
4.4.4使用个人噪声剂量计的抽样方法参见附录Ao4.5测量4.5.1传声器应放置在劳动者工作时耳部的高度,站姿为1.50m,坐姿为1.IOmo4.5.2传声器的指向为声源的方向。
噪声作业指导书一、背景介绍噪声是指在环境中产生的不期望的声音,它对人们的健康和生活质量产生负面影响。
为了保护员工的听力健康和提高工作环境的质量,本指导书旨在提供关于噪声作业的指导和要求。
二、噪声作业的定义噪声作业是指在工作环境中产生噪声的活动,包括但不限于机械设备运行、施工作业、交通运输等。
噪声作业可能对员工的听力健康和工作效率产生负面影响。
三、噪声作业的影响1. 听力损失:长期暴露在高噪声环境下,会导致员工听力损失,严重影响工作和生活质量。
2. 健康问题:噪声作业可能导致员工浮现头痛、失眠、焦虑等健康问题。
3. 交流难点:高噪声环境下,员工之间的沟通将受到限制,影响工作效率和团队合作。
四、噪声作业的管理措施1. 噪声评估:对噪声作业区域进行评估,确定噪声源和噪声水平,制定相应的管理措施。
2. 噪声控制:采取技术措施,如隔音、降噪设备等,减少噪声的传播和影响。
3. 个人防护措施:为从事噪声作业的员工提供个人防护设备,如耳塞、耳罩等,确保其听力健康。
4. 工作时间和轮班安排:合理安排员工的工作时间和轮班,减少暴露在高噪声环境中的时间。
5. 培训和宣传:开展噪声作业的培训和宣传活动,提高员工对噪声危害的认识和防护意识。
五、噪声作业管理的责任分工1. 领导责任:负责制定噪声作业管理的政策和目标,并提供必要的资源和支持。
2. 监管部门责任:负责监督和检查噪声作业的合规情况,并及时提出改进建议。
3. 噪声作业责任人:负责制定噪声作业管理计划和具体措施,组织实施和监督执行情况。
4. 员工责任:积极配合噪声作业管理措施,正确使用个人防护设备,提出改进建议。
六、噪声作业管理的监督与评估1. 监督:定期进行噪声作业现场巡查,检查噪声控制设备的运行情况,及时发现和解决问题。
2. 评估:定期对噪声作业的管理效果进行评估,根据评估结果进行调整和改进。
七、紧急情况处理在发生紧急情况时,应即将采取措施保护员工的安全和健康。
作业指引书环境噪声旳测定编制人 审核人 批准人 批准日期作业指引书 第1页 共6页 第0次修改主题:声环境噪声旳测定作业指引书颁布日期:-12-20声环境噪声旳测量作业指引书1 主题含义本措施规定了测量敏感建造物噪声、声环境功能区噪声旳措施。
2 测试措施2.1 措施来源中华人民共和国国标GB3096-《声环境质量原则》2.2 合用范畴本措施规定了五类声环境功能区旳环境噪声测量措施。
2.3 测量仪器测量仪器精度为 2 型及2 型以上旳积分平均声级计或者环境噪声自动监测仪器,其性能需符合GB3785 和GB/T 17181 旳规定,并定期校验。
测量先后使用声校准器校准测量仪器旳示值偏差不得不小于0.5 dB,否则测量无效。
声校准器应满足GB/T 15173 对1 级或者2 级声校准器旳规定。
测量时传声器应加防风罩。
2.4 测量条件2.4.1 气象条件测量应在无雨雪、无雷电旳天气条件下进行。
当风速达到5米/秒以上时,必须住手测量。
2.4.2 仪器测量条件(a)A声级:用A计权网络测得旳声级,用LA表达,单位dB(A);(b)时间计权特性:“慢”或者“快”。
2.5 测点选择根据监测对象和目旳,可选择如下三种测点条件(指传声器所置位置)进行环境噪声旳测量:a)普通户外距离任何反射物(地面除外)至少3.5 m 外测量,距地面高度1.2 m 以上。
必要时可置于高层建造上,以扩大监测受声范畴。
使用监测车辆测量,传声器应固定在车顶部1.2m 高度处。
b)噪声敏感建造物户外在噪声敏感建造物外,距墙壁或者窗户1 m 处,距地面高度1.2 m 以上。
c)噪声敏感建造物室内作业指引书 第2页 共6页 第0次修改主题:声环境噪声旳测定作业指引书颁布日期:-12-20距离墙面和其她反射面至少 1 m,距窗约1.5 m 处,距地面1.2 m~1.5 m 高。
2.6敏感建造物噪声监测2.6.1 监测规定监测点普通设于噪声敏感建造物户外。
噪声作业指导书一、引言噪声作业指导书是为了确保工作环境中的噪声水平符合相关法规和标准,保护员工的听力健康,提高工作效率而编写的。
本指导书旨在提供一系列的操作指导,包括噪声测量、噪声控制措施和员工个人防护。
二、噪声测量1. 测量目的噪声测量的目的是评估工作场所的噪声水平,确定是否存在超标噪声源,并为制定噪声控制措施提供依据。
2. 测量方法(1)选择适当的噪声测量仪器,确保其准确性和可靠性。
(2)按照测量仪器的使用说明进行操作,包括设置测量参数和位置。
(3)在不同工作岗位进行噪声测量,记录测量结果。
3. 测量结果分析(1)根据测量结果,确定噪声水平是否超过国家或者地方的法规和标准。
(2)分析噪声源的特点和产生原因,确定可能的噪声控制措施。
三、噪声控制措施1. 设备和工艺控制(1)选择低噪声设备和工艺,避免使用高噪声设备。
(2)对于已有的高噪声设备,考虑采取隔声罩、隔声板等措施进行控制。
2. 工作场所布局(1)合理规划工作场所布局,将噪声源远离员工工作区域。
(2)合理设置隔音墙、隔音门等隔离措施,减少噪声传播。
3. 维护和保养(1)定期检查和维护设备,确保其正常运行,减少噪声产生。
(2)及时更换老化的设备部件,避免噪声增加。
4. 噪声防护设施(1)为噪声暴露较高的工作岗位提供个体防护设施,如耳塞、耳罩等。
(2)员工应正确佩戴和使用个体防护设施,确保其有效性。
四、员工培训与宣传1. 噪声危害知识培训(1)向员工提供噪声危害知识培训,包括噪声对听力健康的影响、噪声相关法规和标准等内容。
(2)培训内容应简明扼要、易于理解。
2. 使用个体防护设施的培训(1)向员工提供正确佩戴和使用个体防护设施的培训。
(2)培训内容应包括个体防护设施的种类、使用方法和注意事项等。
3. 宣传活动(1)定期组织噪声防护宣传活动,提高员工的噪声防护意识。
(2)通过宣传海报、宣传单页等形式,向员工传递噪声防护知识和相关政策。
五、监测与改进1. 定期监测(1)制定噪声监测计划,定期对工作场所的噪声水平进行监测。
“环境噪声测量”指导书1实验目的1. 学习声级计的使用2. 实地测量环境噪声,分析噪声来源3. 计算统计声级L10、L50、L90 , 以及TNI值2实验原理城市人口的增长,工厂的扩增,交通的发展相应的带来了干扰人们生活,影响生产的噪声污染,甚至形成了公害。
我国为适应四个现代化建设的需要,在降低城市环境噪声中做了不少研究工作,近年来后制订了<城市区域环境噪声标准>,<城市环境噪声测量方法>,<工业企业噪声检查规范>,<城市交通噪声测试规范>等。
对于从事城市建设和规划的工作者来说,控制和降低城市环境噪声是一项十分重要的工作。
使用噪声测量仪测量噪声统计分布,分析噪声来源、分布。
按区域的使用功能特点和环境质量要求,声环境功能区分为以下五种类型:0 类声环境功能区:指康复疗养区等特别需要安静的区域。
1 类声环境功能区:指以居民住宅、医疗卫生、文化教育、科研设计、行政办公为主要功能,需要保持安静的区域。
2 类声环境功能区:指以商业金融、集市贸易为主要功能,或者居住、商业、工业混杂,需要维护住宅安静的区域。
3 类声环境功能区:指以工业生产、仓储物流为主要功能,需要防止工业噪声对周围环境产生严重影响的区域。
4 类声环境功能区:指交通干线两侧一定距离之内,需要防止交通噪声对周围环境产生严重影响的区域,包括4a 类和4b 类两种类型。
4a 类为高速公路、一级公路、二级公路、城市快速路、城市主干路、城市次干路、城市轨道交通(地面段)、内河航道两侧区域;4b 类为铁路干线两侧区域。
环境噪声限值单位:dB(A)时段声环境功能区类别昼间夜间0类50 401类55 452类60 503类65 554类4a类70 554b类70 60。
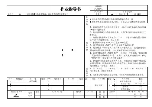
工序号44工序名称第44 页123序号物料编号数量序号物料编号数量No.数量No.数量11521套263尺寸配传感夹具3741台4851台版本编 制审 核批 准6、再调节Y轴旋钮(VOLTS/DIV),的档位,使合格品“样板电机”的振动波形峰-峰值在4格,见图2,至此机器调整结束,移走“样板电机”该设备可进行测试工作。
7、把被测电机放在测试传感夹具上,接通驱动电源使电机运转在额定转速,屏幕振动波形峰-峰值在总计5格以内为合格电机,超出5格为不合格品,见图3.测试电源12、当要进行噪声强度定量分析时,可用噪声测量仪校准上述设备。
2.检查物件外观,确保无损坏,变形.不合格品标识清楚放在指定位置.1、按“噪音过大”;“振动过大”;有“杂音”;有“异常声音”,等分类清楚,以便分类处理!1、将测试传感夹具放在橡胶板上,测试传感夹具插头与示波器CH1接口连接可靠。
年 月 日年 月 日各型号电机A共 48页版本号安全注意事项变更记录更 改 说 明变更者作业指导书操作步骤文件编号:作业准备产品编号:1.将本工序所需的物料对照相应的物料编号清点一遍.产品名称:2、将示波器CH2扫描线移除屏幕,只留CH1扫描线显示并处于工作状态。
3、调整扫描基线调节旋钮(VERTICAL),将水平扫描线置于屏幕正中水平刻度线位置,见左上图。
6、将合格品“样板电机”放在测试传感夹具上,接通驱动电源使电机运转在额定转速,此时屏幕有振动波形出现。
4、扫描频率旋钮(SEC/DIV)置于50mS位置。
5、调节Y轴旋钮(VOLTS/DIV)先预置在5mV档位置电机空载噪音、振动参数测试作业指导书成品电机管制重点名 称名 称2014年 02 月 22 日日 期王保泽工具名称设备、工具名称示波器噪声测量仪1橡胶板一块噪声传感夹具+。
噪声作业指导书一、背景介绍噪声是指在工作场所或居住环境中产生的不期望的声音。
长时间暴露在高噪声环境下会对人们的身体健康和心理健康产生负面影响。
因此,为了保护员工的健康和提高工作效率,制定噪声作业指导书是非常必要的。
二、目的本指导书的目的是确保在工作场所中噪声水平控制在合理范围内,保护员工的听力健康,提高工作效率。
三、适用范围本指导书适用于所有工作场所,包括生产车间、办公室、商业场所等。
四、噪声控制措施1. 设备维护:定期检查和维护设备,确保其正常运行,减少噪声产生。
2. 隔音措施:在需要的地方安装隔音设备,如隔音墙、隔音窗,减少噪声传播。
3. 声学设计:在新建工作场所时,应考虑声学设计,采取合适的材料和结构,减少噪声产生和传播。
4. 噪声屏蔽:对于特别嘈杂的工作环境,应提供个人防护设备,如耳塞、耳罩等,保护员工的听力健康。
5. 噪声监测:定期进行噪声监测,确保噪声水平符合相关标准,并及时采取控制措施。
五、员工培训1. 噪声知识培训:向员工提供关于噪声的基本知识,包括噪声的危害、噪声的测量和控制方法等。
2. 使用个人防护设备培训:向员工提供正确使用个人防护设备的培训,包括如何佩戴、调整和保养个人防护设备。
六、噪声监测和评估1. 噪声测量:定期进行噪声测量,记录噪声水平,并与相关标准进行比较。
2. 噪声评估:根据测量结果和相关标准,评估噪声对员工的影响,并提出相应的控制建议。
七、应急措施1. 突发噪声事件的处理:对于突发噪声事件,应立即采取措施进行控制,如关闭噪声源或疏散员工等。
2. 紧急救援:在噪声事件发生时,应设立紧急救援队伍,及时处理相关问题。
八、责任分工1. 管理层:负责制定和实施噪声控制措施,提供必要的培训和设备。
2. 监测人员:负责定期进行噪声监测和评估。
3. 员工:积极参与噪声控制措施,正确使用个人防护设备。
九、监督和检查管理层应定期对噪声控制措施进行检查和评估,确保其有效实施。
同时,员工也可以向管理层提出改进建议和意见。
噪声作业指导书一、背景介绍噪声是指在人们工作、生活环境中产生的各种声音,它对人体健康、心理和工作效率都会产生负面影响。
为了保护员工的身心健康,提高工作效率,本指导书旨在规范噪声作业,减少噪声对员工的影响。
二、噪声作业的定义噪声作业是指在工作场所中,由于机械设备、工艺过程、交通运输等原因产生的噪声,影响员工正常工作和生活的活动。
三、噪声作业的影响1. 健康影响:长期暴露在高噪声环境中,会导致听力损伤、耳鸣、头痛、失眠等健康问题。
2. 心理影响:噪声会引起员工的焦虑、压力和情绪不稳定,降低工作积极性和生活质量。
3. 工作效率影响:噪声会干扰员工的集中注意力,降低工作效率和生产质量。
四、噪声作业管理措施1. 噪声监测:定期对工作场所进行噪声监测,确保噪声水平符合国家标准,及时发现和解决问题。
2. 工艺改进:通过改进工艺流程、优化设备结构等方式,减少噪声产生。
3. 隔离措施:对于无法降低噪声的设备或工艺,应采取隔离措施,将噪声源与员工隔离开来。
4. 个体防护措施:提供适当的个体防护设备,如耳塞、耳罩等,为员工提供良好的防护效果。
5. 噪声警示标识:在噪声作业区域设置噪声警示标识,提醒员工注意噪声危害并采取相应防护措施。
6. 员工培训:定期开展噪声作业相关的培训,提高员工对噪声危害的认识和防护意识。
五、噪声作业的责任分工1. 管理部门负责制定噪声作业管理制度和相关标准,并组织实施。
2. 生产部门负责对噪声作业进行监测和评估,并提出改进措施。
3. 安全环保部门负责对噪声作业进行监督检查,确保噪声作业符合相关法律法规和标准。
4. 员工应严格遵守噪声作业管理制度,正确使用个体防护设备,并积极参与相关培训。
六、紧急情况处理在发生噪声作业相关的紧急情况时,应立即采取以下措施:1. 呼叫紧急救援电话,报告情况并请求支援。
2. 尽量远离噪声源,寻找安全区域躲避。
3. 穿戴个体防护设备,确保自身安全。
4. 遵循紧急撤离计划,有序撤离现场。
噪声检测作业指导书篇一:工作场所噪声的检测作业指导书工作场所噪声的检测作业指导书工作场所噪声的检测受控状态:受控号:持有人:编写人:李爱春审核人:周敬文批准人:张济版号:第一版编写、修改记录编写日期:2006年11月28日审核日期:2006年12月25日批准日期:2006年12月28日修订:第0次修订修改处修改内容修改人批准人生效日期工作场所噪声的检测1. 目的为了规范职业卫生技术服务过程中工作场所噪声测量工作,确保测量工作质量,制定本作业指导书。
2. 适用范围适用于工作场所噪声测量。
3. 职责现场监测人员严格按照规范、程序和作业指导书进行设点和测试。
4. 术语4.1 稳态噪声:在观察时间内,采用声级计“慢挡”动态特性测量时,声级波动小于3 dB的噪声。
4.2 非稳态噪声:起伏噪声和间歇噪声的总称。
4.2.1 起伏噪声:在观察时间内,采用声级计“慢挡”动态特性测量时,声级波动大于3 dB的噪声。
4.2.2 间歇噪声:在观察时间内,声级多次突然下降到背景噪声级的噪声,声级在不同于环境声级的常值的时间为1s 或1s以上。
4.3 倍频程:两个基频比为2的声音或其他信号间的频程。
4.4 频谱:把时间函数的分量按幅值或相位表示为频率的分布图形。
4.5 中心频率:倍频程中最高与最低频率的几何平均频率。
即f中心=(f上限·f下限)1/24.6 等效声级:在规定的时间内,某一连续稳态声A[计权的声压,具有与随时间变化的噪声相同的均方A声压,则这一连续稳态声的声级就是此时间变化噪声的等效声级。
5. 程序5.1 连续噪声5.1.1 测量仪器:声级计、噪声频谱分析仪。
5.1.2 测试点选择原则5.1.2.1 若车间内各处A声级差别不大(小于3分贝),则只需在车间内选择1-3个测点。
5.1.2.2 若车间内各处声级波动较大(大于3分贝),则需按声级大小,将车间分成若干区域,任意两个区域的声级差应大于或等于3分贝,每个区域内的声级波动必须小于3分贝,每个区域取1-3个测点。
噪声监测作业指导(总6页)--本页仅作为文档封面,使用时请直接删除即可----内页可以根据需求调整合适字体及大小--WORK INSTRUCTION 标题: 噪声监测项目作业指导书文件编号:修订记录1.适用范围本指导书适用于环境监测中噪声的监测,其中包括区域环境噪声、企业场界噪声、建筑施工噪声和道路施工噪声。
本标准和具体的项目可能有一定的差异,需具体对待。
2.规范性引用文件本标准内容引用了下列文件中的条款。
凡是不注日期的引用文件,其有效版本适用于本标准。
建筑施工场界环境噪声排放标准----GB12523-2011工业企业厂界环境噪声排放标准—GB12348-2008声环境质量标准-GB3096-20083.设备与器材噪声监测的准备设备和材料有相应的噪声监测仪器、气象参数测定仪器、测距仪等,还有相应的辅助材料和记录的材料。
4. 采样步骤现场采样程序包括四个步骤:接受采样任务单采样的准备现场采样出具数据报告采样任务单的接受采样人员从接受采样任务单后,详细了解该次采样任务的时间、地点、采样频次、采样项目等内容。
采样的准备根据采样任务单的内容,确定测定的项目和测定的目的后,从样品室领取噪声测定的相应的设备和材料。
采样前也相应的关注采样地区的天气情况,保证无雨雪、无雷电天气,风速为5m/s以下进行。
风速风向仪使用前登记正常,使用后登记正常。
现场采样(1)现场资料的调查到达采样的现场后,了解该区域地理位置,根据噪声功能区划图,得到该区域所处功能区类别。
如果该区域面向交通干线,则利用测距仪和米尺量出噪声敏感建筑物与交通干线的距离,根据《城市区域环境噪声适用区划分技术规范》确定敏感点所执行的功能区标准类别。
(2)噪声种类的确认及布点的原则了解噪声污染源的种类,选择《工业企业厂界环境噪声排放标准》还是《社会生活环境噪声排放标准》,根据敏感点噪声污染状况,进行点位的布设,包括距噪声敏感建筑物较近及受被测声源影响大的位置。
环境噪声控制工程指导书刘晖、明彩兵刘洁萍编仲恺农业技术学院环境系二0一0年三月时间:地点:学校英东楼415环保教研室测量人:班级:学号:指导老师:同一组同学的学号评分:实验一声级计的使用一、实验目的运用声级计测量空气压缩机的f-Lp,f-L A,L PT,L AT,熟悉声级计的使用和机器噪声、风扇噪声的测量方法,验证L PT,L AT的计算方法。
二、实验原理声级计是将声能转化为电能,从而测量声音的强弱,原理如图所示:三、实验装置1、声级计;2、空气压缩机3、4台风扇四、实验步骤1、测量点的选择:声级计距离地面m,距离空气压缩机为m。
2、用声校准器将声音进行校正。
快档:噪声不随时间起伏,相当于信号加入的平均时间为0.27秒,接近人耳听觉生理的平均时间与人的感觉协调。
慢档:信号加入的平均时间为1.05秒,表头上达到最大值,在噪声中声级起伏超过4dB,则用慢档。
3、将空气压缩机和4台风扇全部打开,声级计分别置于线性(Lin)和A档,测量状态1此时的f-Lp,f-L A,L PT,L AT3、将空气压缩机关闭,4台风扇全部打开,声级计分别置于线性(Lin)和A档,测量状态2此时的f-Lp,f-L A,L PT,L AT4、将空气压缩机关闭和4台风扇全部关闭,声级计分别置于线性(Lin)和A档,测量状态3,即背景声的f-Lp,f-L A,L PT,L AT五、数据记录与处理1、测量点的选择,并用图示意2、数据记录:六、数据处理(1)计算平均值(2)空气压缩机的真实f-Lp,f-L A,L PT,L AT分别是多少?作f-L A曲线?属于高频还是低频噪声?(3)每台风扇的真实f-Lp,f-L A,L PT,L AT分别是多少?作f-L A曲线?属于高频还是低频噪声?(4)计算LAT 与LPT之值,与实际的测量值相差多少?时间: 地点: 学校南门仲恺路 测量人: 班级: 学号: 指导老师: 同一组同学的学号 评分:实验二 道路交通噪声的测量一 实验目的通过本实验加深对交通噪声特征的了解,并掌握等效连续声级及累计百分数声级的概念。
“环境噪声测量”指导书1实验目的1. 学习声级计的使用2. 实地测量环境噪声,分析噪声来源3. 计算统计声级L10、L50、L90 , 以及TNI值2实验原理城市人口的增长,工厂的扩增,交通的发展相应的带来了干扰人们生活,影响生产的噪声污染,甚至形成了公害。
我国为适应四个现代化建设的需要,在降低城市环境噪声中做了不少研究工作,近年来后制订了<城市区域环境噪声标准>,<城市环境噪声测量方法>,<工业企业噪声检查规范>,<城市交通噪声测试规范>等。
对于从事城市建设和规划的工作者来说,控制和降低城市环境噪声是一项十分重要的工作。
使用噪声测量仪测量噪声统计分布,分析噪声来源、分布。
按区域的使用功能特点和环境质量要求,声环境功能区分为以下五种类型:0 类声环境功能区:指康复疗养区等特别需要安静的区域。
1 类声环境功能区:指以居民住宅、医疗卫生、文化教育、科研设计、行政办公为主要功能,需要保持安静的区域。
2 类声环境功能区:指以商业金融、集市贸易为主要功能,或者居住、商业、工业混杂,需要维护住宅安静的区域。
3 类声环境功能区:指以工业生产、仓储物流为主要功能,需要防止工业噪声对周围环境产生严重影响的区域。
4 类声环境功能区:指交通干线两侧一定距离之内,需要防止交通噪声对周围环境产生严重影响的区域,包括4a 类和4b 类两种类型。
4a 类为高速公路、一级公路、二级公路、城市快速路、城市主干路、城市次干路、城市轨道交通(地面段)、内河航道两侧区域;4b 类为铁路干线两侧区域。
环境噪声限值单位:dB(A)时段声环境功能区类别昼间夜间0类50 401类55 452类60 503类65 554类4a类70 554b类70 60。
噪声测量作业指导书1.目的为规范环境噪声测量过程的流程及要求,确保数据测量的准确性,特制定本作业指导书。
2.使用范围本作业指导书适用于本公司环境检测中各类噪声的检测工作。
3.参考标准GB 3096-2008 《声环境质量标准》GB 12348-2008 《工业企业厂界环境噪声排放标准》GB 12523-2011 《建筑施工场界环境噪声排放标准》GB 12525-1990 《铁路边界噪声限值及测量方法》GB 22337-2008 《社会生活环境噪声排放标准》4.仪器设备4.1 测量仪器为积分平均声级计或环境噪声自动监测仪,其性能应不低于GB3785和GB/T17181对2型仪器的要求。
测量35dB以下的噪声应使用1型声级计,且测量范围应满足所测量噪声的需要。
校准所用仪器应符合GB/T15173对1级或2级声校准器的要求。
当需要进行噪声的频谱分析时,仪器性能应符合GB/T3241中对滤波器的要求。
4.2 测量仪器和校准仪器应定期检定合格,并在有效使用期限内使用;每次测量前、后必须在测量现场进行声学校准,其前、后校准示值偏差不得大于0.5dB,否则测量结果无效。
4.3测量时传声器加防风罩。
4.4 测量仪器时间计权特性设为“F”挡,采样时间间隔不大于1s。
5.测量条件5.1气象条件:测量应在无雨雪、无雷电天气,风速为5m/s以下时进行。
不得不在特殊气象条件下测量时,应采取必要措施保证测量准确性,同时注明当时所采取的措施及气象情况。
5.2测量工况:测量应在被测声源正常工作时间进行,同时注明当时的工况。
6.测量程序6.1测点位置1.测点布设①根据工业企业声源(生活噪声排放源)、周围噪声敏感建筑物的布局以及毗邻的区域类别,在工业企业厂界(社会生活噪声排放源边界)布设多个测点,其中包括距噪声敏感建筑物较近以及受被测声源影响大的位置。
①根据施工场地周围噪声敏感建筑物位置和声源位置的布局,测点应设在对噪声敏感建筑物影响较大、距离较近的位置。
噪声作业指导书
引言概述:
噪声作业指导书是一份重要的文件,旨在为工作人员提供有关噪声作业的准确指导和操作规范。
噪声作业指导书的编写和执行对于保护工作人员的健康和安全至关重要。
本文将从五个大点来阐述噪声作业指导书的内容。
正文内容:
1. 噪声作业的背景和意义
1.1 噪声作业的定义和范围
1.2 噪声作业对工作人员健康的影响
1.3 噪声作业的法律法规和标准
2. 噪声作业的风险评估和管理
2.1 噪声作业的风险评估方法
2.2 噪声作业的风险管理措施
2.3 噪声作业的个人防护措施
3. 噪声作业的操作规范
3.1 噪声作业的操作程序和流程
3.2 噪声作业的设备和工具使用规范
3.3 噪声作业的作业环境管理
4. 噪声作业的监测和控制
4.1 噪声作业的监测方法和设备
4.2 噪声作业的控制措施
4.3 噪声作业的效果评估和改进措施
5. 噪声作业的培训和意识提升
5.1 噪声作业的培训计划和内容
5.2 噪声作业的意识提升活动
5.3 噪声作业的经验分享和案例分析
总结:
噪声作业指导书是为了保护工作人员的健康和安全而编写和执行的重要文件。
本文从噪声作业的背景和意义、噪声作业的风险评估和管理、噪声作业的操作规范、噪声作业的监测和控制以及噪声作业的培训和意识提升等五个大点详细阐述了噪声作业指导书的内容。
惟独严格按照指导书的要求进行作业,才干有效减少噪声作业对工作人员健康的影响,确保工作环境的安全与舒适。
噪声作业指导书一、背景介绍噪声是指在环境中存在的任何不希翼的声音,它对人类的身心健康和生活质量产生负面影响。
在工作场所,噪声也是一个常见的问题,可能会对员工的工作效率和健康造成负面影响。
为了保障员工的健康和提高工作效率,制定一份噪声作业指导书是非常必要的。
二、目的和范围本噪声作业指导书的目的是为了提供给员工在噪声环境下工作时的相关指导和措施,以保护他们的听力和身体健康。
本指导书适合于所有工作场所,特别是那些噪声水平超过国家标准的场所。
三、噪声评估和监测1. 噪声评估:在每一个工作场所都应进行噪声评估,以确定噪声水平是否超过国家标准。
评估可以通过专业的噪声测量设备进行,或者可以委托第三方机构进行评估。
2. 噪声监测:定期对工作场所进行噪声监测,以确保噪声水平始终保持在安全范围内。
监测结果应记录并保存,以备查阅。
四、噪声控制措施1. 工程控制:通过改变工作场所的布局、安装隔音设备等方式来减少噪声的传播和影响。
2. 行政控制:通过制定合理的工作时间安排,减少员工在噪声环境下的工作时间。
3. 个体防护措施:为员工提供个人防护设备,如耳塞或者耳罩,以减少噪声对耳朵的影响。
五、员工培训和意识提升1. 员工培训:对所有员工进行噪声相关知识的培训,包括噪声的危害、防护措施的正确使用等。
2. 意识提升:通过宣传海报、工作会议等方式提高员工对噪声问题的重视程度,鼓励他们积极采取防护措施。
六、应急处理1. 突发噪声事件:当突发噪声事件发生时,应即将采取措施将员工转移到肃静的地方,并提供必要的紧急救援。
2. 事故调查与总结:对突发噪声事件进行调查与总结,找出原因并采取相应的措施,以防止类似事件再次发生。
七、监督和检查1. 内部监督:公司应设立专门的噪声管理部门,负责噪声控制和监督工作的实施,并定期对各个工作场所进行检查。
2. 外部监督:可以委托第三方机构进行噪声监测和评估,确保噪声控制措施的有效性。
八、噪声管理的持续改进公司应定期评估噪声管理的有效性,并根据评估结果进行改进。
声传感器噪声测量实验指导书一. 实验目的1. 掌握声压级的测量方法。
2. 掌握噪声的测量方法。
二. 实验原理声音是大气压上的压强波动,这个压强波动的大小简称为声压,以p表示,其单位是Pa(帕)。
从刚刚可以听到的声音到人们不堪忍受的声音,声压相差数百万倍。
显然用声压表达各种不同大小的声音实属不太方便,同时考虑了人耳对声音强弱反应的对数特性,用对数方法将声压分为百十个等级,称为声压级。
声压级的定义是:声压与参考声压之比的常用对数乘以20,单位是dB(分贝)。
其表达式为:式中,p为声压,是参考声压,它是人耳刚刚可以听到的声音。
值得注意的是两个声压级或多个声压级相加不是dB的简单算术相加,是按照对数的运算规律相加。
声压级只反映声音的强度对人耳的响度感觉的影响,而不能反映声音频率对响度感觉的影响。
利用具有一个频率计权网络的声学测量仪器,对声音进行声压级测量,所得到的读数称为计权声压级,简称声级,单位为dB。
声学测量仪器中,模拟人耳的响度感觉特性,一般设置A、B和C三种计权网络。
声压级经A计权网络后就得到A声级,用LA表示,其单位计作dB(A)。
经大量实验证明,用A声级来评价噪声对语言的干扰,对人们的吵闹程度以及听力损伤等方面都有很好的相关性。
另外,A声级测量简单、快速,还可以与其它评价方法进行换算,所以是使用最广泛的评价尺度之一。
如金属切削机床通用技术条件规定:高精度机床噪声容许小于75dB(A);精密机床和普通机床噪声容许小于85dB(A)。
实际测量中,除了被测声源产生噪声外,还有其它噪声存在,这种噪声叫作背景噪声。
背景噪声会影响到测量的准确性,需要对结果进行修正。
初略的修正方法是:先不开启被测声源测量背景噪声,然后再开启声源测量,若两者之差为3dB,应在测量值中减去3dB,才是被测声源的声压级;若两者之差为4~5dB,减去数应为2dB;若两者之差为6~9dB,减去数应为1dB;当两者之差大于10dB时,背景噪声可以忽略。
环境噪声控制工程指导书刘晖、明彩兵刘洁萍编仲恺农业技术学院环境系二0一0年三月时间:地点:学校英东楼415环保教研室测量人:班级:学号:指导老师:同一组同学的学号评分:实验一声级计的使用一、实验目的运用声级计测量空气压缩机的f-Lp,f-L A,L PT,L AT,熟悉声级计的使用和机器噪声、风扇噪声的测量方法,验证L PT,L AT的计算方法。
二、实验原理声级计是将声能转化为电能,从而测量声音的强弱,原理如图所示:三、实验装置1、声级计;2、空气压缩机3、4台风扇四、实验步骤1、测量点的选择:声级计距离地面m,距离空气压缩机为m。
2、用声校准器将声音进行校正。
快档:噪声不随时间起伏,相当于信号加入的平均时间为0.27秒,接近人耳听觉生理的平均时间与人的感觉协调。
慢档:信号加入的平均时间为1.05秒,表头上达到最大值,在噪声中声级起伏超过4dB,则用慢档。
3、将空气压缩机和4台风扇全部打开,声级计分别置于线性(Lin)和A档,测量状态1此时的f-Lp,f-L A,L PT,L AT3、将空气压缩机关闭,4台风扇全部打开,声级计分别置于线性(Lin)和A档,测量状态2此时的f-Lp,f-L A,L PT,L AT4、将空气压缩机关闭和4台风扇全部关闭,声级计分别置于线性(Lin)和A档,测量状态3,即背景声的f-Lp,f-L A,L PT,L AT五、数据记录与处理1、测量点的选择,并用图示意2、数据记录:六、数据处理(1)计算平均值(2)空气压缩机的真实f-Lp,f-L A,L PT,L AT分别是多少?作f-L A曲线?属于高频还是低频噪声?(3)每台风扇的真实f-Lp,f-L A,L PT,L AT分别是多少?作f-L A曲线?属于高频还是低频噪声?(4)计算LAT 与LPT之值,与实际的测量值相差多少?时间: 地点: 学校南门仲恺路 测量人: 班级: 学号: 指导老师: 同一组同学的学号 评分:实验二 道路交通噪声的测量一 实验目的通过本实验加深对交通噪声特征的了解,并掌握等效连续声级及累计百分数声级的概念。
二 实验原理等效连续A 声级及累计百分数声级对测试的交通噪声进行评价,等效连续A 声级又称等能量A 计权声级,它等效于在相同的时间T 内与不稳定噪声能量相等的连续稳定噪声的A 声级.0.11110lg 10Ai i N L i Leq T τ=⎡⎤=⎢⎥⎣⎦∑或0.11110lg 10Ai N L eq i L N =⎡⎤=⎢⎥⎣⎦∑ 式中:Leq -等效连续声级,dB ; T -总的测量时间段,s ; Ai L -第i 个A 计权声级,dB ; i τ-采样间隔时间,s ; N -测试数据个数。
累计百分数声级Ln 表示在测量时间内高于Ln 声级所占时间为n %。
对于统计特性符合正态分布的噪声,其累计百分数声级与等效连续A 声级之间有近似关系:2109050()60eq L L L L -≈+三 实验步骤1、准备好符合要求的测试仪器,打开电源稳定后,用校准器将仪器校准到标准声级;2、在选定的测量位置不止测点,距马路边缘20cm 处,距两交叉路口应大于50m ,测点高于地面高度为 1.2m ,并尽可能避开反射物,以减少周围反射物对测试结果的影响;3、按等时间间隔(选取5s ),读取各时间间隔内瞬时A 声级,在测量开始时间时同时进行双向车流量计数(10min ),连续测量200个数据。
4、测量结束后,用校准器再次进行校准,检查前后校准误差是否小于3dB ,否则重新测量。
5、在自动仪器上读取max L 、min L 、10L 、50L 、90L 、L eq 。
6、将测量得到的200个A 声级数据,按从大到小的顺序排列,读出第20个、第100个以及第180个数据的声级值,它们依次分别为累计百分数声级10L 、50L 、90L 的值,通过公式计算得到L eq 。
四 数据记录1、时间: 星期2、;测量人: 天气: 仪器:3、地点: 计权网络: 噪声源:4、快/慢档: 取样时间间隔:5、取样总次数:6、10min 的车流量: 1小时:7、数据记录:单位:dBA8、在自动仪器上读取的:max L 、min L 、10L 、50L 、90L 、Leq五、数据处理(1)将由上表数据按从大到小排列,则:L 90,L 50,L 10各为多少?则根据公式2109050()60eq L L L L -≈+=?(2)在自动仪器上读取的:max L 、min L 、10L 、50L 、90L 、Leq 各为多少? (3)自动仪器和表中所计算的数据相差多少?时间:地点:学校英东楼415环保教研室测量人:班级:学号:指导老师:同一组同学的学号评分:实验三(1`)隔声罩性能的研究一、实验目的运用声级计测量噪声在不同状态下的A计权声压级,了解隔声罩对降噪效果的影响。
二、实验原理声波在空气中传播时,使声能在传播途径中受到阻挡而不能直接通过的措施称为隔声,其中我们可以利用隔声罩来达到降噪的效果。
当隔声罩贴吸声材料时,其中吸声材料可以把声能转化为热能散发,当隔声罩跟吸声材料两者相结合时,降噪效果更加。
三、实验装置1、声级计;2、隔声罩;3、吸声棉;4、隔声垫;5、空气压缩机。
四、实验步骤1、测量点的选择:声级计距离隔声罩0.50m,高度为1.20m,而不是以空气压缩机的位置为准。
2、测五个状态下的A计权声压级f-L A。
1)状态1:开空气压缩机;2)状态2:开空气压缩机+隔声垫;3)状态3:状态2+隔声罩密封+内有吸声棉;4)状态4:状态2+隔声罩开口+内有吸声棉;5)状态5:状态4+内无吸声棉。
五、数据记录与处理1、数据记录:状态1:状态2:状态3:状态4:状态5:六、数据处理(1)绘五种状态下的f-L A曲线,并用不同特点的线条表示不同的状态(2)计算各频率下的插入损失(3)绘插入损失与频率的关系图,并分析插入损失与频率的关系(4)分析隔声罩的制作要求时间:地点:学校英东楼415环保教研室测量人:班级:学号:指导老师:同一组同学的学号评分实验三(3)声屏障插入损失的测量一、实验目的掌握测量声屏障插入损失的方法。
二、实验原理噪声在传播途径中遇到障碍物,若障碍物尺寸远大于声波波长,大部分声能被反射和吸收,一部分绕射,于是在障碍物背后一定距离形成“声影区”。
声影区的大小与声音的频率和声屏障高度有关,频率越高,声影区的范围越大。
声屏障将声源和保护目标隔开,使保护目标落在屏障的声影区内。
三、实验装置电动机、声屏障、声级计四、实验步骤用直接法测量:1、参考点的选择参考位置的测量目的是为了监测声屏障安装前后声源的等效性,参考点位置的选择在原则上应保证声屏障的存在不影响声源在参考点位置的声压级。
当声源与声屏障的距离D>15m时,参考点应位于声屏障平面内上方1.5m处。
当D<15m时,参考点的位置应在声屏障平面内上方,并保证声源区域近点与参考位置、声屏障顶端的连线夹角为10°。
本实验声屏障高为1m,声源距离声屏障距离也为1m,则参考点的位置为声屏障平面内上方5510.428︒-=。
tg m2、测量点的确定距声屏障0.2m,垂直地面高度0.58m。
3、声级计的安装、校正。
4、测量未安装声屏障时,测量点与参考点的A计权声压级,每个频率下读三个数字,然后取平均值。
5、测量安装声屏障后测量点与参考点的A计权声压级,也是每个频率下读三个数字,然后取平均值。
五、实验数据处理测量点:装隔声屏前测量点:装隔声屏后参考点:装隔声屏前参考点:装隔声屏后数据处理表中:,,,,()()ref a ref b r a r b IL L L L L =--- ,ref b L -参考点安装声屏障前的声压级。
dB ; ,ref a L -参考点安装声屏障后的声压级,dB ; ,r b L -接收点安装声屏障前的声压级,dB ; ,r a L -接收点安装声屏障后的声压级,dB 。
六、数据处理1、计算各频率下的插入损失2、绘制插入损失与频率的曲线图,并分析插入损失与频率的关系3、分析隔声屏的制作要求HS6288E型多功能噪声分析仪使用说明书国营四三八○厂嘉兴分厂HS6288E型多功能噪声分析仪使用说明书国营四三八○厂嘉兴分厂一概述HS6288E型多功能噪声分析仪是一种便携式智能化的噪声测量仪器,它集积分、噪声统计、噪声采集等几种功能于一体,在设计和功能上都有许多创新,能满足多种测量要求,主要性能指标符合JJG188—2002声级计检定规程要求。
本仪器具有大屏幕液晶显示,测量结果可长期保存在仪器内,最多可以存储500组单组数据和4组整时数据,通过内置RS-232C接口可在现场或事后用微型打印机打印出来或传送至计算机中。
本仪器结构紧凑、造型美观、功能多、自动化程度高,可用于环境噪声的测量,也可用于劳动保护、工业卫生及各种机器、车辆、船舶、电器等工业噪声测量。
二主要技术性能1传声器:Φ12.7mm(1/2″)驻极体测试电容传声器2测量范围:35dB~130dB3频率范围:20Hz~12.5kHz4频率计权:A、C计权5时间计权:快(F)、慢(S)6检波器特性:LMS真有效值,峰值因数37级量程:设高、中、低三档,每档线性范围≥60dB。
8测量时间设定:10s、1min、5min、10min、15min、20min、30min 、1h、8h、24h、24h整时、Man (人工)。
时钟:年、月、日、时、分、秒自动运行。
9自动测量功能:L A、Leq、、L N(L5、L10、L50、L90、L95)、SD、Lmax、Lmin、Ld、Ln、Ldn等10测量数据自动存储:500组。
11显示器:大屏幕液晶显示具有模拟表针、背光源显示等功能。
12输出接口:交流输出、直流输出、RS-232C接口。
13延伸电缆:视用户要求可配5米、10米、15米、20米14电源:5节LR6(5号) 高能碱性电池,并设有外接电源插入插孔。
15外形尺寸:l×b×h(mm) 290×80×3016质量:480g17环境条件:温度-10℃~50℃、相对湿度 20%~90%三工作原理与主要功能1 内有日历时钟,关机后还可长期准确运行,不用每次开机重新设定。
2 测量方式2种:①单组测量L N(L5、L10、L50、L90、L95)、可测量某组或某个网格点的Lp、Leq、、SD、Lmax、Lmin等,可记录下启动测量的日期和时间,以上测量结果可通过液晶显示屏显示或通过微型打印机打印出来,也可连计算机打印。
② 24h整时自动测量L N(L5、L10、L50、L90、L95)、可测量某个点24小时的Lp、Leq、、SD、Lmax、Ld、Ln、Ldn、Lmin等,每小时测量多少时间可根据用户从10s~1h任意设定。