采购流程与表格.docx
- 格式:docx
- 大小:41.45 KB
- 文档页数:27
询价采购流程图招标采购附表:招标采购部负责组织招标采购的工程、物资范围一览表(工程类)注:营销类、行政类招标采购服务、物资范围一览表分别由营销中心、行政中心编制,格式同上表。
招采部自行议标采购物资备案表本表格由招采部编制,议标结束后48小时内报运营中心、使用部门备案。
招标文件确认会签单(Z-2)施工企业考察评价意见表(Z-3)综合服务类单位考察评价表(Z-4)项目名称:工程名称:服务项目名称:服务单位名称:地址:联系人:电话:考察情况:1.检测装备:2.测试方式:3.检测结果的资料保证:4.服务方式:5.其他:综合评价:推荐□不推荐□考察人(签名)日期:考察情况综合评价意见(Z-5)评标报告(Z-6)中标人确认报告(Z-7)合同会签表(Z-8)中标通知书项目名称:工程名称:中标单位:致:你单位参与的上述(服务、工程、材料、设备、设置)投标,经确定你单位中标。
请贵方在接到本中标通知后,立即(2日内)与我方联系合同签订事宜。
超过上述时限,视为自动放弃中标,我方将另外选择其他单位。
贵方投标保证金不予退还。
招标人(盖章):年月日投标人资格预审情况汇总表(Z-8-1)投标人参加开标会登记表(Z-8-2)项目:开标会参会人员登记表(Z-8-3)项目名称:开标会主持人发言稿(Z-8-4)现在是北京时间,我宣布投标截止,迟到的投标文件不再接收。
建设工程招标开标大会现在开始。
为保证开标大会严肃、有序地进行,特提出以下会场纪律,请到会人员共同遵守。
1、到会人员应自觉维护会场程序,遵守会务人员安排。
2、所有与会人员的通讯工具暂停使用。
3、非工作原因,不得来回走动。
4、投标人如有异议,可向招标人和监督部门书面陈述,不得高声喧哗,妨碍正常开标、评标。
5. 对开标会议的违规行为,投标人有权以书面形式向主管监督部门提出意见。
二、参加这次开标大会的监督部门代表是:主管部门领导有:业主代表有:投标单位有:各投标单位的代表参加了今天的开标会,我代表本次招标活动的组织单位对参加会议的各位代表表示热烈的欢迎。
云南顺驰装饰工程有限公司材料采购流程
采购申请→审批、签字→采购→材料入库→费用报销1、采购申请:部门采购材料前应填制材料采购申购表,其内容应
包括品种、厂家、价格、数量、性能等要素。
且须做到货比三家(定点采购除外)。
(申请表见附表)
2、审批、签字:采购申请人将制好的采购计划交部门负责人签字,
再交于财务部审核,最终递交总经理审批后方可施行采购。
3、实施采购:由设计部(设计部)与采购申请人一起进行采购。
4、材料入库:采购完成后,采购申请人凭采购申请表、货物清单、
发票及时将材料交于工程部负责人,配件人员须严格认真审核采购材料的数量、质量,并填写入、出库明细清单做好台账登记。
5、费用报销:采购申请人须及时凭采购发票、货物清单、采购申
请单、入库单明细清单到公司财务部报销(报销时间为入库后15天内进行报销)。
注:采购过程中严禁弄虚作假、假公济私,一经发现将处于实际经济损失5倍的罚款,并全公司通告批评,情节严重者做开除处理。
采购申请表
申请日期:年月日。
采购管理表格和管理流程1 第三节采购部管理表格和管理流程一、采购计划表1.商品采购计划表品种货号供应商编号规格数量单价金额购进方式提货方式采购日期到货日期备注填表人时间:采购部经理签字时间:总经理签字时间:2.商品年度采购计划表编号:制表人:物品种类序号品名规格单位单价年度销售量现有库存量年计划采购量年用金额计划采购日期123……制表日期:年月日本表有效期:年月日至年月日二、商品采购预算表编号:填写日期:年月日采购员:季度一二三四合计预计销售量(单位:)A类商品B类商品预计损耗量A类商品B类商品加:期末库存量A类商品B类商品预计需要量合计A类商品B类商品减:期初库存量A类商品B类商品预计采购量A类商品B类商品商品单价(单位:元)A类商品B类商品预计采购金额(单位:元)A类商品B类商品三、商品请购明细表请购人:填写日期:年月日编号品名规格色别数量供应商单价预交日期…………………………………………四、日进货记录表部门经理:经理:经办人:日期:五、供应商选择表编号:筛选日期:采购项目筛选供应商数量筛选人员生产技术设备情况产品质量服务水平认证水平管理水平供应商名称优良差优良差优良差优良差优良差优良差筛选结果筛选总结总经理审批意见日期:年月日。
工程物资采购管理制度及流程表格一、总则为规范和管理工程项目中的物资采购工作,确保采购过程合规、公平、透明、高效,保障项目顺利进行,特制订本制度。
二、适用范围本制度适用于公司所有工程项目中的物资采购管理工作。
三、采购管理流程1. 采购需求确认(1)项目部门根据项目需求确定物资采购需求。
(2)项目部门向采购部门提交采购需求申请。
2. 采购计划编制(1)采购部门收到采购需求申请后,进行初步审核,确定采购计划。
(2)编制采购计划,包括物资名称、规格型号、数量、预算金额等信息。
3. 供应商筛选(1)采购部门根据采购计划,制定供应商招标方案。
(2)发布供应商招标公告,邀请符合条件的供应商参与竞标。
(3)评审供应商资格,确定投标供应商名单。
(4)组织供应商投标,评审投标文件,确定中标供应商。
4. 合同签订(1)与中标供应商进行商务谈判,确定合同具体条款。
(2)双方签订采购合同,明确双方责任、权利和义务。
5. 物资交付验收(1)供应商按合同约定交付物资。
(2)采购部门组织验收,确认物资质量和数量是否符合合同要求。
6. 结算支付(1)根据验收结果,确认物资质量和数量无误后,进行结算。
(2)财务部门按合同约定支付采购款项。
四、采购管理制度1. 采购需求确认(1)项目部门负责提出物资采购需求,并提供相关资料。
(2)采购部门负责审核采购需求的合理性和完整性。
2. 采购计划编制(1)采购部门负责制定采购计划,并报领导批准。
(2)采购计划应包括物资清单、数量、预算金额等内容。
3. 供应商筛选(1)采购部门负责根据采购计划制定供应商招标方案。
(2)供应商招标应公开、公平、公正,确保供应商参与竞标的权利。
4. 合同签订(1)财务及法务部门负责审核合同条款,确保合同内容合法合规。
(2)项目负责人和供应商签订采购合同,双方应严格履行合同义务。
5. 物资交付验收(1)采购部门应及时组织验收,确保物资质量和数量符合合同要求。
(2)如发现问题,应及时与供应商协商解决。
采购程序流程图担当部门/人员 运 作 流 程质量记录采购部采购部 质量部采购部、质量部 质量部 技术中心采购部 采购部对供应商取得报价初选供应商对供应商调查是否通过顾客批准的第二方审核或第三方认证?试用确认、PPAP试用确认是否合格定为合格供应商供应商跟踪考核对供方进行全面的能力审核、PPAP是否能满足规定的要求供方更改YESYESNONONOYESNO→供方调查评定表→供货协议→合格供方一览表→供应商考核表供 应 商 基 本 资 料 表AF-QP019—011 企业/公司名称:2 企业成立时间: 公司注册资本: 公司面积:3 企业法人: 总经理:4 市场部负责人: 品质部负责人: 技术部负责人: 检验部负责人:5 地址: 邮编:6 电话: 传真: 网址:7 员工总人数: 生产工人: 检验员: 技术人员(大专以上): 品管人员(大专以上):8 年销售额: 今年销售额(年初至目前):去年销售额: 前年销售额:9 目前主要客户:10目前主要产品及每月生产能力(每月平均实际生产量):11 样品货期: 批量货期:12 正常运输交货方式: 紧急运输交货方式:13 质量保证体系:已通过 □ISO9001认证 □AQS9000认证 □TS16949认证;□ 准备在 月内认证;□ 目前无认证计划, 有检验员 名,执行下列检验工作: 检验, 检验, 检验, 检验14检验、测试机构及相应设备:15 职工培训情况:是否经常、正规的进行16 供应商类型: □分销商 □代理商 □制造商17产品介绍:主要产品名称及产量18 发票信息发票类型: □17%增值税发票 □普通发票 □其他公司开户行及帐号:税号:19 业务联系人: 性别: 电话: 电子邮件:20 财务联系人: 性别: 电话: 电子邮件:附件1.企业/产品介绍 2.公司营业执照副本复印件3.公司税务登记证(国税)复印件4.公司税务登记证(地税)复印件5.用于生产的主要设备清单6.用于检验、测试的设备仪器7.质量认证证件8.质量管理手册9.其他(以上附件均需尽可能提供)签字和盖章: 日期: 备注:上述内容签字、盖章后方才有效。
采购计划与预算一、制定目的为制定采购计划与预算编制流程,配合公司预算制度的推行,特制定本规章。
二、适用范围本公司每年度之采购数量计划资金预算。
三、采购计划编制规定1、采购计划的作用1)预估用料数量、交期、防止断料。
2)避免库存过多、资金积压、空间浪费。
3)配合生产经营计划之达成。
4)配合公司资金运用、周转。
5)指导采购工作。
2、采购计划之编制1)公司于每年年底制订次年度之经营目标。
2)市场部根据年度经营目标作市场开发部预测等,作为市场采购之测评基础依据。
3)工程部根据市场部预测,制订次年度之预测生产安装计划。
4)财务部(采购岗)根据生产预测计划,库存状况,汇总各种物料、物品之需求计划,制订次年度之物料需求计划。
3、采购计划编制注意事项采购计划要避免过于乐观或保守,应注意的事项有:1)公司年度目标达成可能性。
2)生产计划之可行性和预见问题。
3)物料需求、库存状况之确定性。
4)物料标准成本之影响。
5)保障生产与降低库存之平衡。
6)物料采购价格和市场供需之可能变化。
4、采购预算编制规定一般原则:1)采购预算分为用料预算与购料预算。
2)本年底预计库存中之可用材料应计入次年度之用料预算,但不列入购料预算;次年度预计库存不列入用料预算,但应列入购料预算。
3)购料单价特殊物料外,应以年度成本降低目标预估。
用料预算:1)工程部负责次年度生产用料之各月预算明细的编列。
2)物料之损耗率应计入用料预算,但应以年度损耗率目标制订,一般可略高于标准损耗率而低于上年度平均损耗率,低于或等于年度损耗率目标。
3)财务部负责汇总工作。
购料预算:1)采购人员负责次年各购料预算明细之编列。
2)购料预算应考虑采购前置期、付款方式、库存状况。
3)购料预算应以付款份为编列依据。
4)购料预算应考虑安全库存与最大库存,符合年度库存周转率之目标。
5)购料预算应考虑分批采购、一次采购之优劣和市场单价趋势。
附件:1、材料采购计划2、采购询价单3、损失索赔通知书4、物料订购跟催表/催料表5、采购合同约定表材料采购计划日期:批准/日期:审核/日期:编制:4采购询价单填单:5。
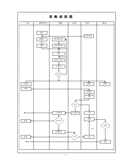
采购流程与表格
5.直接材料采购预算表
编号:填写日期:年月日
6.年度原材料采购预算表
编号:填写日期:年月日
7.采购现金预算表
审批:审核:
8.材料定期采购计划表
填写日期:年月日页次:
9.订单采购计划表
填写日期:年月日编号:
10.月度材料采购计划表
填写日期:年月日编号:
11.所有物品年度采购计划表
编号:
制表人:
制表日期:年月日本表有效期:年月日至年月日12.物品申购表
编号:
申请人:填写日期:年月日
13.材料请购单
请购单编号:请购日期:年月日
14.设备采购申请表
15采购变更申请表
16.采购变更审批表
编号:申请日期:年月日
制表人:
17.采购审核表
日期:年月日
18.材料采购记录表
日期:年月日
19.采购月报表
月
月份:年
产品品名:填写日期:年月日
21.原材料采购数量排名表
22.采购预算编制流程
23.采购预算编制流程说明表
24.采购计划编制流程图
24.采购计划编制流程说明表
25月度采购计划编制流程图
26.月度采购计划编制流程说明表
27.采购计划审批流程图
28.采购计划审批流程说明表
29.采购计划管理流程图
30.采购计划管理流程说明表
31.采购调查主题项目表
32.价值分析实施细则表
33.物料调查的内容详解表。
采购流程与表格
5.直接材料采购预算表
编号:填写日期:年月日
6.年度原材料采购预算表
编号:填写日期:年月日
7.采购现金预算表
审批:审核:填表:
8.材料定期采购计划表
填写日期:年月日页次:
9.订单采购计划表
填写日期:年月日编号:
10.月度材料采购计划表
填写日期:年月日编号:
批准/日期:/ 年月日审核/日期:/ 年月日编制人:11.所有物品年度采购计划表
编号:制表人:
制表日期:年月日本表有效期:年月日至年月日12.物品申购表
编号:
申请人:填写日期:年月日13.材料请购单
请购单编号:请购日期:年月日
14.设备采购申请表
15采购变更申请表
16.采购变更审批表
编号:申请日期:年月日
制表人:电话:
17.采购审核表
日期:年月日
18.材料采购记录表
日期:年月日
19.采购月报表
月份:年月
20.单件产品采购统计表
填写日期:年月日
产品品名:
21.原材料采购数量排名表
22.采购预算编制流程
23.采购预算编制流程说明表
24.采购计划编制流程图
24.采购计划编制流程说明表
25月度采购计划编制流程图
26.月度采购计划编制流程说明表
27.采购计划审批流程图
28.采购计划审批流程说明表
29.采购计划管理流程图
30.采购计划管理流程说明表
31.采购调查主题项目表
32.价值分析实施细则表
33.物料调查的内容详解表。
1.采购单由总经理签完字有采购评审单后进行采购
2.采购按采购单与供货商签合同,走合同评审后订货,订货数量及单价供货周
期完全按采购单价格执行。
3.订货单同时发给供货人及接收人。
4.接收人按供货周期收货并及时(一周内)将收货单变至采购部郭玉玮本人处,
如未按期送货至收货人主动推后送货时间等问题,及时反馈采购部共同解决。
5.采购单(一张或几张)中的收货单均齐全且数量单价等信息与采购单均一致
时,采购部将采购单(一张或几张)上账至电脑:
a)月结账:每月20日出报表,25日出供应商往来明细。
b)报销:按接收方提供的收据发票和采购单复印件填写保销单,报销。
注:每月20日提供的完整采购单应有以下内容
1.项目评审单或采购评审单
2.采购合同
3.报销单或采购付款明细表
4.收货单收据、发票的复印件
注:完整的报销单应有以下内容
1.报销单(有采购部签字的)
2.采购单复印件
3.收据、发票原件或付款的微信截图
付款:
1.每月25日之后(即已完成可以报销的采购单)报销人填写报销单,采购
部人员核实签字,报销人在付款明细表签字后由付款人给出。
2.先付款项目由采购人填写报销单,报销人在付款明细表签字后由付款人
给出。
材料招标采购流程图及相关表格材料招标采购流程图成立招标采购领导小组施工科物资需用量计划原材料预算单价计划科包括各种原材料、结构件等的详细技术资料及图样招标领导小组确定招标方式并发布信息物资科报名表物资科资格预审物资科下发邀请函物资科购买招标文件物资部门编制投标书/制作标的物资部门送达投标书并做好记录招标领导小组开标 ?定评标委员会成员评标委员会成员评标评标委员会成员答疑评委确定中标单位招标领导小组合同前评审物资部门下发中标通知书物资部门签订购销合同物资部门整理资料归档物资部门上报招标、评审有关资料及有关招标文件要求的报表报名表(招标编号: )招标项目名称:序号单位名称单位法人报名人单位地址传真联系电话备注购买标书的单位登记表(招标编号: )招标项目名称:序号购买标书单位名称购买人签字时间备注报送标书登记表(招标编号 : )招标项目名称:序号单位名称送达人签字送达时间密封状况联系电话传真备注注:不符合密封要求的不予接收.物资唱标记录(招标编号: )招标项目名称:序号投标单位名称报价密封状况份数有无优惠条件投标人签字备注监标员: 唱标员: 记录员: 公证单位、公证员评标委员、工作人员名单(招标编号: )招标项目名称:分工姓名工作单位职务职称电话签字主任委员监标员: 唱标员: 记录员: 公证单位、公证员:工程物资招标采购情况统计报告表单位: 年月日计划当地市场采购招标采购签约节省开序工程物资计量压低费数量单价支金额备注单价金额单价金额号名称规格单位率 % (元) (元) (元) (元) (标书) (元)A B C D E F G H I J K表中各栏关系:F=E×C;H=G×C;I=F-H;J=I/F×100(保留两位小数)单位负责人: 计划: 财务: 业务:物资招标评标意见(招标编号: )招标项目名称: 年月日评标意见:结论性意见:评委姓名职务职称工作单位联系电话此记录综合出结果当众密封保存,未经批准不得拆封查阅。
采购流程与表格
5.直接材料采购预算表
编号:填写日期:年月日
6.年度原材料采购预算表
编号:填写日期:年月日
7.采购现金预算表
审批:审核:填表:
8.材料定期采购计划表
填写日期:年月日页次:
9.订单采购计划表
填写日期:年月日编号:
10.月度材料采购计划表
填写日期:年月日编号:
批准/日期:/ 年月日审核/日期:/ 年月日编制人:
11.所有物品年度采购计划表
编号:制表人:
制表日期:年月日本表有效期:年月日
至年月日
12.物品申购表
编号:
申请人:填写日期:年月日
13.材料请购单
请购单编号:请购日期:年月日
14.设备采购申请表
15采购变更申请表
16.采购变更审批表
编号:申请日期:年月日
制表人:电话:
17.采购审核表
日期:年月日
18.材料采购记录表
日期:年月日
19.采购月报表
月份:年月
20.单件产品采购统计表
产品品名:填写日期:年月日
21.原材料采购数量排名表
22.采购预算编制流程
23.采购预算编制流程说明表
24.采购计划编制流程图
26.月度采购计划编制流程说明表
27.采购计划审批流程图
28.采购计划审批流程说明表
29.采购计划管理流程图
30.采购计划管理流程说明表
31.采购调查主题项目表
32.价值分析实施细则表
33.物料调查的内容详解表。