2013-2014-1工程力学I试卷(A)
- 格式:pdf
- 大小:499.73 KB
- 文档页数:7
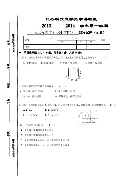
学院 专业 班 学号 姓名密封线内不要答题 密封线内不要答题江苏科技大学张家港校区2013 - 2014 学年第一学期《工程力学》(64学时) 课程试题(A 卷)题号 一二三总分20212223得分一、单项选择题(共10小题,每小题3分,共计30分)1.图示三铰刚架上作用一力偶矩为m 的力偶,则支座B 的约束反力方向应为( C ) A. 沿BC 连线 B.沿AB 连线 C.平行于AC 连线 D.垂直于AC 连线2、衡量材料塑性变形能力的指标是( A )A. 延伸率,截面收缩率B. 弹性模量,泊松比C. 延伸率,弹性模量D. 弹性模量,截面收缩率3、已知平面图形的形心为C ,面积为A ,对z 轴的惯性矩为Iz ,则图形对z 1轴的惯性矩是( D ) A. I z +b 2A B. I z +(a+b)2A C. I z +(a 2-b 2)A D.I z +(b 2-a 2)A4、下列表述中正确的是( D ) A. 主矢和主矩都与简化中心有关 B. 主矢和主矩都与简化中心无关C. 主矢与简化中心有关,而主矩与简化中心无关 D .主矢与简化中心无关,而主矩与简化中心有关5、 图所示阶梯形杆AD 受三个集中力F 作用,设AB 、BC 、CD 段的横截面面积分别为2A 、3A 、A ,则三段杆的横截面上( B )。
A. 轴力相等,应力相等 B. 轴力不等,应力不等 C .轴力不等,应力相等8、以下关于截面上内力的大小的结论哪一个是正确( A )。
A. 与截面的尺寸和形状无关B. 与截面的尺寸有关,但与截面的形状无关C. 与截面的尺寸和形状有关D. 与截面的形状有关,但与截面的尺寸无关9、电机轴的直径为20mm ,电机功率为5KW ,转速为1000rpm 。
当电机满负荷工作时,轴上的扭矩是( C )A. 475.5 m N ⋅B. 4.755 m N ⋅C. 47.75m N ⋅D. 4775m N ⋅ 10、一水平折杆受力如图所示,则AB 杆的变形为( C )A. 偏心拉伸B.纵横弯曲C.弯扭组合D.拉弯组合C二、填空题(共9小题,每空1分,共计21分)11、低碳钢在拉伸过程中的变形可分为弹性、屈服、强化、颈缩四个阶段。
201x~201x学年第x学期期末考试《工程力学》试题(A)xx 专业 xx 级第x学期201x年x月一、选择题(30分)1. 静力学研究的对象是()A、物体B、流体C、物质D、刚体2. 两个大小为3N、4N的力合成一个力时,此合力最大值为()A、5NB、7NC、12ND、1N3. 在研究拉伸与压缩应力应变时,我们把杆件单位长度的绝对变形称为()A、应力B、线应变C、变形D、正应力4. 质点动力学基本方程为()A、W=FSB、P=MVC、I=FTD、F=ma5. 以下关于截面上内力的大小的结论哪一个是正确的?()A、与截面的尺寸和形状无关B、与截面的尺寸有关,但与截面的形状无关C、与截面的尺寸和形状有关D、与截面的形状有关,但与截面的尺寸无关6.下图的合力是()A、F1B、F2C、F3D、F47.在下列关于轴向拉压杆轴力的说法中,错误的是()A.拉压杆的压力只有轴力B.轴力的作用线与杆轴线重合C.轴力是沿杆轴作用的外力D.轴力与杆的横截面积和材料有关8.设一阶梯形杆的轴力沿杆轴是变化的,则在发生破坏的截面上()A.外力一定最大,且面积一定最小B.轴力一定最大,且面积一定最大C.轴力不一定最大,但面积一定最小D.轴力与面积之比一定最大9.下列说法中不正确的是:()A力使物体绕矩心逆时针旋转为负B.平面汇交力系的合力对平面内任一点的力矩等于力系中各力对同一点的力矩的代数和C.力偶不能与一个力等效也不能与一个力平衡D.力偶对其作用平面内任一点的矩恒等于力偶矩,而与矩心无关10. 下列表述中正确的是()A. 主矢和主矩都与简化中心有关。
B. 主矢和主矩都与简化中心无关。
C. 主矢与简化中心有关,而主矩与简化中心无关。
D.主矢与简化中心无关,而主矩与简化中心有关。
11.一圆截面直杆,两端承受拉力的作用,若将其直径增加一倍,则杆的抗拉刚度将是原来的()。
A. 2倍B. 4倍C. 6倍D. 8倍12. 现有钢、铸铁两种棒材,其直径相同。
(勤奋、求是、创新、奉献)2012~2013学年第一学期《工程力学一》期末考试试卷A学院 _________________ 班级 __________ 姓名 __________ 学号 ___________(本卷考试时间90 分钟)题号 一 二 三 四 五 六 总得分 题分 30 16 12 15 14 13 得分一、填空题(5小题,每题空2分,共30分)1. 1. 求图示结构B 支座的约束力分别是(a)NB F = 3P/2 ,(b)NB F = 3P/2 。
(a) (b)2.均质杆以角速度ω绕O 轴转动,质量为m ,长度为l 。
杆的动量=p m6ω,对转轴O 的动量矩=O L ,杆的动能=T。
3. 平面机构如图所示。
已知21//O O AB ,且L O O AB ==21,r BO AO ==21,ABCD 是矩形板,b BC AD ==,1AO 杆以匀角速度ω绕1O 轴转动,则矩形板重心1C 点的速度和加速度的大小分别为=v ﹍﹍ωr ﹍﹍﹍﹍﹍﹍﹍,=a ﹍﹍ω2r ﹍﹍﹍﹍﹍﹍,应在图上标出它们的方向。
4. 复摆由长为L 的细杆OA 和半径为r 的圆盘固连而成,动点M 沿盘的边缘以匀速率u 相对于盘作匀速圆周运动。
在图示位置,摆的角速度为ω,则该瞬时杆上A 点速度大小等于﹍ωL ﹍,动点M 的绝对速度的大小等于﹍﹍﹍u +ω(L+r)﹍﹍﹍﹍﹍﹍。
。
5. 如图所示,已知一重为N P 100=3.0=f 平推力Q 为20N 时,物块和接触面之间摩擦力为﹍﹍﹍40N 时,物块和接触面之间摩擦力为﹍﹍﹍30N ﹍﹍﹍..6. 在正立方体的顶角A 和B 处分别作用力1F 和2F 两力在x 轴上的投影为﹍﹍﹍﹍﹍﹍,对x 。
7. 半径为R 的圆轮在水平直线轨道上作纯滚动,某瞬时轮心的速度为v ,加速度为a 。
则该瞬时轮缘上与水平直径交点A 的速度的大小为υ2﹍﹍,加速度的大小为﹍21222a Rv a ⎥⎥⎦⎤⎢⎢⎣⎡+⎪⎪⎭⎫⎝⎛-。
2013——2014学年第二学期期末考试«工程力学 »答题纸A适用班级:土B0961-4/11-2/51/注:1.请考生将试题答案写在答题纸上,在试卷上答题无效。
2.凡在答题纸密封线以外有姓名、班级学号、记号的,以作弊论。
一、判断题(每题2分,共10分)1( ) 2( ) 3( ) 4( ) 5( )二、选择题(每题3分,共15分)1( ) 2( ) 3( ) 4( ) 5( )三、填空题(每题3分,共15分) 1 ( )2( )3( ) 4( )( ) 5( )四、计算题(每题15分,共60分) 1、2、3、4、2009——2010学年第二学期期末考试«工程力学»试卷A适用班级:土B0961-4/11-2/51注:1.请考生将试题答案写在答题纸上,在试卷上答题无效。
2.凡在答题纸密封线以外有姓名、班级学号、记号的,以作弊论。
一、判断题(每题2分,共10分)1、在任何外力作用下均不发生变形的物体称为刚体。
()2、力与轴平行时,力对该轴之矩不等于0。
()3、空间某一力系向两个不同的点简化,简化结果不同。
()4、最大弯矩一定发生在剪力为零的横截面上。
()5、材料的破坏形式由材料的种类而定。
()二、选择题(每题3分,共15分)1、力偶距是()。
A、代数量B、滑动矢量C、定位矢量D、自由矢量2、拉杆的外表面上有一斜线,当拉杆受轴向拉力作用变形处在弹性范围时,斜线将()。
A、平行移动;B、转动;C、不动;D、平行移动加转动;3、对于一个研究对象,空间一般力系最多可以列()个平衡方程A、 2B、 3C、 4D、 64、下列不属于杆件基本变形的是()。
A、轴向拉压B、挤压C、剪切D、弯曲5、梁在集中力作用的截面处,它的内力图为()。
A、Q图有突变,M图光滑连续;B、Q图有突变,M图有转折;C、M图有突变,Q图光滑连续;D、M图有突变,Q图有转折;三、填空题(每题3分,共15分)1、平面汇交力系平衡的充分与必要的几何条件是:。
西华大学高等教育自学考试校考课程试题卷(A 卷)助 学 点:________西华大学_______________课程名称: 工程力学(一) 考试时间: 110 分钟 课程编码: 9103044 试卷总分: 100 分 考试形式: 闭卷 学生自带计算器: 允许一、单项选择题(本大题共10小题,每小题2分,共20分)======================================================================1、已知力1和2都作用于同一点,其合力合F =1+2,则各力大小之间的关系为( D )。
A.必有F 合=F 1+F 2 B.不可能有F 合=F l +F 2C.必有F 合> F 1,F 合> F 2D.可能有F 合< F 1,F 合< F 22、在不计自重和摩擦的图示平面结构中,杆AC 上作用有一力偶矩为M 的力偶,则支座A 处的约束力A 与水平线所夹的锐角θ为( B )。
A.60°B.45°C.30°D.0°3、重为W 的物块在与水平线成30°角的推力P 的作用下静止于铅垂墙面上,已知力P 的大小也为W ,物块与墙面间的静摩擦因数为23,则墙面对物块的摩擦力s F 的大小为( A )。
A.2W B.W 23 C.W 43 D.W4、轴向拉伸时,杆的伸长量( D )。
A.与轴力和抗拉刚度均成正比;B.与轴力和抗拉刚度均成反比C.与轴力成反比,与抗拉刚度成正比;D.与轴力成正比,与抗拉刚度成反比5、塑性材料的极限应力是( C )。
A.比例极限p σ;B.弹性极限e σ;C.屈服极限s σ;D.强度极限b σ6、两个材料不同的受扭转作用的轴,其载荷、约束、截面形状、尺寸及其长度均相同, 则其( C )。
A.变形相同,应力不同;B.变形和应力均相同C.变形不同,应力相同;D.变形和应力均不相同7、图示弯曲梁的BC 段( B )。
《工程力学》试卷A适用专业: 考试日期:考试时间:120分钟 考试形式:闭卷 总分:100分 一、填空题(每空1分,共15分)1、两个力大小相等、方向相反、作用在同一作用点上,若此二力作用在同一个物体上, 则此二力是一组 ,若此二力作用在两个不同的物体上则是一组 ;2、根据约束情况的不同静定梁可分为: 、 、 三种常见形式。
3、根据工程力学的要求,对变形固体作了三种假设 , 其内容是: 、 、 。
4、反映材料抵抗弹性变形的能力称为材料的 ;5、应力集中常常发生在 ;6、摩擦角为 ,静摩擦系数为f ,则物体自锁条件是 ;7、承受交变载荷的构件易发生 。
低碳钢的σ-ε曲线如图,则: 材料的弹性模量 E = GPa 材料的屈服点σs = Mpa材料的抗拉强度 σb = Mpa二、画出以下结构中构件的受力图(共2题,每题8分,共16分)1) 2)三、无重水平梁的支撑和载荷如图所示,已知q=2kN/m ,M=2kN·m,求支座A 和B 的约束力。
(本题12分)四、阶梯状直杆受力如图所示。
已知AD 段横截面面积A AD =1000mm 2,DB 段横截面面积A DB =500mm 2,材料的弹性模量E=200GPa 。
求该杆的总变形量Δl AB 。
(本题12分)院系: 专业班级: 姓名: 学号:装 订 线五、图示矩形截面简支梁,已知h =100mm ,b =60mm ,l =1m ,当梁内最大弯曲正应力为MPa 120max =σ时,试计算其最大切应力max τ。
(15分)六、柄OA 长r =20cm ,A 端与一套筒铰接,套筒套在摇杆BC 上,曲柄以匀角速度ω=4rad/s 绕O 轴转动。
图示瞬时,OA 水平,摇杆BC 与水平线夹角45°,求此时摇杆BC 的角速度(方向画在图上)(本题15分)七、图示一根不可伸长的绳子跨过定滑轮,两端分别挂一质量为m A 和m B 的物块A 、B ,已知m A >m B ,定滑轮可视为匀质圆盘,其质量为m ,半径为r 。
华北电力大学珠海函授站2011年度第一学期《工程力学》试卷A级专业号姓名:成绩:一、填空(每空2分,共20分)1、力是_______,力的三要素为__________,__________,__________。
2、光滑铰链约束特点是限制两物体_________相对运动,而不能限制两物体_________相对转动。
3、柔性约束其反力沿柔索中心,__________的拉力。
4、物体受到大小____________,方向____________,作用线____________的二力所组成力系称为力偶。
二、判断题(每小题1分,共10分)()1、力偶与力矩对物体转动效果相同()2、作用于刚体上的力,其作用线可在刚体上任意平行移动,其作用效果不变。
()3、平面力偶系平衡充分必要条件是:合力偶矩等于零。
()4、若力F1、F2在同一轴上的投影相等,它们的大小一定也相等。
()5、各力作用线互相平行的力系,都是平面平行力系。
()6、合力的作用与它的各分力同时作用的效果相同,故合力一定大于任何一个分力。
()7、若平面力系平衡,此力系的合力必为零。
()8、力在坐标上的投影和力沿坐标分解是一个意思。
()9、力在轴上的投影等于零,该力一定与轴垂直。
()10、力偶无合力,力偶不能用一个力来代替,但可用一个力来平衡。
三、选择(每小题2分,共20分)1、力和物体的关系是()A、力可以脱离物体而独立存在B、力不能脱离物体而独立存在C、力不能改变物体形状 C、力不能改变物体的运动状态2、下列命题正确的是()。
A、同平面内三力平衡必汇交B、同平面内三力汇交必平衡C、同平面内三力不平衡必不汇交D、同平面内三个不平行的力必汇交3、一物体用绳索吊起,绳索给予物体的约束是()A、光滑接触面约束B、柔性约束C、铰链约束D、固定端约束4、若力系中的各力对物体的作用效果彼此抵消,该力系为()A、等效力系B、汇交力系C、平衡力系D、平行力系5、在平面中,力矩为零的条件是()A、力等于零B、力和力臂都不为零C、力和力臂乘积不为零D、力不过矩心6、等效力偶就是()A、两力偶矩相等,转向相反B、两力偶臂相等,力不相等A、两力偶矩相等,转向相同D、两力偶矩不相等,转向相同7、下列动用中是力矩作用的是()A、夯打地基B、双手握方向盘C、吊钩吊起重物D、用板手拧螺母8、由两个大小相等,方向相反的平行力组成力系称为()A、弯矩B、力偶 C力矩 D、力偶矩9、平面汇交力系可等价于()A、一个合力B、一个合力偶 C|、一个合力和一个合力偶 D、一个分力10、下列图形中,哪些情况下物体与铅垂面有约束反力。
工程力学,练习题a答案详解在每小题列出的四个备选项中只有一个是符合题目要求的,请将其代码填写在题后的括号内。
错选、多选或未选均无分。
1.如图所示的平面汇交力系中,F1=4kN,F2,F3=5kN,则该力系在两个坐标轴上的投影为 11B. X=, Y=02A.X=D. X=- 12.如图所示,刚架在C点受水平力P作用,则支座A的约束反力NA的方向应A.沿水平方向B.沿铅垂方向C.沿AD连线D.沿BC连线3.如图所示,边长a=20cm的正方形匀质薄板挖去边长b=10cm的正方形,y轴是薄板对称轴,则其重心的y坐标等于2A.yC=11cmB.yC=10cm1C.yC=cmD.yC=5cm4.如图所示,边长为a的正方体的棱边AB和CD上作用着大小均为F的两个方向相反的力,则二力对x、y、z三轴之矩大小为A.mx=0,my=Fa,mz=0B.mx=0,my=0,mz=0C. mx=Fa,my=0,mz=0D. mx=Fa,my=Fa,mz=Fa5.图示长度为l的等截面圆杆在外力偶矩m作用下的弹性变形能为U,当杆长为2l其它条件不变时,杆内的弹性变形能为A.16UB.8UC.4UD.2U6.图示结构为A.静定结构B.一次超静定结构C.二次超静定结构D.三次超静定结构7.工程上,通常脆性材料的延伸率为A.? C. ? 8.如图,若截面图形的z轴过形心,则该图形对z轴的A.静矩不为零,惯性矩为零B.静矩和惯性矩均为零C.静矩和惯性矩均不为零D.静矩为零,惯性矩不为零9.图示结构,用积分法计算AB梁的位移时,梁的边界条件为A.yA≠0 yB=0B.yA≠0 yB≠0C.yA=0 yB≠0D.yA=0 yB=010.图示为材料和尺寸相同的两个杆件,它们受到高度分别为h和2办的重量Q的自由落体的冲击,杆1的动荷系数Kd1和杆2的动荷系数Kd2应为A.Kd2>Kd1B.Kd1=1C.Kd2=1D.Kd2 二、填空题请在每小题的空格中填上正确答案。
《工程力学》 试卷A 卷一、判断题(5×2=10分)1、当施加载荷使低碳钢试件超过屈服阶段后,再卸载,则材料的比例极限将会提高。
( )2、杆件的轴力仅与杆件所受的外力有关,而与杆件的截面形状、材料无关。
( )3、静矩、惯性矩、极惯性矩可为正、可为负、也可为零。
( )4、弯曲变形中截面中性轴上的剪应力总是为零。
( )5、下图中物体的受力图是否正确。
( )二、单项选择题(5×3=15分)1、“二力平衡公理”和“力的可传性原理”只适用于( )A 、任何物体;B 、固体;C 、弹性体;D 、刚体。
2、伸长率(延伸率)公式%1001⨯-=lll δ中的1l 指的是什么?( ) A 、实验前试件的长度; B 、断裂后试件的长度;C 、实验前实验段的长度;D 、断裂后实验段的长度。
3、若将受扭空心圆轴的内、外直径均缩小为原尺寸的一半,则该圆轴的最大剪应力是原来的( )倍。
A 、2;B 、4C 、 8D 、164、一铆钉受力如下图所示,铆钉直径为d ,钢板厚度均为t ,其剪切面面积和剪力大小分别为( )。
A 、241d π和12P B 、241d π和P C 、dt 和12P D 、dt 和P5、结构受力如下图所示,下列结论中完全正确的为( )A 、qa Q A 43=右,qa Q C 41=;B 、243qa M A =,241qa M B -=;C 、梁内最大正弯矩发生在跨中C 截面,其241qa M C =;D 、梁内C 截面上的内力为:241qa M C =,qa Q c 41-=三、填空题(5×3=15分)1、作用力与反作用力大小 ,方向 ,作用在 。
2、低碳钢拉伸可以分成: 阶段, 阶段, 阶段, 阶段。
3、梁的扰曲线微分方程:EI x M dxy d )(22-=中,EI 称为梁的 它反映了梁抗弯曲变形的能力。
4、大柔度压杆的临界力cr P = 。
5、下图中所示矩形对Z 轴的惯性矩Z I = 。
《工程力学》模拟试卷A卷及答案一、单项选择题(本大题共10小题,每小题2分,共20分)1. 某简支梁AB受载荷如图所示,现分别用R A、R B表示支座A、B处的约束反力,则它们的关系为( C )。
A.R A<R BB.R A>R BC.R A=R BD.无法比较D.作用线沿过B的铅垂线2.图示平面机构,正方形平板与直角弯杆ABC在C处铰接。
平板在板面内受矩为M=8N·m的力偶作用,若不计平板与弯杆的重量,则当系统平衡时,直角弯杆对板的约束反力大小为( C )A.2NB.4NC.22ND.42N3.平面平行力系合成的结果是 ( D )A.合力B.合力偶C.主矩D.主矢和主矩4.一折杆受力如图所示。
其中AB杆的变形为( B )A. 扭转B. 弯曲与扭转组合C. 弯曲D. 弯曲与弯曲5. .判断压杆属于细长杆、中长杆、还是短粗杆的依据是 ( A )A.柔度 B.长度 C.横截面尺寸 D.临界应力6.图示轴向受力杆件中n-n 截面上的轴力为( C )A.-3PB.-4PC.+4PD.+8P7.图示受扭圆杆中的最大剪应力为( C ) A.3d m 16π B.3d m 32π C.3d m 48π D.3dm 64π8. 图示矩形截面对z 、y 两形心轴的惯性矩分别为( D )A 22121,121hb I bh I y z ==B 22121,121bh I hb I y z ==C 33121,121bh I hb I y z ==D 33121,121hb I bh I y z ==9.某直梁横截面面积一定,下图所示的四种截面形状中,抗弯能力最强( B ) A .矩形 B .工字形 C .圆形 D .正方形10.拉压胡克定律σ=E ε的另一表达式为( D ) AA F N =σ B. ll∆=ε C μ=εε' D EA F N l l =∆二、填空题(本大题共4小题,每空2分,共10分)11.图示杆件剪切面的面积为___dt____。
总分 题号 一 二 三 四 五 核分人 题分 负责人得分一、 填空(1分×10=10分)1、平面汇交力系简化结果是______。
2、杆件横截面上内力分量有轴力、剪力、扭矩和____四种3、如图所示为低碳钢的应力—应变图,其中P σ称为____,s σ称为屈服极限,b σ称为强度极限。
4、平面内的两个力偶等效条件是_______,_______。
5、在轴向拉伸或轴向压缩直杆中,轴力必定通过杆件横截面的____。
6、作用力与反作用力大小____,方向 ____,且作用在不同物体。
7、一般情况下,直梁平面弯曲时,对于整个梁来说______-的正应力为零;对于梁的任意截面来说______ 的正应力为零。
二、选择题(1分×10=10分)1、物体系中的作用力和反作用力应是( )。
A. 等值、反向、共线;B. 等值、反向、共线、同体;C. 等值、反向、共线、异体;D. 等值、同向、共线、异体。
2、约束力的方向必与( )的方向相反。
A .主动力;B .物体被限制运动;C .重力;D .内力。
3、力使物体绕定点转动的效果用( )来度量。
A .力矩;B .力偶矩;C .力的大小和方向;D .力对轴之矩。
4、平面汇交力系最多可列出的独立平衡方程数为( ) A .2个 B .3个 C .4个 D .6个5、经过抛光的低碳钢试件,在拉伸过程中表面会出现滑移线的阶段是( ) A .弹性阶段;B .屈服阶段;C .强化阶段;D .颈缩阶段。
6、梁弯曲时横截面的中性轴,就是梁的( )与( )的交线。
A .纵向对称面;B .横截面;C .中性层;D .上表面。
7、衡量构件承载能力的主要因素是( )。
A. 轴向拉伸或压缩 B. 扭转C. 弯曲D. 强度、刚度和稳定性 8、若平面任意力系向某点简化后主矩为零,则其合力( )。
A .一定为零;B .一定不为零;C .与主矩相等;D .不一定为零。
9、两个拉杆轴力相等、截面积相等但截面形状不同,杆件材料不同,则以下结论正确的是( )。
A 卷 第1页 蚌埠学院2014—2015学年第一学期 《工程力学Ⅰ》期末考试试题(A )一、填空题(每空1分,共10分)1.工程力学范畴内的失效通常可分为 失效 、 失效和稳定失效。
2.力对物体的作用效应有 效应和变形效应两个方面。
3.力偶矩的大小、力偶的转向和力偶的 称为力偶的三要素。
4.当外加载荷出除后,物体的变形随之消失,这种变形称为 变形。
5.关于材料的基本假定有均匀连续性假定、 假定和 假定。
6.韧性材料的极限应力是 ,脆性材料的极限应力是 。
7.衡量材料韧性的两个重要指标是 和断面收缩率。
二、单项选择题(每小题2分,共20分) 1.约束力的方向必与 的方向相反。
A .主动力B .物体被限制运动C .重力D .内力 2.物体系中的作用力和反作用力应是 。
A. 等值、反向、共线B. 等值、反向、共线、同体;C. 等值、反向、共线、异体D. 等值、同向、共线、异体3.某刚体连续加上(或减去)若干个平衡力系,对该刚体的作用效应 。
A .不变;B .不一定改变;C .改变;D .可能改变4.以下关于截面上内力的大小的结论哪一个是正确的?A.与截面的尺寸和形状无关B.与截面的尺寸有关,但与截面的形状无关C.与截面的尺寸和形状有关D.与截面的形状有关,但与截面的尺寸无关 5.平面任意力系的二矩式平衡方程为:()()0,0,0x G H F M F M F ===∑∑∑,在何种情况下,此二矩式不适用 。
A .GH 连线平行于x 轴 B. GH 连线不平行于x 轴 C .GH 连线垂直于x 轴 D. GH 连线不垂直于x 轴6.如图(一)所示构件,根据弹性体的受力既满足平衡又必须使各部分的变形协调一致这一特点,分析四种答案中可能正确的是 。
7.如图(二)所示矩形截面梁。
关于最大拉应力和最大压应力发生在危险截面A 的哪些点上,正确的是 。
A. max σ+发生在a 点,max σ-发生在b 点 B.maxσ+发生在c 点,max σ-发生在d 点 C.maxσ+发生在b 点,max σ-发生在a 点 D. max σ+发生在d 点,max σ-发生在b 点 8.材料和截面积相同的情况下,下述各种梁截面抗弯能力的排序为 。
大学工程力学专业《大学物理(一)》模拟考试试题A卷含答案姓名:______ 班级:______ 学号:______考试须知:1、考试时间:120分钟,本卷满分为100分。
2、请首先按要求在试卷的指定位置填写您的姓名、班级、学号。
一、填空题(共10小题,每题2分,共20分)1、一质点作半径为0.1m的圆周运动,其角位置的运动学方程为:,则其切向加速度大小为=__________第1秒末法向加速度的大小为=__________。
2、一维保守力的势能曲线如图所示,则总能量为的粒子的运动范围为________;在________时,粒子的动能最大;________时,粒子的动能最小。
3、一质点作半径为0.1m的圆周运动,其运动方程为:(SI),则其切向加速度为=_____________。
4、均匀细棒质量为,长度为,则对于通过棒的一端与棒垂直的轴的转动惯量为_____,对于通过棒的中点与棒垂直的轴的转动惯量_____。
5、一个力F作用在质量为 1.0 kg的质点上,使之沿x轴运动.已知在此力作用下质点的运动学方程为 (SI).在0到4 s的时间间隔内, (1) 力F的冲量大小I =__________________. (2) 力F对质点所作的功W =________________。
6、一个绕有500匝导线的平均周长50cm的细螺绕环,铁芯的相对磁导率为600,载有0.3A 电流时, 铁芯中的磁感应强度B的大小为___________;铁芯中的磁场强度H的大小为___________ 。
7、一根长为l,质量为m的均匀细棒在地上竖立着。
如果让竖立着的棒以下端与地面接触处为轴倒下,则上端到达地面时细棒的角加速度应为_____。
8、花样滑冰运动员绕通过自身的竖直轴转动,开始时两臂伸开,转动惯量为,角速度为;然后将两手臂合拢,使其转动惯量变为,则转动角速度变为_______。
9、沿半径为R的圆周运动,运动学方程为 (SI) ,则t时刻质点的法向加速度大小为________;角加速度=________。
单选题
1.在图示结构中,如果将作用于构件AC上矩为M的
力偶搬移到构件BC上,则A、B、C三处约束力的
大小( )。
A.都不变
B.A、B处约束力不变,C处约束力改变;
C.都改变
D.A、B处约束力改变,C处约束力不变
答案:C
知识点:第二章
难度: 4
解析: 力偶的性质
2.下列结论中哪些是正确的()?
(1)为保证构件能正常工作,应尽量提高构件的强度。
(2)为保证构件能正常工作,应尽量提高构件的刚度。
(3)为保证构件能正常工作,应尽量提高构件的稳定性。
(4)为保证构件能正常工作,应尽量提高构件的强度、刚度和稳定性。
A.(1),(2),(3)
B.(4)
C.全对
D.全错
答案: C
知识点:第五章
难度: 3
解析: 材料力学的定义
3.变截面杆AD受集中力作用,如图所示。
设N AB、N BC、N CD分别表示该杆AB段,BC段和CD 段的轴力,则下列结论中正确的是( )
A.N AB >N BC >N CD
B.N AB =N BC=N CD
C.N AB=N BC >N CD
P
P
D
C
B
A。
2013—2014学年《工程力学》试题(A )答案
一、填空
1. 力的大小、方向、作用点
2. 小于等于
3. 主矢、主矩
4.剪力、弯矩
5.[]max max Z
M W σσ=≤
6.[]3r Z
σσ=≤ 7.平动、定轴转动
8.负
二、简答题
1.把试件预拉到强化阶段的某点后卸载,然后再加载,材料的弹性阶段有所延长,其比例极限有所提高,而塑性变形减小,这种现象称为材料的冷作硬化。
优点:提高了材料在弹性阶段的承载能力
缺点:降低了材料的塑性性能,使材料变硬、变脆
2. (1)合理安排梁的受力情况
(2)选用合理的截面形状
(3)采用变截面梁
3. (1)具有足够的强度
(2)具有足够的刚度
(3)具有足够的稳定性
三、综合题
1.
2.()a O M F F
3.
4.
四、计算题
1.受力分析:
F A
2
2M
Q
0a 0A B Q A B F F F F F b M --=⋅-⋅-=
由以上等式可得:20,5m A F KN M KN ==⋅
2.受力分析
A B By
列平衡方程: ()y y y 033a=0A B B F F F F a a F +-=⋅+-⋅
由上式可得10,30Ay By F KN F KN ==。