数控车床编程与操作指令代码大全
- 格式:docx
- 大小:20.09 KB
- 文档页数:5
数控机床编程指令以下是常见的数控机床编程指令:1. G代码:用于控制机床的动作,如G00表示快速直线移动,G01表示直线插补运动,G02/G03表示圆弧插补运动等。
2. M代码:指令机床执行特定的功能,如M03表示启动主轴正转,M04表示启动主轴反转,M05表示停止主轴等。
3. T代码:切换工具的指令,如T01表示切换到1号工具。
4. S代码:设置主轴转速的指令,如S2000表示将主轴转速设为2000转/分钟。
5. F代码:设置进给速度的指令,如F100表示设定进给速度为100mm/min。
6. X/Y/Z/A/B/C代码:分别控制机床的X/Y/Z/A/B/C轴运动。
7. I/J/K代码:用于定义圆弧插补中圆弧的半径和圆心坐标。
8. R代码:用于定义圆弧的起点与终点之间的圆弧半径。
9. N代码:给程序段赋予行号,便于查找和修改程序。
10. G56代码:切换工件坐标系,使机床能够在不同位置加工工件。
11. G90/G91代码:G90表示绝对坐标运动,G91表示增量坐标运动。
12. G98/G99代码:G98表示返回初始平面,G99表示返回R点。
13. G61/G64代码:G61表示精确加工,G64表示标准加工。
14. G17/G18/G19代码:分别表示XY平面、ZX平面和ZY平面。
15. G43/G44/G49代码:G43表示刀具长度补偿,G44表示切削长度补偿,G49表示取消长度补偿。
16. G21/G22/G23代码:分别表示英制单位、公制单位和旋转坐标系。
17. G43.4/G43.3/G43.2代码:G43.4表示半径补偿,G43.3表示磨损补偿,G43.2表示长度与半径补偿。
18. G70/G71代码:G70表示英制单位,G71表示公制单位。
19. M02/M30代码:M02表示程序结束停机,M30表示程序结束自动返回原点。
20. G15/G16代码:G15表示极坐标插补,G16表示固定角度插补。
1. F功能F功能指令用于控制切削进给量.在程序中,有两种使用方法. 1每转进给量编程格式 G95 F~F后面的数字表示的是主轴每转进给量,单位为mm/r.例:G95 F0.2 表示进给量为0.2 mm/r.2每分钟进给量编程格式G94 F~F后面的数字表示的是每分钟进给量,单位为 mm/min.例:G94 F100 表示进给量为100mm/min.2. S功能S功能指令用于控制主轴转速.编程格式 S~S后面的数字表示主轴转速,单位为r/min.在具有恒线速功能的机床上,S功能指令还有如下作用.1最高转速限制编程格式 G50 S~S后面的数字表示的是最高转速:r/min.例:G50 S3000 表示最高转速限制为3000r/min.2恒线速控制编程格式 G96 S~S后面的数字表示的是恒定的线速度:m/min.例:G96 S150 表示切削点线速度控制在150 m/min.3恒线速取消编程格式 G97 S~S后面的数字表示恒线速度控制取消后的主轴转速,如S未指定,将保留G96的最终值.例:G97 S3000 表示恒线速控制取消后主轴转速3000 r/min.3. T功能T功能指令用于选择加工所用刀具.编程格式 T~T后面通常有两位数表示所选择的刀具号码.但也有T后面用四位数字,前两位是刀具号,后两位是刀具长度补偿号,又是刀尖圆弧半径补偿号.例:T0303 表示选用3号刀及3号刀具长度补偿值和刀尖圆弧半径补偿值.T0300 表示取消刀具补偿.4. M功能M00:程序暂停,可用NC启动命令CYCLE START使程序继续运行;M01:计划暂停,与M00作用相似,但M01可以用机床“任选停止按钮”选择是否有效;M03:主轴顺时针旋转;M04:主轴逆时针旋转;M05:主轴旋转停止;M08:冷却液开;M09:冷却液关;M30:程序停止,程序复位到起始位置.5. 加工坐标系设置G50编程格式 G50 X~ Z~式中X、Z的值是起刀点相对于加工原点的位置.G50使用方法与G92类似.在数控车床编程时,所有X坐标值均使用直径值,如图所示.例:按图设置加工坐标的程序段如下:G50 X128.7 Z375.1设定加工坐标系6. 快速定位指令G00G00指令命令机床以最快速度运动到下一个目标位置,运动过程中有加速和减速,该指令对运动轨迹没有要求.其指令格式:G00 XU____ ZW____;当用绝对值编程时,X、Z后面的数值是目标位置在工件坐标系的坐标.当用相对值编程时,U、W后面的数值则是现在点与目标点之间的距离与方向.如图所示的定位指令如下:G50 X200.0 Z263.0; 设定工件坐标系G00 X40.0 Z212.0;绝对值指令编程A→C或G00 U-160.0 W-51.0;相对值指令编程A→C因为X轴和Z轴的进给速率不同,因此机床执行快速运动指令时两轴的合成运动轨迹不一定是直线,因此在使用G00指令时,一定要注意避免刀具和工件及夹具发生碰撞.如果忽略这一点,就容易发生碰撞,而快速运动状态下的碰撞就更加危险7. 直线插补指令G01G01指令命令机床刀具以一定的进给速度从当前所在位置沿直线移动到指令给出的目标位置.指令格式:G01 XU____ZW____F ;其中F是切削进给率或进给速度,单位为mm/r或mm/min,取决于该指令前面程序段的设置.使用G01指令时可以采用绝对坐标编程,也可采用相对坐标编程.当采用绝对坐编程时,数控系统在接受G01指令后,刀具将移至坐标值为X、Z的点上;当采用相对坐编程时,刀具移至距当前点的距离为U、W值的点上.如图所示的直线运动指令如下:G01 X40.0 Z20. F0.2; 绝对值指令编程G01 U20.0 W-25.9 F0.2; 相对值指令编程8. 圆弧插补指令G02、G03圆弧插补指令命令刀具在指定平面内按给定的F进给速度作圆弧插补运动,用于加工圆弧轮廓.圆弧插补命令分为顺时针圆弧插补指令G02和逆时针圆弧插补指令G03两种.其指令格式如下:顺时针圆弧插补的指令格式:G02XU____ZW____I____K____F____;G02 XU____ZW___R___ F____;逆时针圆弧插补的指令格式:G03 XU____ZW____ I____K____F____;; G03 XU____ZW___R___ F____;使用圆弧插补指令,可以用绝对坐标编程,也可以用相对坐标编程.绝对坐标编程时,X、Z是圆弧终点坐标值;增量编程时,U、W是终点相对始点的距离.圆心位置的指定可以用R,也可以用I、K,R 为圆弧半径值;I、K为圆心在X轴和Z轴上相对于圆弧起点的坐标增量; F为沿圆弧切线方向的进给率或进给速度.当用半径R来指定圆心位置时,由于在同一半径R的情况下,从圆弧的起点到终点有两种圆弧的可能性,大于180°和小于180°两个圆弧.为区分起见,特规定圆心角α≤180°时,用“+R”表示;α>180°时,用“-R”.注意:R编程只适于非整圆的圆弧插补的情况,不适于整圆加工.例如,图3-13中所示的圆弧从起点到终点为顺时针方向,其走刀指令可编写如下:G02 X50.0 Z30.0 I25.0 F0.3;绝对坐标,直径编程,切削进给率0.3mm/rG02 U20.0 W-20.0 I25.0 F0.3;相对坐标,直径编程,切削进给率0.3mm/rG02 X 50. 0 Z30.0 R25.0 F0.3;绝对坐标,直径编程,切削进给率0.3mm/rG02 U20.0 W-20.0 R25.0 F0.3;相对坐标,直径编程,切削进给率0.3mm/r9. 暂停指令G04G04指令用于暂停进给,其指令格式是:G04 P____或G04 XU____暂停时间的长短可以通过地址XU或P来指定.其中P后面的数字为整数,单位是ms;XU后面的数字为带小数点的数,单位为s.有些机床,XU后面的数字表示刀具或工件空转的圈数.该指令可以使刀具作短时间的无进给光整加工,在车槽、钻镗孔时使用,也可用于拐角轨迹控制.例如,在车削环槽时,若进给结束立即退刀,其环槽外形为螺旋面,用暂停指令G04可以使工件空转几秒钟,即能将环形槽外形光整圆,例如欲空转2.5s时其程序段为: G04 X2.5或G04 U2.5或G04 P2500;G04为非模态指令,只在本程序段中才有效.10. 英制和米制输入指令G20、G21G20表示英制输入,G21表示米制输入.G20和G21是两个可以互相取代的代码.机床出厂前一般设定为G21状态,机床的各项参数均以米制单位设定,所以数控车床一般适用于米制尺寸工件加工,如果一个程序开始用G20指令,则表示程序中相关的一些数据均为英制单位为英寸;如果程序用G21指令,则表示程序中相关的一些数据均为米制单位为mm.在一个程序内,不能同时使用G20或G21指令,且必须在坐标系确定前指定.G20或G21指令断电前后一致,即停电前使用G20或G21指令,在下次后仍有效,除非重新设定.11. 进给速度量纲控制指令G98、G99在数控车削中有两种切削进给模式设置方法,即进给率每转进给模式和进给速度每分钟进给模式.1进给率,单位为mm/r,其指令为:G99;进给率转换指令G01X____Z____F____; F的单位为mm/r2进给速度,单位为mm/min,其指令为:.G98;进给速度转换指令G01X____Z____F____; F的单位为mm/minG98和G99都是模态指令,一旦指定就一直有效,直到指定另一方式为止.车削CNC系统缺省的进给模式是进给率,即每转进给模式,只有在用动力刀具铣削时才采用每分钟进给模式.12. 参考点返回指令G27、G28、G30参考点是CNC机床上的固定点,可以利用参考点返回指令将刀架移动到该点.可以设置最多四个参考点,各参考点的位置利用参数事先设置.接通电源后必须先进行第一参考点返回,否则不能进行其它操作.参考点返回有两种方法:1手动参考点返回.2自动参考点返回.该功能是用于接通电源已进行手动参考点返回后,在程序中需要返回参考点进行换刀时使用的自动参考点返回功能.自动参考点返回时需要用到如下指令:1返回参考点检查G27G27用于检验X轴与Z轴是否正确返回参考点.指令格式为:G27 XU____ ZW____XU、ZW为参考点的坐标.执行G27指令的前提是机床通电后必须手动返回一次参考点.执行该指令时,各轴按指令中给定的坐标值快速定位,且系统内部检查检验参考点的行程开关信号.如果定位结束后检测到开关信号发令正确,则参考点的指示灯亮,说明滑板正确回到了参考点位置;如果检测到的信号不正确,系统报警,说明程序中指令的参考点坐标值不对或机床定位误差过大.2参考点返回指令G28、G30G28 XU ____ ZW ____;第一参考点返回,其中XU、ZW为参考点返回时的中间点,X、Z为绝对坐标,U、W为相对坐标.参考点返回过程如图3-14所示.G30 P2 XU____ ZW____;第二参考点返回,P2可省略G30 P3 XU____ Z W____;第三参考点返回G30 P4 XU____ ZW____;第四参考点返回第二、第三和第四参考点返回中的XU、Z W的含义与G28中的相同.如图3-14所示为刀具返回参考点的过程,刀具从当前位置经过中间点190,50返回参考点,其指令为:G30 X190 Z50;G30 U100 W30;如图3-14中的虚线路径所示,如果参考点返回时不经过中间点,则刀具会与工件发碰撞,引起事故.G功能0快速1直线插补2顺圆3逆圆33螺纹32攻牙循环90外内圆柱面循环92螺纹循环94外内圆锥面循环74端面钻孔循环75外内元切槽循环71外圆初车循环72端面初车循环22局部循环开始80局部循环结束50设工件绝对坐标26XZ回参考点27x回参考点29z回参考点4延时93系统偏置98每分进给99每转进给M功能0暂停2程序结束20循环加工30程序结束关主轴和冷却3正转4反转5停主轴8.9开关冷却10.11工件松紧41.42.43主轴123档78.79尾座进退97程序转移98子程序调用99子程序返回M是主轴的指令开头,S是转速的开头,T是刀具的开头,G就是车削形式的开头.举几个例子,M03是主轴正转,M04主轴反转,M05主轴停止.G00就是快速移动,G01直线插补,G02顺时针圆弧插补,G03逆时针圆弧插补.还有很多不一一列举了太多了,买本书自己看看我感觉比FANUC简单.数控编程指令全套指令常用的2008年03月05日星期三 16:19下面是简单的代码和指令.很实用的哦M 指令和 G 代码M03 主轴正转M03 S1000 主轴以每分钟1000的速度正转M04主轴逆转M05主轴停止M10 M14 .M08 主轴切削液开M11 M15主轴切削液停M25 托盘上升M85工件计数器加一个M19主轴定位M99 循环所以程式G 代码G00快速定位G01主轴直线切削G02主轴顺时针圆壶切削G03主轴逆时针圆壶切削G04 暂停G04 X4 主轴暂停4秒G10 资料预设G28原点复归G28 U0W0 ;U轴和W轴复归G41 刀尖左侧半径补偿G42 刀尖右侧半径补偿G40 取消G97 以转速进给G98 以时间进给G73 循环G80取消循环 G10 00 数据设置模态G11 00 数据设置取消模态G17 16 XY平面选择模态G18 16 ZX平面选择模态G19 16 YZ平面选择模态G20 06 英制模态G21 06 米制模态G22 09 行程检查开关打开模态G23 09 行程检查开关关闭模态G25 08 主轴速度波动检查打开模态G26 08 主轴速度波动检查关闭模态G27 00 参考点返回检查非模态G28 00 参考点返回非模态G31 00 跳步功能非模态G40 07 刀具半径补偿取消模态G41 07 刀具半径左补偿模态G42 07 刀具半径右补偿模态G43 17 刀具半径正补偿模态G44 17 刀具半径负补偿模态G49 17 刀具长度补偿取消模态G52 00 局部坐标系设置非模态G53 00 机床坐标系设置非模态G54 14 第一工件坐标系设置模态G55 14 第二工件坐标系设置模态G59 14 第六工件坐标系设置模态G65 00 宏程序调用模态G66 12 宏程序调用模态模态G67 12 宏程序调用取消模态G73 01 高速深孔钻孔循环非模态G74 01 左旋攻螺纹循环非模态G76 01 精镗循环非模态G80 10 固定循环注销模态G81 10 钻孔循环模态G82 10 钻孔循环模态G83 10 深孔钻孔循环模态G84 10 攻螺纹循环模态G85 10 粗镗循环模态G86 10 镗孔循环模态G87 10 背镗循环模态G89 10 镗孔循环模态G90 01 绝对尺寸模态G91 01 增量尺寸模态G92 01 工件坐标原点设置模态三大数控系统G代码快速通读一、数控车床系统G代码×为本软件中不能用现象表达的指令G功能字含义 FANUC数控系统 SIEMENS数控系统华中数控系统快速进给、定位 G00 G0 G00直线插补 G01 G1 G01圆弧插补CW顺时针 G02 G2 G02圆弧插补CCW逆时针 G03 G3 G03暂停 G04 G04英制输入 G20 G70 G20 ×公制输入 G21 G71 G21回归参考点 G28 G74 G28由参考点回归 G29 G29返回固定点 G75直径编程 -- G23 G36半径编程 -- G22 G37刀具补偿取消 G40 G40 G40左半径补偿 G41 G41 G41右半径补偿 G42 G42 G42设定工件坐标系 G50 G92设置主轴最大的转速 G50 G26上限 G25下限 -- ×选择机床坐标系 G53 G53 G53选择工作坐标系1 G54 G54 G54选择工作坐标系2 G55 G55 G55选择工作坐标系3 G56 G56 G56选择工作坐标系4 G57 G57 G57选择工作坐标系5 G58 G58选择工作坐标系6 G59 G59精加工复合循环 G70 G70内外径粗切复合循环 G71 G71 端面粗切削复合循环 G72 G72 闭环车削复合循环 G73 LCYC95 G73 螺纹切削复合循环 G76 G76外园车削固定循环 G90 G80端面车削固定循环 G94 G81螺纹车削固定循环 G92 LCYC97 G82绝对编程 --- G90 G90相对编程 --- G91 G91每分钟进给速度 G98 G94 G94 ×每转进给速度 G99 G95 G95 ×恒线速度切削 G96 G96 G96 ×恒线速度控制取消 G97 G97 G97 ×二、数控铣床系统G代码×为本软件中不能用现象表达的指令G功能字含义 FANUC数控系统 SIEMENS数控系统华中数控系统快速进给、定位 G00 G0 G00直线插补 G01 G1 G01圆弧插补CW顺时针 G02 G2 G02圆弧插补CCW逆时针 G03 G3 G03暂停 G04 G04选择XY平面 G17 G17 G17选择XZ平面 G18 G18 G18 ×选择YZ平面 G19 G19 G19 ×英制输入 G20 G70 G20 ×公制输入 G21 G71 G21回归参考点 G28 G74 G28由参考点回归 G29 G29返回固定点 G75刀具补偿取消 G40 G40 G40左半径补偿 G41 G41 G41右半径补偿 G42 G42 G42刀具长度补偿+ G43 G43刀具长度补偿- G44 G44刀具长度补偿取消 G49 G49 取消缩放 G50 G50 ×比例缩放 G51 G51 ×机床坐标系选择 G53 G53 G53选择工作坐标系1 G54 G54 G54 选择工作坐标系2 G55 G55 G55 选择工作坐标系3 G56 G56 G56 选择工作坐标系4 G57 G57 G57 选择工作坐标系5 G58 G58 选择工作坐标系6 G59 G59 坐标系旋转 G68 G68 ×取消坐标系旋转 G69 G69 ×高速深孔钻削循环 G73 G73 左螺旋切削循环 G74 G74精镗孔循环 G76 G76取消固定循环 G80 G80中心钻循环 G81 G81反镗孔循环 G82 G82深孔钻削循环 G83 G83右螺旋切削循环 G84 G84镗孔循环 G85 G85镗孔循环 G86 G86反向镗孔循环 G87 G87镗孔循环 G88 G88镗孔循环 G89 G89绝对编程 G90 G90 G90相对编程 G91 G91 G91设定工件坐标系 G92 G92固定循环返回起始点 G98 G98 返回固定循环R点 G99。
数控车床编程与操作指令软件代码大全标题:数控车床编程基础4课时一、教学目的:熟悉数控车床的编程特点,熟练掌握数控车床工件坐标系的建立方法和指令。
理解并掌握数控车削的基本指令。
二、教学安排:(一)旧课复习内容:数控机床坐标系的设定规则(5分钟)(二)新课教学知识点与重点、难点:第1节数控车床编程基础一、数控车编程特点(理解)二、数控车的坐标系统(理解)三、直径编程方式(难点)四、进刀和退刀方式理解(理解)五、绝对编程与增量编程(难点)第2节数控车床基本G指令应用一、坐标系设定G50(掌握)G54~G59(掌握)二、基本指令G00、G01、G02、G03、G04、G28(掌握)三、有关单位设定G20、G21、G94、G95(掌握)三、新课内容:2.1数控车床编程基础第一节数控车床编程基础一、数控车编程特点(1) 可以采用绝对值编程(用X、Z表示)、增量值编程(用U、W表示)或者二者混合编程。
(2) 直径方向(X方向) 系统默认为直径编程,也可以采用半径编程,但必须更改系统设定。
(3) ?X向的脉冲当量应取Z向的一半。
(4)采用固定循环,简化编程。
(5) 编程时,常认为车刀刀尖是一个点,而实际上为圆弧,因此,当编制加工程序时,需要考虑对刀具进行半径补偿。
二、数控车的坐标系统加工坐标系应与机床坐标系的坐标方向一致,X轴对应径向,Z轴对应轴向,C轴(主轴)的运动方向则以从机床尾架向主轴看,逆时针为+C向,顺时针为-C向,如图2.1.1所示:加工坐标系的原点选在便于测量或对刀的基准位置,一般在工件的右端面或左端面上。
图2.1.1数控车床坐标系结合生产实际,用实物、图表直观教学,举例说明举例说明CAD/CAM 中心仿真加工教学利用仿真加工软件教学(注:可编辑下载,若有不当之处,请指正,谢谢!)。
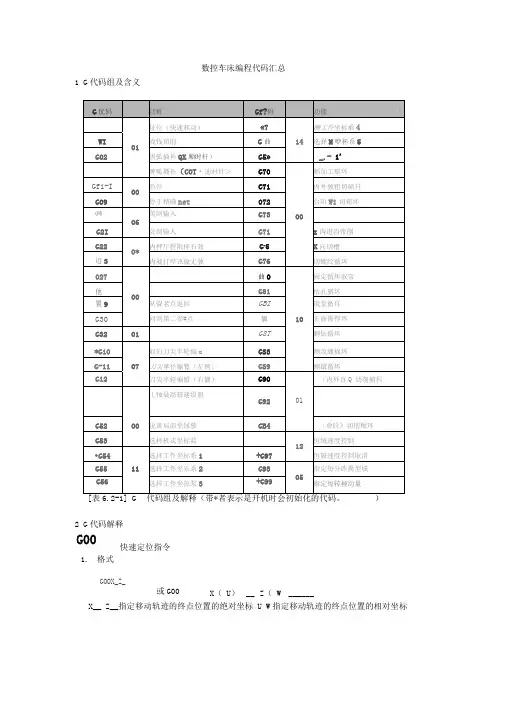
数控车床编程代码汇总1 G 代码组及含义2 G 代码解释1. 格式X__ Z__指定移动轨迹的终点位置的绝对坐标 U W 指定移动轨迹的终点位置的相对坐标G00快速定位指令GOOX_Z_或G00X ( U ) __ Z ( W ______控制刀具快速从当前位置移动到指定的位置。
该指令控制刀具移动的速度由系统参数决定,与用户指定的 F 无关。
这个指令把刀具从当前位置移动到指令指定的位置 (在绝对坐标方式下),或者移动到某个距离处(在增量坐标方式下)。
2. 非直线切削形式的定位我们的定义是:采用独立的快速移动速率来决定每一个轴的位置。
刀具路径不是直 线,根据到达的顺序,机器轴依次停止在指令指定的位置。
3. 直线定位刀具路径类似直线切削(G01)那样,以最短的时间(不超过每一个轴快速移动速率) 定位于要求的位置。
4. 举例图1快速定位 图2直线插补G00 X40.0 Z56.0 ; G01 X40.0 Z20.1 F0.2;/绝对坐标,直径编程; / 绝对坐标,直径编程,切削进给率0.2mm/rG00 U-60.0 W-30 G01 U20.0 W-25.9 F0.2 ;/增量坐标,直径编程/增量坐标,直径编程,切削进给率 0.2mm/ r图 6.2-图 6.2-3①G01 X50. Z75. F0.2 ;绝对坐标程序X100.; ②G01 U0.0 W-75. F0.2;增量坐标程序 601:直线插补指令1. 格式GOIX(lfi_NW)_F_ ;_______ 1或 G01 X (U) ___________________ Z (W _______ F 该指令控制刀具沿直线轨迹移动,速度由 F决定。
程序中首次使用时必须指定F 。
X(U)、Z(W)指定移动轨迹的终点位置坐标直线插补以直线方式和指令给定的移动速率,从当前位置移动到指令位置__ >G01等插补指令图 6.2-2X, Z:要求移动到的位置的绝对坐标值。
CNC操作必知代码1.加工中心的相关代码:-G00:快速定位,以最快的速度将刀具移动到指定位置上。
-G01:线性插补,以恒定的速度进行直线切削运动。
-G02:圆弧插补,顺时针旋转切削轨迹。
-G03:圆弧插补,逆时针旋转切削轨迹。
-G04:暂停,指定停顿的时间或者等候内部程序条件满足。
-G17:选择XY平面进行圆弧插补。
-G18:选择XZ平面进行圆弧插补。
-G19:选择YZ平面进行圆弧插补。
-G20:以英寸为单位。
-G21:以毫米为单位。
2.铣床相关代码:-G40:刀具半径补偿关闭。
-G41:左刀具半径补偿启用。
-G42:右刀具半径补偿启用。
-G43:刀具长度补偿启用。
-G44:刀具长度切换到负方向。
-G49:刀具长度补偿关闭。
-M04:主轴反转,以指定的转速开始反转。
-M05:主轴停止。
3.钻床相关代码:-G74:顺时针旋转,加工极坐标。
-G74.1:逆时针旋转,加工极坐标。
-G80:取消钻孔循环命令。
-G81:钻孔循环命令,指定孔深和钻孔进给速度。
-G82:钻孔循环命令,指定孔深、钻孔进给速度和进给暂停。
-G83:钻孔循环命令,指定孔深、钻孔进给速度和重复进给。
-G84:顺时针旋转,固定循环攻丝。
4.车床相关代码:-G00:快速定位,以最快的速度将车刀移动到指定位置上。
-G01:线性插补,以恒定的速度进行直线切削运动。
-G02:顺时针圆弧插补,使车刀沿指定轴旋转切削。
-G03:逆时针圆弧插补,使车刀沿指定轴旋转切削。
-G20:以英寸为单位。
-G21:以毫米为单位。
-M03:主轴正转,以指定的转速开始旋转。
-M05:主轴停止。
5.通用代码:-M00:程序停止,等待操作员干预。
-M08:启动冷却液。
-M09:关闭冷却液。
-M30:程序结束,重复循环开始。
-M98:调用子程序。
-M99:返回到主程序。
以上是一些常见的CNC操作必知代码,不同机床和控制系统可能会有所不同,需要根据具体机床的操作手册进行学习和了解。
数控机床代码常⽤M代码:M03:主轴正传M04:主轴反转M05:主轴停⽌M07:雾状切削液开M08:液状切削液开M09:切削液关M00:程序暂停M01:计划停⽌M02:机床复位M30:程序结束,指针返回到开头M98:调⽤⼦程序M99:返回主程序数控系统G代码:代码名称-功能简述G00------快速定位G01------直线插补G02------顺时针⽅向圆弧插补 G03------逆时针⽅向圆弧插补 G04------定时暂停G05------通过中间点圆弧插补 G07------Z 样条曲线插补G08------进给加速G09------进给减速G20------⼦程序调⽤G22------半径尺⼨编程⽅式G220-----系统操作界⾯上使⽤ G23------直径尺⼨编程⽅式G230-----系统操作界⾯上使⽤ G24------⼦程序结束G25------跳转加⼯G26------循环加⼯G30------倍率注销G31------倍率定义G32------等螺距螺纹切削,英制 G33------等螺距螺纹切削,公制 G53,G500-设定⼯件坐标系注销 G54------设定⼯件坐标系⼀G55------设定⼯件坐标系⼆G56------设定⼯件坐标系三G57------设定⼯件坐标系四G58------设定⼯件坐标系五G59------设定⼯件坐标系六G60------准确路径⽅式G64------连续路径⽅式G70------英制尺⼨⼨G71------公制尺⼨毫⽶G74------回参考点(机床零点)G75------返回编程坐标零点G76------返回编程坐标起始点G81------外圆固定循环G331-----螺纹固定循环G90------绝对尺⼨G91------相对尺⼨G92------预制坐标G94------进给率,每分钟进给G95------进给率,每转进给功能详细:G00—快速定位格式:G00 X(U)__Z(W)__说明:(1)该指令使⼑具按照点位控制⽅式快速移动到指定位置。
数控机床代码大全及使用方法嘿,你知道数控机床代码不?那可真是个神奇的玩意儿!就好比魔法咒语,能让机床乖乖听话,造出各种精美的零件。
G 代码、M 代码,一堆代码让人眼花缭乱。
可别小瞧它们,每个代码都有自己的独特作用。
比如说G00 快速定位,那速度,简直像火箭一样快!使用的时候可得小心,别让机床撞到别的东西。
还有M03 主轴正转,要是搞错了方向,那可就麻烦啦!
安全性和稳定性在数控机床操作中那是超级重要的!想象一下,要是机床像个调皮的孩子一样不听话,那得多吓人啊!所以一定要严格按照操作规程来,检查好设备,设置好参数。
不然,出了事故可就悲催了。
数控机床的应用场景那可多了去了。
汽车制造、航空航天、电子设备,到处都有它的身影。
为啥这么受欢迎呢?因为它精度高啊!能做出那些超级复杂的零件,这可不是普通机床能比的。
就像一个超级大厨,能做出各种美味佳肴。
给你讲个实际案例吧!有个工厂用数控机床加工汽车发动机零件,以前用普通机床的时候,废品率可高了。
自从用上数控机床,精度提高了好多,废品率大大降低。
这效果,简直杠杠的!
数控机床代码虽然有点复杂,但只要掌握了方法,就能发挥出巨大的威力。
它就像一把神奇的钥匙,能打开制造业的大门。
所以,还等啥呢?赶紧去学习数控机床代码吧!我的观点结论是:数控机床代码是制造业的得力助手,掌握它,就能在制造领域大展身手。
数控机床编程指令代码详解H和D及其后面的三位数字表示,该三位数字为存放刀具补偿量地存储器地址(番号)。
G指令代码详解一、机床功能设定1、G53—选择机床坐标系格式:G53 X Y Z ;(X Y Z为机床坐标值)注:当指定G53指令时,就清除刀具的半径补偿、刀具长度补偿和刀具偏值,一般在换刀是指定Z轴。
2、G54~G59—选择工件坐标系注:电源接通并返回参考点后,系统自动选择G54。
3、G54.1 P1~P48—选择附加工件坐标系4、G52—局部坐标系格式:G52X Y Z ;格式含义:为了编程的方便设定工件坐标系的子坐标系,G52中的X Y Z的值是工件坐标系G54~G59中的位置坐标。
取消局部坐标系——G52 X 0 Y 0 Z 0 ;注:当指令G52局部坐标系或取消局部坐标系时就取消了刀具长度补偿、刀具半径补偿等刀具偏值,在后续的程序中必须重新设置指定刀具长度补偿、刀具半径补偿等刀具偏值。
5、G90—绝对编程绝对编程是刀具移动到距离工件坐标系原点的某一位置。
6、G91—增量编程增量编程刀具移动的距离是以前一点为基准计算,是前一点的增量。
7、G21—毫米输入G20—英寸输入8、G16—启用极坐标指令G15—取消极坐标指令二、插补功能指令1、G00—快速定位指令格式:G00 X Y Z ;格式含义:G00指令使刀具以点位控制方式从刀具当前点以最快速度运动到另一点。
其轨迹不一定是两点一线,有可能是一条折线。
注意事项:(1)刀具从上向下移动时:G00 X Y ;Z ;先定XY面,然后Z轴下降。
(2)刀具从下向上移动时:G00Z ;X Y ;Z轴先上升,然后定XY面。
2、G01—直线插补指令格式:G01 X Y Z F ;格式含义:G01指令使刀具按F指令从当前运动到指定点。
3、G02—顺时针插补、G03—逆时针插补格式:G17 {G02 /G03}X Y (R /I J)F;G18 {G02 /G03}X Z(R /I K)F;G19 {G02 /G03}Y Z(R /J K)F;注:1、I J K为零时可以省略;在同一段程序中,如I J K与R同时出现时,R有效。
数控车床基本编程指令
数控车床(Computer Numerical Control Lathe)的基本编程指令通常是用来描述加工轴向、径向、切削速度、进给速度等方面的操作。
下面是一些常见的数控车床基本编程指令:
G代码:用于指定不同的功能和动作。
例如:
G00:快速定位
G01:直线插补
G02:圆弧顺时针插补
G03:圆弧逆时针插补
G04:暂停(延时)
G28:回零点
G71:开启公制单位
G72:开启英制单位
M代码:用于控制机床的辅助功能和动作。
例如:
M03:主轴正转
M04:主轴反转
M05:主轴停止
M08:冷却液开启
M09:冷却液关闭
M30:程序结束
X、Y、Z轴坐标控制:用于控制工件在不同轴向上的移动。
例如:
X10.0:将X轴移动到坐标10.0处
Y5.0:将Y轴移动到坐标5.0处
Z-2.0:将Z轴移动到坐标-2.0处
F代码:用于设定进给速度(切削速度)。
例如:
F100:设定进给速度为每分钟100毫米(或英寸)
S代码:用于设定主轴转速。
例如:
S1000:设定主轴转速为每分钟1000转
T代码:用于选择工具。
例如:
T0101:选择编号为0101的刀具
这些是最基本的数控车床编程指令,实际上还有更多用于高级功能和特定应用的指令。
正确理解和使用这些指令对于确保数控车床操作的准确性和效率至关重要。
数控车床编程100例1. 简介数控车床编程是计算机数控技术的一项重要应用。
通过编写数控程序,控制车床进行自动加工,实现高精度、高效率的加工作业。
本文将介绍100个常见的数控车床编程例子,分析其编写思路和代码实现。
2. 示例2.1 圆柱面加工G90 ; 绝对坐标指令G54 ; 工件坐标系选择S1000 ; 主轴转速设置T01 ; 刀具选择M06 ; 刀具切换G00 X50 Y50 ; 初始刀具定位G01 Z-15 F500; 下刀加工G02 X60 Y60 R10 F200; 圆弧插补G01 Z-30; 下刀加工G00 Z50; 抬刀离开2.2 板材开槽G90 ; 绝对坐标指令G54 ; 工件坐标系选择S2000 ; 主轴转速设置T02 ; 刀具选择M06 ; 刀具切换G00 X10 Y10 ; 初始刀具定位G01 Z-5 F200 ; 下刀加工G01 X100 F400 ; 直线插补G01 Y100; 直线插补G01 X10; 直线插补G01 Y10; 直线插补G00 Z50; 抬刀离开3. 分析3.1 圆柱面加工在该示例中,使用绝对坐标指令(G90)和工件坐标系选择(G54)确定加工坐标系。
通过设置主轴转速(S1000)和刀具选择(T01),设置加工参数。
然后通过G00指令将刀具移动到初始位置(X50,Y50),再通过G01指令进行下刀加工,切削深度为-15mm,进给速度为500mm/min。
接下来使用G02指令进行圆弧插补,绘制半径为10mm的圆弧,进给速度为200mm/min。
最后进行下刀加工到-30mm深度,然后抬刀离开。
3.2 板材开槽在该示例中,同样使用绝对坐标指令(G90)和工件坐标系选择(G54)确定加工坐标系。
通过设置主轴转速(S2000)和刀具选择(T02),设置加工参数。
然后通过G00指令将刀具移动到初始位置(X10,Y10),再通过G01指令进行下刀加工,切削深度为-5mm,进给速度为200mm/min。
数控车床编程实例详解(30个例子)1. 基础G00轨迹移动G00指令可以用于快速移动机床上的工具,不做切削。
例如,要将铣刀从(0,0,0)点移动到(100,100,0)可以使用下面的编程:G00 X100 Y100 Z02. 简单的G01直线插补3. 向X正方向设定工件原点在某些情况下,需要在工件上设计的特定原点作为整个程序的起点。
在下面的例子中,我们将工件原点移到X轴上的10毫米位置:G92 X104. G02 G03 模拟圆弧G02和G03指令可以用于沿着一条圆弧轨迹移动工具。
例如,以下代码将插入一个逆时针圆弧:G03 X50 Y50 I25 J05. 床上对刀长度测量刀具长度对刀是数控车床操作的重要步骤。
在这个例子中,我们使用手动设定对刀。
首先,我们将铣刀移动到Z轴处的一个位置,然后将刀具轻轻放置在工件上以测量其长度。
最后,我们将刀具测量值输入机床,以便于适当地调整刀具长度。
6. 坐标旋转在某些情况下,需要在XY平面上绕特定角度旋转工件,以便于确保最佳切削角度。
在这个例子中,我们将工件绕着Z轴旋转45度:G68 X0 Y0 R457. 使用M code 启动或停止旋转工件M03用于启动旋转工作台的主轴,M05用于关闭它。
例如,以下代码段启动了工作台的主轴,并等待它旋转到合适速度,以便于切削。
8. 镜像轨迹在制造工具或零件时,可能需要将一个轮廓沿着特定轴镜像。
例如,以下代码镜像X 轴上的轮廓:G01 X50 Y0G01 X0 Y50G01 X-50 Y0G01 X0 Y-50MHE29. 使用G04指令延迟程序G04指令用于程序内部的延迟。
例如,以下代码让机床停顿1秒钟:G04 P100010. 利用G10指令改变工作坐标系G10指令可以用于更改工作坐标系。
例如,下面的代码段将当前坐标系设定为{X50 Y50 Z0}:11. 使用G17, G18和G19指令绘制园形、X-Y平面和Z-X平面G17G02 X50 Y50 I25 J0G02 X0 Y0 I-25 J0G02 X-50 Y50 I0 J25G02 X0 Y100 I25 J0G02 X50 Y50 I0 J-25G02 X0 Y0 I-25 J0MHE2M30指令可以用于彻底结束程序。
数控编程常用代码
一、G代码
在数控编程中,G代码是控制机床进行具体动作的命令代码。
以下是一些常用的G代码:
•G00:快速移动,用于快速定位工件或切削工具。
•G01:直线插补,用于直线运动。
•G02:圆弧插补,顺时针方向。
•G03:圆弧插补,逆时针方向。
•G20:英制单位下的尺寸指令。
•G21:公制单位下的尺寸指令。
二、M代码
M代码是机床执行一些辅助功能的指令代码。
以下是一些常用的M代码:
•M00:暂停程序。
•M03:主轴正转。
•M05:主轴停止。
•M08:冷却液开。
•M09:冷却液关。
三、常用变量
在数控编程中,还会用到一些常用的变量,例如:
•N:程序序号,用于标识程序中的每一行。
•X、Y、Z:用于指定工件在三个坐标轴上的位置。
•I、J、K:用于指定圆弧的中心坐标或增量值。
•F:进给速度。
•S:主轴转速。
四、样例代码
下面是一个简单的数控编程样例:
N10 G00 X0 Y0 Z0
N20 M03 S1000
N30 G01 X100 Y50 F200
N40 G02 X200 Y0 I100 J-50
N50 G03 X0 Y0 I-100 J50
N60 M05
N70 M30
五、总结
数控编程是现代制造业中一项重要的技术,通过合理运用G代码、M代码和变量,可以实现对机床的高效控制,提高生产效率和产品质量。
以上是关于数控编程中常用的一些代码和变量的介绍,希望对初学者有所帮助。
可编辑修改精选全文完整版一、数控车床常用指令(一)主轴转速控制指令和主轴功能指令1、主轴功能指令主轴功能指令(S指令)是设定主轴转数的指令。
⑴主轴最高转速的设定(G50或G92)用来设定主轴的最高转速。
格式为:G50 S_ ; S_ 跟着主轴最大速度(r/min);⑵恒线速度控制指令(G96)系统执行G96后,认为用S指定的数值表示工件上任一点的线速度一样,主要用于车工件的端面、锥度或圆弧等,单位为m/min 。
如G96 S200⑶主轴转速控制指令(G97)G97是取消恒线速度控制的指令,这时S指定的数值表示主轴每分钟的转速,单位为r/min。
如G97 S30表示主轴转速为:30r/min2、固定循环切削固定循环切削是指对于在加工过程中,必须重复加工多次才能完成轮廓加工的典型切削形式,刀具运动的路径预先编好,存储在存储器中,用专门的G代码进行指令。
有单一形状固定循环和复合形状固定循环之分。
⑴单一形状固定循环指令(G90、G94)外圆切削循环指令格式为:G90 IP_ F__ ; (其中IP_是外径、内径切削终点坐标,F_是切削加工时刀具的进速度,其他都是按照快速进给速度进行的)该指令主要用于轴类零件的外圆、内圆和锥面的加工。
⑵端面切削循环指令(G94)该指令用于加工圆柱端面或角度大的圆锥面。
A.则切削圆柱端面的输入格式为: G94 X(U)_ Z(W)_ F_ ;其中,X_ Z_ 表示切削终点的绝对坐标,而U_ W_ 表示切削终点相对于刀具起点的增量坐标。
B.切削大锥面的输入格式为;G94 X(U)_ Z(W)_ K _ F_ ;其中,X(U)_ Z(W)_ 同圆柱端面,K_ 表示锥面轴向尺寸之差而且,当所切削的锥面起始点Z坐标大于终点Z坐标时为正,反之为负.(3)复合固定循环切削(G70---G76)用这些加工指令,只需给定最终精加工路径、循环次数和每次加工余量,机床就能自动确定粗加工的刀具路径。
数控车床编程基本指令大全HEN system office room 【HEN16H-HENS2AHENS8Q8-HENH1688】1.常用编程指令的应用车削加工编程一般包含X和Z坐标运动及绕Z轴旋转的转角坐标C 。
(1)快速定位(G00或G0)刀具以点位控制方式从当前所在位置快速移动到指令给出的目标位置。
指令格式:G00 X(U) Z(W) ;(2)直线插补(G01或G1)指令格式:G01 X(U) Z(W) F ;图1 快速定位图2 直线插补G00 ;G01 ;/绝对坐标,直径编程; /绝对坐标,直径编程,切削进给率rG00 W-30G01 ;/增量坐标,直径编程 /增量坐标,直径编程,切削进给率/r?(3)圆弧插补(G02或G2,G03或G3)1)指令格式: G02 X(U)_Z(W)_I_K_F_ ;G02 X(U) Z(W) R F ;G03 X(U)_Z(W)_I_K_F_ ;G03 X(U) Z(W) R F ;2)指令功能:3)指令说明:①G02为顺时针圆弧插补指令,G03为逆时针圆弧插补指令。
圆弧的顺、逆方向判断见图3左图,朝着与圆弧所在平面相垂直的坐标轴的负方向看,顺时针为G02,逆时针为G03,图3右图分别表示了车床前置刀架和后置刀架对圆弧顺与逆方向的判断;图3 圆弧的顺逆方向②如图4,采用绝对坐标编程,X、Z为圆弧终点坐标值;采用增量坐标编程,U、W 为圆弧终点相对圆弧起点的坐标增量,R是圆弧半径,当圆弧所对圆心角为0°~180°时,R取正值;当圆心角为180°~360°时,R取负值。
I、K为圆心在X、Z轴方向上相对圆弧起点的坐标增量(用半径值表示),I、K为零时可以省略。
图4 圆弧绝对坐标,相对坐标图5 圆弧插补G02 ; G03 ;G02 ;/绝对坐标,直径编程G02 ;G03 ;G02 ; /相对坐标,直径编程(4)主轴转速设置(S)车床主轴的转速(r/min)为:式中υ为圆周切削速度,单位缺省为m/min 、D为工件的外径,单位为mm。
数控机床编程与操作代码《数控机床编程与操作代码》
一、数控机床基本编程
1. 基本指令:
G00 快速定位;
G01 直线插补;
G02 圆弧插补;
G03 圆弧插补;
G04 延时
2. 其他指令:
G20 编程单位为英寸;
G21 编程单位为毫米;
G40 不复位刀偏;
G41 复位刀偏;
G50 变倍率;
G51 坐标缩放;
G60 固定循环;
G61 动态循环;
G62 不重复终止;
G63 重复终止;
G80 减压;
G81 重复加工;
G82 停止持续加工;
G83 重复挖槽;
G84 停止持续挖槽;
G90 绝对编程;
G91 相对编程;
G94 时间单位为分钟;
G95 时间单位为秒;
二、数控机床操作
1. 机床运行操作:
开启电源,启动机床,检查各项动态参数,校正机床零点,操作面板选择运行模式,调整机床参数,执行运行程序,监控机床当前状态,终止程序,总线选择,清除机床报警状态,关闭电源,检查安全情况。
2. 机床修改操作:
检查机床各部件,校正机床零点,修改机床参数,改变机床运行模式,设定报警状态,修改机床程序,更换机床零件。
一.指令集(X向如X、U等的编程量均采用直径量)G00:快速定位指令。
格式为G00 X(U) Z(W),X、Z为绝对编程时的目标点,U、W 为相对编程时的目标点。
两轴同时以机床最快速度开始运动,但不一定同时停止,即合成刀具轨迹并不一定是直线。
本系统可以混合编程,如G00 X W。
G01:直线插补指令。
格式为G01 X(U) Z(W) F ,X、Z为绝对编程时的目标点,U、W为相对编程时的目标点,F值为插补速度,单位是mm/min或mm/r,具体取决于设定为G98还是G99。
G02:顺圆插补指令。
格式为G02 X(U) Z(W) R(I K ) F ,X、Z为绝对编程时的目标点,U、W为相对编程时的目标点,R为半径(仅用于劣弧编程),I、K为圆心的X、Z坐标,F值为插补速度,单位是mm/min或mm/r,具体取决于设定为G98还是G99。
注:I采用半径量,I、K始终为相对量编程。
G03:逆圆插补指令。
格式为G03 X(U) Z(W) R(I K ) F ,X、Z为绝对编程时的目标点,U、W为相对编程时的目标点,R为半径(仅用于劣弧编程),I、K为圆心的X、Z坐标,F值为插补速度,单位是mm/min或mm/r,具体取决于设定为G98还是G99。
注:I采用半径量,I、K始终为相对量编程。
G04:暂停指令。
格式为G04 P(X U ) ,采用P时(不能用小数点),时间单位为ms,X、U时,时间单位为s。
最大延时9999.999s。
G20:英制单位设定指令。
G21:公制单位设定指令。
注意:某程序若不指定G20、G21,则采用上次关机时的设定值。
G27:返回参考点检测指令。
格式为G27 X(U) Z(W) T0000,本指令执行前必须使刀架回零一次。
若指定的两个坐标值分别是机床参考点的坐标值,且机床面板上的两个回零参考点指示灯都亮,则说明机床零点正确。
否则,机床定位误差过大。
G28:返回参考点指令。
格式为G28 X(U) Z(W) T0000,若机床启动后回过零点,则本指令的执行使刀架经过指定点回零,否则经过指定点移动至系统加电时的位置。
数控车床编程与操作指令软件代码大全
2.1 数控车床编程基础
标题:数控车床编程基础4课时一、教学目的:
熟悉数控车床的编程特点,熟练掌握数控车床工件坐标系的建立方法和指令。
理解并掌握数控车削的基本指令。
二、教学安排:
(一)旧课复习内容:
数控机床坐标系的设定规则(5分钟)
(二)新课教学知识点与重点、难点:
第1节数控车床编程基础
一、数控车编程特点(理解)
二、数控车的坐标系统(理解)
三、直径编程方式(难点)
四、进刀和退刀方式理解(理解)
五、绝对编程与增量编程(难点)
第2节数控车床基本G指令应用
一、坐标系设定
G50(掌握)
G54~G59(掌握)
二、基本指令
G00、G01、G02、G03、G04、G28(掌握)
三、有关单位设定
G20、G21、G94、G95(掌握)
三、新课内容:
2.1数控车床编程基础
第一节数控车床编程基础
一、数控车编程特点
(1) 可以采用绝对值编程(用X、Z表示)、增量值编程(用U、W表示)或者二者混合编程。
(2) 直径方向(X方向) 系统默认为直径编程,也可以采用半径编程,但必须更改系统设定。
(3) ?X向的脉冲当量应取Z向的一半。
(4)采用固定循环,简化编程。
(5) 编程时,常认为车刀刀尖是一个点,而实际上为圆弧,因此,当编制加工程序时,需要考虑对刀具进行半径补偿。
二、数控车的坐标系统
加工坐标系应与机床坐标系的坐标方向一致,X轴对应径向,Z轴对应轴向,C轴(主轴)的运动方向则以从机床尾架向主轴看,逆时针为+C向,顺时针为-C向,如图2.1.1所示:
加工坐标系的原点选在便于测量或对刀的基准位置,一般在工件的右端面或左端面上。
图2.1.1数控车床坐标系结合生产实际,用实物、图表直观教学,举例说明举例说明CAD/CAM 中心仿真加工教学利用仿真加工软件教学。