法兰垫片紧固件选配表
- 格式:doc
- 大小:55.51 KB
- 文档页数:3
钢制管法兰、垫片及紧固件选用规定2008-01-15发布2008-02-01实施胜利工程设计咨询公司总图规划所发布前言根据胜利油田胜利工程设计咨询有限责任公司 2007 年技术基础工作计划的要求,由总图规划设计所编制完成了《钢制管法兰、垫片及紧固件选用规定》。
本规定共分9章和5个附录。
主要内容有:总则、术语、基本规定、法兰的选用、密封面的选用、垫片的选用、紧固件的选用、法兰、垫片与紧固件的选配、法兰、垫片及紧固件参数的描述等。
本规定由总图规划设计所专业技术委员会提出。
本规定由总图规划设计所专业技术委员会起草。
本规定起草人:刘庆砚本规定由总图规划设计所专业技术委员会负责解释。
本规定首次发布时间:2008年01月。
目次1 总则 (1)2 术语 (2)3 基本规定 (4)4 法兰的选用 (5)4.1 一般规定 (5)4.2 法兰类型的选用 (6)4.3 法兰公称通径的选用 (7)4.4 法兰公称压力的选用 (7)4.5 法兰材料的选用 (8)4.6 法兰最高无冲击工作压力的选用 (8)4.7 法兰盖允许开孔直径的选用 (11)5 密封面的选用 (12)5.1 一般规定 (12)5.2 密封面的选用 (12)6 垫片的选用 (16)6.1 一般规定 (16)6.2 垫片的选用 (16)6.3 垫片适用条件的选配 (21)7 紧固件的选用 (22)7.1 一般规定 (22)7.2 紧固件的选用 (23)8 法兰、垫片、紧固件的选配 (25)8.1 一般规定 (25)8.2 法兰、垫片、紧固件的选配 (27)9 法兰、垫片及紧固件参数的描述 (30)9.1 一般规定 (30)9.2 法兰的描述 (30)9.3 垫片及紧固件参数的描述 (31)附录A 可与欧洲体系法兰配合使用的国内管法兰标准 (32)附录B 国内部分标准中的密封面名称对照 (33)附录C 设备表中法兰、垫片及紧固件参数的描述举例 (34)附录D 材料表中法兰、垫片及紧固件参数的描述举例 (35)附录E 施工图说明书中法兰、垫片及紧固件参数的描述举例 (36)本规定用词说明 (39)1 总则1.0.1 为了规范油气集输及输油管道工程设计中法兰及紧固件的选用标准,保证设计质量,提高设计水平,统一法兰及紧固件的描述方法,制定本规定。
HG/T20592-2009(钢制管法兰、垫片、紧固件)⑴、法兰公称压力等级采用。
⑵、钢制管法兰用材料:增加类别号,P19。
⑶、PL法兰增加了PN40等级,增加了钢制孔板法兰(规范性附录),钢制夹套法兰(资料性附录)。
⑷、把原HG20608-1997归入到HG/T20606-2009,钢制管法兰用非金属平垫片,并在HG/T20606-2009中增加了好多品种。
⑸、HG/T20610-2009钢制管法兰用缠绕式垫片,金属材料和填充材料都比老标准有所增加,老标准称外环,新标准称对中环。
⑹、紧固件使用限制,新、旧标准有所区别:老标准新标准商品级六角螺栓,使用条件应符合商品级六角螺栓及Ⅰ型螺母使用条件应符合①、PN<;①、公称压力等级小于或等于PN16;②、非剧烈循环场合;②、非有毒,非可燃介质及非剧烈循环场合;③、配非金属软垫片;③、配非金属平垫片。
④、介质为非易燃、易爆及毒性危害程度较大的场合。
商品级双头螺柱及螺母使用条件应符合以下要求商品级双头螺柱及Ⅰ型螺母使用条件应符合以①、PN≤;下要求②、非剧烈循环场合;①、公称压力等级小于或等于PN40;②、非有毒,非易燃介质及非剧烈循环场合;除上述以外应选用专用级螺柱(双头螺柱或全螺除上述以外应选用专用级全螺纹螺柱和Ⅱ型螺母纹螺柱)和专用级螺母。
缠绕垫、金属包覆垫、齿形组合垫、金属环垫等半金属或全金属垫片应使用35CrMoA等高强度螺柱(双头螺柱或全螺纹螺柱)紧固件六角头螺栓等长双头螺柱全螺纹螺柱螺栓/螺柱与螺母匹配紧固件材料平垫圈GB/T※管法兰:板式平焊法兰,螺纹法兰,对焊环松套法兰,平焊环松套法兰不应使用与剧烈循环工况,在剧烈循环工况下应选用带颈对焊法兰或整体法兰。
※垫片:·柔性石墨材料用氧化性介质时最高使用温度不超过450℃;·石棉和非石棉垫片不应用于极度和高度危害介质和高真空场合;·具有冷流倾向聚四氟乙烯平垫片,其密封面应采用FF,MFM,TG;·公称压力小于等于PN16的法兰,采用缠绕垫,金属包覆垫,半金属垫,金属环垫时应采用带颈对焊法兰.。
表F.1 压力容器法兰、螺栓、螺母及垫片选用表法兰 螺栓(柱)螺母 垫片介质公称压力 (MPa)工作温度 (℃)法兰型式 密封面型式 钢号 型式钢号钢号 型式 材料 ≤200甲、乙型平焊RF、MFMQ235B、Q245R35(P≤0.6MPa),40MnB25、35非金属平垫片合成纤维橡胶≤1.6201~250 长颈对焊 RF、MFM20、16Mn 等长双头螺柱40MnB、40Cr35、45、40Mn缠绕垫片、波齿复合垫08F+柔性石墨 ≤200乙型平焊Q235B、Q245R非金属平垫片合成纤维橡胶2.5201~450长颈对焊 RF、MFM20、16Mn等长双头螺柱35 40MnB、40Cr35、45、40Mn缠绕垫片、波齿复合垫S11306+柔性石墨 ≤20008F+柔性石墨201~350 40MnB、40Cr 40MnVB 45、40Mn4.0351~450 长颈对焊MFM20、16Mn、15CrMo等长双头螺柱35CrMoA30CrMoA缠绕垫片 波齿复合垫S11306+柔性石墨 S30408+柔性石墨≤20008F+柔性石墨08、10 201~350 40MnB、40Cr 40MnVB45、40Mn油品嗠油气6.4351~450长颈对焊MFM RJ20、16Mn、15CrMo等长双头螺柱35CrMoA 30CrMoA 缠绕垫片 波齿复合垫 金属环垫S11306+柔性石墨 S30408+柔性石墨 S11306、S30408、S30403 氢气、氢气与油气混和物4.0~6.4 ≤450 长颈对焊 MFM RJ Cr-Mo 等长双头螺柱 35CrMoA 25Cr2MoVA30CrMoA 35CrMoA缠绕垫片、波齿复合垫金属环垫 S11306+柔性石墨、S30408+柔性石墨S11306、S30408、S30403氨 ≤2.5 ≤150 乙型平焊 MFM Q235B、Q245R 等长双头螺柱 非金属平垫片合成纤维橡胶 压缩空气≤1.6 ≤150 甲、乙型平焊 RF Q235B、Q245R 等长双头螺柱 非金属平垫片 合成纤维橡胶 ≤1.6 ≤60 甲型平焊 RF Q235-B、Q245R 等长双头螺柱 非金属平垫片 合成纤维橡胶 2.5 ≤60 乙型平焊 RF Q235-B、Q245R 等长双头螺柱 40MnB、40Cr35、45非金属平垫片合成纤维橡胶 惰性气体4.0~6.4 ≤60 长颈对焊 MFM 20、16Mn 等长双头螺柱 40MnB、40Cr 40MnVB 45、40Mn 缠绕垫片 波齿复合垫 08F+柔性石墨 ≤1.6 ≤200 甲、乙型平焊 RF Q235B、Q245R 等长双头螺柱 35(P≤0.6MPa),40MnB25、35 非金属平垫片 合成纤维橡胶 2.5 ≤280 长颈对焊RF20、16Mn等长双头螺柱40MnB、40Cr 35 缠绕垫片、波齿复合垫08F+柔性石墨 ≤40040MnB、40Cr 40MnVB45、40Mn 蒸汽4.0~6.4≤450 长颈对焊MFM RJ20、16Mn等长双头螺柱35CrMoA 25Cr2MoVA30CrMoA 35CrMoA 缠绕垫片 波齿复合垫 金属环垫 S11306+柔性石墨 S30408+柔性石墨 S11306、S30408、S304031.6 ≤50 长颈对焊 RF 20、16Mn 等长双头螺柱 液化烃 (储存容器)2.5 ≤50 长颈对焊 RF、 MFM20、16Mn 等长双头螺柱 40MnB、40Cr35缠绕垫片、 波齿复合垫 08F+柔性石墨 弱酸、弱碱≤1.6甲、乙型平焊 RF Q235B、Q245R 等长双头螺柱非金属平垫片合成纤维橡胶水≤1.6 ≤100 甲、乙型平焊 RF Q235B、Q245R 等长双头螺柱 35(P≤0.6MPa),40MnB25、35非金属平垫片 合成纤维橡胶 剧毒介质≥1.6长颈对焊MFM20,16Mn等长双头螺柱40MnB、40Cr35 缠绕垫片08F+柔性石墨表F.2 接管法兰、螺栓、螺母及垫片选用表法兰 螺栓(螺柱)螺母 垫片介质公称压力 (MPa) 工作温度 (℃)法兰型式密封面型式钢号型式 钢号钢号型式 材料 ≤200非金属平垫片合成纤维橡胶 1.6、2.0201~250 带颈对焊(WN)突面(RF)20、16Mn等长双头螺柱 (全螺纹螺柱)35CrMoA30CrMoA柔性石墨复合垫片 缠绕式垫片08+柔性石墨 S30408+柔性石墨 <30020、16Mn08F+柔性石墨300~450 20、16Mn、Cr-Mo35CrMoA2.5451~540 带颈对焊(WN)突面(RF)Cr-Mo 等长双头螺柱(全螺纹螺柱)25Cr2MoVA 30CrMoA 35CrMoA柔性石墨复合垫片 缠绕式垫片 齿形组合垫 S30408+柔性石墨(见注2)<30020、16Mn08+柔性石墨300~450 20、16Mn、Cr-Mo35CrMoA4.0、5.0451~540 带颈对焊(WN)突面(RF) 凹凸面(MFM)Cr-Mo 等长双头螺柱 (全螺纹螺柱)25Cr2MoVA 30CrMoA 35CrMoA柔性石墨复合垫片 缠绕式垫片 齿形组合垫 S30408+柔性石墨(见注2)<300 20、16Mn 08+柔性石墨 300~450 20、16Mn、Cr-Mo35CrMoA油品嗠油气嗠油剂6.3、10.0451~540带颈对焊(WN)突面(RF) 凹凸面(MFM) 环连接面(RJ)Cr-Mo等长双头螺柱 (全螺纹螺柱)25Cr2MoVA30CrMoA柔性石墨复合垫片 缠绕式垫片、波齿组合垫金属环垫S30408+柔性石墨 S11306、S30403 8级 ≤200 带颈平焊(SO)六角头螺栓 8.8级 10级非金属平垫片 合成纤维橡胶1.6~2.0201-300 真空容器法兰≥2.5301-425带颈对焊(WN)突面(RF) 凹凸面(MFM)20、16Mn等长双头螺柱 (全螺纹螺柱) 35CrMoA 30CrMoA 柔性石墨复合垫片 缠绕式垫片、波齿组合垫08+柔性石墨Q235B 4.6级 5级 油品︑油气容器内部法兰1.0板式平焊(PL)突面(RF)0Cr18Ni9六角头螺栓A2-50(A2-70) A2-50(A2-70) 非金属平垫片合成纤维橡胶低温油气1.6~5.0 0~-20带颈对焊(WN) 突面(RF) 20、16Mn等长双头螺柱 (全螺纹螺柱) 35CrMoA30CrMoA非金属平垫片合成纤维橡胶1.6、2.0 带颈对焊(WN) 液化石油气(储存容器)2.5、5.0≤50 带颈对焊(WN)突面(RF) 凹凸面(MFM)20、16Mn 等长双头螺柱 (全螺纹螺柱)35CrMoA 30CrMoA 缠绕式垫片 S30408+柔性石墨 ≤25035CrMoA08+柔性石墨251~400 401~450 4.0、5.0451~540带颈对焊(WN)突面(RF)凹凸面(MFM) 环连接面(RJ)20、16Mn、Cr-Mo等长双头螺柱 (全螺纹螺柱)25Cr2MoVA30CrMoA 35CrMoA缠绕式垫片 波齿组合垫 金属环垫S30408+柔性石墨 S11306、S30403≤25035CrMoA08+柔性石墨251~380 381~400 氢气嗠氢气与油气混和物10.0401~540带颈对焊(WN)突面(RF)凹凸面(MFM) 环连接面(RJ)Cr-Mo等长双头螺柱 (全螺纹螺柱)25Cr2MoVA30CrMoA 35CrMoA波齿组合垫 金属环垫S30408+柔性石墨 S11306、S30408、S30403注1:采用非金属平垫片时允许采用其它材料,但应注意其使用条件(温度、压力、介质)的限制。
法兰及紧固件的正确选用法兰、垫片及螺栓三者组成管道中可拆卸的连接结构,压力管道中应用很普遍也是一种很重要的连接形式。
通常,法兰、螺栓与垫片三者共同构成一个密封副,三者共同作用,相辅相承,才能保证接头的良好密封。
盲板、8字盲板、限流孔板、混合孔板等与法兰、垫片及螺栓关系比较密切,常与它们配合使用,一起进行介绍。
1、法兰法兰是确定管道公称压力等级的基准件。
由前面的介绍可知,法兰的种类很多,不同型式的法兰,其密封性能不同,适用场合也不同。
在这里仅讨论不同型式的法兰应如何选用,仅供参考。
a. 法兰种类◆结构型式管道法兰按与管子的连接方式分为以下六种基本类型:平焊、对焊法、承插焊、松套、螺纹法兰和整体法兰。
◆密封面型式法兰密封面有全平面、凸台面、凹凸面、榫槽面、环槽面等五种。
◆法兰代号不同的标准其法兰的密封面及型式的名称、代号略有区别。
见表1-1、表1-2。
表1-1 密封面名称及代号对照表平焊法兰:多用于介质条件比较缓和的情况下,如低压非净化压缩空气、低压循环水,它的优点是价格比较便宜;对焊法兰:最常用的一种,它与管子为对焊连接,焊接接头质量比较好,而且法兰的颈部利用锥度过渡,可以承受较苛刻的条件;承插焊法兰:常用于PN≤10.0MPa,DN≤40的管道中;松套法兰:常用于介质温度和压力都不高而介质腐蚀性较强的情况。
当介质腐蚀性较强时,法兰接触介质的部分(翻边短节)为耐腐蚀的高等级材料如不锈钢等材料,而外部则利用低等级材料如碳钢材料的法兰环夹紧它以实现密封;整体法兰:常常是将法兰与设备、管子、管件、阀门等做成一体,这种型式在设备和阀门上常用。
b.密封面型式的选用:全平面密封面:常与平焊型式配合以适用于操作条件比较缓和的(PNg1.0)工况下;常用于铸铁法兰或与铸铁连接的钢法兰;凸台面密封面:是应用最广的一种型式,它常与对焊和承插焊型式配合使用,在"美式法兰"中,常用在PN2.0、PN5.0和部分PN10.0MPa压力等级中;在"欧式法兰"中则常用在PN1.6、PN2.5MPa压力等级;凹凸面密封面:常与对焊和承插型式配合使用,在"美式法兰中不常采用,在"欧式法兰"中常用在PN4.0、PN6.4MPa等级中。
HG/T20592-2009(钢制管法兰、垫片、紧固件)⑴、法兰公称压力等级采用PN.2.5,6,10,16,25,40,63,100,160。
⑵、钢制管法兰用材料:增加类别号,P19。
⑶、PL法兰增加了PN40等级,增加了钢制孔板法兰(规范性附录),钢制夹套法兰(资料性附录)。
⑷、把原HG20608-1997归入到HG/T20606-2009,钢制管法兰用非金属平垫片,并在HG/T20606-2009中增加了好多品种。
⑸、HG/T20610-2009钢制管法兰用缠绕式垫片,金属材料和填充材料都比老标准有所增加,老标准称外环,新标准称对中环。
⑹、紧固件使用限制,新、旧标准有所区别:老标准新标准商品级六角螺栓,使用条件应符合商品级六角螺栓及Ⅰ型螺母使用条件应符合①、PN<1.6MPa;①、公称压力等级小于或等于PN16;②、非剧烈循环场合;②、非有毒,非可燃介质及非剧烈循环场合;③、配非金属软垫片;③、配非金属平垫片。
④、介质为非易燃、易爆及毒性危害程度较大的场合。
商品级双头螺柱及螺母使用条件应符合以下要求商品级双头螺柱及Ⅰ型螺母使用条件应符合以①、PN≤4.0MPa;下要求②、非剧烈循环场合;①、公称压力等级小于或等于PN40;②、非有毒,非易燃介质及非剧烈循环场合;除上述以外应选用专用级螺柱(双头螺柱或全螺除上述以外应选用专用级全螺纹螺柱和Ⅱ型螺母纹螺柱)和专用级螺母。
缠绕垫、金属包覆垫、齿形组合垫、金属环垫等半金属或全金属垫片应使用35CrMoA等高强度螺柱(双头螺柱或全螺纹螺柱)紧固件六角头螺栓等长双头螺柱全螺纹螺柱螺栓/螺柱与螺母匹配紧固件材料平垫圈GB/T 97.2※管法兰:板式平焊法兰,螺纹法兰,对焊环松套法兰,平焊环松套法兰不应使用与剧烈循环工况,在剧烈循环工况下应选用带颈对焊法兰或整体法兰。
※垫片:·柔性石墨材料用氧化性介质时最高使用温度不超过450℃;·石棉和非石棉垫片不应用于极度和高度危害介质和高真空场合;·具有冷流倾向聚四氟乙烯平垫片,其密封面应采用FF,MFM,TG;·公称压力小于等于PN16的法兰,采用缠绕垫,金属包覆垫,半金属垫,金属环垫时应采用带颈对焊法兰.。
阀体、法兰、螺栓、螺母选配的基本原则表阀体材质法兰材质法兰材质代码配对螺栓配对螺母紧固件材质代码适用公称压力适用工作温度范围WCB、SCPH220#CS 353035≤5.0MPa-20~+250℃35CrMoA30CrMo35A≤42MPa-20~+425℃SCPH2115CrMo CR 35CrMoA30CrMo35A≤42MPa+230~+500℃25Cr2MoVA30CrMo25A+500~+550℃304304CF 304304CF≤10MPa-196~+600℃35CrMoA30CrMo35A≤42MPa-100~+500℃316316CM 304304CF≤10MPa-196~+600℃35CrMoA30CrMo35A≤42MPa-100~+500℃316L316L CL 304304CF≤10MPa-196~+600℃35CrMoA30CrMo35A≤42MPa-100~+500℃注:1、具体螺栓螺母的选择应根据垫片的型式密切相关。
详见表2。
2、当垫片为缠绕垫、金属包覆垫、齿形组合垫、金属环垫等半金属或金属垫片应使用35CrMoA等高强度紧固件。
我厂推荐使用法兰垫片型式选配基本原则表适用公称压力法兰型式配对法兰型式法兰型式代码垫片适用温度范围选用垫片型式垫片材质垫片材质代码螺栓材质螺母材质紧固件材质代码紧固件对应工作温度范围法兰垫片适用介质PN2.5、PN6.0 PN10、PN16凸面RF板式平焊RFBF≤300℃石棉橡胶板XB450XB353535-20~+250℃水系流体;溶剂;有机酸;碱;空气304304CF+250~+300℃300~650℃带外环型的C型石墨缠绕垫片。
不锈钢+石墨CG35CrMoA30CrMo35A+300~+500℃水系流体;油系流体;溶剂、有机酸、碱;非燃气体;液化气体;热煤油ANSI150 ANSI300带颈平焊RFJF304304CF+500~+600℃PN40 PN64 PN100凹凸面MFM带颈对焊M(凸面)JM200~650℃带内环型的B型石墨缠绕垫片不锈钢+石墨BG35CrMoA30CrMo35A+200~+500℃304304CF+500~+600℃≤200℃带内环型的B型四氟缠绕垫片不锈钢+四氟FB35CrMoA30CrMo35A≤200℃强酸碱;可燃气体(如禁油阀等)PN10、PN16 PN25、PN40 ANSI300榫槽面TG带颈平焊G(槽面)JG-196~260℃聚四氟乙烯填充四氟F4353035-20~260℃气体和真空304304CF-196~260℃ANSI600ANSI900ANSI1500凸面RF 带颈平焊RFJF≤650℃带内外环型的D型石墨缠绕垫片。
目次l总贝。
……........................,...........,,…..( 5) 2 规范性引用文件…… .. .. .. .. . .. . .. . .. . . ... .. ..... . . .. ... . ( 6 )3 法兰类型和法兰密封面……… ……·· -…·- .. ........ ....…… (们3. I 法兰类型…… … … … …………… …... . . (们3.2 法兰密封面.......-... .-...... ..... .....,... ....... ........ (13)4材料........……-…··-…………·………(川5 法兰用垫片及紧固件...................................-.. (21)6 法兰接头选配.....................................””.......... " ............... . (22)7 压力-温度额定值................-........................... . .... " ............,.... ...... ....(阳8尺寸...,......... ... . (33)8.1 法兰连接尺寸...........,.... ......................................... .,........-...,...............-. (33)且2法兰结构尺寸…………·…………..……………--…·· …………………………·-…...…·αω8.3 法兰颈部..................... ............... ...... ..........-...... ...... ..... . (78)8. 4管螺纹............................ . ............... .. (78)9 焊接接头和坡口尺寸........…………...... .……··………………………….......………(附9. I 板式平焊法兰和平焊环松套法兰... ... ... ... ....... ............... (7)ω9.2 带颈平焊法兰…-·· … …………………… ·· 仿9.3 承插焊法兰与钢管连接的焊接接头..... .... ....... .... .. ...... . .... ........ ..... ...... (81)9. 4 带颈对焊法兰-............ E ....,. . ..... ............,................ . (82)9.5对焊环………………………………………………· ... .. .. · ...... · · ... .. · · (82)10 尺寸公差………… … · -…… .. ... ......… ··侈的11试验..............……-…………………….......仰)12 检验和验收……· .............. ..... ........... ......……··…………. .. .....…………侈的13 标记及标记示例............................................................................. ........ . (89)14 包装和钢印标志.......... ............. .......... .. ....................... E ...,............. (91〕附录A C规范性附录)钢制孔板法兰......-... ...... -......... .. (92)附录职资料性附录〉钢制夹套法兰.-...... ......... ..... (JOO) 附录cc资料性附录)可配合使用的管法兰标准..... .. .... .... .........- (108)附录以资料性附录)法兰的近似质量............. ...... ... . . ....................... " .. (109)附录EC资料性附录)环连接面法兰间近似距离 (115)1总则1.0. 1 本标准规定了钢制管法兰(PN系列〉的基本技术要求,包括公称尺寸、公称压力、材料、压力-温度额定值、法兰类型和尺寸、密封面、公差及标记。
钢制管法兰、垫片及紧固件选用规定2008-01-15发布2008-02-01实施胜利工程设计咨询公司总图规划所发布前言根据胜利油田胜利工程设计咨询有限责任公司 2007 年技术基础工作计划的要求,由总图规划设计所编制完成了《钢制管法兰、垫片及紧固件选用规定》。
本规定共分9章和5个附录。
主要内容有:总则、术语、基本规定、法兰的选用、密封面的选用、垫片的选用、紧固件的选用、法兰、垫片与紧固件的选配、法兰、垫片及紧固件参数的描述等。
本规定由总图规划设计所专业技术委员会提出。
本规定由总图规划设计所专业技术委员会起草。
本规定起草人:刘庆砚本规定由总图规划设计所专业技术委员会负责解释。
本规定首次发布时间:2008年01月。
目次1 总则 (1)2 术语 (2)3 基本规定 (4)4 法兰的选用 (5)4.1 一般规定 (5)4.2 法兰类型的选用 (6)4.3 法兰公称通径的选用 (7)4.4 法兰公称压力的选用 (7)4.5 法兰材料的选用 (8)4.6 法兰最高无冲击工作压力的选用 (8)4.7 法兰盖允许开孔直径的选用 (11)5 密封面的选用 (12)5.1 一般规定 (12)5.2 密封面的选用 (12)6 垫片的选用 (16)6.1 一般规定 (16)6.2 垫片的选用 (16)6.3 垫片适用条件的选配 (21)7 紧固件的选用 (22)7.1 一般规定 (22)7.2 紧固件的选用 (23)8 法兰、垫片、紧固件的选配 (25)8.1 一般规定 (25)8.2 法兰、垫片、紧固件的选配 (27)9 法兰、垫片及紧固件参数的描述 (30)9.1 一般规定 (30)9.2 法兰的描述 (30)9.3 垫片及紧固件参数的描述 (31)附录A 可与欧洲体系法兰配合使用的国内管法兰标准 (32)附录B 国内部分标准中的密封面名称对照 (33)附录C 设备表中法兰、垫片及紧固件参数的描述举例 (34)附录D 材料表中法兰、垫片及紧固件参数的描述举例 (35)附录E 施工图说明书中法兰、垫片及紧固件参数的描述举例 (36)本规定用词说明 (39)1 总则1.0.1 为了规范油气集输及输油管道工程设计中法兰及紧固件的选用标准,保证设计质量,提高设计水平,统一法兰及紧固件的描述方法,制定本规定。
精心整理HG/T20592-2009(钢制管法兰、垫片、紧固件)⑴、 法兰公称压力等级采用PN.2.5,6,10,16,25,40,63,100,160。
⑵、 钢制管法兰用材料:增加类别号,P19。
⑶、 PL 法兰增加了PN40等级,增加了钢制孔板法兰(规范性附录),钢制夹套法兰(资料性附录)。
⑷、 把原HG20608-1997归入到HG/T20606-2009,钢制管法兰用非金属平垫片,并在HG/T20606-2009中增加了好多品种。
⑸、 HG/T20610-2009钢制管法兰用缠绕式垫片,金属材料和填充材料都比老标准有所增加,老标准称外环,新标准称对中环。
等长双头螺柱全螺纹螺柱螺栓/螺柱与螺母匹配紧固件的使用一商品级六角螺栓及Ⅰ型六角螺母的使用条件应符合下列要求:1公称压力等级小于或者等于PN16。
2非有毒、非可燃介质以及非剧烈循环场合。
3配用非金属平垫片。
二商品级双头螺柱及Ⅰ型六角螺母的使用条件应符合下列要求:1公称压力等级小于或者等于PN40。
2非有毒、非可燃介质以及非剧烈循环场合。
三除一、二条件外,应选用专用级全螺纹螺柱和Ⅱ型六角螺母。
四紧固件使用压力和温度范围:紧固件使用压力和温度范围(mm)七平垫片和六角头螺栓、螺柱及螺母的配合:1法兰接头是由一对法兰和紧固件、垫片等元件组成的装配件。
法兰接头的选用应根据设计条件、流体特性、密封要求等因素来考虑,同时还应综合考虑法兰、垫片和紧固件的选用和配合。
2全平面法兰应采用橡胶、石棉橡胶板、非石棉纤维橡胶板、填充改性聚四氟乙烯等非金属平垫片。
3危险工况下,法兰与垫片和紧固件的配合使用可参考标准法兰用紧固件和垫片的选配的规定并确定紧固件的上进扭矩及上进程序。
4法兰接头的密封面之间只允许安装一个垫片。
5拧紧螺栓时,应遵循一定的紧固步骤。
对于重要扥使用场合(例如高压、高温、极度或高危害介质)的法兰接头,应选用扭矩扳手或其他控制螺栓载荷的装置,遵循规定的紧固步骤,达到预定的紧固载荷,保证法兰接头的密封和避免因过分拧紧导致垫片压坏。
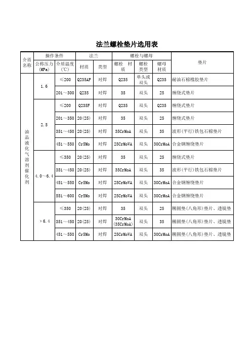
管线法兰垫片的选用标准及安装注意事项一、垫片的选用原则(一)垫片主要分非金属软垫片、金属复合垫片和金属垫片三大类,其中又分为柔性石墨类、聚四氟乙烯类、橡胶类、无石棉纤维类垫片、缠绕垫片,波形活压垫片,椭圆垫和八角垫等;(二)所选垫片的密封压力必须满足使用压力的要求;垫片材料的物理化学性要适应被密封介质的性质,满足可压缩性、回弹性、抗腐蚀性和抗氧化性等要求;所选垫片要和法兰密封面的型式匹配;(三)氯碱厂各车间在管线和设备法兰垫片选用首先按照附件二表中的标准选用,对其它特殊的垫片应符合HG/T 20614、 HG/T 20635《钢制管法兰、垫片、紧固件选用配合规定》的要求。
二、垫片的安装、检查要求(一)安装前的检查1、垫片的检查(1)垫片的材质、形式、尺寸是否符合要求;(2)垫片表面不允许有机械损伤,径向刻痕、严重锈蚀、内外边缘破损等缺陷;(3)选用的垫片应与法兰密封面形式相适应。
2、螺栓、螺母的检查(1)螺栓与螺母的材质、形式、尺寸是否符合要求;(2)螺母在螺栓上应转动灵活,但不应晃动;(3)螺栓及螺母不允许有斑疤、毛刺;(4)螺纹不允许有断缺现象;(5)螺栓不应有弯曲现象。
3、法兰安装质量的检查(1)法兰出现偏口现象----管线不垂直、不同心、法兰不平行。
两法兰间允许的偏斜值:使用非金属垫片时应小于 2mm;使用金属复合垫片、椭圆垫、八角垫及与设备连接的法兰应小于 1mm;(2)法兰出现错口现象---两法兰不同心。
在螺栓孔径及螺栓直径符合标准的情况下,以不用其他工具将螺栓自由地穿入螺栓孔,即认为合格;(3)法兰出现张口现象---法兰间隙过大。
两法兰间允许的张口值(除去管线预拉伸值及垫片或盲板的厚度):管法兰的张口应小于 3mm,与设备连接的法兰应小于 2mm;(4)法兰出现错孔现象---管线法兰同心,但两个法兰相对应的螺栓孔之间的弦距(或螺栓孔中心圆直径等)偏差较大。
(二)垫片的安装1、两法兰必须在同一中心线上并且平行。
法兰垫片紧固件选配表法兰垫片紧固件选配表(参照HG20635-97)垫片型式使用压力PN(Mpa) 密封面型式(注1) 密封面表面粗糙度法兰型式垫片最高使用温度oC 紧固件型式紧固件性能等级或材料牌号 200oC 250oC 300oC 500oC 550oC 橡胶垫≤1.6 突面、凹凸面、榫槽面、全平面密纹水线或Ra6.312.5 各种型式 200 六角螺栓双头螺柱全螺纹螺柱 8.8级35CrMoA25Cr2MoVA 石棉橡胶垫≤2.5 突面、凹凸面、榫槽面、全平面密纹水线或Ra6.312.5 各种型式 300 六角螺栓双头螺柱全螺纹螺柱 8.8级35CrMoA25CrMoVA 35CrMoA25Cr2MoVA 合成纤维橡胶垫≤4.0 突面、凹凸面、榫槽面、全平面密纹水线或Ra6.312.5 各种型式 290 六角螺栓双头螺柱全螺纹螺柱 8.8级35CrMoA25Cr2MoVA 35CrMoA25Cr2MoVA 聚四氟乙烯垫(改性或填充纸) ≤4.0 突面、凹凸面、榫槽面、全平面密纹水线或Ra6.312.5 各种型式 260 六角螺栓双头螺柱全螺纹螺柱 8.8级35CrMoA25Cr2MoVA 35CrMoA25Cr2MoVA 柔性石墨复合垫 1.06.3 突面、凹凸面、榫槽面密纹水线或Ra6.312.5 各种型式 640(450) 六角螺栓双头螺柱全螺纹螺柱 8.8级35CrMoA25Cr2MoVA 35CrMoA25Cr2MoVA 25Cr2MoVA 聚四氟乙烯包覆垫 0.64.0 突面密纹水线或Ra6.312.5 各种型式 150(200) 六角螺栓双头螺柱全螺纹螺柱 8.8级35CrMoA25Cr2MoVA 缠绕垫 1.616.0 突面、凹凸面、榫槽面 Ra3.26.3 带颈平焊法兰带颈对焊法兰整体法兰承插焊法兰对焊环松套法兰法兰盖 650 双头螺柱全螺纹螺柱 35CrMoA25Cr2MoVA 25Cr2MoVA 金属包覆垫 2.510.0 突面 Ra1.63.2(碳钢)Ra0.81.6(碳钢) 带颈对焊法兰整体法兰法兰盖 500 双头螺柱全螺纹螺柱 35CrMoA25Cr2MoVA 齿性组合垫 1.625.0 突面、凹凸面 Ra3.26.3 带颈对焊法兰整体法兰法兰盖 650 双头螺柱全螺纹螺柱 35CrMoA25Cr2MoVA 25Cr2MoVA 金属环垫 6.325.0 环连接面Ra0.81.6(碳钢、铬钼钢)Ra0.40.8(不锈钢) 带颈对焊法兰整体法兰法兰盖600 双头螺柱全螺纹螺柱35CrMoA25Cr2MoVA 25Cr2MoVA。
2、表中缠绕式垫片用于腐蚀性介质,非腐蚀性介质可将D42改为D12或D11,即金属带由1Cr18Ni9Ti改为08F,非金属带材料分别为柔性石墨或特制石棉。
2、表中缠绕式垫片用于腐蚀性介质,非腐蚀性介质可将D42改为D12或D11,即金属带由1Cr18Ni9Ti改为08F,非金属带材料分别为柔性石墨或特制石棉。
3、表中螺栓材料35号、螺母材料25号仅用于使用缠绕式垫片时使用。
PN4.0NPa 凸面对焊钢制法兰、垫片及紧固件
2、表中缠绕式垫片用于腐蚀性介质,非腐蚀性介质可将D42改为D12或D11,即金属带由1Cr18Ni9Ti改为08F,非金属带材料分别为柔性石墨或特制石棉。
PN4.0NPa 凹凸面对焊钢制法兰、垫片及紧固件
2、表中缠绕式垫片用于腐蚀性介质,非腐蚀性介质可将B42改为B12或B11,即金属带由1Cr18Ni9Ti改为08F,非金属带材料分别为柔性石墨或特制石棉。
《钢制法兰、垫片、紧固件》标准一、引言钢制法兰、垫片、紧固件是工业领域常用的连接元件,广泛应用于管道、容器等设备中,承担着连接紧固、密封等重要功能。
为了确保这些元件的质量、性能和安全可靠性,制定相应的标准十分必要。
本文将就钢制法兰、垫片和紧固件的标准进行详细介绍。
二、钢制法兰标准钢制法兰是一种用于管道、设备连接的金属元件,它具有承载压力、接口密封等功能。
根据不同的用途和功能要求,制定了一系列的钢制法兰标准。
这些标准包括法兰的尺寸、材质、连接方式、密封性能等方面的要求。
还包括法兰的公称压力、公称直径、材料强度等基本参数。
钢制法兰标准的制定目的是为了确保法兰的互换性、安全性和性能可靠性,使其适合各种不同工况下的使用。
三、垫片标准垫片是一种用于填补、调整和密封间隙的密封元件,常用于法兰连接和紧固件之间。
制造垫片的材料通常有纸、橡胶、金属等。
垫片标准一般包括垫片的尺寸、材料、厚度、硬度、耐温性能等要求。
针对不同的应用场景和介质,制定了不同的垫片标准,如水垫片、油垫片、耐高温垫片等。
垫片标准的制定旨在保证垫片的密封性能和耐用性,提高设备的安全可靠性。
四、紧固件标准紧固件是一类用于连接和固定元件的零部件,包括螺栓、螺母、螺杆、螺柱等。
紧固件的标准主要包括紧固件的尺寸、材质、强度等要求。
根据使用场景和力学要求,紧固件标准还包括紧固件的硬度、拉伸强度、抗腐蚀性能等指标。
制定紧固件标准的目的是为了确保紧固件在连接过程中能够承受相应的载荷和力矩,同时具备抗腐蚀、耐磨和长寿命的特性。
五、标准的重要性与应用钢制法兰、垫片和紧固件作为连接元件,直接影响到管道、容器等设备的安全运行。
制定相应的标准对于确保这些元件的质量、性能和安全可靠性具有重要意义。
标准化的钢制法兰、垫片和紧固件可以实现互换性,减少设备的停机维修时间,提高施工效率。
遵循标准的选择和使用也能够提高设备的可靠性和寿命,降低设备事故发生的风险。
钢制法兰、垫片和紧固件的标准化对于确保设备运行的安全性和可靠性至关重要。