(完整版)工具钳工高级操作技能复习资料
- 格式:doc
- 大小:435.51 KB
- 文档页数:9
钳工(高级)复习题含参考答案一、单选题(共45题,每题1分,共45分)1.液压系统中,当负载越大,则液压缸的运动速度越( )。
A、不变B、无关C、大D、小正确答案:B2.在切前加工时,下列选项中( ) 因素与残留面积无关系。
A、进给量B、主偏角C、刀尖明角半径D、前角正确答案:D3.提高齿轮的安装精度,主要是提高安装时的精度,对减少齿轮运行中的噪声有很大作用。
A、平行度B、位置度C、直线度D、同轴度正确答案:D4.为了使齿轮泵能连续供油,要求重叠系数A( )。
A、大于1B、等于1C、小于1正确答案:A5.双叶片泵的叶片安装是沿旋转方向( )A、前倾B、径向C、后倾D、轴向正确答案:A6.特大工件要求经过一次吊装、找正,就能完成整个工件的划线,则一般采用的划线方法是()。
A、拉线与吊线法B、工件位移法C、直拉翻转零件法正确答案:A7.基准包括( )A、设计基准和测量基准B、设计基准和工艺基准C、设计基准和工序基准D、工艺基准和定位基准正确答案:B8.分度蜗杆的径向轴承是青铜材料制成的滑动轴承,修正时需用()材料制成的研磨棒研磨。
A、巴氏合金B、铝合金C、铸铁D、低碳钢正确答案:A9.克服工艺系统刚性不足而使毛坯的误差复映到加工表面的现象,可通过( )得到解决。
A、合理安排铣削工艺B、合理选择铣刀直径C、合理选择铣刀形式D、选用合适材料的铣刀正确答案:A10.工件在车床自定心卡盘上一次装夹车削外圆及端面、加工后检验发规端面与外圆不垂直, 其可能原因是( )。
A、车床主轴回转轴线与纵导轨不平行B、自定心卡盘装夹面与车削主轴回转轴线不同轴C、车床横导轨与纵导轨不垂直D、车床主轴径向圆跳动正确答案:C11.对于连续冲模,其试冲板料的宽度应比侧面导板的距离()。
A、小0. 1~0. 15mmB、大0. 1~0. 15mmC、小1~2mm正确答案:A12.( )没有复位,电动机不能起动。
A、时间继电器B、电压继电器C、热继电器D、中间继电器正确答案:C13.液压一橡皮软模成形加工法是用高液体与橡皮模组成软体凸模(或凹模),可形成各种()制件。
高级机修钳工复习资料一、判断题:1.(×)为了制造与测量方便,普通V带以带内周长作为基准长度。
2.(×)调整平衡后的旋转体,不允许有剩余的不平衡量存在。
3.(√)松键联接装配时不需要打紧,键的上表面与轮毂键槽底面之间留有间隙4.(√)国家标准规定大径为普通螺纹的公称直径。
5. (√)磨床砂轮架的主轴是由电动机通过V带传动进行旋转的。
6. (√)在拟定加工工艺顺序时,应首要考虑解决精度要求高的主要表面的加工问题,而次要表面加工穿插在适当时解决。
7. (×)对于轻载、高速的滑动轴承。
宜用粘度较高的润滑油润滑。
8. (√)所谓某种加工方法的经济精度,并不是指它只能达到的加工精度,如果改变加工条件或多费工时细心操作,也许能达到更高的加工精度,但这样做是不经济的。
9.(√)单作用叶片泵可做为变量泵。
双作用叶片泵只能是定量泵。
10.(×)不同批量的箱体生产,其工艺路线在加工方法选定,设备和工装的选用,以及定位基准的选择等方面都是不同。
11.(×)研磨圆柱孔时,出现孔的两端大,中间小的原因是研具与孔的配合太紧,操作不稳造成。
12.(×)剖分式滑动轴承的轴瓦剖分面应比轴承体的剖分面低一些。
13.(×)管子的外径是管螺纹的公称直径。
14.(√)锡基轴承合金的力学性能和抗腐蚀性比铅基的轴承合金好,但价格较贵,故常用于重载、高速和温度低于110℃的重要场合。
15.(√)星-三角起动法是减压起动的一种方法。
16.(×)圆柱滚子轴承能够承受一定的轴向载荷。
17.(√)组合开关中随转动轴旋转的触片称为动触片。
18.(√)刮削时如果工件支承方式不合理,将会造成工件不能同时均匀受压的重力变形,以致使刮削精度不稳定。
19.(√)牛头刨床中滑枕的往复运动是由导杆机构来实现的。
20.(×)对孔径尺寸精度要求较高,以及孔壁表面粗糙度值要求较低的孔组称为精密孔系。
工具钳工-高级(资料二)编辑整理:尊敬的读者朋友们:这里是精品文档编辑中心,本文档内容是由我和我的同事精心编辑整理后发布的,发布之前我们对文中内容进行仔细校对,但是难免会有疏漏的地方,但是任然希望(工具钳工-高级(资料二))的内容能够给您的工作和学习带来便利。
同时也真诚的希望收到您的建议和反馈,这将是我们进步的源泉,前进的动力。
本文可编辑可修改,如果觉得对您有帮助请收藏以便随时查阅,最后祝您生活愉快业绩进步,以下为工具钳工-高级(资料二)的全部内容。
一、单项选择1。
职业道德是( )在职业行为和职业关系中的具体体现.A、职业标准B、行业规范C、法律法规D、社会道德2.()的确立,一般与三种因素相联系,即个人的兴趣、生活的需要和共同理想的追求。
A、职业义务B、职业态度C、职业技能D、职业理想3。
劳动争议当事人对仲裁裁决不服的,可以自收到仲裁裁决书之日起15日内向人民法院提起().A、协商B、调解C、强制执行D、诉讼4.绘制机械图样时,图框用()绘制。
A、细实线B、粗实线C、粗点画线D、双点画线5.机械图样中,波浪线可用来表示( ).A、视图和剖视的边界线B、有特殊要求的线C、极限位置的轮廓线D、可见过渡线6. 滚动轴承的内圈与安装轴配合时应选用()配合。
A、基孔制B、基轴制C、间隙D、过盈7.两个基本形体的表面相交时,两表面在相交处会产生交线,在视图投影中可见部分应用()表示。
A、虚线B、实线C、点划线D、波浪线8。
机械制图中的字体一般采用()。
A、楷体B、隶书C、黑体D、仿宋体9。
机械设备合理使用润滑材料可减少机器零件相对运动的(),提高设备使用寿命。
A、速度B、时间C、摩擦D、能力10。
关于划线操作描述正确的是()。
A、划线的精度可以达到0.05mmB、划线的精度达到0。
5mmC、可以用榔头锤击划针生成样冲眼D、在钢板上划线可以使用铅笔11。
( )为孔的最小极限尺寸与轴的最大极限尺寸之差,此时差值为负值。
钳工技能考试:高级钳工(最新版)1、填空题自动空气开关可供电路过载、()、失压以及电压降低时,自动切断电路之用。
TF 确答案.短路2、单选.特大工件一般采用O 进行划线。
A.拉线与吊线法B.直接翻转零件法C.在(江南博哥)三坐标划线机上D.大平台正确答案:A3、单选材料单位长度温度升高或降低IC 在长度上膨胀或收缩的量,称该材料的OA 、弹性模量B 、线膨胀系数正确答案:B4、单选钢号T12A 表示O 钢。
A 、碳素结构钢B 、碳素工具钢C 、合金工具钢D 、高速钢正确答案:B5、判断题车床中滑板横向移动对主轴轴线的垂直度超差时,只能调整主轴在床身上的位置。
正确答案:错6、填空题构件表面越光滑,疲劳极限()。
正确答案:越高7、单选轴承在使用中滚子及滚道会磨损,当磨损达到一定程度,滚动轴承将O 而报废。
正确答案:C8、单选一直齿圆柱齿轮,它的分度圆直径是60n 三,齿数是20,则它的模数是0A 、2.5B 、3.5C 、3 热死动死过卡滚粘 、 、 、、 ABCD正确答案:C9、单选在电热电器中,熔断器的熔丝的额定电流应O电路中负载的工作电流。
A小于B.等于或稍大于C.等于或稍小于D.远大于正确答案:B10、判断题普通平键联接,键与毂槽的配合为D10∕h9.正确答案:错11、名词解释泵正确答案:泵是用来增加液体能量的机器。
12、单选角钢既有弯曲变形又有扭曲变形时,一般应先矫正OA、弯曲变形B、扭曲变形C、两种均可正确答案:B13、判断题油膜与界面之间的吸附力较大,边界膜不易破裂,则润滑油或油性较差。
正确答案:错14、填空题密封件是用来O或减少液压装置的内、外泄漏的正确答案:防止15、判断题当蜗杆蜗条机构啮合侧隙过大时,将会产生工作台移动时爬行的毛病。
正确答案:对16、判断题高外作业时,应系好安全带,并严格检查脚手架的牢固程度,下面不准站人。
正确答案:对17、单选液压缸、液压系统的执行元件,是将液压能变为机械能的装置按运动形式分为往复运动式和旋转式即液压马达的把液压能转变为机械能的()。
工具钳工(中、高级)理论复习题库钳工(判断题、选择题各300题)一、单项选择题1.本题图中,正确的左视图是()。
A、AB、BC、C2.钻头在长锥孔内定位时,就可消除钻头的()自由度。
A、三个B、四个C、五个3.工件的定位误差是由()误差和基准不符误差组成的。
A、基准位移B、工序C、装配4.零件图上所采用的基准称为()。
A、工艺基准B、辅助基准C、设计基准5.()表面粗糙度值,可以提高工件的疲劳强度。
A、减小B、增大C、减小或增大6.零件的加工精度是由尺寸精度,几何形状精度及()精度组成的。
A、表面粗糙度B、尺寸公差C、相对位置7.当斜楔的斜角α=(),斜楔夹紧机构能自锁。
A、5°~7°B、8°~10°C、10°~12°8.自动定心夹紧元件的动作是()的。
A、联动B、各自动作C、设定先后动作9.刀具材料的硬度必须()工件材料硬度。
A、低于B、高于C、等于10.粗加工时,为了增加刀刃的强度,应取()的后角。
A、较小B、较大C、任意大小11.使用切削液能迅速从切削区域内带走大量的热,同时还减少刀具与工件之间的摩擦,以及()热量的产生。
A、增加B、减少C、保持12.低碳钢通过()热处理可以改善切削加工性。
A、正火B、淬火C、退火13.加工中心是备有()并能自动换刀的数控机床。
A、刀库B、检测装置C、冷却装置14.箱体划线一般都要划出十字找正线,找正线越(),找正越准确。
A、长B、短C、粗15.盘形端面凸轮划线时,应先划出()。
A、滚子中心运动曲线B、凸轮的外周曲线C、凸轮的实际曲线16.微动螺旋量具是指用()移动测头来实现几何量测量的量仪。
A、直接方式B、螺旋方式C、光学原理17.公法线千分尺测量公法线长度属于()。
A、综合测量B、绝对测量C、相对测量18.为提高用样板比较法测量表面粗糙度的准确度,检验人员往往要借助于()。
A、比较仪B、投影仪C、专用显微镜19.按照规定的()要求,将若干个零件通过各种形式结合成为组件、部件,最终组成一台完整的工装的工艺过程称为装配。
钳工技师职业技能鉴定理论知识复习题(一)一、填空题基础知识1、用几个相互平行的平面剖切零件,这种方法也称为阶梯剖。
P.482、基本尺寸相同的,相互结合一起的孔和轴之间的关系称为配合。
3、带传动的承载能力是由传动带与带轮之间的摩擦力决定的。
P.1894、一对渐开线直齿圆柱齿轮的正确啮合条件是:两齿轮的模数和分度圆上的压力角必须相等。
P.2075、在凸轮机构中,从动件的运动规律取决于凸轮轮廓曲线的形状。
P.2366、如果把两根既不在同一轴线上又不相互平行的轴连接在一起,可以采用万向联轴器,为使从动轴的角速度不变化,应成对使用。
P.2547、润滑的目的除了降低摩擦阻力、减少磨损之外,还起到冷却、吸震和防锈的作用。
P.2488、滚动轴承中的保持架起将滚动体隔开并使其保持一定距离的作用。
P.2509、液压传动不能保持严格准确的传动比,是由于油液具有一定的压缩性,还存在不可避免的泄漏。
P.26110、压力控制阀一般都是利用油压与弹簧力相平衡的原理工作的。
P.27811.内存可以分为只读存储器(或ROM)和随机存取存储器(或RAM),其中用来存储固定不变的信息是只读存储器(或ROM)12.电脑的特性是快速性、通用性、准确性及逻辑性。
13.计算机的硬件系统核心是中央处理器(或CPU),它是由运算器和控制器两个部分组成的。
14.微机的硬件系统是由运算器、控制器、存储器、输入设备、输出设备组成的。
15.开关计算机的顺序是:开机应先开外设电源,再开主机电源;关机时应先关主机电源,再关外设电源。
16.在微型计算机组成中,最基本的输入设备是键盘,输出设备显示器。
17.键盘上的Enter键代表回车键。
18.传染性是计算机病毒最基本的特征,也是计算机病毒与正常程序的本质区别19.机器语言是计算机唯一能识别并直接执行的语言。
20.1GB= 1024 MB = 1024*1024 KB= 1024*1024*1024 B。
21、所有流入节点的电流之和一定等于所有流出节点的电流之和。
钳工技能考试:高级钳工(题库版)1、判断题凸轮机构一般属于低副。
正确答案:错2、填空题普通异步电动机在降压起动时起动转矩()。
当降压至额定电压的65%时起动(用自耦变压器起动),起动力矩只有额定转矩的()左右,不利(江南博哥)于重负荷起动。
正确答案:变小;63%3、判断题42J自准直仪的测量工作距离为0-9米。
正确答案:对4、单选平键与键槽的配合一般采用()A、间隙配合B、过渡配合C、过盈配合正确答案:A5、单选顺向滚锉法。
用于锉削()。
A.内圆弧面B.平面C.斜面D.台阶面正确答案:A6、问答题活塞式压缩机气缸内产生异响的原因是什么?正确答案:1)、气缸内余隙过小2)、气阀零件落入气缸3)、活塞与活塞杆连接松动4)、活塞上丝堵退扣与气缸撞击5)、气缸套松动或断裂6)活塞杆与十字头连接松动,造成活塞与气缸撞击7、判断题齿轮加工机床上的分齿传动链,其最后一级传动是精密齿轮副。
正确答案:错8、单选任何工件在空间,不加任何约束它有()自由度。
A、三个B、四个C、六个D、八个正确答案:C9、名词解释弯曲正确答案:将原来平直的板料、条料、棒料或管子弯成所要求的形状的操作称为弯曲。
10、判断题螺纹连接具有简单可靠、拆装方便的优点,但成本较高。
正确答案:错11、单选相互啮合的齿轮接触班点在轮齿高度上一般不应少于()。
A.10%--20%B.20%--50%C.30%--50%D.40%--60%正确答案:C12、名词解释约束正确答案:一个机械零件受到其,周围零件的限制时,这些周围机械零件称为约束。
13、判断题任何精密仪器的标准系统,都是有更高一级标准来评定更高一级标准本身的错误差,也直接影响标准系统的精度。
()正确答案:对14、单选车削具有适应性强,()和生产率高,以及加工成本低的特点。
A、尺寸精度B、加工精度C、表面粗糙度D、工作精度正确答案:B15、问答题液压传动使用的密封材料应具备哪些性能?正确答案:液压传动使用的密封材料应具备以下性能:在一定温度使用范围内,有较好的稳定性,在油液中不溶解,体积变化小,不软化或硬化,弹性好,永久变形小,有适当的机械强度,耐磨性好,磨擦系数小,与金属接触不相互起反应,易于压制,价格低廉。
一、单选题1. 液压油流过不同截面积的通道时,各个截面积的是与通道的截面积成反比。
A.流量B.流速C.压力2. 钨钴钛类硬质合金主要用于加工材料。
A.碳素钢和合金钢B.不锈钢和高硬度钢C.工具钢和淬火钢3. 工件的装夹方法主要有划线找正装夹、夹具装夹和直接找正装夹三种。
对于成批和大批量生产,应考虑采用。
A.划线找正装夹B.夹具装夹C.直接找正装夹4. 在零件加工或机器装配后间接形成或间接保证的尺寸是。
A.增环B.减环C.封闭环5. 通常选定精度要求高的面或主要加工面作为第一划线位置,其目的是为了。
A.工件校正时,比较准确B.保证它们有足够的加工余量,加工后便于达到设计要求C. 便于全面了解和校正,并能够划出大部分的加工线6. 基本型群钻主要用来钻削。
A.铸铁B.碳钢C. 合金工具钢7. 零件被测表面与量具或量仪测头不接触,表面间不存在测量力的测量方法,称为。
A.相对测量B.间接测量C.非接触测量8. 用校对样板来检查工作样板常用。
A.覆盖法B.光隙法C.间接测量法9. 用量针法测量螺纹中径,以法应用最为广泛。
A.三针B.两针C.单针10. 用百分表测量零件外径时,为保证测量精度,可反复多次测量,其测量值应取多次反复测量的。
A.最大值B.最小值C.平均值11. 麻花钻、饺刀等柄式刀具在制造时,必须注意其工作部分与安装基准部分的公差要求。
A.圆柱度B.同轴度C.垂直度12. 渐开线圆柱齿轮副接触斑点出现鳞状接触时,这是由于引起的。
A.齿面波纹B.中心距偏小C.齿轮副轴线平行度误差13. 有间隙落料模的凹凸模,其尺寸的特点是。
A.制件尺寸等于凹模尺寸B.制件尺寸等于凸模尺寸C.制件尺寸等于凹模尺寸,也等于凸模尺寸14. 压边圈能预防板料在拉深过程中产生现象。
A.起皱B.变形C.振动15. 冲裁模凸凹模间隙配合不合理,将导致制件。
A.有毛刺B.制作不平C.卸料不正常16. 径向分度盘的特点是分度槽分布在分度盘的上。
单选题√√××√×××√××√√×√×××√×√××√√××√√√√×√√√××√××√×√××××√√√√×√√√√×√××√选择题AABADACACABBCAA D D D D ABC C B C CD D B B D D C A BB B B B D D D B A D A D D A BC CD B C AA B D B B D D A D B C A A A B C D D A D D填空题1物理性能化学性能2强度耐磨性3高温回火综合机械性能4分度圆节圆5渗碳渗氮6定压脉冲7小于 708增加阻力9减少供油量10迷宫式11柱塞偶件出油阀偶件12强制排气阶段进气阶段13对中不良轴承损坏齿轮啮合不良14双制式调速器全制式调速器15燃油粘度喷油嘴16装卸轮机自动化17粘度指数闪点18直动式减压阀先导式减压阀19开式冷却系统闭式冷却系统20核裂变驱动舰船21进排气重叠角22直流扫气23泵内容积输送液体24烧坏船体振动25燃料燃烧室涡轮机26 阀出口液压系统27卸荷槽28压气机燃烧室涡轮机29疲劳强度韧性30冷却速度31冷作硬化32压力负载计算题A1=40㎝²F1=1633kgP1= F1÷ A1=4.1MpaA2=25㎝²F2=510 kgP2= F2÷ A2=2.4MpaP3=5.5 MpaR—轴承的实际负荷(N牛顿)K—顶举系数A—千斤顶的活塞面积(mm²)圆面积公式:πR²πD²/4R:半径D:直径L=33-5-5×1.414什么是柴油机定时图?在柴油机每一个工作循环中,启动阀、进气口、喷油器、排气阀等各过程开启和关闭的始点与终点,以活塞上、下止点为基准,按照一定的柴油机转向,用曲轴的曲柄转角表示各过程开启和关闭的时刻在一个圆上的图形称为定时图。
钳工技师、高级技师理论复习资料一、选择题:1、测量中等尺寸导轨在垂直平面内的直线度误差时,采用()法较合适。
A、光线基准B、实物基准C、间接测量2、用水平仪或自准量仪测量大型机器和设备中表面较长零件的直线度误差的方法属于()测量法。
A、直接B、比较C、角差3、规定产品或零部件制造工艺过程和操作方法等的工件文件,称为()。
A、工艺规程B、工艺系统C、生产纲领4、工件以圆孔定位,定位元件是时,若心轴水平置放,则工件与定位元件接触情况为()。
A、双边接触B、单边接触C、任意方向接触5、()应力主要是在铸、锻、焊、热处理等加工过程中,由于零件各部分冷却收缩不均匀而引起。
A、热应力B、塑变应力C、组织应力6、装配精度完全依赖于零件加工精度的装配方法,称为()。
A、完全互换法B、修配法C、选配法D、调整装配法7、三坐标测量机()阿贝误差。
A、不存在B、无法根本消除C、可以补偿完全消除8、因为合像水平仪水准器的曲率半径比框式水平仪的(),所以气泡达到稳定的时间短。
A、大B、一样C、小9、利用自准直光学量仪,可以测出反射镜对光轴()的微小偏转。
A、垂直方向B、水平方向C、前后位置10、一般液控单向阀的最小液控压力约为主油路压力的()。
A、10%~20%B、30%~40%C、50%~60%11、数控机床的运动量是数控系统直接控制的,运动状态则是由()控制。
A、可编程控制器B、存储器C、插补器12、麻花钻主切削刃上各点的后角是()。
A、内大于外B、外大于外C、相等13、钻黄铜或青铜的群钻要避免扎刀现象,就要设法把钻头外缘处的前角()。
A、磨大些B、磨小些C、磨锋利些14、工件在夹具中定位时,被夹具的某一个面限制了三个自由度的工件上的那个面,称为()。
A、导向基准面B、主要基准面C、止推基准面15、对工件上两个平行圆柱孔定位时,为了防止产生过定位,常用的定位方式是()。
A、用两个圆柱销B、用两个圆锥销C、用一个短圆柱销和一个短削边销16、用一个大平面对工件的平面进行定位时,它可以限制工件的()自由度。
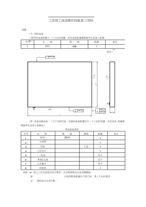
工具钳工高级操作技能复习资料(1)材料准备:(2)设备设施准备:(以下各种设备、设施的准备数量均为一个工位的用量,实际准备 数量需根据考生具体人数确定)序号 名 称规 格精度 数量备注1 钻床 Z41212 台虎钳13 平板1级14 工作台灯15 机油若干6 8 %乳化液若干7工艺墨水若干8砂轮机1说明:a )钳工工作台高度应符合要求,并对特殊情况应备有脚踏板。
b )台钻的配备数量应不低于每 5人1台的要求。
c ) 提供部分共用平板。
试题序号 名 称 规 格 数量备注1材料45# 1(材料的准备数量为一个工位的用量,实际准备数量需根据考生具体人数确定) 其余否工具钳工高级操作技能姓名:_____________ 准考证号: 单位: ___________________ 试题工具钳工高级操作技能考件编号:______________________注意事项一、本试卷依据2002年颁布的《工具钳工》国家职业标准命制。
二、请根据试题考核要求,完成考试内容。
三、请服从考评人员指挥,保证考核安全顺利进行。
制作"组合锉配”(1)本题分值:100分(2)考核时间:480min (另加30 min准备时间)(3)考核形式:实操(4)具体考核要求:a)按图样要求制作“组合锉配”:1. 熟悉图样,分析技术要点,确定加工工艺。
2. 进行划线、锯削加工、锉削加工、孔加工及测量。
b)精度要求:1. 锉削IT7〜IT8级、钻孔IT7〜IT10级。
2. 形位公差按图样要求加工。
3. 表面粗糙度:锉削Ra1.6 m、钻、铰孔Ra0.8 m。
c)安全文明生产。
图样:组合锉配零件图一、三角形体(件I)1.6其余0.8技术要求:1. 各锂削面平面度W 0.02,与端面的垂直度W 0.022. 孔口倒角C0.5。
3. 锐角倒钝R0.3。
零件图二、燕尾、v形组合形体(件n)1.6其余L-______________________ 山’肌________________________ —0.1A0.04A技术要求:1. 各锂削面平面度W 0.02,与基准面B的垂直度W 0.022. 孔口倒角C0.5。
工具钳工高级理论知识复习资料一、单项选择题.斜导柱分型抽芯机构在检验侧芯抽拔距时,一般以测量滑块开模时伸出长度和合模时伸出长度()计算。
A、乘积B、之商C、之和D、之差.侧向抽芯机构组装式滑块是将()安装在滑块上,并保证组装后是一个完整的整体。
A、导柱B、斜导柱C、顶杆D、型芯.下列选项中,关于职业道德与人的事业成功的关系的正确论述是()。
A、职业道德是人事业成功的重要条件B、职业道德水平高的人肯定能够取得事业的成功C、缺乏职业道德的人也会获得事业的成功D、人的事业成功与否与职业道德无关.加工较大的孔时,一般对孔进行粗加工留()mm左右余量后,再用坐标镗床精镗。
A、0.5~1.5B、1~2C、2~3D、4~5.用铣床加工型腔时,为满足不同型面要求需准备不同()。
A、材料的铣刀B、尺寸的键槽铣刀C、形状的铣刀D、形状和尺寸的铣刀.数控铣床一般都可以进行()坐标联动加工。
A、二B、三C、六D、多.利用()装夹工件,一次装夹可在平磨上磨出两个互相垂直的平面。
A、机用平口钳B、磁性工作台C、精密平口钳D、正弦磁台.不能消除配合间隙的对定机构是()。
A、圆柱销对定机构B、圆锥销对定机构C、双斜面对定机构D、单斜面对定机构E、正多面体对定机构.注塑模试模时模具工作故障可能是造成制件某种缺陷的原因,如单边溢料则与()有关等。
A、合模松紧B、抽芯与顶出动作相互干涉C、顶杆不能准确复位D、分型面平行度.料筒温度过低,塑料在过低温度下成型塑件会出现()。
A、溢边B、凹痕C、熔接痕D、银丝.塑件产生翘曲变形缺陷的原因之一是()。
A、动、定模温度不一致B、浇口位置不好C、注射速度过低D、型腔表面粗糙.当金属嵌件与塑料冷却时尺寸变化相差较大,使嵌件周围产生很大的内应力而造成()。
A、塑件产生气泡B、塑件出现银丝C、塑件产生凹陷D、嵌件周围塑件开裂.保证淬火零件硬度的均匀性是提高模具()的措施之一。
A、零件加工精度B、零件表面粗糙度C、装配精度D、制造质量.固定式的半溢式塑料压模在上模板与加料室上平面之间应设承压板,通过调整()调整凸模端面与挤压面的间隙。
高级钳工复习资料一、填空题(请将适当的词语填入划线处)1、将机件的表面按其实际形状大小摊开在一个平面上所得到的图形称为展开图。
2、在钻头外缘处磨出过渡刃,以增加外缘处的刀尖角,改善散热条件,增加刀齿强度,提高切削刃与棱边尖角处的耐磨性,提高钻头的耐用度。
3、钻钢件时,使用冷却润滑液可降低切削温度和增加润滑性能。
4、机床的运动包括主体运动和进给运动,精密机床的精密性,具体表现为传动部分和导轨部分的精密性。
5、齿轮与轴装好后,对于精度要求高的应检查径向圆跳动误差和端面圆跳动误差。
6、滚动轴承是标准部件。
内圈与轴相配合是基孔制,外圈与轴承座配合为基轴制。
7、汽缸最大容积与最小容积(均包括燃烧室容积)的比值称为压缩比。
8、声级计是依靠微音器将被测声波转换为电信号,再经过内部电路后,最后在表头指示出读数。
9、毛坯制造时,如果批量较大,应尽量利用精密铸造、精锻、冷挤压等新工艺,使加工余量大大减少,从而可缩短加工的机动时间。
10、在起重工作中,多人操作要有专人指挥,统一信号,交底清楚,严格按总指挥的命令或信号工作。
11、工件的六个自由度都得到限制,工件在夹具中只有唯一的位置,称完全定位。
12、熔断器是一种保护电器,当电路发生短路或过载时能自动切断电路。
13、样冲用工具钢制成,并经淬火处理,样冲的尖角一般磨成45º~60º。
14、精密磨床砂轮主轴的滑动轴承,其外部基体由 15钢制成,内部工作面用锡青铜离心浇注。
15、滑动轴承,按其摩擦状态分为液体摩擦轴承和非液体摩擦轴承。
16、滑动连接对花键装配要求套间在花键轴上可以自由滑动,没有阻滞现象。
17、在工件与挤压用凹模之间摩擦力的作用下,金属外表层流动速度比中心层快,当中心层金属对表层金属产生的附加拉应力足够大时,便使工件表面出现环形或鱼鳞状裂纹。
18、数控机床程序编制有靠人的手工编制和借助于计算机来进行程序编制的两种方法。
19、φ20㎜的钢丝绳,磨损限度为平均直径18㎜。
钳工技能培训学习辅导资料一、填空题1、液压泵的主要性能参数有流量、容积效率、压力、功率、机械效率、总效率。
2、液压泵的种类很多,常见的有齿轮泵、叶片泵、柱塞泵、螺杆泵。
3、液压控制阀可分为方向控制阀、压力控制阀、流量控制阀三大类,4、压力控制阀用来控制、调节液压系统中的工作压力,以实现执行元件所要求的力或力矩。
5、压力控制阀包括溢流阀、减压阀、顺序阀等。
6、流量控制阀是控制、调节油液通过阀口的流量,而使执行机构产生相应的运动速度。
7、流量控制阀有节流阀、调速阀等。
8、单向阀的作用是使油液只能向一个方向流动。
9、方向控制阀的作用是控制液压系统中的油流方向,以改变执行机构的运动方向或工作顺序。
10、换向阀是利用阀芯和阀体的相对运动来变换油液流动的方向,接通或关闭油路。
11、根据阀芯运动方式不同,换向阀可分为滑阀式、转阀式两种。
12、根据蓄能器的结构来分有活塞式、弹簧式、皮囊式等。
13、密封件是用来防止或减少液压装置的内、外泄漏的。
14、常用密封件有:O型密封圈、Y型密封圈、V型密封圈等。
15、标记为Dxd的O型密封圈,D表示密封圈外径,d表示橡胶带断面直径。
16、O型密封圈具有结构简单、密封性能好、磨擦力小、槽沟尺寸小、制造容易等优点,因而广泛用于各种定密封和可动密封中。
17、O型密封圈用于固定密封时,工作压力可达100MPa,用于旋转密封时,压力不宜超过15MPa,圆速度不应超过2 m/s,用于往复直线运动密封时,工作压力可达70MP.18、型号为CB-B50、YB-32的油泵,名称分别是齿轮泵、叶片泵,额定流量分别是50r/min、32r/min。
19、机油粘性越大,流动性能越差、粘性越小,流动性越好,润滑性下降。
20、常用滑动轴承材料有金属、非金属、粉末冶金材料三大类。
21、磨擦表面的润滑状态有无润滑状态,边界润滑状态、流体润滑、混合润滑状态。
22、润滑技术的内容包括正确选用润滑剂的品种和用量,采用合理的润滑方式,改善润滑剂的性能并保持润滑剂的质量等。
鸡西分(子)公司煤矿井下高级钳岗位职业技能鉴定理论培训题纲一、选择题1.>三角带紧度要合适,中等中心距下,大拇指能压下( C )左右为合适。
A.5mm B.10mm C.15mm D.25mm2.>如图为一液压系统的职能符号,其名称是( B )。
A.单向阀.单作用油缸 C.二位阀 D.双作用油缸3.>如图为一液压系统的职能符号,其名称是( A )。
A.双向定量泵 B.双向定量马达 C.双向变量泵 D.双向变量马达4.>如图( C )。
A.单向阀 B.梭形阀 C.液控单向阀 D.手控截止阀5.>如图为一液压系统的职能符号,其名称是( C )。
A.固定节流器 B.可调节流器 C.固定节流阀 D.可调节流阀6.>控制油液单方向流动的方向阀是( D )。
A.手动换向阀 B.滑式换向阀 C.转式换向阀 D.单向阀7.>如图为液压系统的职能符号,其名称是( D )。
A.精过滤器 B.冷却器 C.蓄能器 D.粗过滤器8.>如图为一液压系统的职能符号,其名称是( D )。
A.四通伺服阀 B.三位四通换向阀 C.两位四通换向阀 D.常开式二位二通阀9.>如图为一液压系统的职能符号,其名称是( A )。
A.油箱 B.冷却器 C.排水器 D.过滤器10.>电阻串联电路的特点是:串联电路中的( C )处处相同。
A.电压 B.电阻 C.电流 D.功率11.>欧姆定律正确的表达式为( D )。
A.R=IU B.I=R/U C.U=I/R D.I=U/R12.>防爆标志ExdI中I的含义是( B )。
A.隔爆型 B.I类,煤矿用 C.充油型电气设备 D.增安型电气设备13.>三个阻值相同的电阻并联起来,它的总电阻为( B )。
A.3R B.R/3 C.R D.1/R14.>使用钢丝绳拖拉液压支架时,有接头的钢丝绳,只允许在水平巷道内和( A )以下的倾斜巷道中使用。
工具钳工理论知识复习资料一、单项选择题1.在企业的经营活动中,下列选项中的()不是职业道德功能的表现。
A、激励作用B、决策能力C、规范行为D、遵纪守法2.为了促进企业的规范化发展,需要发挥企业文化的()功能。
A、娱乐B、主导C、决策D、自律3.职业道德通过(),起着增强企业凝聚力的作用。
A、协调员工之间的关系B、增加职工福利C、为员创造发展空间D、调节企业与社会的关系4.()是企业诚实守信的内在要求。
A、注重环境效益B、增加职工福利C、注重经济效益D、开展员工培训5.照明不足会使人从生理上消耗更多的能量,易于()。
A、饥饿B、疲劳C、激动D、兴奋6.人在疲劳时,操作行动的准确性、()下降。
A、协调性B、可视性C、危害性D、刺激性7.噪声在()分贝以上时,会使人产生头昏、心痛和急燥不安的现象。
A、30B、60C、90D、1208.采用通风换气措施,尽量减少()聚集。
A、噪声B、高温C、异味D、粉尘9.操整理缺乏安全操作训练或()、违规操作都是发生机床安全事故的原因。
A、粗心大意B、操作技能差C、技术水平低D、生产任务重10.机床运转时,操整理()。
A、不得切削工件B、不得离开机床C、不得使用切削液D、不得退出刀具11.安装模具先将冲压滑块降至最低点,调整其()时,注意必须停车进行。
A、冲裁深度B、卸料装置C、送料机构D、闭合高度12.检验剪床的离合器是否在正常的分离位置,()必须停在最高位置。
A、挡尺B、滑块C、垫板D、剪刀13.操作压力机应注意不得任意搬动或拆除压力机的()。
A、防护装置B、排料装置C、送料装置D、定位装置14.在复杂精密模具总装图样分析中,要着重分析()的内容。
A、冲件形状和模具结构B、模具结构和冲件尺寸C、复杂和精密D、冲件形状和导向结构15.精密冲裁落料的凹模尺寸精度很高,与凸模配合间隙很小,一般图样上对凹模标注尺寸公差,而与其配合的凸模可以()。
A、作为配合基准件B、先加工C、不标注尺寸公差D、不进行零件图样分1 / 162 / 16析16.一般冷冲模具制件分析笫一步是分析( ),第二步分析制件的形状尺寸和技术要求。
工具钳工高级操作技能复习资料
试题
(1)材料准备:
3.2
其余
(2)设备设施准备:(以下各种设备、设施的准备数量均为一个工位的用量,实际准备数量需根据考生具体人数确定)
说明:a)钳工工作台高度应符合要求,并对特殊情况应备有脚踏板。
b)台钻的配备数量应不低于每5人1台的要求。
c)提供部分共用平板。
工具钳工高级操作技能
姓名: 准考证号: 单位:
试题
工、量具准备清单
序号 名 称 规 格 精度 数量 备 注 1 高度游标卡尺 0~300 1 2 游标卡尺 自定 1 3 外径千分尺 0~25 1级 1 4 外径千分尺 25~50 1级 1 5 外径千分尺 50~75 1级 1 6 外径千分尺 75~100 1级 1 7 万能量角器 0~320° 1级 1 8 刀口尺 125 1级 1 9 刀口直角尺 63×100 1级 1 10 平板 300×300 1级 1 11 正弦规 80×100 0级 1 12 量块 83块 1级 1套 1级或二等 13 杠杆表 0~0.8
1 带表座 14 测量棒
2 15 V 形铁或靠铁 自定 1 划线用 16 划线工具 1套 钢板尺、划规、划针、样冲、手
锤等 17 什锦整形锉 自定 1套 18 锉刀 自定 19 中心钻 自定
1 20 直柄麻花钻 34567φφφφφ、、、、
899.8φφφ、、
各1只 21 铰刀 107H φ
1 机用手用均可
22 绞杠 自定 1 23 手锯 1 24 锯条 若干 25 平行垫铁 自定 1付 26 软钳口 自定 1付 27 锉刀刷 1 28 毛刷 自定 29
科学计算器
1
工具钳工高级操作技能
考件编号:
注 意 事 项
一、本试卷依据2002年颁布的《工具钳工》国家职业标准命制。
二、请根据试题考核要求,完成考试内容。
三、请服从考评人员指挥,保证考核安全顺利进行。
制作"组合锉配"
(1)本题分值:100分
(2)考核时间:480min (另加30 min 准备时间) (3)考核形式:实操 (4)具体考核要求:
a) 按图样要求制作“组合锉配”:
1. 熟悉图样,分析技术要点,确定加工工艺。
2. 进行划线、锯削加工、锉削加工、孔加工及测量。
b) 精度要求:
1. 锉削IT7~IT8级、钻孔IT7~IT10级。
2. 形位公差按图样要求加工。
3. 表面粗糙度:锉削 1.6Ra m μ、钻、铰孔0.8Ra m μ。
c) 安全文明生产。
图样:组合锉配
零件图一、三角形体(件Ⅰ)
技术要求:
1.各锉削面平面度≤0.02,与端面的垂直度≤0.02。
2.孔口倒角C0.5。
3.锐角倒钝R0.3。
其余
1.6
零件图二、燕尾、V 形组合形体(件Ⅱ)
1.6其余
技术要求:
1.各锉削面平面度≤0.02,与基准面B的垂直度≤0.02。
2.孔口倒角C0.5。
3.锐角倒钝R0.3。
4.不得使用二类工具。
零件图三、双燕尾凹形体(件Ⅲ)
其余 1.6
技术要求:
1.各锉削面平面度≤0.02,与基准面B的垂直度≤0.02。
2.孔口倒角C0.5。
3.锐角倒钝R0.3。
4.不得使用二类工具。
装配图:组合锉配
技术要求:
1.以件Ⅰ为基准,其余配作;件Ⅰ要求转位配合;件Ⅲ不动,
件Ⅱ要求翻转配合,合计配合间隙42处。
2.配合间隙≤0.04mm。
(5)否定项说明:若考生严重违反安全操作规程,造成人员伤害或设备损坏,则应及时终止其考试,考生该题成绩记为零分。
工具钳工高级操作技能
考件编号: 姓名: 准考证号: 单位:
制作"组合锉配" 序号 考核
项目
考核内容
配分 评分标准
实测结果 扣分 得分
01 锉 削
(3处)
3 每处超差扣1分,扣完为止 02 60
2(5处)
5 每处超差扣1分,扣完为止 03 (2处)
2 每处超差扣1分,扣完为止
04
1 超差无分 05 1 超差无分
06 (2处)
2
每处超差扣1分,扣完为止
07 2
超差无分 08 0.04A 2 超差无分
09 0.02 (24处)
6 每处超差扣0.25分,扣完为止
10 0.02 (24处)
6 每处超差扣0.25分,扣完为止
11 1.6Ra m μ (24处) 6 每处超差扣0.25分,扣完为止
12 钻 孔
107H φ(5处)
10 每处超差扣2分,扣完为止 13 300.042± (2处) 3 每处超差扣1.5分,扣完为止 14 450.05± (2处) 3 每处超差扣1.5分,扣完为止 15 600.06± (2处)
4 每处超差扣2分,扣完为止 16
0.1(2处)
4 每处超差扣2分,扣完为止 17 0.8Ra m μ(5处)
5
每处超差扣1分,扣完为止
18 配 合
配合间隙≤0.04 (42
处)
21 每处超差扣0.5分,扣完为止 19
900.05±(4处)
4
每处超差扣1分,扣完为止
评分人:年月日核分人:年月日。