电力电子电路
- 格式:ppt
- 大小:1.46 MB
- 文档页数:29
电力电子技术整流电路总结篇一:电力电子技术常见的整流电路特点总结电力电子技术常见的整流电路特点总结篇二:电力电子技术重要公式总结单相半波可控整流带电阻负载的工作情况:au1iRdbcde电阻负载的特点:电压与电流成正比,两者波形相同。
触发延迟角:从晶闸管开始承受正向阳极电压起到施加触发脉冲止的电角度,用a表示,也称触发角或控制角。
导通角:晶闸管在一个电源周期中处于通态的电角度,用θ表示。
直流输出电压平均值:1Ud????2U21?cos?2U2sin?td(?t)?(1?cos?)?0.45U22?2(3-1)VT的a移相范围为180?通过控制触发脉冲的相位来控制直流输出电压大小的方式称为相位控制方式简称相控方式。
带阻感负载的工作情况:bcdef阻感负载的特点:电感对电流变化有抗拒作用,使得流过电感的电流不发生突变。
续流二极管数量关系:idVT????id2?(3-5)(3-6)(3-7)iVT?idVdR?????id(?t)?2?id?2d????id2?12?iVdR???2??????id(?t)?id(3-8)2?2dabcdifgV单相半波可控整流电路的特点:1.VT的a移相范围为180?。
2.简单,但输出脉动大,变压器二次侧电流中含直流分量,造成变压器铁芯直流磁化。
3.实际上很少应用此种电路。
4.分析该电路的主要目的建立起整流电路的基本概念。
单相桥式全控整流电路带电阻负载的工作情况:bucdV图3-5单相全控桥式带电阻负载时的电路及波形数量关系:1?22U21?cos?1?cos?Ud??2U(:电力电子技术整流电路总结)2sin?td(?t)??0.9U2???22a角的移相范围为180?。
向负载输出的平均电流值为:(3-9)Ud22U21?cos?U21?cos?id???0.9R?R2R2流过晶闸管的电流平均值只有输出直流平均值的一半,即:(3-11)idVT1U21?cos??id?0.452R2(3-10)流过晶闸管的电流有效值:iVT1?2???1?(2U2U1???sin?t)2d(?t)?2sin2??R?2R2?(3-12)变压器二次测电流有效值i2与输出直流电流i有效值相等:2U2U22?1???。
第3章 整流电路1.对于带阻感负载的单相半波可控整流电路的续流二极管D ,以下表达中正确的选项是:A.使变压器负边电压平均值减小;B.使负载中电流有效值增大;C.解决了变压器直流磁化问题;D.使电路功率因数增大。
1.对于带阻感负载的单相全波可控整流电路的续流二极管D ,以下表达中正确的选项是:A.使变压器负边电压平均值减小;B.使负载中电流有效值增加;C.本电路不存在变压器直流磁化问题;D.使电路功率因数增大。
2.对于单相半波可控整流电路带电阻性负载时,以下表达中正确的选项是:A.触发角增大,输出电压降低;B.负载电流不连续;C.触发延迟角与导通角之和等于π;D.晶闸管承受的最大反向电压为22U ;E.触发角移相范围是︒︒180~03.单相桥式全控整流电路带电感性负载时,以下表达中正确的选项是:A.在负载串有大电感的情况下,晶闸管导通角θ与触发角α无关,总是︒180;B.晶闸管可能承受的最大正反向电压均为22U ;C.负载串有大电感的情况下晶闸管移相范围为︒︒90~0;D.输出电压αcos 9.02U u d =。
E.变压器二次侧电流2i 为正负对称的︒180方波,其相对于2u 的相移由α决定,与负载电抗角ϕ无关。
α增大,2i 滞后2u 越多,功率因数越低。
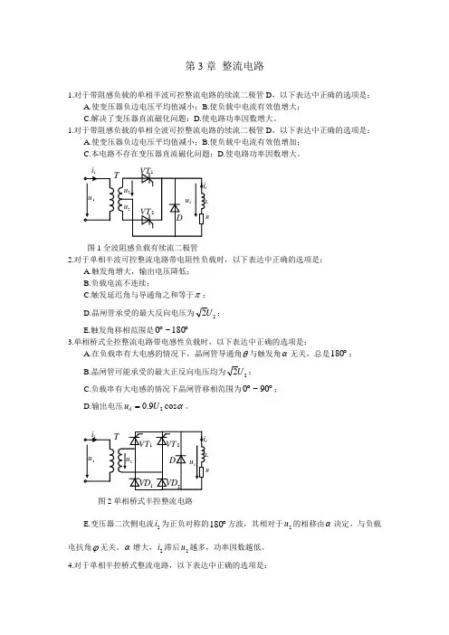
4.对于单相半控桥式整流电路,以下表达中正确的选项是:图1全波阻感负载有续流二极管图2单相桥式半控整流电路A.电路中假设无续流二极管R VD 可能发生的失控现象。
当α突然增大到︒180时,或触发脉冲丧失,会发生一个晶闸管持续导通而两个二极管轮流导通的情况;B.接入续流二极管时,续流过程由R VD 完成,晶闸管因失去电流而关断;没有接入续流二极管时,1VT 与2VD 携手续流,直到3VT 触发导通后被反压强制关断;C.d u 波形没有负面积;D.控制角α移相范围为:︒180~0E.导通角αθ=P95〔1、2〕1.单相半波可控整流电路对纯电感负载供电,mH L 20=,V U 1002=,求当︒=0α和︒60时的负载电流d I ,并画出d u 与d i 波形。
电力电子器件与电路基础知识电力电子器件与电路是电力系统中不可缺少的重要组成部分。
它们在电能的转换、调节和控制过程中发挥着重要作用。
本文将探讨电力电子器件与电路的基础知识,包括其基本原理、分类、应用以及未来的发展趋势。
一、电力电子器件的基本原理电力电子器件是将电能转换为不同形式的能量的设备。
它通过控制电压和电流的转换,实现电能的调节和控制。
常见的电力电子器件包括二极管、可控硅、晶闸管、IGBT、MOSFET等。
1. 二极管二极管是一种用于电流只能单向通过的器件。
它由正向导通电阻和反向截止电阻组成。
在正向电压作用下,二极管变为导通状态,电流可以通过。
而在反向电压作用下,二极管变为截止状态,电流无法通过。
2. 可控硅可控硅是一种半导体器件,具有双向导通性。
它可以通过控制门极电压来控制电流的导通和截止。
一旦可控硅导通,就会维持导通状态,直到电流低于维持电流或者为关断触发条件。
3. 晶闸管晶闸管是一种可控硅器件,具有双向导通性。
它在可控硅的基础上加入了门极保持电路,能够在一定条件下,通过去除触发信号来实现关断。
晶闸管具有速度快、可靠性高的特点。
4. IGBTIGBT是继双极晶体管(BJT)和场效应晶体管(MOSFET)之后,出现的一种半导体功率开关器件。
它结合了MOSFET的低功耗特性和BJT的低导通压降,具有高速度、高可靠性、低开关损耗等优点。
5. MOSFETMOSFET是一种金属氧化物半导体场效应管,具有高输入电阻、低功耗、开关速度快等特点。
由于其工作原理和制造工艺的改进,使得MOSFET在电力电子领域得到广泛应用。
二、电力电子电路的分类及应用根据电力电子器件的不同特点和工作情况,电力电子电路可以分为直流电路、交流电路和混合电路等。
1. 直流电路直流电路主要用于直流电的转换和调节。
在直流电路中,双向控制器件如IGBT、MOSFET等被广泛应用。
直流电路常见的应用有直流变换器、电源逆变器、PWM调制器等。
电力电子技术的电路波形及公式1.电力电子技术的电路单相桥式整流电路是一种常见的电力电子电路,其基本原理是通过四个可控开关,将交流电转换为直流电。
该电路主要由两个交流输入端和一个直流输出端组成。
当交流输入正半周时,K1和K4闭合,K2和K3断开,电流从交流输入A端经过K1、D1和D2流入直流输出端;当交流输入反半周时,K1和K4断开,K2和K3闭合,电流从交流输入B端经过K3、D3和D4流入直流输出端。
通过控制开关的开通和断开,可以实现对输出直流电压的调节。
2.电力电子技术的波形电力电子技术的波形主要包括电压波形和电流波形。
以单相桥式整流电路为例,当输入交流电电压为正弦波时,输出直流电压呈直流平滑波形。
通过控制开关的开通和断开,可以实现输出直流电压的调节。
电流波形受到负载特性和电容滤波特性的影响,一般会呈现出带有纹波的形态。
3.电力电子技术的公式-电阻功率公式:P=I²R,表示电路中电阻消耗的功率,其中P为功率,I为电流,R为电阻。
-电感功率公式:P=I²XL,表示电路中电感消耗的功率,其中XL为电感的感抗,与频率和电感数值有关。
-电容功率公式:P=I²XC,表示电路中电容消耗的功率,其中XC为电容的容抗,与频率和电容数值有关。
-电流和电压的关系:电压U与电流I之间的关系可以用欧姆定律表示,U=IR,其中R为电阻。
- 电流和电感的关系:电压U与电感L之间的关系可以用电感元件的电压-电流关系表示,U = di/dt × L,其中di/dt为电流变化率。
- 电流和电容的关系:电压U与电容C之间的关系可以用电容元件的电压-电流关系表示,U = 1/C × ∫idt,其中∫idt为电流积分。
总之,电力电子技术的电路、波形和公式涉及到多个领域,以上仅是其中的一部分内容。
实际应用中,根据不同的电力电子器件和电路结构,还有更多的电路和公式可供研究和分析。
电力电子知识点总结一、电力电子的基本原理电力电子是运用半导体器件实现电能的变换、控制和调节的技术领域。
在电力电子领域中最常用的器件是晶闸管、可控硅、晶闸管二极管、IGBT等。
它们通过对电压和电流的控制,实现将电能从一种形式转换为另一种形式。
电力电子的基本原理可以分为电力电子器件、电力电子电路和电力电子系统三个方面。
1. 电力电子器件电力电子器件是实现电力电子技术的基础。
常见的电力电子器件有晶闸管、可控硅、三端闭管、IGBT等,在电力电子中起着至关重要的作用。
晶闸管是一种四层结构的半导体器件,能够控制电流的导通和截止,实现电能的控制和调节。
可控硅是一种三端器件,具有双向导通特性,广泛应用于交流电路中。
IGBT集结了MOS管和双极型晶体管的优点,具有高开关速度、低导通压降等特点,是目前应用范围最广泛的功率器件之一。
2. 电力电子电路电力电子电路是利用电力电子器件构成的电路,实现对电能的控制和调节。
常见的电力电子电路包括整流电路、逆变电路、斩波电路等。
整流电路能够将交流电转换为直流电,逆变电路能够将直流电转换为交流电,斩波电路能够实现对电压和频率的调节。
这些电路在各种电力电子设备中得到了广泛应用,如变频调速器、逆变焊接电源等。
3. 电力电子系统电力电子系统是由多个电力电子电路组成的系统,实现对电能的复杂控制和转换。
常见的电力电子系统包括交流电调压系统、柔性直流输电系统、电能质量调节系统等。
这些系统在能源转换、传输和利用方面发挥着关键作用,是现代电力系统中不可或缺的一部分。
二、电力电子的常见器件和应用电力电子领域中常见的器件有晶闸管、可控硅、IGBT等。
而在现代工业中,电力电子技术得到了广泛的应用,如变频调速器、逆变焊接电源、电动汽车充电设备等。
1. 变频调速器变频调速器是一种能够实现电机转速调节的设备,它利用电力电子技术对电机供电进行控制,实现对电机转速的调节。
通过变频调速器,可以实现电机的恒流恒功率调节,使得电动汽车、电梯、风力发电机等设备具有更加灵活和高效的性能。