单向板设计例题
- 格式:docx
- 大小:137.16 KB
- 文档页数:13
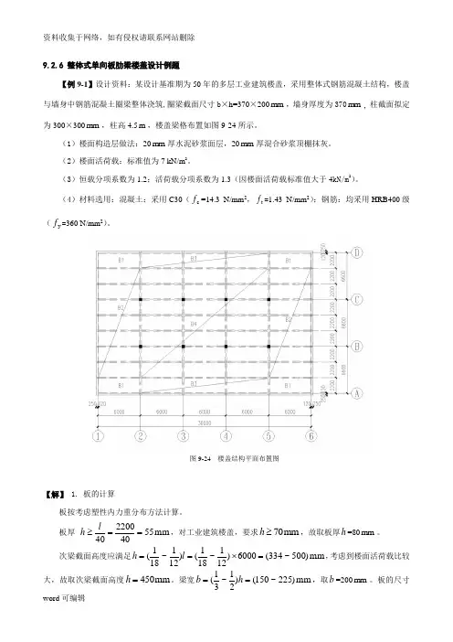
9.2.6 整体式单向板肋梁楼盖设计例题【例9-1】设计资料:某设计基准期为50年的多层工业建筑楼盖,采用整体式钢筋混凝土结构,楼盖与墙身中钢筋混凝土圈梁整体浇筑,圈梁截面尺寸b ×h=370×200mm ,墙身厚度为370mm ,柱截面拟定为300×300mm ,柱高4.5m ,楼盖梁格布置如图9-24所示。
(1)楼面构造层做法:20mm 厚水泥砂浆面层,20mm 厚混合砂浆顶棚抹灰。
(2)楼面活荷载:标准值为7 kN/m 2。
(3)恒载分项系数为1.2;活荷载分项系数为1.3(因楼面活荷载标准值大于4kN/m 2)。
(4)材料选用:混凝土:采用C30(c f =14.3 N/mm 2,t f =1.43 N/mm 2);钢筋:均采用HRB400级(y f =360 N/mm 2)。
图9-24 楼盖结构平面布置图【解】 1. 板的计算板按考虑塑性内力重分布方法计算。
板厚 mm 5540220040==≥l h ,对工业建筑楼盖,要求70mm h ≥,故取板厚h =80mm 。
次梁截面高度应满足mm )500~334(6000)121~181()121~181(=⨯==l h ,考虑到楼面活荷载比较大,故取次梁截面高度mm 450=h 。
梁宽mm )252~150()21~31(==h b ,取b =200mm 。
板的尺寸及支承情况见图9-25a )(板与圈梁整浇,可视板的端支座为嵌固端)。
图9-25 板的构造和计算简图 a )构造; b )计算简图(1)荷载计算20mm 厚水泥砂浆面层 0.02×20=0.4 kN/m 2 80厚钢筋混凝土现浇板 0.08×25=2.0 kN/m 2 20mm 厚混合砂浆顶棚抹灰 0.02×17=0.34 kN/m 2 恒荷载标准值 g =2.74 kN/m 2 恒荷载设计值 g = 1.2×2.74 =3.29kN/m 2 活荷载设计值 q = 1.3×7.0 =9.1kN/m 2 合计 g + q =12.39kN/m 2 (2)计算简图 板的计算跨度:边跨: m 98.1m )22.012.02.2(n 0=--==l l 中间跨: m 0.2m )2.02.2(n 0=-==l l 跨度差%10%198.198.10.2<=-,可按等跨连续板计算内力。
926整体式单向板肋梁楼盖设计例题【例9-1】设计资料:某设计基准期为50年的多层工业建筑楼盖,采用整体式钢筋混凝土结构,楼盖与墙身中钢筋混凝土圈梁整体浇筑,圈梁截面尺寸b x h=370 X 200 mm,墙身厚度为370 mm,柱截面拟定为300X 300mm,柱高4.5m,楼盖梁格布置如图9-24所示。
(1)楼面构造层做法:20mm厚水泥砂浆面层,20mm厚混合砂浆顶棚抹灰。
(2 )楼面活荷载:标准值为7 kN/m2。
2(3)恒载分项系数为1.2;活荷载分项系数为1.3 (因楼面活荷载标准值大于4kN/m)。
(4)材料选用:混凝土:采用 C30 ( f c=14.3 N/mm 2, f t=1.43 N/mm2);钢筋:均采用 HRB400 级(f y=360 N/mm2)。
图9-24楼盖结构平面布置图【解】1.板的计算板按考虑塑性内力重分布方法计算。
板厚h 55 mm,对工业建筑楼盖,要求h 70mm,故取板厚h=80mm 。
40 40、1 1 1 1次梁截面咼度应满足h ( ~ )l ( ~ ) 6000 (334 ~ 500) mm,考虑到楼面活荷载比较18 12 18 121 1大,故取次梁截面高度h 450mm。
梁宽b (— )h (150 ~ 225) mm,取b =200 mm。
板的尺寸3 2及支承情况见图9-25a)(板与圈梁整浇,可视板的端支座为嵌固端)(1 )荷载计算活荷载设计值 q = 1.3 X 7.0 =9.1kN/m 2合计g + q =12.39kN/m 2(2 )计算简图 板的计算跨度: 0 2边跨:10 I n (2.20.12 )m 1.98m2 中间跨: l 0 l n (2.20.2)m 2.0m跨度差2.0 1.981% 10%,可按等跨连续板计算内力。
取1米宽板带作为计算单元,计算简图1.98如图9-25b)所示。
(3)弯矩设计值连续板各截面弯矩设计值见表9-4。
单向板肋梁楼盖设计例题一、设计资料某多层厂房的建筑平面如图1所示,环境类别为一类,楼梯设置在旁边的附属房屋内。
楼面均布活荷载标准值为6kN/m2,楼盖拟采用现浇钢筋混凝土单向板肋梁楼盖。
试进行设计,其中板、次梁按考虑塑性内力重分布设计,主梁按弹性理论设计。
1)楼面做法:水磨石面层;钢筋混凝土现浇板;20mm石灰砂浆抹底。
2)材料:混凝土强度等级C25;梁内受力纵筋为HRB400,其它为HPB235钢筋。
二、楼盖的结构平面布置主梁沿横向布置,次梁沿纵向布置。
主梁的跨度为6.6m、次梁的跨度为6.6m,主梁每跨内布置两根次梁,板的跨度为2.2m,l02/l01=6.6/2.2=3,因此按单向板设计。
按跨高比条件,要求板厚h≥2200/40=55mm,对工业建筑的楼盖板,要求h≥80mm,取板厚h=80mm。
次梁截面高度应满足h=l0/18~l0/12=6600/18~6600/12=367~550mm。
考虑到楼面活荷载比较大,取h=500mm。
截面宽度取为b=200 mm。
主梁的截面高度应满足h=l0/15~l0/10=6600/15~6600/10=440~660mm,取h=650 mm,截面宽度取为b=300 mm。
楼盖结构平面布置图见图2。
三、板的设计1.荷载板的恒荷载标准值:水磨石面层0.65kN/m280mm钢筋混凝土板0.08×25=2kN/m220mm石灰砂浆0.02×17=0.34kN/m2小计 2.99kN/m2板的活荷载标准值: 6 kN/m2。
恒荷载分项系数取1.2;因楼面活荷载标准值大于4.0 kN/m2,所以活荷载分项系数应取1.3。
于是板的恒荷载设计值g=2.99×1.2=3.588kN/m2活荷载设计值q=6×1.3=7.8kN/m2荷载总设计值g+q=11.388kN/m2,近似取为g+q=11.4kN/m2。
2.计算简图次梁截面为200mm×500mm,现浇板在墙上的支承长度不小于100mm,取板在墙上的支承长度为120mm。
钢筋混凝土单向板肋梁楼盖设计
1、设计资料本设计为一工业车间楼盖,采用整体式钢筋混凝土单向板肋梁楼盖,楼盖梁格布置如图T-01所示,柱的高度取9m,柱子截面为400mrK400mm
(1)楼面构造层做法:20mm厚水泥砂浆面层,20mm厚混合砂浆顶棚抹灰。
(2)楼面活荷载:标准值为8kN/m2。
(3)恒载分项系数为;活荷载分项系数为(因为楼面活荷载标准值大于4kN/m2)
(4)材料选用:
混凝土:
钢筋:梁中架立钢筋、箍筋、板中全部钢筋采用HPB235(几审)
其余采用HRB335(儿“」」)
2 •板的计算
板按考虑塑性内力重分布方法计算
6450
板的尺寸及支承情况如图T-02所示
板的厚度按构造要求
二53
取。
次梁截面高度取
图 T-01
h —呂曲诙>
-
2150
15
(1)
荷载: 恒载标准值: 20mm 水泥砂浆面层 「二二-; 80mm 钢筋混凝土板 • •
20mm 混合砂浆顶棚抹灰 : :4
;
恒载标准值: 恒载设计值
二•一;
- -■;
活荷载设计值:=「’ ^;
合计
即每米板宽 _ '
' '
: 1
"J
O
(2)内力计算: 计算跨度:
GO
LI
2150
im 2150
图 T-02
图 T-03
^2 15-0,12-^22?.^
边跨
中间跨1- ' 1 __ ' ' ' 11“ ;
跨度差-■■1|:■ '■- ,说明可以按等跨连续板计算内力。
取1m 宽板带作为计算单元,其计算简图如图T-03所示。
各截面的弯矩计算见表Q-O1。
(3)截面承载力计算:
中间板带②〜⑤轴线间,其各区格板的四周与梁整体连接,故各跨跨中和中间支座考虑板的内拱作用,其弯矩降低 20%。
3.次梁的计算。
次梁按考虑塑性内力重分布方法计算。
h= 700 朋!觀 3 空? = 538
取主梁的梁高,梁宽-- -1-
荷载:
恒载设计值:
由板传来3;二:1「- m ■■.;
次梁自重设计值^
梁侧抹灰自重设计值' ...... 厶.
恒载设计值:
7
活荷载设计值:
由板传来:f | 一::::'';
合计:7
(1)内力计算:
计算跨度:
1=L -F—= 6 18-1----- = 6 珈
边跨:"2 2
中间跨:如=/H=6 45-030 = .
跨度差:(6.3-6.15)/6.15=2.4% <10% .
7
说明可以按等跨连续梁计算内力。
次梁弯矩和剪力见表Q-03及表Q-04。
(2)截面承载力计算:
梁高.h = 500ww f = 500 — 35 -
翼缘厚:=- 判别T 形截面类型: -66912 xlOVWx mm s
11岌79册"(边跨跨中)
=
“用=77戲费5(离端第二跨再中间跨跨中)
故各跨中截面均属于第一类T 形截面。
支座截面按矩形截面计算,离端第二支座按布置两排纵筋考虑,取
,中间支座按布置一排纵筋考虑,-
■ 7
'。
次梁正截面及斜截面承载力计算分别见
表Q-05及表Q-06。
次梁弯矩计算
表 Q-03
截面 边跨跨中
离端第 二支座 离端第二跨跨 中及中间跨 中间支座 弯矩计算系数
1 H
1 _
11
1 16
1 __ 14
= 118.79
L-11S.79 —x32.92x6.15
16
= 77.82
-1 2
--- x32.92x6.r 14 二-魁94
次梁剪力计算
表 Q-04
截面
端支座右侧
离端第二支座 左侧 离端第二支座 右侧 中间 支
座 左侧、 右侧
剪力计算系数
边跨:
b' f = -/n = —x63Q0 = 2100«ww <E +爲=250+1900 = 2150?B ^
7
3 0
3 "
次梁跨中截面按T 形截面计算,其翼缘计算宽度为:
-x6150 = b r
离端第二跨、中间跨:
口 J 』'h'隔-
7
^v = —= 0.202% >AvaiL = 0.24^=0.125%
其中 一 ’ ■■' ,所以满足最小配筋率。
4.主梁的计算。
主梁按弹性理论计算。
柱高- J
'■,设柱截面尺寸为I'--'■■■■■ - o 主梁的有关尺寸及支承情况如
图所示。
(1)
荷载:
恒载设计值: 由次梁传来:
」「「I 丨「一 v-匚■■二匚;
主梁自重(折算为集中荷载)
1.2x25^(0.70-Q.()8)x
2.15=12.0Q ;
梁侧抹灰(折算为集中荷载)
1.2x17x0.02x(0,70-0.08)x2x245 = 1.09 ;
恒载设计值:-■ =
活荷载设计值: 由次梁传来. 土 - - - '
'!
合计:匚--- (2)
内力计算:
1 =6.45-0,12- —= 6.13/^
K
2
L =1.025xL +- = 1 025x6.13 + —= 6 48/w c 2 2
—严 i b * 宀 i 0弓6 0.4
+—丰一工 6 13 + -- +——=6.51耿
H
2 2 2 2
鮎二打 +b= 6.05+0.4 =6.45rn ;
7
计算跨度:边跨
平均跨度?|- ■:'=;
7
跨度差 -'■ ?- '= -" "■- ^1''■,可按等跨连续梁计算。
由于主
梁线刚度较柱的线刚度大得多,故主梁可视为铰支柱顶上的连续梁。
在各种不同分布的荷载作用下的内力计算可采用等跨连续梁的内力系数表进行,跨中和支座截面最大弯矩及剪力按下列
公式计算,贝
二—'丨―,• •
式中系数K值由查表的,具体计算结果以及最不利内力组合见表Q-07、
表 Q-08。
内力包络图及剪力包络图
将以上最不利内立组合下的弯矩图及剪力图分别叠画在同一坐标图上,即可得
主梁的弯矩包络图及剪力包络图,参见图纸。
(3)截面承载力计算:
主梁跨中截面按T行截面计算,其翼缘计算宽度为:
判别T形截面类型:
=1Q32.就Nx用> M严39&酥N5 ;
故属于第一类T形截面。
支座截面按矩形截面计算,取⑺ 2"(因支座弯矩较大考虑布置两排纵筋,并布置在次梁主筋下面)
(4)主梁吊筋计算:由次梁传至主梁的全部集中力为: 由次梁传至主梁的全部集中力为:
7
7
选:;
5.施工图。