扣型对照表
- 格式:xls
- 大小:35.00 KB
- 文档页数:2
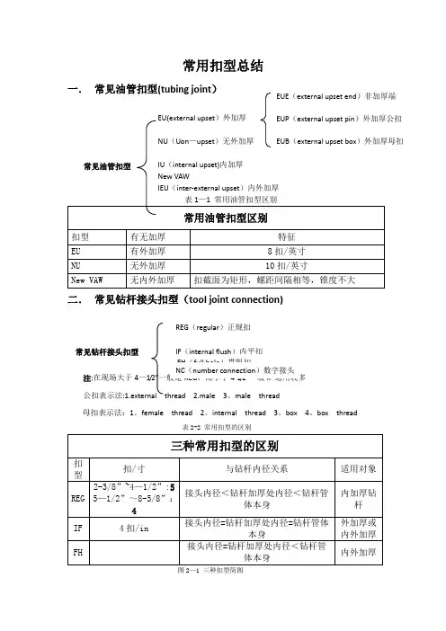
常用扣型总结一. 常见油管扣型(tubing joint )EU (external upset)外加厚NU (Uon-upset )无外加厚IU (internal upset )内加厚 New VAWIEU (inter-external upset )内外加厚 表1-1 常用油管扣型区别 常用油管扣型区别扣型 有无加厚 特征 EU 有外加厚 8扣/英寸 NU 无外加厚10扣/英寸New VAW无内外加厚 扣截面为矩形,螺距间隔相等,锥度不大常见油管扣型EUE (external upset end )非加厚端 EUP (external upset pin )外加厚公扣EUB (external upset box )外加厚母扣二. 常见钻杆接头扣型(tool joint connection )常见钻杆接头扣型注:在现场大于4-1/2”一般是REG,而小于4-1/2”一般IF 运用较多公扣表示法:1.external thread 2.male 3.male thread 母扣表示法:1.female thread 2.internal thread 3.box 4.box thread表2-2 常用扣型的区别三种常用扣型的区别扣型 扣/寸与钻杆内径关系适用对象 RE2-3/8”~4-1/2”:接头内径<钻杆加厚处内径<内加厚REG (regular )正规扣 IF (internal flush )内平扣 FH (full hole )贯眼扣NC (number connection )数字接头G55-1/2”~8-5/8”:4钻杆管体本身钻杆IF4扣/in接头内径=钻杆加厚处内径=钻杆管体本身外加厚或内外加厚FH接头内径=钻杆加厚处内径<钻杆管体本身内外加厚图2-1 三种扣型简图表2-1 钻杆接头尺寸表钻杆接头尺寸表扣型表示方法公扣小母扣端部端外径(mm)台肩内径(mm)正规API习惯2-3/8"REG2A31*2A345.165.12-7/8"REG231*23054.278.6三.盲管筛管常用扣型盲管筛管常用扣型LTC(Long thread connector)长螺纹连接STC(Short thread connector)短螺纹连接BTC(Buttress thread connector)偏梯形螺纹连接。
常用扣型总结-标准化文件发布号:(9556-EUATWK-MWUB-WUNN-INNUL-DDQTY-KII常用扣型总结一.常见油管扣型(tubing joint)EU(external upset)外加厚NU(Uon-upset)无外加厚IU(internal upset)内加厚New VAWIEU(inter-external upset)内外加厚常用油管扣型区别扣型有无加厚特征EU 有外加厚8扣/英寸NU 无外加厚10扣/英寸New VAW 无内外加厚扣截面为矩形,螺距间隔相等,锥度不大常见油管扣型EUE(external upset end)非加EUP(external upset pin)外加厚公EUB(external upset box)外加厚二.常见钻杆接头扣型(tool joint connection)常见钻杆接头扣型注:在现场大于4-1/2”一般是REG,而小于4-1/2”一般IF运用较多公扣表示法:1.external thread 2.male 3.male thread母扣表示法:1.female thread 2.internal thread 3.box 4.box thread表2-2 常用扣型的区别三种常用扣型的区别扣型扣/寸与钻杆内径关系适用对象REG2-3/8”~4-1/2”:55-1/2”~8-5/8”:4接头内径<钻杆加厚处内径<钻杆管体本身内加厚钻杆IF 4扣/in接头内径=钻杆加厚处内径=钻杆管体本身外加厚或内外加厚FH接头内径=钻杆加厚处内径<钻杆管体本身内外加厚图2-1 三种扣型简图REG(regular)正规扣IF(internal flush)内平扣FH(full hole)贯眼扣NC(number connection)数字表2-1 钻杆接头尺寸表三. 盲管筛管常用扣型盲管筛管常用扣型LTC (Long thread connector )长螺纹连接STC (Short thread connector )短螺纹连接 BTC (Buttress thread connector )偏梯形螺纹连。
常用扣型总结一. 常见油管扣型(tubing joint )EU (external upset )外加厚NU (Uon-upset )无外加厚IU(internal upset)内加厚New VAWIEU (inter-external upset)内外加厚表1-1 常用油管扣型区别 常用油管扣型区别扣型 有无加厚 特征 EU 有外加厚 8扣/英寸 NU 无外加厚 10扣/英寸New VAW无内外加厚扣截面为矩形,螺距间隔相等,锥度不大常见油管扣型 EUE (external upset end )非加厚端EUP (external upset pin )外加厚公扣 EUB (external upset box )外加厚母扣二.常见钻杆接头扣型(tool joint connection)常见钻杆接头扣型注:在现场大于4-1/2”一般是REG,而小于4-1/2”一般IF运用较多公扣表示法:1.external thread 2.male 3.male thread母扣表示法:1.female thread 2.internal thread 3.box 4。
box thread表2—2 常用扣型的区别三种常用扣型的区别扣型扣/寸与钻杆内径关系适用对象REG2-3/8”~4—1/2”:55-1/2”~8—5/8":4接头内径<钻杆加厚处内径<钻杆管体本身内加厚钻杆IF 4扣/in 接头内径=钻杆加厚处内径=钻杆管体本身外加厚或内外加厚FH接头内径=钻杆加厚处内径<钻杆管体本身内外加厚图2—1 三种扣型简图REG(regular)正规扣IF(internal flush)内平扣FH(full hole)贯眼扣NC(number connection)数字接头表2-1 钻杆接头尺寸表三. 盲管筛管常用扣型盲管筛管常用扣型LTC (Long thread connector )长螺纹连接STC (Short thread connector )短螺纹连接BTC (Buttress thread connector )偏梯形螺纹连接。
常用扣型总结一.常见油管扣型(tubing joint)
EU(external upset)外加厚
NU(Uon-upset)无外加厚
IU(internal upset)内加厚
New VAW
IEU(inter-external upset)内外加厚表1-1 常用油管扣型区别
二. 常见钻杆接头扣型(tool joint connection )
常见钻杆接头扣型
注:在现场大于4-1/2”一般是REG,而小于4-1/2”一般IF 运用较多 公扣表示法:1.external thread 2.male 3.male thread
母扣表示法:1.female thread 2.internal thread 3.box 4.box thread
表2-2 常用扣型的区别
图2-1 三种扣型简图
REG (regular )正规扣 IF (internal flush )内平扣 FH (full hole )贯眼扣
NC (number connection )数字接头
表2-1 钻杆接头尺寸表
三. 盲管筛管常用扣型
盲管筛管常用扣型
LTC (Long thread connector )长螺纹连接
STC (Short thread connector )短螺纹连接
BTC (Buttress thread connector )偏梯形螺纹连接。