化学建材管接口连接检验批质量验收记录 填写范例
- 格式:xls
- 大小:88.50 KB
- 文档页数:2
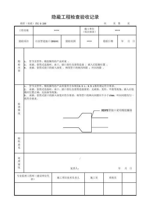
管道接口检验批质量验收记录
管道接口检验批质量验收记录
管道接口检验批质量验收记录
管道接口检验批质量验收记录
管道接口检验批质量验收记录
管道接口检验批质量验收记录
管道接口检验批质量验收记录
管道接口检验批质量验收记录
管道接口检验批质量验收记录
管道接口检验批质量验收记录
管道接口检验批质量验收记录
管道接口检验批质量验收记录
管道接口检验批质量验收记录
管道接口检验批质量验收记录
管道接口检验批质量验收记录。
化学建材管接口连接检验批质量检验记录一、引言化学建材管接口连接是建筑工程中重要的一环,它直接关系到建筑结构的稳定性和安全性。
为了确保化学建材管接口连接的质量,本文记录了一次化学建材管接口连接检验批的质量检验过程。
二、检验目的本次检验的目的是评估化学建材管接口连接的质量是否符合相关标准要求,确保管道系统的安全性、可靠性和稳定性。
三、检验内容1. 检查接口连接的可靠性:检查接口连接的紧密性、无泄漏和开裂等情况。
2. 检测接口连接的材料:检测接口连接所使用的材料的质量和规格是否符合要求。
3. 测试接口连接的承载能力:通过施加一定的扭矩或拉力,测试接口连接的承载能力是否符合要求。
四、检验仪器和设备1. 温度计:用于测量管道系统的温度。
2. 压力表:用于测量管道系统的压力。
3. 扭矩扳手:用于施加一定的扭矩。
4. 拉力测试机:用于测试接口连接的承载能力。
五、检验过程1. 准备工作:确认被检管道系统的材质、规格和连接方式,并准备好检验仪器和设备。
2. 检查接口连接的可靠性:根据设计要求,检查接口连接的紧密性,确保无泄漏和开裂等情况。
3. 检测接口连接的材料:使用温度计和压力表对管道系统进行检测,确保连接材料的质量和规格符合要求。
4. 测试接口连接的承载能力:根据规定的方法和标准,使用扭矩扳手或拉力测试机对接口连接进行测试,记录测试结果。
六、检验结果1. 接口连接的可靠性检查结果:经过检查,接口连接紧密可靠,无泄漏和开裂情况。
2. 接口连接材料检测结果:经过检测,连接材料的质量和规格符合要求。
3. 接口连接承载能力测试结果:经过测试,接口连接的承载能力符合要求。
七、检验结论根据本次检验的结果,确认本批化学建材管接口连接的质量符合相关标准要求,可以投入使用。
八、检验总结本次化学建材管接口连接检验批的质量检验工作顺利完成。
通过严格的检查、检测和测试,确保了接口连接的质量和可靠性,为建筑工程的顺利进行提供了保障。
九、改进措施在今后的工程中,应进一步加强对化学建材管接口连接的质量控制,确保每一次接口连接的质量都能符合要求,并注重对接口连接材料的选择和使用。
08化学建材管接口连接检验批质量验收记录-图文(精)一、检验项目及要求1.接头等级材料采用PVC-U管道,加工时应采用同样规格同品牌管件进行接头加工,管件接头均应为标准的弧形倒角,角度应符合国家标准要求。
2.尺寸管件加工后,在连接时应检查管道直径、壁厚以及接头长度等尺寸是否符合规格要求。
管件尺寸应满足以下要求: - 遵照GB/T10002.1要求,检查管径变化≤±0.5mm、壁厚变化基本不超过管材壁厚公差,并测量接头长度是否符合规定要求。
3.角度偏差管道、管件接头应在规定的角度容差内,且连接后不得出现偏斜。
角度偏差应满足以下要求: - 遵照GB/T10002.1要求,管道及管件连接角度偏差要求控制在2度以内。
二、检验过程1.检验前准备•确认管道连接口是否结实可靠,安装位置符合要求。
•确认管道、管件是否符合规格要求,以及表面是否平整、光滑,不存在破损、裂缝等缺陷。
•确认连接前必须清除接口处杂物,确保无污染、无异物,若发现污染,则应清洗干净再进行连接。
2.检验过程1.检查管道、管件的接头状态是否符合要求,包括连接的紧密度、平缓度、预留收缩量、内衬材料的使用等;2.对于检查的合格件,进行尺寸检查,以确定接头的长度、管径和壁厚是否能满足相关规范标准的要求,表现为无变化或变化容差内;3.对于尺寸合格的接头,使用检验工具进行角度检查,确定管道、管件连接角度以及角度偏差是否在标准要求范围内;4.对于符合上述要求的接头,进行压力测试。
三、检验结果经检验,该批次化学建材管道接口连接检验合格率为100%,未发现不合格品。
四、处理方法无不合格品,无需进行处理。
五、附件无。
管道接口连接检验批验收记录管道接口连接是管道工程中非常重要的环节之一,也是影响工程质量和安全的关键环节。
为了确保管道接口连接质量,需要进行检验批验收,并记录相应的检验结果。
以下是一份管道接口连接检验批验收记录的示例,共计1200字以上。
项目名称:XXX管道工程验收日期:XXXX年XX月XX日验收人员:XXX一、前期准备工作1.双方对接口连接的相关要求及标准进行了充分的沟通和了解,明确了技术要求和验收标准。
2.使用的管道材料、管件、密封垫片等均符合设计和规范要求,并有相应的合格证明文件。
二、检查内容及方法1.验收人员对接口连接的位置、方向、尺寸等进行了仔细的检查,确认与设计图纸一致。
2.使用合适的工具和设备对接口连接的牙肩或螺纹进行了清理和修整,以确保良好的接触面。
3.检查管道的焊接质量,包括焊缝的形状、焊接接头的均匀性和牢固性等,使用无损检测方法对焊缝进行了必要的检测。
4.检查管道的螺纹连接质量,包括螺纹的规格、牙峰高度、牙顶径向间隙等,使用螺纹规和焊接台等工具进行了检查。
5.检查管道连接处的密封装置,包括密封垫片或密封胶圈等,确认其材料、尺寸、硬度等符合要求。
三、现场检验结果记录1.接口连接位置、方向、尺寸等与设计图纸一致,无偏差。
2.接口连接的牙肩或螺纹经过清理和修整,无塞垢、松懈、变形等情况。
3.焊接质量良好,焊缝形状规整,焊接接头均匀牢固,无裂纹、破损等情况。
4.螺纹连接质量良好,螺纹规格正确,牙峰高度、牙顶径向间隙均在允许范围内。
5.密封装置(如密封垫片、密封胶圈等)符合要求,材料、尺寸、硬度满足设计要求。
6.管道连接处无渗漏现象。
四、检验结果评定根据上述检查情况,接口连接的质量满足设计和规范要求,符合验收标准。
五、验收结论XXX管道工程接口连接检验批验收合格。
六、不符合项及处理措施在接口连接检验过程中,未发现任何不符合项,无需处理措施。
七、验收意见XXX管道工程接口连接检验批验收合格,可进入下一步工程进展。
管道接口连接检验批质量检验记录一、项目背景管道系统作为工业设备中的重要组成部分,承载着流体传输和管路连接的功能,其质量直接关系到生产过程的安全性和稳定性。
为了确保管道接口连接的质量,对其进行检验批质量检验是必要的步骤。
二、检验目的本次管道接口连接检验批的目的是验证管道接口连接的质量是否符合相关标准要求,以保证管道系统的正常运行和安全性。
三、检验范围本次检验范围包括但不限于以下内容:1. 管道接口连接的材料和规格确认2. 管道接口连接的密封性检验3. 管道接口连接的力学性能检验4. 管道接口连接的标志和标识检验四、检验过程及结果1. 管道接口材料和规格确认根据管道接口连接设计图纸或相关文件要求,检查管道接口连接所使用的材料和规格是否与设计要求相符。
确认结果如下:(填写检查结果和相关说明)2. 管道接口密封性检验利用压力测试设备对管道接口连接进行密封性检验,确认其能否承受正常工作压力和测试压力。
测试结果如下:(填写测试结果和相关说明)3. 管道接口力学性能检验采用合适的试验设备对管道接口连接进行拉伸、弯曲等力学性能检验,确认其能否承受正常工作负荷。
检验结果如下:(填写检验结果和相关说明)4. 管道接口标志和标识检验检查管道接口连接是否标有相应的标志和标识,确认其与设计要求一致。
检验结果如下:(填写检验结果和相关说明)五、检验结论根据以上管道接口连接的检验过程和结果,综合评估管道接口连接的质量,给出相应的检验结论。
检验结论如下:(填写检验结论和相关说明)六、不符合项处理如发现管道接口连接在检验过程中存在不符合项或不合格项,需要制定相应的处理措施。
不符合项处理如下:(填写不符合项处理措施和相关说明)七、审核意见针对本次检验结果,审核人员进行审核,并给出相应的审核意见。
审核意见如下:(填写审核意见和相关说明)八、保存与归档将本次检验记录保存并归档,以备后续查询和追溯。
SH/T3508-Y02
钢管接口连接
检验批质量验收记录
工程名称:河南丰利石化有
限公司10万吨/年丙烯及联
产芳烃项目
单位工程名称:硫磺回收装置
(256)
检验批编号1102-256-GPS-OD-001 记录编号GPS-OD-001
验收部位循环冷却给水
分项工程名称循环冷却给水系统分部工程名称酸性水及溶剂再生部分子单位工程名称给排水管道安装
施工执行标准名称及编号
类别
检验项目质量控制记录(检验单位)
序
号
施工质量验收规范的规定施工单位检查评定记录监理单位验收记录
主控项目1 管节、管件及焊接材料应符合规范5.3.2条规定
2 接口焊缝坡口应符合规范5.3.7条规定
3 错口不超过壁厚的20%,且不大于2mm
4 焊口焊接质量应符合规范5.3.17条规定
5
接口与管道要同心,螺栓自由穿入,高强螺栓终拧扭矩符合设计要求和有关标准
一般项目1 接口组对纵、环缝位置应符合规范5.3.9条规定
2
管节组对前,坡口及内外侧焊接影响范围内表面应无油漆、垢、锈、毛刺等污物
3 不同管壁管节对接应符合规范5.3.10条规定
4
法兰与管道中
轴线偏差(mm)
D≤300mm:≤1mm
D>300mm:≤2mm
5
法兰之间平行不大于法兰外径的千分之1.5,且不大于2mm,螺孔中心允许偏差为孔径的5%。
总承包单位检查意见:
监理单位验收结论:
建设单位意见:
建设单位监理单位总承包单位施工单位
项目代表:
日期:年月日监理工程师:
日期:年月日
专业工程师:
日期:年月日
质量检查员:
日期:年月日。