建筑间距计算图例
- 格式:docx
- 大小:81.85 KB
- 文档页数:13
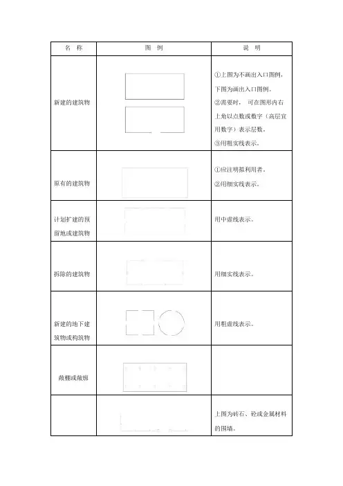
附录三建筑间距图示建筑相对位置示意图建筑间距要求备注低、多层条式居住建筑南北向平行布置①Lx≥1.35HsHs:南侧建筑高度低、多层条式居住建筑东西向平行布置②Ly≥1.1HsHs:较高建筑高度低、多层条式居住建筑平行、错位布置③S≤6m时,Lx按日照分析执行S:重叠部分长度低、多层条式居住建筑垂直布置④B、S≤16m时,Lx≥8m(低层)Lx≥15m(多层);B、S>16m时,Lx按平行布置的条式居住建筑间距控制S:重叠部分长度低、多层条式居住建筑既非平行也非垂直布置⑤a≤30°时,Lx按平行布置的条式居住建筑间距控制Hs:较高建筑高度30°<a≤60°时,Lx≥1.0Hsa>60°时,Lx按垂直布置的条式居住建筑间距控制低、多层条式居住建筑并列布置⑥未开窗时,Lz≥6m;开窗时,Lz≥9m高层居住建筑与多层、中高层条式居住建筑平行布置⑦Lx≥35mLy≥30m高层居住建筑之间平行布置⑧当S>16m(1)建筑层数≤15层时:Lx≥35mLy≥30m(2)建筑层数为16-24层(含24层)时:Lx≥45mLy≥40m(3)建筑层数>24层时:Lx≥55mLy≥50mS:重叠部分长度高层居住建筑与多层条式、中高层条式、高层居住建筑垂直布置⑨Lx≥20m;B、S>16m时,Lx按平行布置时的条式居住建筑间距控制S:重叠部分长度高层居住建筑与多层条式、中高层条式、高层居住建筑既非平行也非垂直布置⑩a≤45°时,Lx按平行布置时的建筑间距控制a>45°时,Lx按垂直布置时的建筑间距控制注:示意图中图例:表示低层、多层、中高层居住建筑;表示高层居住建筑。
建筑间距计算图例 WTD standardization office【WTD 5AB- WTDK 08- WTD 2C】第十一章附则附录一用词说明及名词解释(一)用词说明1、为便于在执行本规定条文时区别对待,对要求严格程度不同的用词说明如下:a、表示很严格,非这样不可的:正面词采用“必须”:反面词采用“严禁”。
b、表示严格,在正常情况下均用这样做的:正面词采用“应”;反面词采用“不应”或“不得”。
c、表示允许稍有选择,在条件许可时首先应这样做的:正面词采用“宜”或“可”;反面词采用“不宜”。
2、条文中指定应按其他有关标准、规范执行时,写法为“应符合……的规定”。
(二)名词解释1、建筑容积率(容积率):指建筑物地面以上各层建筑面积的总和与建筑基地面积的比值。
2、建筑密度:指建筑物底层占地面积与建筑基地面积的比率(用百分比表示)3、低层建筑:指高度小于或等于10m的建筑,低层居住建筑为一层至三层建筑。
4、多层建筑:指高度大于10m,小于或等于24m的建筑,多层住宅为四层至六层。
5、高层建筑:指高度大于24m的建筑,中高层住宅为七至九层,高层住宅为十层及十层以上。
6、公寓式办公建筑:指单元式小空间划分,每个单元平均建筑面积大于、等于150m2,有独立卫生设备的办公建筑。
每个单元平均建筑面积小于150m2的,按居住建筑处理。
7、一般办公建筑:指非单元式小空间划分,按层设置卫生设备的办公建筑。
8、商业建筑:指综合百货商店、商场、经营各类商品的专业零售和批发商店、以及饮食等服务业的建筑。
9、商住综合楼:指商业和居住混合的建筑。
10、商办综合楼:指商业和办公混合的建筑。
11、裙房:指与高层建筑紧密连接,组成一个整体,最大高度不超过24m的多、低层建筑。
超过24m的,按高层建筑处理。
12、夹层:指层高未超过2.2m的建筑空间。
13、日照有效时间(见下表)附录二计算规则1、建筑面积计算按《建筑工程建筑面积计算规范》(GB/T50353-2005)进行计算。
在消防工程师考试中,每年必考,有时候会出现在实物,更多的题出现在案例。
所以要求大家不仅要记住相对应的数据,还有记住相对应的叙述语言。
1、厂房的防火间距见下表口诀记忆和理解表格:s=a+b1+b2s表示建筑物的间距,a取值根据火灾危险性的不同,设置为甲类为12,高层为13,其它为10b1,b2的取值为耐火等级一二级为0,三级为2,四级为42、甲类厂房与重要的公共建筑防火间距不应小于50m,与明火或者散发火花地点的间距不小于30m。
3、高层厂房与甲乙丙类液体储罐,可燃,助燃气体储罐,液化石油气储罐。
可燃材料堆场(除煤和焦炭场外)的防火间距,应符合相关规定,且不应小于13m。
4、丙丁戊类厂房与民用建筑的耐火等级均为一,二级时,丙丁戊类厂房与民用建筑的防火间距可适当减小,但应符合下列规定:①当较高一面外墙为无门窗洞的防火墙,或者相邻较低一座建筑屋面高15m及以下范围内外墙为无门窗洞的防火墙时,其防火间距不限。
②相邻较低一面外墙为防火墙,且屋顶无天窗或洞口、屋顶的耐火极限不低于1h,或相邻较高一面外墙为防火墙,且墙上开口部位采取了防火措施,其防火间距可适当减小,但不应小于4m口诀记忆:丙丁戊厂与民用建筑,为12级高火墙,高15米防火墙,间距不限低火墙,无天窗,一小时高火墙,开口防火,小4米以后专门一篇来区分(特别注意甲乙类的厂与民用建筑高火墙,高15米防火墙,甲类间距不小4米高火墙,开口防火,不小6米)5、厂房外附设化学易燃物品的设备,其外壁与相邻厂房室外附设设备的外壁或者相邻厂房外墙的防火间距不应小于1、项中规定。
用不燃材料制作的室外设备,可按一,二级耐火等级建筑确定。
总容量不大于15立方的丙类液体储罐,当直埋厂房外墙外,且面向储罐的一面4m范围内的外墙为防火墙时,其防火间距不限制。
6、厂房围墙与厂区内建筑的间距不宜小于5m,围墙两侧建筑的间距应满足相应建筑防火间距的要求。
7、单多层戊类厂房之间及与戊类仓库之间可按照表一的规定减少2m,与民用建筑的防火间距可将戊类厂房等同与民用建筑按规定执行,为丙丁戊类厂房服务而单独设计的生活用房应按照民用建筑确定,与所属厂房的防火间距不应小于6m。
北方冬季采光楼间距计算在北方地区的冬季,由于天气寒冷,阳光辐射相对较弱,因此室内采光成为重要的问题。
而冬季的楼间距可以直接影响到建筑物内部的采光情况,因此需要进行合理的计算和设计。
楼间距指的是相对于建筑物之间的距离,一般是从建筑物的外立面墙面到墙面的水平距离。
在计算楼间距时,需要考虑建筑物的高度、朝向和周围建筑物的阴影情况等因素。
首先,根据北方地区冬季阳光的特点,建筑物朝向应尽量选择南向或东南向,以便最大程度地接受到阳光的照射。
在确定了朝向之后,就可以进行楼间距的计算了。
1.根据建筑物的高度确定楼间距的基准值。
一般来说,建筑物的高度越高,楼间距应该越大,以保证更多的阳光能够照射到底层的房间。
根据经验,可以采用建筑物高度的1.5倍作为楼间距的基准值,即楼间距=建筑物高度×1.52.考虑朝向和周围阴影的影响。
在北方地区的冬季,由于太阳的高度较低,周围建筑物、树木、山脉等都会对建筑物的采光产生一定的阻挡。
因此,在计算楼间距时,需要考虑周围环境的阴影情况。
可以通过日晷、日照模拟软件等工具来模拟和分析建筑物的阴影情况,从而得出合理的楼间距。
3.涉及采光标准和设计要求。
针对不同类型的建筑物,采光标准和设计要求会有所不同。
例如,居住建筑的采光标准可以参考国家相关标准,一般要求采光面积达到房间面积的10%~15%。
而办公楼、商业建筑等的采光要求可能会更高一些。
因此,在确定楼间距时,还需要结合采光标准和设计要求来进行计算和调整。
总之,北方冬季采光楼间距的计算需要综合考虑建筑物的朝向、高度、周围环境的阴影情况以及采光标准和设计要求等因素。
通过合理的计算和设计,可以使建筑物内部获得良好的采光效果,提高室内舒适度和居住质量。
嘉兴市城市规划管理条例嘉兴市人民政府文件嘉政发〔 2004 〕 92 号关于同意实施嘉兴市城市规划管理技术规定的批复市建设局:你局《关于要求批准实施(嘉兴市城市规划管理技术规定,的请示》 (嘉建办〔 2004 〕 137 号)收悉。
根据市城市规划委员会第十次全体会议的审议意见,经市政府研究,原则同意《嘉兴市城市规划管理技术规定》,请你局加强宣传,认真贯彻执行。
嘉兴市人民政府二00 四年十一月十一日目录第一章总则? ? ? ,? ? ? ? ? ? ? ? ? ? ? ? ? ? ? ,? ? ? ? ? ,? ? ? ?(1 ) 第二章用地分类及适建范围? ? ? ? ? ? ? ? ? ? ? ? ? ? ,? ? ? ? ? ? ?(1 ) 第三章建筑容量控制指标? ? ? ? ? ? ? ? ? ? ? ? ? ? ? ? ? ? ? ? ? (13 ) 第四章建筑间距? ? ? ? ? ? ? ? ? ? ? ? ? ? ? ? ? ? ? ? ? ? ? ? ? ?(18 ) 第五章建筑退让? ? ? ? ? ? ? ? ? ? ,? ? ? ? ? ? ? ? ? ? ? ? ? ? ?(23 ) 第六章建筑高度控制? ? ? ? ? ? ? ? ? ? ? ? ? ? ? ? ? ? ? ? ? ? ? ?(28 ) 第七章建筑外部环境控制? ? ? ? ? ? ? ? ? ? ? ? ? ? ? ? ? ? ,? (30 ) 第八章绿地控制? ? ? ? ? ? ? ? ? ? ? ,? ? ? ? ? ? ? ? ? ? ? ? ? ?(35 ) 第九章城市道路、停车场? ? ? ? ? ? ? ? ? ? ? ? ? ? ? ? ? ? ? ? ? ? (39 ) 第十章市政公用设施及管线综合? ? ? ? ? ? ? ? ? ? ? ? ? ? ? ? ? ?(44 ) 第十一章附则? ? ? ? ? ? ? ? ? ? ? ? ? ? ? ? ? ? ? ? ? ? ? ? ? ? (52 ) 附录一计算规则? ? ? ? ? ? ? ? ? ? ? ? ? ? ? ? ? ? ? ? ? ? ? ? ? (53 ) 附录二名词解释? ,? ? ? ? ? ? ? ? ? ? ? ? ? ? ? ? ? ? ? ? ? ? ? ?(59 ) 附录三建筑间距图例? ? ? ? ? ? ? ? ? ? ? ? ? ? ? ? ? ? ? ? ? ? ?(62 ) 第一章总则1第一条为加强嘉兴市城市建设规划管理,保证城市规划的实施,根据《中华人民共和国城市规划法》、《浙江省实施(中华人民共和国城市规划法》办法》、《嘉兴市城市总体规划》及《嘉兴市城市规划管理暂行办法》,制定本规定。
场地设计案例场地分析1.设计条件某住宅建设用地范围及周边现状如图3-67所示。
建设用地的场地设计标高为105.00m,道路南侧已建办公楼的场地标高为102.50m。
建筑退用地红线:临城市道路多层退5.00m,高层退10.00m,其他均退3.00m。
应满足日照及建筑防火消防规范要求。
该地区日照间距系数为1.2。
2.任务要求按设计条件绘出多层住宅(建筑耐火等级二级)的最大可建用地范围(用左斜线表示),绘出高层住宅的最大可建用地范围(用右斜线表示)。
标注相关尺寸。
根据作图,在下列单选题中选择一个正确答案。
(1)用地南侧已建办公楼CD段与其北侧高层可建范围的间距为()。
A.30.00m B.45.00m C.51.00m D.54.60m(2)用地北侧已建办公楼EF段与其南侧高层可建范围的间距为()。
A.6.00m B.9.00m C.10.00m D.13.00m(3)多层可建范围与高层可建范围的面积差约为()。
A.585m2 B.652m2C.660m2D.840m2答案:(1)C (2)D (3)C3.解答题(参见图3-68)例题3-28场地剖面1.设计条件·某疗养院场地剖面如图3-69所示,场地南高北低,南北两侧均为已建疗养用房。
·将场地整理成图3-70所示的三级水平台地(地面排水坡度可忽略不计),要求达到土方平衡且土方工程量最小。
·中间台地区性布置如图3-71所示的拟建疗养用房,要求该用房离南侧已建疗养用房距离最近。
·已建及拟建疗养用房均为等长的条形建筑,其均为正南北向布置,建筑耐火等级为二级。
·按当地规划要求疗养用房的日照间距系数为2.0。
·要求满足日照及建筑防火要求。
2.任务要求·按照设计条件绘制场地剖面图·标注相关尺寸及台地的标高·根据作图,在下列单选题中选择一个正确答案。
(1)中间台地的标高为()。
第四章建筑结构图例及符号一、建筑结构制图图例建筑结构专业制图图例应选用下表所示的图线二、结构平面图应按下图的规定采用正投影法绘制,特殊情况下也可采用仰视投影绘制用正投影法绘制预制楼板结构平面图节点详图三、桁架式结构的几何图可用单线图表示,杆件的轴线长度尺寸应标注在构件的上方对称杆件几何尺寸标注方法四、结构平面图中索引剖视详图、断面详图编号顺序表示方法结构平面图中索引剖视详图、断面详图编号顺序表示方法五、制图比例在同一张图纸中,相同比例的各图样,应选用相同的线宽组。
绘图时根据图样的用途被绘物体的复杂程度,应选用表中的常用比例,特殊情况下也可选用可用比例。
六、钢筋的一般表示方法1、一般钢筋表示方法2、预应力钢筋表示方法3、钢筋网片用文字注明焊接网或绑扎网片4、普通钢筋种类、符号和强度标准值5.钢筋配置表示法6.钢筋焊接标注方法续表7、钢筋在平面、立面、剖(断)面中的表示方法应符合下列规定:(1)钢筋在平面图中的配置应按图所示的方法表示。
当钢筋筋注的位置不够时,可采用引出线标注。
引出线标注钢筋的斜短划线应为中实线或细实线。
(2)当构件布置较简单时,结构平面布置图可与板配筋平面图合并绘制。
钢筋在楼板配筋图中的表示方法(3)平面图中的钢筋配置较复杂时,可按表及图的方法绘制。
(4)钢筋在梁纵、横断面图中的配置,应按图所示的方法表示。
梁纵、横断面图中钢筋表示方法(5)构件配筋中箍筋的长度尺寸,应指箍筋的里皮尺寸。
弯起钢筋的高度尺寸应指钢筋的外皮尺寸。
钢箍尺寸标注法(6)钢筋的简化表示方法当构件对称时,采用详图绘制构件中的钢筋网片可按图的方法用一半或1/4表示。
构件配筋简化表示方法7、钢筋混凝土构件配筋较简单时,宜按下列规定绘制配筋平面图:(1)独立基础宜按图的规定在平面模板图左下角,绘出波浪线,绘出钢筋并标注钢筋的直径、间距等。
独立基础(2)其他构件宜按下图的规定在某一部位绘出波浪线,绘出钢筋并标注钢筋的直径间距等。
建筑施工图常用符号及图例房屋的建造一般需经设计和施工两个过程,设计工作又分为初步设计和施工图设计阶段。
但对一些技术上复杂而又缺乏设计经验的工程,还应在初步设计基础上增加技术设计(或称扩大初步设计)阶段,以此作为协调各工种的矛盾和绘制施工图的准备。
不同的设计阶段对图纸有不同的要求,施工图是要求从满足施工要求的角度出发,提供完整翔实的资料。
所以,我们把按照“国标”的规定,用正投影方法画出的一幢拟建房屋的内外形状和大小,以及各部分的结构、构造、装修、设备等内容,并达到能够指导施工的图样称为房屋施工图。
建筑方面的施工图又分为两类:一类是建筑施工图(简称“建施”),主要表示建筑物的总体布局,外部造型、内部布置、细部构造、装修和施工;另一类是结构施工图(简称“结施”),主要表示承重构件结构的布置、构件类型及构造和做法等。
在这两类图纸中又各自分成两种表达形式:一种是表示整体的图纸,以此来反映建筑物的全貌;另一类则是表示局部,反映各个细部的具体做法。
建筑施工图表示整体的图纸有:总平面图、施工总说明、平面图、立面图、剖面图。
表示局部的图纸有建筑详图,如楼梯详图、门窗详图等。
结构施工图中,表示整体的图纸有:基础平面图、楼层结构平面图、屋顶结构平面图等。
表示细部的图纸有:基础详图、钢筋混凝土梁、板、柱等结构详图、屋架详图等。
在房屋建造中,一套完整的施工图,根据其专业内容或作用的不同,包括如下内容:(1)图纸目录。
(2)设计总说明。
(3)建筑施工图。
(4)结构施工图。
(5)建筑装修图。
(6)设备施工图(简称“设施”),本书不做讨论。
阅读施工图时,应按先整体后局部,先文字说明后图样,先图形后尺寸等原则依次仔细阅读。
一、房屋的组成及其作用房屋建筑一般可分为民用建筑和工业建筑两大类。
各种使用功能的房屋,尽管他们在使用要求、空间组合、外形处理、结构形式、构造方式以及规模大小各有特点,但其基本的组成内容是相似的,构成他们的基本构配件通常有:基础、墙(柱、梁)、楼板层和地面、屋面、楼梯和门、窗等。
会议审议稿嘉兴市城市规划管理技术规定(修订)目录目录 (1)第一章总则 (2)第二章用地管理 (2)第一节 城市用地分类和建设分区 (2)第二节 建筑容量控制指标 (3)第三节 其他建设用地的管理要求 (4)第三章建筑管理 (5)第一节 建筑间距 (5)第二节 建筑退让 (8)第三节 建筑高度 (13)第四节 建筑节能 (14)第四章建筑外部环境管理 (15)第一节 建筑外部环境 (15)第二节 绿地 (18)第三节 低影响开发 (19)第五章城市道路及停车 (20)第一节 城市道路 (20)第二节 停车场(库) (22)第六章技术指标计算规则 (25)第一节 建筑密度 (25)第二节 容积率 (26)第三节 建筑高度 (27)第四节 绿地率 (29)第七章附则 (30)附录一名词解释 (32)附录二建筑间距图例 (34)附表一城乡用地分类和代码 (38)附表二城市建设用地分类和代码 (40)第一章总则第一条 为加强城市建设规划管理,保证城市规划的实施,根据《中华人民共和国城乡规划法》、《浙江省城乡规划条例》及《嘉兴市城乡规划管理办法》等法律法规、行政规章及相关技术规范,结合本市实际,制定本规定。
第二条 本规定适用于嘉兴市市区城市(镇)的规划建设用地范围内的各项建设,市域内各县(市)可参照执行。
第三条 各项建设工程的建设和管理应当按经批准的控制性详细规划执行,控制性详细规划中未予规定的,按本规定执行。
控制性详细规划的编制一般应符合本规定的要求,城市有机更新范围内、历史街区、新区核心区域等对用地和建设管理有特殊要求的,控制性详细规划可以突破本技术规定,但应专题论证说明,并随控制性详细规划一并报批。
第二章用地管理第一节 城市用地分类和建设分区 第四条 用地分类包括城乡用地分类和城市建设用地分类两部分,具体分类和代码按《城市用地分类与规划建设用地标准》(GB50137—2011)(附表一、附表二)执行。
建筑间距计算图例文档编制序号:[KKIDT-LLE0828-LLETD298-POI08]第十一章附则附录一用词说明及名词解释(一)用词说明1、为便于在执行本规定条文时区别对待,对要求严格程度不同的用词说明如下:a、表示很严格,非这样不可的:正面词采用“必须”:反面词采用“严禁”。
b、表示严格,在正常情况下均用这样做的:正面词采用“应”;反面词采用“不应”或“不得”。
c、表示允许稍有选择,在条件许可时首先应这样做的:正面词采用“宜”或“可”;反面词采用“不宜”。
2、条文中指定应按其他有关标准、规范执行时,写法为“应符合……的规定”。
(二)名词解释1、建筑容积率(容积率):指建筑物地面以上各层建筑面积的总和与建筑基地面积的比值。
2、建筑密度:指建筑物底层占地面积与建筑基地面积的比率(用百分比表示)3、低层建筑:指高度小于或等于10m的建筑,低层居住建筑为一层至三层建筑。
4、多层建筑:指高度大于10m,小于或等于24m的建筑,多层住宅为四层至六层。
5、高层建筑:指高度大于24m的建筑,中高层住宅为七至九层,高层住宅为十层及十层以上。
6、公寓式办公建筑:指单元式小空间划分,每个单元平均建筑面积大于、等于150m2,有独立卫生设备的办公建筑。
每个单元平均建筑面积小于150m2的,按居住建筑处理。
7、一般办公建筑:指非单元式小空间划分,按层设置卫生设备的办公建筑。
8、商业建筑:指综合百货商店、商场、经营各类商品的专业零售和批发商店、以及饮食等服务业的建筑。
9、商住综合楼:指商业和居住混合的建筑。
10、商办综合楼:指商业和办公混合的建筑。
11、裙房:指与高层建筑紧密连接,组成一个整体,最大高度不超过24m的多、低层建筑。
超过24m的,按高层建筑处理。
12、夹层:指层高未超过2.2m的建筑空间。
13、日照有效时间(见下表)附录二计算规则1、建筑面积计算按《建筑工程建筑面积计算规范》(GB/T50353-2005)进行计算。
2、建筑容积率计算(1)地下室的建筑面积可不计入容积率;屋顶层设楼梯间、电梯机房、消防水池的建筑面积不超过标准层建筑面积的1/4且最大不超过200m2的建筑面积可不计入容积率。
(2)人工堆土形成的地下室、半地下室其堆土坡度应小于或等于35°。
不符合此规定的部分按局部外露的半地下室计算容积率。
(3)局外露的半地下室计入容积率建筑面积核算:按半地下室各个面露出地坪的平均高度的算术平均值与高度的比值为计算计容面积,如下式:H=(h1+h2+h3+h4)/n(m)其中:H-计算基准面高度(地下室顶部露出地坪的平均高度),即从计算基准面至地下室顶板结构面的距离。
h1、h2……—。
半地下室每个面露出地坪的平均高度n—半地下室折转边数。
计算基准面高度不大于1.2m的投影面积不计入容积率;计算基准面高度大于1.2m 小于或等于2.0m的投影面积按50%计入容积率;计算基准面高度大于2.0m的投影面积全部计入容积率。
(4)首层架空部分用作公众开放空间的(见本附录第5条),其建筑面积可不计入容积系。
(5)商办综合楼的容积率控制指标,按不同性质的建筑面积比例换算合成,其建筑密度控制指标可按商业建筑的指标执行。
(6)商住综合楼的容积率控制指标,按不同性质的建筑面积比例换算合成,其建筑密度控制按表、表、表的规定执行(参考《附录三》案例计算);高层商住综合楼商业用房的建筑面积应至少占总面积的10%,不足10%的,其容积率和建筑密度的控制指标按高层居住建筑的规定执行;多层商住综合楼商业用房应至少占两层以上(含两层);仅设底层商店的,其容积率和建筑密度控制指标按多层居住建筑的规定执行。
3、建筑基地面积计算建筑基地的面积以城市规划行政主管部门正式划定的面积为准;城市道路规划红线、河道规划红线范围内的用地面积不得计入。
4、局部外露的半地下室建筑密度计算局部外露的半地下室建筑密度核算:按半地下室各个面露出地坪的平均高度的算术平均值为计算基准面,如下式:H=(h1+h2+h3+h4)/n(m)其中:H—计算基准面高度(地下室顶部露出地坪的平均高度),即从计算基准面至地下室顶板结构面的距离。
h1、h2……—。
半地下室每个面露出地坪的平均高度n—半地下室折转边数。
计算基准面高度不大于 1.2m的投影面积不计入建筑密度;计算基准面高度大于1.2m小于或等于2.0m的投影面积按50%计入建筑密度;计算基准面高度大于2.0m的投影面积全部计入建筑密度。
5、公众开放空间的条件本规定所指的公众开放空间特指沿道路设置的建筑首层架空部分,并应同时符合下列条件:(1)架空层高度不小于2.5m;(2)架空层面积不小于200m2;(3)架空层标高与基地地坪或道路的高差在±0.9m以内(含0.9m);(4)架空层除柱、剪力墙等必要的结构构件外,不设围合、视线通透;(5)架空层功能只用作公共休闲、交通(不含停车场)、绿化;(6)峻工后,应设置相应的标志,并交有关部门管理或经批准后由建设单位代行管理;(7)常年开放,且不改变使用性质。
6、建筑间距计算、(1)除消防规范规定的外,建筑间距是指两幢建筑的外墙面之间最小的垂直距离。
(2)坡度大于45°的坡层面建筑,其建筑间距是指自屋脊线在地面上的垂直投影线至被遮挡建筑的外墙之间最小的垂直距离。
7、交叉口视距限界在保证两条相交道路上直行车辆都有安全的停车视距的情况下,还必须保证驾驶人员的视线不受遮挡,由两车的停车视距和视线组成了交叉口视距空间和限界,又称视距三角形(图一),常以此作为确定交叉口红线位置的条件之一。
并要求视距三角形限界范围内清除高于 1.0m 的障碍物。
按最不利的情况,最靠右的一条直行车道与相交道路最靠中间的直行车道的组合确定视距三角形的位置。
图中:V —道路规定的行车速度ST —停车视距,即驾驶员反应时间内车辆行驶的距离、车辆制动距离和在障碍物前面停止的安全距离组成。
(见下表)8、建筑高度的计算在计算建筑间距时,建筑高度按下列规定计算:(1)平屋面建筑:挑檐层面自室外地面算至檐口顶;加上檐口挑出宽度(见图二);有女儿墙的屋面,自室外地面算至女儿墙顶(见图三)。
(2)坡屋面建筑:屋面坡度小于45°(含45°)的,自室外地面算至檐口顶加上檐口挑出宽度(见图四);坡度大于45°,自室外地面算至屋脊顶(见图五)(3)水箱、楼梯间、电梯间、机械房等突出屋面的附属设施,其高度在6m 以内,且水平面积之和不超过屋面建筑面积1/4的,不计入建筑高度。
建筑高度计算附图根据建筑文物保护单位的周围环境,选择适当的视点确定视线走廊,进行视线分析。
视点的距离应大于或等于3H。
因现状条件限制难以按3H视点距离控制高度的,视点距离可适当缩小,但不得小于2H(见图六)。
(图六)10、沿城市主干道两侧新建、改建建筑物的控制高度H/S≤tg a a≤75°式中:a—仰角S—建筑后退道路红线的距离H—建筑高度。
见图七(图七)11、沿城市次干道以下两侧新建、改建建筑物的控制高度(1)沿路一般建筑高度的控制H≤(W+S)见图八式中:W—道路规划红线宽度 S—建筑后退距离H—建筑总高(图八)(2)沿路高屋组合建筑高度的控制a:A≤L(W+S)见图九(轴测图)图中斜线部分A—为1:(即°)高度角的投影面积。
L—建筑基地沿道路规划红线的长度W—道路规划红线宽度S—建筑后退距离H1、H2、H3—为组合建筑高度。
(图九)b:在实际应用中,为了简化作图和计算方法,也可采用下列演化而来和图七的作图方法控制建筑高度。
A’≤1.5L(W+S)式中:A’—为沿路建筑以1:1(即45°)高度角在地面上投影的面积。
L—建筑基地沿道路规划红线的长度 W—道路规划红线宽度 S—建筑后退距离见图七(平面图)。
图中斜线部分A’为沿路建筑以1:1(即45°)高度角的投影面积;H1、H2、H3为组合建筑各部分实际高度。
(图十)12、绿地面积计算规则(图十一)院落式组团绿地面积计算起止界示意图(图十二)宅旁(宅间)绿地面积计算起止界示意图(图十三)开敞型院落式组团绿地意图附录三计算案例案例一不同类型混合的建筑基地建筑容量的核定。
[建设条件]A基地位于市区的一般地段,基地总面积为26050m2,基地所在地区尚无经批准的详细规划。
南面部分作为高层商办楼基地,面积为7650 m2;北面部分作为高层商住楼综合楼基地,面积为18400 m2(见图十四)。
[建筑容量的核定]按照第十五条的规定,不同类型混合的建筑基地,其建筑容量控制指标应将建筑基地按使用性质分类划定后进行核算,现分别计算如下:(一)高层商办综合楼基地基地面积为7650 m2,其中商业建筑面积占40%,公寓式办公建筑面积占60%。
由表查得高层商业建筑容积率的控制指标为,高层公寓式办公建筑容积率的控制指标为。
综合容积率控制指标为:(×)+×=。
核定容积率为:核定建筑面积为:7650×=28458(m2)。
(二)高层商住楼综合基地基地面积为18400 m2,扣除幼托建筑基地面积2080 m2,高层商住建筑基地面积为16320 m2,其中商业建筑面积占10%,居住建筑面积占90%。
由表。
表、表查得高层商业建筑容积率的控制指标为,二类高层居住建筑容积率的控制指标为综合容积率的控制指标为:(×)+(×)=核定建筑面积为:16320×=36720(m2)幼托建筑的容积率按有关专业规定另行核定。
注:建筑基地面积、建筑面积取整数,余数四舍五入;建筑容积率取小数点后一位,余数四舍五入。
案例二为社会公众提供开放空间的建筑基地建筑容量的核定。
[建设条件]某高层商业金融办公综合楼位于旧城区内的中心地段,建筑基地面积为4500m2平方米,基地所在地区尚无经批准的详细规划。
该建筑的底层架空作公众开放空间,面积为1190 m2(其中停车12个),另有室外社会停车开放空间。
(见图十五)。
[建筑容量的核定]据第十四条表查得高层商业、金融办公建筑容积率的控制指标为核定建筑面积为:4500×=20250(m2)按照第二十一条表规定,提供公众开放空间可增加建筑面积,且每提供1平方米公众开放空间,允许增加的建筑面积为1.6 m2。
公众开放空间面积为:1190-(12×35)=770(m2)(其中每个停车位按35 m2计算)可增加的建筑面积为:770×=1232(m2)核定建筑面积的百分之二十为:20250×20%=4050(m2)。
因为1232m2小于4050 m2,符合第二十一条的规定,所以总建筑面积可为:20250+1232=21482(m2)。