质监局廉政风险点及防控措施一览表
- 格式:doc
- 大小:100.50 KB
- 文档页数:6
安全质检部廉洁风险识别、评估及防控措施表一、识别廉洁风险1. 内部人员识别安全质检部内部人员需要对部门内部廉洁风险进行识别,主要针对以下问题进行排查:•员工是否存在利用职权谋求私利、索取回扣等贪污行为;•是否存在内部员工与供应商之间存在利益勾结,导致廉洁风险;•内部员工是否存在泄露资料、公开信息等违规行为;•对于不符合公司规定但可能影响廉洁度的行为要及时进行批评、教育和纠正。
2. 外部因素识别安全质检部还需要对外部环境进行廉洁风险识别,主要关注以下问题:•与供应商之间签订的合同是否存在违法、违规行为;•外部环境是否存在影响公司廉洁度的不可控因素;•原材料采购、加工、运输等过程中是否存在贪污行为;•对于不符合公司规定但可能影响廉洁度的外部行为要及时进行举报和纠正。
二、评估廉洁风险评估廉洁风险需要进行深入、客观的分析,主要从以下几个方面入手:1. 必要性、合理性评估评估风险时,首先需要进行必要性和合理性的分析。
包括以下几个方面:•业务执行是否有明确的业务程序与标准;•是否存在合理的审批流程与安全控制机制;•是否存在业务程序相关的风险事件和纠正措施记录。
2. 信誉度、可靠性评估评估廉洁风险时,还需要评估风险事件的可靠性与信誉度。
包括以下几个方面:•风险评估数据来源是否准确、可靠;•风险评估数据收集是否全面、及时;•评估数据来源是否具有客观性、真实性。
3. 严重程度评估评估廉洁风险时,还需要进行严重程度的评估。
需要分析以下几个方面:•风险事件是否严重影响公司廉洁度;•风险事件是否严重影响公司利益;•风险事件发生后是否有较大的正面贡献。
4. 风险趋势评估评估廉洁风险时,还需要进行风险趋势的评估。
需要分析以下几个方面:•风险事件发生趋势是否失去控制;•风险事件是否具有较大的突发性和不可预测性;•风险事件对公司发展是否具有潜在的长期影响。
三、防控措施1. 内部廉洁风险防控对于内部廉洁风险,下面是我们建议的防控措施:•设立独立的监督机构,对公司各个业务部门的运作状况进行监督、评估;•建立公司严密的内部控制制度,为业务运作确立明确的责任人,确保风险得到有效遏制;•对各级授权和审批进行严格的限制和监控,确保交易的真实性和合法性;•强制认识廉洁风险,培养责任意识,建立做事奉公、保持廉洁方正的企业文化和价值观。
廉政风险点及防控措施
廉政风险点及防控措施
副局长:领导:年月日
廉政风险点及防控措施
纪检组长:领导:年月日
廉政风险点及防控措施
副主任科员:领导:年月日
廉政风险点及防控措施
岗位负责人:岗位工作人员:分管领导:年月日
廉政风险点及防控措施
岗位负责人:岗位工作人员:分管领导:年月日
廉政风险点及防控措施
岗位负责人:岗位工作人员:分管领导:年月日
廉政风险点及防控措施
岗位负责人:岗位工作人员:分管领导:年月日
廉政风险点及防控措施
岗位负责人:岗位工作人员:分管领导:年月日
廉政风险点及防控措施
岗位负责人:岗位工作人员:分管领导:年月日
廉政风险点及防控措施
岗位负责人:岗位工作人员:分管领导:年月日
廉政风险点及防控措施
岗位负责人:岗位工作人员:分管领导:年月日
廉政风险点及防控措施
岗位负责人:岗位工作人员:分管领导:年月日
廉政风险点及防控措施
岗位负责人:岗位工作人员:分管领导:年月日
廉政风险点及防控措施
岗位负责人:岗位工作人员:分管领导:年月日
廉政风险点及防控措施
岗位负责人:岗位工作人员:分管领导:年月日
廉政风险点及防控措施
岗位负责人:岗位工作人员:分管领导:年月日
廉政风险点及防控措施
岗位负责人:岗位工作人员:分管领导:年月日
廉政风险点及防控措施
岗位负责人:岗位工作人员:分管领导:年月日。
在人事管理、教学常规管理、招生考试、财务管理、工程项目实施、公务接待方面管理不严,不严格执行规章制度,导致分管科室及工作人员出现违法违纪行为,本站为大家整理的相关的廉政风险点及防控措施廉政风险点防控一览表,供大家参考选择。
廉政风险点及防控措施廉政风险点防控一览表序号工作职责潜在廉政风险点1采购文件编制1、招标文件编制不完整、存在不合规定的条款。
2、设定与采购项目规模不相适应或者过高的企业资质,排斥潜在供应商。
3、指定品牌,倾向特定供应商或者使用某一品牌技术参数,变向指定品牌,排斥其他品牌参与竞争。
4、评标办法带倾向性。
2采购信息公告1、未按规定或未在指定媒体及时发布采购信息;2、非公开招标项目只向少数供应商提供采购信息;3、中标结果不按规定在指定媒体进行公示。
3开标、评标、定标1、投标截止时间后接受标书。
2、开启不符合开标要求的标书,唱标内容不符合规定。
3、不按规定抽取评审专家组建评标委员会、询价小组和谈判小组。
4、在评标现场向评委发表不当的倾向性意见。
5、擅自修改评标结果。
4投标保证金管理1、不按规定时限和规定要求退还保证金。
5采购项目档案管理1、不按规定要求保存采购档案。
2、向供应商泄露其他投标人商业秘密。
6质疑答复1、答复内容涉及商业秘密。
2、未按规定作出书面答复。
3、未在规定时限作出答复。
7其他工作事项1、泄露招投标项目的信息秘密。
廉政风险点及防控措施廉政风险点防控一览表一、校长(一)风险点1.不依法履行职务,学校人财物管理中的重大问题不集体研究,搞个人说了算;2.利用职权和职务上的影响谋取不正当利益。
(二)防控措施1.坚持依法治校;2.坚持“三重一大”事项集体研究决定;3.充分发扬民主,自觉接受全校师生监督;4.按照《廉政准则》,带头遵守廉洁自律各项规章制度。
二、校党委书记(一)风险点1.学校党务工作和干部人事管理中不依法履职;2.不坚持执行“三重一大”制度;3.对党员及党员领导干部廉洁从政教育管理不严。
廉政风险点及防控措施一览表一、风险点1. 采购环节:供应商选择、价格设定、合同签订、验收标准等环节中可能存在权力寻租、舞弊行为的风险。
2. 工程项目:项目立项、招标投标、施工管理、验收结算等环节中可能存在权力寻租、违规操作的风险。
3. 财务管理:财务报销、资金使用、财务报告编制等环节中可能存在虚假报销、挪用公款、财务不透明等风险。
4. 人事管理:招聘、选拔、任用、考核等环节中可能存在权力寻租、违规操作、任人唯亲等风险。
5. 审批流程:审批权限设置、审批流程设计、执行过程中可能存在权力滥用、审批不严或放松等风险。
二、防控措施1. 采购环节:(1)建立供应商评估机制,对供应商的信誉、质量、价格等进行全面评估。
(2)公开招标,确保竞争公平、公正,减少权力干预。
(3)明确采购合同条款,严格验收标准,建立完善的验收制度。
(4)加强内部审计,定期对采购环节进行监督检查,发现问题及时整改。
2. 工程项目:(1)实行项目公开招投标制度,确保公平竞争。
(2)建立项目监理制度,加强对施工过程的监督。
(3)严格验收程序,确保工程质量和安全。
(4)加强项目审计,对项目执行过程进行全面监督。
3. 财务管理:(1)严格执行财务制度,规范财务报销流程,杜绝虚假报销。
(2)加强资金监管,确保资金使用合规、安全。
(3)定期公布财务报告,增加财务透明度。
(4)对财务人员进行定期培训,提高财务素质和风险意识。
4. 人事管理:(1)建立完善的人事制度,规范招聘、选拔、任用等流程。
(2)实行公开透明的考核机制,确保考核结果的公正性。
(3)加强员工培训,提高员工素质,减少违规操作的可能性。
(4)建立员工举报机制,鼓励员工举报违规行为,保护举报人的合法权益。
5. 审批流程:(1)明确审批权限,对重要事项的审批必须严格把控。
(2)优化审批流程,减少审批环节,提高审批效率。
(3)加强内部监督,对审批过程进行定期检查,确保审批合规。
(4)建立电子化审批系统,实现审批过程的信息化和透明化。
安全质检部廉洁风险识别评估及防控措施表一、背景为进一步加强安全质检部廉政建设,提高风险意识,预防和化解廉洁风险,需要进行风险识别评估,制定相应的防控措施。
二、风险识别评估安全质检部的职责涉及重要的安全和质量问题,因此,存在一定的廉洁风险。
通过风险识别评估,可以对潜在的风险进行识别、分类、分析和评估,为制定针对性的防控措施提供依据。
1.风险识别和分类(1)内部示范效应不足:由于安全质检部的行政权力相对较小,对其他部门的示范效应不足,导致廉洁风险增加。
(2)人员管理存在漏洞:安全质检部人员数量较少,部门管理需要借助其他部门。
但是,除部门负责人外,其他人员有可能由其他部门任命,存在管理漏洞,存在廉洁风险。
2.风险分析和评估(1)内部示范效应不足:该风险可能导致其他员工模仿安全质检部员工的不正之举,从而危害公司形象和利益,评估风险等级为较高。
(2)人员管理存在漏洞:该风险有可能导致安全质检部的人员管理失控,员工的不正行为严重影响行政执行力和工作效率,评估风险等级为一般。
三、防控措施基于上述风险评估,需要制定相应的防控措施,确保安全质检部的廉洁性。
具体措施如下:(1)制定内部规章制度,对安全质检部员工职责和工作要求明确规定,建立严格的考核制度,确保员工遵守纪律和规定。
(2)加强培训和教育,提高员工的廉洁风险意识和自律意识,引导员工秉持清廉的工作态度。
(3)完善工作机制,加强内部管理,确保员工的离岗离职管理和转岗转职管理合法合规,避免管理漏洞。
(4)加强管理监督,采取有效的监督措施,确保员工的行为符合公司的规定和要求,纠正不正之举。
四、结论通过风险识别评估,我们可以看到安全质检部内部存在的廉洁风险,并制定出相应的防控措施,从而确保安全质检部的廉洁性和有效性。
同时,该评估也可以作为未来安全质检部工作的参考和指导,提高风险防范和控制的能力。
.实用文档.
中国共产党屯昌县纪律检查委员会用笺
各镇,县直各单位、副科级以上事业单位:
为推动我县廉政风险防控管理工作的顺利开展,标准廉政风险点和防控措施,现从网上摘取并整理了机关办公室廉政风险点、防控措施、权力运行流程图等局部内容,供各单位学习参考。
未上报工作方案的单位请尽快上报!
附:1、廉政风险点及防控措施一览表
2、办公经费支出管理流程图
县纪委党风室
2021年11月9日
第页
.
.实用文档.
附表一
XXX廉政风险点及防控措施一览表
〔参考样本〕
单位〔盖章〕:XXX 填报时间:年月日
.
.实用文档.
附表二
办公经费支出管理流程图
.。
廉洁风险监督防控措施表廉洁风险监督是一种重要的措施,旨在防止腐败行为和滥用职权的发生。
为了确保廉洁风险监督的有效性,以下是一些常见的防控措施,以确保公正、透明和廉洁。
1. 政策和规章制度- 严格制定和执行廉洁行为准则,明确禁止腐败行为和滥用职权。
- 建立与廉洁风险监督相关的制度和规章,确保员工了解其责任和义务。
2. 教育和培训- 开展廉洁意识教育和培训,向员工传达公司对廉洁原则的重视。
- 着重加强管理层和关键岗位的培训,提高其对风险监督的敏感度。
3. 内审和审计- 建立健全的内审制度,周期性地对公司运营情况进行综合审计。
- 加强对可能存在廉洁风险的关键流程和环节的审计,确保其合规性和透明度。
4. 风险评估和管理- 定期进行风险评估,识别可能存在的廉洁风险和腐败问题。
- 针对不同风险级别采取相应的管理措施,确保风险得到有效控制。
5. 举报渠道和保护机制- 设立匿名举报渠道,鼓励员工及其他相关人士主动报告可疑行为。
- 提供举报保护机制,确保举报者的权益得到有效保护,避免报复行为的发生。
6. 监督和问责- 建立有效的监督机制,确保廉洁风险监督措施的落实和执行。
- 对违反廉洁原则和滥用职权的行为进行严肃的问责,包括纪律处分和法律追责。
7. 反腐败合规审查- 定期进行反腐败合规审查,评估公司反腐败机制的有效性。
- 针对审查结果,及时修订和改进风险监督措施和相关制度。
8. 国际合作和经验交流- 加强国际合作,借鉴他国在廉洁风险监督方面的成功经验。
- 积极参与国际反腐败组织和机构,与其他国家分享经验和信息。
廉洁风险监督防控措施的有效实施对于维护公正和促进企业的可持续发展具有重要意义。
公司需要根据自身情况结合上述措施,制定并落实适合的廉洁风险监督措施,以确保全体员工遵守廉洁原则,维护公司声誉,同时为员工提供公平的工作环境。
只有通过全面的有效管理和监督,才能建立一个廉洁、透明和诚信的企业文化,实现长期持续的发展。
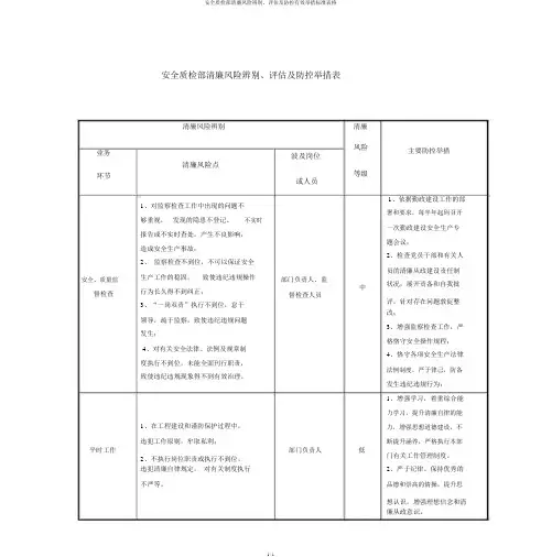
安全质检部清廉风险辨别、评估及防控有效举措标准表格1 / 1安全质检部清廉风险辨别、评估及防控举措表业务环节安全、质量监督检查平时工作清廉风险辨别 清廉风险点1、对监察检查工作中出现的问题不够重视, 发现的隐患不登记、不实时报告或不实时查处,产生不良影响, 造成安全生产事故;2、 监察检查不到位,不可以保证安全生产工作的稳固, 致使违纪违规操作行为长久得不到纠正;3、“一岗双责”执行不到位,怠于领导,疏于监察,致使违纪违规问题发生;4、对有关安全法律、法例及规章制度执行不到位,未能全面刊行职责,致使违纪违规现象得不到有效治理。
1、在工程建设和谨防保护过程中,违犯工作原则,牟取私利;2、不执行岗位职责或执行不到位,违犯清廉自律规定, 对有关制度执行不严等。
清廉风险波及岗位等级或人员部门负责人、监中督检查人员部门负责人 低主要防控举措1、依据勤政建设工作的部署和要求,每半年起码召开一次勤政建设安全生产专题会议;2、检查党员干部和有关人员的清廉从政建设责任制状况,展开责备和自我批评,针对存在问题敦促整 改;3、增强监察检查工作,严格恪守安全操作规程;4、恪守各项安全生产法律法例制度,严于律己,防备发生违纪违规行为;1、增强学习,着重综合能力学习,提升清廉自律的能力,增强思想道德建设,不断提升涵养,严格执行本部门有关工作管理制度。
2、严于纪律、保持优秀的品德和崇高的情操,提升思想认识,增强理想信念和清廉从政意识。
企业安全质检部廉洁风险防控措施清单安全质检部廉洁风险识别、评估及防控措施表一、廉洁风险识别1.部门人员利用职务之便,进行私人交易或不当利益输送,导致企业利益受损。
2.安全质检过程中,因主观或客观因素,导致检测结果失真或数据不准确。
3.在供应商合作、采购等环节,因不正当交易或利益输送,导致企业成本增加。
4.部门人员将企业资源(如设备、资金等)用于私人目的,导致企业利益受损。
二、风险评估1.对识别出的廉洁风险进行评估,确定其发生的可能性和影响程度。
2.对评估结果进行排序,确定重点和高风险领域。
三、防控措施1.针对风险点,制定具体的防控措施和流程,如建立审批流程、规范检测程序等。
2.加强内部监督和管理,定期对防控措施的执行情况进行检查和评估。
3.针对高风险领域,制定专项治理方案,加大监督和防控力度。
四、风险等级1.将廉洁风险划分为“高、中、低”三个等级,分别对应不同程度的风险。
2.对不同等级的风险制定相应的处理和防控措施。
五、责任部门1.明确各部门的廉洁风险管理职责和权限。
2.规定各部门必须对所辖范围内的廉洁风险进行排查、评估和防控。
六、监督与检查1.建立廉洁风险管理的监督机制,确保各项防控措施得到有效执行。
2.定期对各部门的廉洁风险管理工作进行检查和评估,及时发现问题并进行整改。
七、反馈与修正1.对廉洁风险管理工作中存在的问题及时进行反馈,提出修正意见和建议。
2.对不适应的防控措施进行修订和完善,持续优化廉洁风险防控体系。
八、记录与报告1.对廉洁风险管理工作的过程和结果进行全面记录,确保可追溯性。
2.定期向上级管理部门汇报廉洁风险管理工作情况,提出改进意见和建议。
廉洁风险点及防控措施一览表引言在当前社会环境下,廉洁风险已经成为企业管理的重要课题之一。
为了确保组织的廉洁经营,必须建立有效的风险防控措施。
本文档旨在提供一个廉洁风险点及相应的防控措施一览表,以供企业参考并制定相应应对策略。
1. 人员管理1.1 人事招聘风险点:•招聘过程中存在内定现象,缺乏公平公正原则。
防控措施:•建立招聘流程的标准化操作,如明确招聘需求、制定招聘程序、明确招聘标准等。
•引入第三方招聘机构,提高招聘的透明度和公正性。
•加强对招聘流程的监督和核查,及时发现和纠正不当行为。
1.2 员工培训风险点:•培训资金的管理和使用不透明,存在贪污挪用等行为。
防控措施:•设立专门的培训资金专项账户,用于接收和管理培训资金。
•建立完善的培训制度和流程,明确培训计划、培训费用预算等。
•强化对培训资金的监督和审核,确保资金使用符合规定。
1.3 绩效考核风险点:•绩效考核存在主观性较强的问题,容易导致人际关系错综复杂。
防控措施:•建立客观公正的绩效考核指标体系,确保评价的科学性和公正性。
•引入多元化的评价方式,如360度评估、自评、同事评等,减少单一标准带来的主观性。
•定期对绩效考核结果进行公示和说明,增加监督和透明度。
2. 财务管理2.1 采购管理风险点:•采购过程中存在腐败行为,如收受回扣、虚报报销等。
防控措施:•建立严格的采购流程,如编制采购计划、发布采购公告、开展采购评标等。
•加强对供应商的审查和评估,确保选择合规、诚信的供应商。
•设立采购合同管理、报销核销等制度,加强对采购资金的监控。
2.2 预算管理风险点:•预算编制过程中存在财务造假行为,如虚构收入、低报成本等。
防控措施:•建立透明、规范的预算编制程序,明确预算编制的原则和要求。
•强化对预算编制过程的审计和监督,及时发现和纠正不当行为。
•定期对预算执行情况进行监测和评估,确保实现预算管理的目标。
2.3 费用报销风险点:•费用报销流程中存在虚报、重复报销等问题。
***质量技术监督局廉政风险防控机制建设岗位风险点梳理与评估经过几个月的努力,我局的廉政风险防控机制建设在县纪委的明确指导下,在自……查阶段,结合实际情况,多措并举,现已对我局的岗位风险进行了梳理与评估,有条不紊的完成了前两个阶段的任务安排。
一、岗位所存在的风险点(一)执法过程中,有处罚隐报瞒报、擅自处理的情况,不按法定程序行使处罚权,致使违法行为的处罚因个人意志定夺,造成行政管理有失公平、违反公正的情况。
(二)调查取证中,取证不全不足,导致处罚无法定性量罚或行政处罚违法、不当;不按规定抽样取证或故意抽取不合格样品,有意干预抽样结果,损害当事人合法权益。
(三)行政处罚决定和行政处罚自由裁量方面随意改变行政处罚定性、种类、幅度,大案小办、小案重罚或不予处罚等;滥用行政处罚自由裁量权,行政处罚畸轻畸重;不按规定监督行政处罚决定的执行。
(四)实施强制措施时不及时采取或不采取强制措施,影响行政处罚案件的正常办理;滥用强制措施;不依法定程序采取行政强制措施;实施强制措施不出具有效的执法文书。
(五)罚没财物管理方面擅自截留、挪用、私分、私放、出借罚没财物或者变价款;擅自处理罚没财物;将罚没财物变相低价处理给当事人。
(六)行政审批过程中,故意刁难,有勒、拿、卡、要、报等违法行为;利用审批手续的名义,多收费、乱收费。
由于质量技术监督局集行政执法和行政审批的职能于一身,还有行政处罚的权利,因此,以上六类岗位风险成为我局廉政风险防控体系建设必须重视和解决的特殊任务。
二、岗位风险等级划分标准根据腐败产生的影响恶劣程度,将各个岗位的风险划分为三级:出现风险严重威胁人民生命健康安全、造成巨大经济损失、产生极其恶劣影响的是一级,由各级质监局局党组、纪检监察部门负责处置并承担重点监控责任;出现风险威胁人民生命健康安全、造成经济损失、产生恶劣影响是二级,由各级分管领导、纪检组、部门负责人监控;出现风险有可能威胁人民生命健康安全、有可能造成经济损失、有可能产生恶劣影响的为三级,由部门领导随时监控;其余岗位、人员和常态事项是无风险级别,按照常态进行防范管理,由各岗位工作人员自觉遵守履行。
质监分局岗位廉政风险防范预案【质监分局岗位廉政风险防范预案】第一部分总则为进一步加大质监分局的廉政建设力度,杜绝廉政风险,保障机关工作正常、规范、高效开展,制定本预案。
第二部分预防廉政风险的措施一、制定规章制度1.制定《质监分局廉政建设规定》。
明确各级领导和工作人员在廉政建设方面的职责和义务,规范工作行为和管理。
2.建立健全机关内部管理制度。
制定并严格执行审批权力清单、财务管理制度、采购管理制度以及人事管理制度、干部选拔任用制度、监督检查制度等,做到规范、透明、公开化。
3.“三重一大”项目严格审批。
对工程建设、招标采购、重要会议、公务用车等“三重一大”项目必须进行严格审批,确保权力不被滥用。
二、加强制度宣传1.增强宣传教育的力度。
通过集中学习、讲座、宣传海报、网络宣传等各种形式,使工作人员始终牢记廉政建设的重要性。
2.设立廉政宣传栏。
在机关内部设立廉政公示栏和财务公示栏,向工作人员和社会公众公开机关的信息,实现公开透明。
三、加强考核监督1.设立考核机制。
根据“三公”经费使用、公务用车管理、国有资产管理等方面的规定,建立考核机制,将行为规范纳入考核范畴。
2.开展监督检查。
加大对决算审计、财务审计、审计长约谈等监督检查的力度,对工作人员进行规范化评价,对存在廉政风险的单位或个人及时纠正。
四、建立廉政警示教育平台1.建立恶劣案例点名道姓警示制度。
针对违反廉政规定、存在不正之风问题的同志和单位,采取点名道姓、曝光警示的形式进行警诫。
2.开展廉政教育。
加强对工作人员的廉政教育,组织开展廉政文化活动,加强法制意识教育,提高工作人员的廉洁意识和责任感,做到始终经受住各种诱惑。
第三部分应急处置预案一、廉政突发事件的应急处置1.建立应急预案。
制定应急预案,对可能出现的廉政突发事件进行危机分析,预先安排灾后处置措施。
2.建立应急指挥中心。
设立应急指挥中心,按照预案组织应急抢险工作,做到快速、高效、有序。
3.及时向上级汇报。