八路抢答器 原理图 PCB
- 格式:pdf
- 大小:154.34 KB
- 文档页数:27
八路抢答器设计(PCB排线图+电路原理图)-课程设计八路抢答器设计(PCB排线图+电路原理图)此次课程设计中,我们组由三位同学组成,每个人都投入了最大的热情和精力,从设计电路图,选择元器件,去电子市场买零件,焊接电路板,每一个过程都经过了大家的共同探讨,其过程中出现了不少的问题,我们没有气馁,没有退缩,积极向老师和同学请教,并且一遍又一遍的重复实践,直到我们期望的结果实现。
事实也证明我们的努力没有白费,认真严谨的实习态度给我们带来了成功的喜悦!这次课程设计,留给我印象最深的是要设计一个成功的电路,必须要有耐心,要有坚持的毅力。
在整个电路的设计过程中,花费时间最多的是各个单元电路的连接及电路的细节设计上,如CP脉冲的供给通断,到计时电路的零时刻锁存,和抢答器的选手号锁存等。
在多种方案的选择中,我们仔细比较分析其原理以及可行的原因。
并且使我深刻的体会到在设计过程中,需要反复实践,其过程很可能相当烦琐,有时花很长时间设计出来的电路还是需要重做,那时心中未免有点灰心,有时还特别想放弃,此时更加需要静下心,查找原因。
设计思路是最重要的,只要你的设计思路是成功的,那你的设计已经成功了一半。
因此我们应该在设计前做好充分的准备,像查找详细的资料,为我们设计的成功打下坚实的基础。
制作过程是一个考验人耐心的过程,不能有丝毫的急躁,马虎,对电路的调试要一步一步来,不能急躁,因为是在电脑上调试,比较慢,又要求我们有一个比较正确的调试方法,又要我们要灵活处理,在不影响试验的前提下可以加快进度。
要熟练地掌握课本上的知识,这样才能对试验中出现的问题进行分析解决。
通过这次电子系统设计,我们掌握了设计一个数字电路的基本方法和基本步骤,实际解决了设计中出现的问题,增强了寻找问题,解决问题的能力。
培养了我的设计思维,增加了实际操作能力。
此次电子设计的成功不仅帮助我们更好地掌握书本知识,尤其重要的是增强了我们的自信,培养了我们独立思考的能力!最后,感谢贾雅琼老师为我们提供这次的实习机会和悉心的指导。
八路数字抢答器电路的设计一、概述本文这次设计的是用与多人竞赛抢答的器件,在现实生活中很常见,尤其是在随着各种益智电视节目的不断发展,越来越多的竞赛抢答器被用在了其中,抢答器的好处不仅能够锻炼选手的反应能力,而且能增加节目现场的紧张、活跃的气氛,让观众看得更有情趣,可见抢答器在现实生活中确实很实用运用前景非常广泛。
在知识竞赛中,特别是做抢答题时在抢答过程中,为了知道哪一组或哪一位选手先答题,必须要有一个系统来完成这个任务,如果在抢答中,只靠人的视觉是很难判断出哪组先答题,这次设计就是用几个触发器以及三极管巧妙的设计抢答器,是以上问题得以解决。
即使两组的时间相差几微妙,也可以分辨出哪组优先抢答。
本文介绍了抢答器的工作原理及设计,以及它的实际用途。
这个抢答器具有锁存显示功能,有主持人控制电路开始,有定时抢答的功能,定时时间为30秒,如在时间内无人抢答系统报警并禁止抢答,定时显示器上显示00.二、方案论证该方案的主要功能是抢答功能、显示抢答成功的选手编号、定时功能。
该方案的原理框图如图1。
图1 八路数字抢答器电路的原理框图按功能要求,抢答器应该由抢答电路、控制电路、锁存电路、译码显示电路、定时电路和报警电路等几部分组成。
其中抢答电路的作用是在外加信号的控制下对抢答者的输入信号进行编码,编码后经锁存电路锁存并送译码显示电路显示出抢答者的编号。
另外,优先编码的优先扩展输出端还可以作为定时电路的控制信号,即当一个抢答者在30秒之内按下抢答按钮时,其余人的强大输入将无效,并且秒计数器也随之停止计数。
这样,当主持人按下开始按钮时,外部清除/起始信号进入门控电路,产生编码选通信号,使编码器开始工作,等待数据输入。
此时一旦强打着按下按钮,则产生的低电平信号立即被优先编码器编码,经过锁存电路锁存并通过显示译码器到LED显示器上显示相应数字,同时发出声音报警。
与此同时,门控电路的输出反相,优先编码电路被禁止工作,知道主持人再次按下开始按钮才进入下一次抢答三、电路设计该设计由秒脉冲发生电路、抢答电路、定时器电路、报警电路等几部分组成。
题目智力竞赛八路抢答器电路设计班级 09无非<一>班学号 200910210101 姓名代让让指导严君美时间 2011-6-8 景德镇陶瓷学院电工电子技术课程设计任务书姓名:Ethan 班级:无非(一)班指导老师:严老师设计课题:智力竞赛八路抢答器的电路设计设计任务与要求设计任务:⒈设计一个智力竞赛抢答器,可同时供8名选手或8个代表队参加比赛,他们的编号分别是1、2、3、4、5、6、7、8,各用一个抢答按钮,按钮的编号与选手的编号相对应,分别是SB1、SB2、SB3、SB4、SB5、SB6、SB7、SB8。
⒉给节目主持人设置一个控制开关,用来控制系统的清零和抢答的开始。
⒊抢答器具有数据锁存和显示的功能。
抢答开始后,当有选手按动抢答按钮,编号立即锁存,并在LED数码管上显示出选手的编号,同时蜂鸣器给出音响提示。
此外,要封锁输入电路,禁止其他选手抢答。
优先抢答选手的编号一直保持到主持人将系统清零为止。
4.用中小规模集成电路组成智力竞赛抢答器电路,画出各单元电路图和总体逻辑框图,正确描述各单元功能,合理选用电路器件,画出完整的电路设计图以及写出设计总结报告。
设计要求:⒈抢答器具有定时抢答的功能,且一次抢答的时间可以由主持人设定(如30s)。
当节目主持人启动“开始”键后,要求定时器立即减计时,并用显示器显示,同时蜂鸣器发出声响。
⒉参赛选手在设定的时间内抢答,抢答有效,定时器停止工作,显示器上显示选手的编号和抢答时刻的时间,并保持到主持人将系统清零为止。
⒊如果定时抢答的时间已到,却没有选手抢答时,本次抢答无效,系统短暂报警,并封锁输入电路,禁止选手超时后抢答,时间显示器上显示00。
设计步骤1、查阅相关资料,开始撰写设计说明书;2、先给出总体方案并对工作原理进行大致的说明;3、依次对各部分分别给出单元电路,并进行相应的原理、参数分析计算、功能以及与其他部分电路的关系等等说明;4、总体电路的绘制及总体电路原理相关说明;5、列出标准的元件清单;6、列出设计中所涉及的所有参考文献资料。
电子系统课程设计姓名:___________ 周康学号:___________ 24号_______________专业班级:_________ 嵌入式10指导教师:一=朱水金设计题目:八路抢答器完成时间:2013年07月01日功能(20%实训(60%设计报告(20%总评简易难度(10%控制方式(10%原理图(10%装配图(10%元器件焊接(10%自控质量(10%功能实现(10%质量评估(10%格式(5%内容(15%应用科学学院电子系统课程设计数字抢答器由主体电路与扩展电路组成。
用控制电路和主持人开关启动报警电路,以上两部分组成主体电路。
通过定时电路和译码电路将秒脉冲产生的信号在显示器上输出实现计时功能,构成扩展电路。
经过布线、焊接、调试等工作后数字抢答器成形。
单片机体积小价格低,应用方便,稳定可靠。
单片机系统的硬件结构给予了抢答系统“身躯”,而单片机的应用程序赋予了其新的“生命”,使其在传统的抢答器面前具有电路简单、成本低、运行可靠等特色。
关键字:抢答电路报警电路倒计时电路目录第一章八路抢答器的概述及制作要求 (4)1.1 数字抢答器的概述 (4)1.2 设计任务与要求 (4)第二章单片机芯片的选择及抢答器方案 (5)2.1单片机芯片的选择 (5)2.2模块性能分析 (7)第三章硬件电路设计 (8)3.1总体设计 (8)3.2外部振荡电路 (9)3.3复位电路的设计 (9)3.4显示电路的设计 (9)3.5按钮输入电路的设计 (9)3.6报警电路的设计 (9)第四章系统软件设计 (12)4.1抢答器流程图 (12)4.2抢答器程序 (12)-1 -第五章产品的样品 (25)4.1实物图 (12)4.2 PCB 版图 (12)4.1实物焊接图 (12)结束语 (25)参考文献 (28)引言:单片机的发展史单片机诞生于20世纪70年代末,经历了SCM MCU SoC三大阶段。
1.SCM即单片微型计算机(Single Chip Microcomputer )阶段,主要是寻求最佳的单片形态嵌入式系统的最佳体系结构。
数字电路课程设计报告8路数字抢答器1.概述抢答器同时供8名选手或8个代表队比赛,分别用8个按钮S0 ~ S7表示。
另外设置系统清除开关一个,该开关由主持人控制。
抢答器具有锁存与显示功能。
即选手按动按钮,锁存相应的编号,扬声器发出声响提示,并在七段数码管上显示选手号码。
选手抢答实行优先锁存,优先抢答选手的编号一直保持到主持人将系统清零为止。
当主持人按下清除键后,参赛选手可以进行抢答,同时倒计时电路开始倒计时,抢答有效时,红灯亮,倒计时停止,显示器上显示选手的编号,并保持到主持人将系统清零为止。
2、8路数字抢答器各主要芯片介绍2.1、74LS14874LS148是一个8线—3线优先编码器。
74LS148外部管脚图、真值表如图所示:图一 74ls148 真值表由表不难看出,在0=S 电路正常工作状态下,允许70~I I 当中同时有几个输入端同时为低电平,即有编码输入信号。
7I 的优先权最高,0I 的优先权最低。
当07=I 时,无论其它输入端有无输入信号(表中以x 表示),输出端只给出7I 的编码,即000012=Y Y Y ,当74LS148的功能表输 入输 出S0I 1I 2I 3I 4I 5I 6I 7I2Y 1Y 0Y S Y EX Y1 0 0 0 0 0 0 0 0 0 x x x x x x x x 1 1 1 1 1 1 1 1 x x x x x x x 0 x x x x x x 0 1 x x x x x 0 1 1 x x x x 0 1 1 1 x x x 0 1 1 1 1 x x 0 1 1 1 1 1 x 0 1 1 1 1 1 1 0 1 1 1 1 1 1 1 1 1 1 1 1 1 1 1 0 1 0 0 0 1 0 0 0 1 1 0 0 1 0 1 0 0 1 1 1 0 1 0 0 1 0 1 0 1 1 0 1 1 0 1 0 1 1 1 1 0U CC Y EX Y S I 3 I 2 I 1 I 0 Y 0I 4I 5I 6I7S Y 2Y 1GND 图2 74LS148管脚图16 9 74LS148 1 80167==I I 、时,无论其它输入端有无输入信号,只对6I 编码,即输出为001012=Y Y Y 。
1 前言1.1主要功能介绍(1)抢答器最多可供8名选手参赛,编号为1~8号,各队分别用一个按钮(分别为S1~S8)控制,并设置一个系统清零和抢答控制开关S,该开关由主持人控制。
(2)抢答器具有数据锁存功能,并将锁存数据用LED数码管显示出来,同时蜂鸣器发出间歇式声响(持续时间为0.5秒),主持人清零后,声音提示停止。
(3)开关S作为清零及抢答控制开关(由主持人控制),当开关S被按下时抢答电路清零,松开后则允许抢答。
输入抢答信号由抢答按钮开关S1~S8实现。
(4)有抢答信号输入(开关S1~S8中的任意一个开关被按下)时,并显示出相对应的组别号码。
此时再按其他任何一个抢答器开关均无效,指示灯依旧“保持” 第一个开关按下时所对应的状态不变。
1.2扩展功能介绍(1)抢答器具有定时抢答的功能,且一次抢答的时间可以由主持人设定(如30秒)。
当节目主持人启动“开始”键后,要求定时器立即减计时,并用显示器显示,同时扬声器发出短暂的声响,声响持续时间0.5秒左右。
(2)参加选手在设定的时间内抢答,抢答有效,定时器停止工作,显示上显示选手的编号和抢答时刻的时间,并保持到主持人将系统清零为止。
(3)如果定时抢答的时间已到,却没有选手抢答时,本次抢答无效,系统短暂报警,并封锁输入电路,禁止选手超时后抢答,时间显示器上显示00。
(4)当选手抢答完后,主持人可根据相关题的加减分对选手进行加分或减分。
2总体方案设计此次课程设计我们有两套方案一是硬件部分主要由单片机、74LS373锁存器、LED显示器、声音报警器和其它基本外围电子电路组成软件部分则采用51系列单片机通用C语言精心设计编写。
它所具有的功能包括:抢答器同时供8名选手或8个代表队比赛,当开关S按下,抢答器发出0.5秒的报警声系统开始进行计时,选手可进行抢答,当计时30秒之后若没人抢答,则系统发出警报并禁止抢答,定时显示数码管上显示00字样,之后等待开关S按下,系统复位;若在30秒内有选手进行抢答,此时扬声器会发出3秒时间的警报,同时在定时显示数码管上显示选手抢答时间(以秒为最小单位),编号显示数码管上显示抢答选手编号,显示器上的状态直到开关S按下将系统复位为止;系统复位时所有的数码管不显示任何的数据。
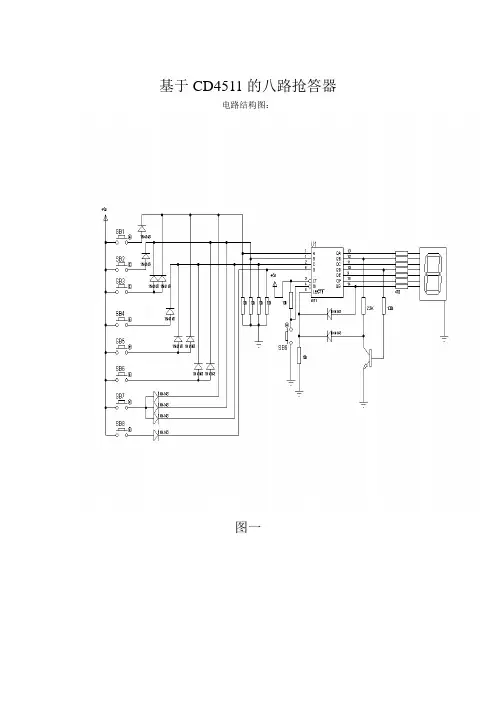
基于CD4511的八路抢答器电路结构图:图一以下图二、图三为图一的放大图:图二图三本制作是一个简易实用的8路数字显示抢答器,图一为该抢答器的核心部分,包括抢答、编码、优先、锁存、数显及复位等电路。
所用的原件除集成电路CD4511,还有14只IN4148二极管,一只9014(NPN)三极管;15只电阻,9只按键开关,SB1~SB8为抢答键,SB9为复位键,LED数码管为0.5英寸的共阴极数码管。
其中7只470欧姆的电阻为限流电阻;CD4511是一块含BCD——七段锁存/译码/驱动电路于一体的集成电路;CD4511的1、2、6、7脚为BCD码输入端,第9~15脚为显示输出端。
第3脚为测试端(LT),当LT为“0”时,输出全为"1"。
第4脚为消隐端(BI),当BI 为“0”时,输出全为“0”,显然此时还有可清除锁存器内的数值。
第5脚为锁存允许端(LE),当LE由“0”变到“1”时,a b c d e f g 七个输出端保持在LE为“0”时所加BCD码对应的数码显示状态。
第8脚接地,第16脚接电。
图四:CD4511图五:数码管的引脚图图六:9014的引脚图图七:二极管IN4148的管脚二:抢答器的讯响电路:图八:抢答器的讯响电路图九:555的管脚图其中R1=R2=10K,扬声器通过100uf的电容器接在555的3脚与地之间,4只二极管分别接CD4511的1 2 6 7 引脚。
任何抢答按键按下,讯响电路都能振荡发出讯响声。
只要整个电路元件良好,装备无误,本制作一般不必调试,当电路通电,按下任何一抢答按键不动,听到扬声器发出讯响声,把电源电压稍作调整(8v左右),使声音悦耳、音量适当即可。
(2)定时电路图11、3 可预置时间的定时电路由节目主持人根据抢答题的难易程度,设定一次抢答的时间,通过预置时间电路对计数器进行预置,计数器的时钟脉冲由秒脉冲电路提供。
可预置时间的电路选用十进制同步加减计数器74LS192进行设计,具体电路如图11、3所示。
(3)报警电路由555定时器和三极管构成的报警电路如图11、4所示。
其中555构成多谐振荡器,振荡频率fo=1.43/[(RI+2R2)C],其输出信号经三极管推动扬声器。
PR为控制信号,当PR为高电平时,多谐振荡器工作,反之,电路停振。
图11、4 报警电路(4)时序控制电路时序控制电路是抢答器设计的关键,它要完成以下三项功能:①主持人将控制开关拨到"开始"位置时,扬声器发声,抢答电路和定时电路进人正常抢答工作状态。
②当参赛选手按动抢答键时,扬声器发声,抢答电路和定时电路停止工作。
作者:未知发表日期:2006-2-25 10:46:01 点击:1858次一、设计任务与要求1. 抢答器同时供8名选手或8个代表队比赛,分别用8个按钮S0 ~ S7表示。
2. 设置一个系统清除和抢答控制开关S,该开关由主持人控制。
3. 抢答器具有锁存与显示功能。
即选手按动按钮,锁存相应的编号,并在LED数码管上显示,同时扬声器发出报警声响提示。
选手抢答实行优先锁存,优先抢答选手的编号一直保持到主持人将系统清除为止。
4. 抢答器具有定时抢答功能,且一次抢答的时间由主持人设定(如30秒)。
当主持人启动"开始"键后,定时器进行减计时,同时扬声器发出短暂的声响,声响持续的时间0.5秒左右。
5. 参赛选手在设定的时间内进行抢答,抢答有效,定时器停止工作,显示器上显示选手的编号和抢答的时间,并保持到主持人将系统清除为止。
6. 如果定时时间已到,无人抢答,本次抢答无效,系统报警并禁止抢答,定时显示器上显示00。
二、预习要求1.复习编码器、十进制加/减计数器的工作原理。
实验三:8路抢答器电路层次原理图的绘制
请根据要求,分别画出8路抢答器电路的各个子图,然后做出8路抢答器电路的层次原理图。
要求自动标识元器件并进行电气规则检查。
8路抢答器电路的各个子图的原理图如图1到图5所示。
图1 复位子模块电路
图2 单片机模块电路
图3 晶振子电路模块
图4 电源子模块电路
图5 蜂鸣器子模块电路
实验报告要包含题目、实验目的、实验仪器、实验内容、实验要求、实验结果和小结这几部分内容,具体如下:
实验二:8路抢答器电路层次原理图的绘制
1)实验目的:
①通过学习和实践,掌握简单的层次原理图设计方法;
②掌握如何对原理图进行电气规则检查,如何生成网络表和元器件采购清单,以及如何打印输出原理图。
2) 实验仪器设备:计算机
3) 实验内容:
①设计一个可交流供电的8路抢答器电路;
②绘制该电路的层次原理图,并对原理图进行电气规则检查,生成网络表、元件采购报表、最后打印输出原理图。
4)实验要求:
①采用自下往上的方法进行层次原理图设计;
②原理图要自动标识元器件,进行电气规则检查,生成网络表、元件采购报表;
③完成实验报告,内容包括:实验题目、实验目的、实验仪器设备、实验内容、实验要求、8路抢答器各子模块电路的原理图及层次原理图的母图、生成的网络表、元件采购报表、实验的总结和结论。
5)实验结果
实验结果如附件中图1到。
所示。
6)小结。
1 前言1.1主要功能介绍(1)抢答器最多可供8名选手参赛,编号为1~8号,各队分别用一个按钮(分别为S1~S8)控制,并设置一个系统清零和抢答控制开关S,该开关由主持人控制。
(2)抢答器具有数据锁存功能,并将锁存数据用LED数码管显示出来,同时蜂鸣器发出间歇式声响(持续时间为0.5秒),主持人清零后,声音提示停止。
(3)开关S作为清零及抢答控制开关(由主持人控制),当开关S被按下时抢答电路清零,松开后则允许抢答。
输入抢答信号由抢答按钮开关S1~S8实现。
(4)有抢答信号输入(开关S1~S8中的任意一个开关被按下)时,并显示出相对应的组别。
此时再按其他任何一个抢答器开关均无效,指示灯依旧“保持” 第一个开关按下时所对应的状态不变。
1.2扩展功能介绍(1)抢答器具有定时抢答的功能,且一次抢答的时间可以由主持人设定(如30秒)。
当节目主持人启动“开始”键后,要求定时器立即减计时,并用显示器显示,同时扬声器发出短暂的声响,声响持续时间0.5秒左右。
(2)参加选手在设定的时间抢答,抢答有效,定时器停止工作,显示上显示选手的编号和抢答时刻的时间,并保持到主持人将系统清零为止。
(3)如果定时抢答的时间已到,却没有选手抢答时,本次抢答无效,系统短暂报警,并封锁输入电路,禁止选手超时后抢答,时间显示器上显示00。
(4)当选手抢答完后,主持人可根据相关题的加减分对选手进行加分或减分。
2总体方案设计此次课程设计我们有两套方案一是硬件部分主要由单片机、74LS373锁存器、LED显示器、声音报警器和其它基本外围电子电路组成软件部分则采用51系列单片机通用C语言精心设计编写。
它所具有的功能包括:抢答器同时供8名选手或8个代表队比赛,当开关S按下,抢答器发出0.5秒的报警声系统开始进行计时,选手可进行抢答,当计时30秒之后若没人抢答,则系统发出警报并禁止抢答,定时显示数码管上显示00字样,之后等待开关S按下,系统复位;若在30秒有选手进行抢答,此时扬声器会发出3秒时间的警报,同时在定时显示数码管上显示选手抢答时间(以秒为最小单位),编号显示数码管上显示抢答选手编号,显示器上的状态直到开关S按下将系统复位为止;系统复位时所有的数码管不显示任何的数据。
摘要介绍了数码显示八路抢答器电路的组成、设计及功能,电路采用74系列常用集成电路进行设计。
该抢答器除具有基本的抢答功能外,还具有定时、记分和报警功能。
主持人通过复位控制开关,可以对数码管清零和复位,进行下一轮的抢答环节,通过其他数码管可以跟踪记录各个参加队的比分情况。
该抢答器主要运用到了编码器,译码器和锁存器,运用4511的译码和锁存功能来实现抢答器的选号,采用74LS190和74LS00芯片实现参赛队的比分增减,随时记录参赛队的比赛成绩。
通过课程设计提高和巩固了所学的专业知识,此外还提高了焊接技术和综合运用能力。
关键词:抢答器;编码;译码;记分;报警AbstractIntroduces the digital display eight-way responder circuit composition, function and design of integrated circuit to carry on the design commonly used circuit with 74 series. The buzzer in addition to the basic vies to answer first function, also has the timing, scoring and alarm function. Host through the reduction and control switch, digital tube can be reset and reset, in the next round of vies to answer first link, through digital tube can track each other team's score.The buzzer is mainly applied to the encoder, decoder and latch, using 4511 decoder and latch function to realize the buzzer pick, using 74 ls190 and 74 ls00 chip implementation team score, record the results of the competition team at any time.Learned through courses designed to improve and consolidate the professional knowledge, but also improves the welding technology and comprehensive utilization ability.Key words: buzzer; Coding; Decoding; Score; Call the police目录引言 (1)1课程设计任务及要求 (2)1.1设计任务 (2)1.2设计要求 (2)2 系统设计 (2)2.1方案论证 (2)2.2系统设计 (3)2.2.1结构框图及说明 (3)2.3 系统原理图及工作原理 (4)2.3.1 八路抢答器抢答模块系统原理设计 (4)2.3.2 八路抢答器记分模块系统原理设计 (6)3 电路仿真与测试 (10)3.1 八路抢答器抢答模块仿真测试图 (10)3.1.1八路抢答器抢答模块开始时仿真测试图 (10)3.1.2 八路抢答器抢答模块工作时仿真测试图 (10)3.2八路抢答器记分模块仿真测试图 (11)3.2.1八路抢答器记分模块开始时仿真测试图 (11)3.2.2八路抢答器记分模块工作时仿真测试图 (11)3.3八路抢答器整体电路图 (12)4 安装调试 (12)4.1 安装调试过程 (12)4.2 故障分析 (13)5 实验材料清单 (14)6 心得体会 (14)参考文献 (15)八路抢答器课程设计引言随着社会不断的发展,电子技术也得到了飞速发展,各种电子产品的质量也得到了质的突飞猛进。