雨水管道安装隐蔽验收记录
- 格式:docx
- 大小:780.97 KB
- 文档页数:27
给排水雨水管隐蔽工程验收记录一、项目背景给排水雨水管隐蔽工程验收记录是在给排水工程竣工阶段进行的一项重要工作。
通过验收记录的编写和归档,旨在对整个给排水雨水管隐蔽工程的施工质量进行评估和记录,为后续保修和日常维护工作提供参考依据。
本文将详细介绍给排水雨水管隐蔽工程验收的内容和步骤。
二、验收对象本次验收的对象是给排水雨水管道的隐蔽工程。
主要包括水源地、冷、热水、生活、消防、循环水管道等。
验收内容主要包括管道的材料、安装质量、施工工艺及验收步骤。
三、验收内容和步骤1. 材料验收材料验收应根据设计文件和施工图纸,对给排水雨水管道所使用的材料进行检查。
包括管道、管件、密封材料等。
验收时应查看材料的质量合格证、执行标准、检验报告等相关资料。
对于有损坏或瑕疵的材料,应予以退货,并记录在验收记录中。
2. 安装质量验收安装质量验收是对给排水雨水管道的安装工艺和细节进行检查和评估。
验收人员应仔细查看管道的连接方式和焊接质量,确保连接牢固、无渗漏。
对于焊接部位的质量问题,应要求施工方进行排查和整改。
同时,还需要检查管道的坡度和水平度,确保符合设计要求。
3. 施工工艺验收施工工艺验收主要是对给排水雨水管道的施工过程和工艺要求进行检查。
包括开挖、支架安装、埋设管道、回填等。
验收人员应根据施工图纸和设计要求,检查施工质量和施工过程中的注意事项是否符合规定。
同时,还需要对管道的标识和防腐处理进行检查。
四、验收结果记录在给排水雨水管隐蔽工程验收过程中,验收人员应详细记录每一步的验收结果。
包括已通过验收的部分、发现的问题及整改情况等。
记录时应注明时间、地点、人员等相关信息。
若发现问题,应指明问题的性质、位置和程度,并要求施工方进行整改。
整改完成后,验收人员需要重新进行检查,确保问题得到解决。
五、验收报告和归档根据给排水雨水管隐蔽工程验收记录,验收人员需编写一份验收报告。
报告应包括验收的整体情况、存在的问题及整改情况、验收结论等内容。
给水管道及配件安装隐蔽验收记录隐蔽验收记录日期:XXXX年X月X日项目名称:XXXXX工程安装单位:XXXXX公司施工负责人:XXXXX监理单位:XXXXX公司监理工程师:XXXXX一、前言为确保给水管道及配件的安装质量,按照相关规范和要求,进行了隐蔽验收。
本记录旨在记录验收过程中的关键环节、问题及处理情况,以供参考和备案。
二、验收范围本次隐蔽验收主要针对给水管道及配件的安装情况进行检查,包括水源管道、分支管道、阀门、接头等。
三、验收内容1. 水源管道安装根据设计要求,水源管道应采用XXX材质,保证管道的密封性和耐压性。
经验收,水源管道安装质量符合要求,无渗漏现象。
2. 分支管道安装分支管道应按照设计方案进行布置,确保管道的坡度、支撑等符合要求。
经验收,分支管道安装位置合理,管道坡度符合规范要求。
3. 阀门安装阀门的选择应符合设计要求,并安装在合适的位置,以便进行操作和维护。
经验收,阀门种类齐全,安装位置正确,操作灵活。
4. 接头安装接头的安装应牢固可靠,确保管道的连接紧密。
经验收,接头安装牢固,无松动现象。
四、存在问题及处理情况1. 部分阀门密封性不足经验收发现,部分阀门密封性不足,存在少量渗漏现象。
施工负责人立即组织工人更换了密封垫片,确保了阀门的正常使用。
2. 分支管道坡度不够部分分支管道的坡度不够,无法保证水流的畅通。
施工负责人与监理工程师讨论后,决定重新调整分支管道的坡度,并进行了相应的改正。
五、结论通过本次隐蔽验收,给水管道及配件的安装质量达到了设计要求,并及时处理了存在的问题,保证了管道系统的正常运行。
施工单位将继续按照相关规范和要求进行后续工作,确保工程质量的稳定和可靠。
六、附录本次隐蔽验收记录包括但不限于以下附件:1. 给水管道安装图纸2. 施工单位人员资质证明3. 施工单位工程质量报告4. 监理单位意见及验收签字以上为给水管道及配件安装隐蔽验收记录的内容。
通过本次验收,我们对给水管道及配件的安装质量有了全面的了解,并及时处理了存在的问题,确保了工程的顺利进行。
编号:T03-37-02-001 YBJLⅠ-8-1
编号:T03-37-02-002YBJLⅠ-8-1
编号:T03-37-02-003YBJLⅠ-8-1
隐蔽工程验收记录
(雨水管道安装工程)
编号:T03-37-02-004 YBJLⅠ-8-1
隐蔽工程验收记录
(雨水管道安装工程)
编号:T03-37-02-005YBJLⅠ-8-1
隐蔽工程验收记录
(雨水管道安装工程)
编号:T03-37-02-006YBJLⅠ-8-1
隐蔽工程验收记录
(雨水管道安装工程)
编号:T03-37-02-007YBJLⅠ-8-1
隐蔽工程验收记录
(雨水管道安装工程)
编号:T03-37-02-008YBJLⅠ-8-1
隐蔽工程验收记录
编号:T03-37-02-009YBJLⅠ-8-1
隐蔽工程验收记录
隐蔽工程验收记录(雨水管道安装工程)
隐蔽工程验收记录
(雨水管道安装工程)
编号:T03-37-02-012YBJLⅠ-8-1
隐蔽工程验收记录
(雨水管道安装工程)
编号:T03-37-02-013 YBJLⅠ-8-1
隐蔽工程验收记录
(雨水管道安装工程)
编号:T03-37-02-014 YBJLⅠ-8-1
隐蔽工程验收记录
(雨水管道安装工程)
编号:T03-37-02-015 YBJLⅠ-8-1
隐蔽工程验收记录
(雨水管道安装工程)
编号:T03-37-02-016 YBJLⅠ-8-1
隐蔽工程验收记录
(雨水管道安装工程)
编号:T03-37-02-017 YBJLⅠ-8-1。
室内雨水安装报验申请表
工程名称:深圳观澜湖高尔夫大宅丽维康区五期LB’型别墅LB’1 GD2202004□□
深圳市建设局、深圳市档案局监制深圳市文档服务中心印制
雨水管安装蔽工程验收记录
深圳市建设局、深圳市档案局监制深圳市文档服务中心印制
排水管道安装隐蔽工程验收记录
深圳市建设局、深圳市档案局监制深圳市文档服务中心印制
雨水管道及配件安装工程检验批质量验收记录表
GB 50242—2002
深圳市建设局、深圳市档案局监制深圳市文档服务中心印制
室内排水管道灌水试验及通水试验记录表
GB 50242—2002
室内排水管道及配件安装工程检验批质量验收记录表
GB 50242—2002
深圳市建设局、深圳市档案局监制深圳市文档服务中心印制
室内排水管道灌水试验及通水试验记录表
GB 50242-2002
深圳市建设局、深圳市档案局监制深圳市文档服务中心印制
室内给水管道安装隐蔽工程验收记录
室内给水管道及配件安装工程检验批质量验收记录表
GB50242—2002
深圳市建设局、深圳市档案局监制深圳市文档服务中心印制
管道(设备)水压试验记录。
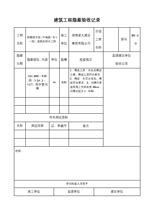
工程名称映霞路市政(中轴路~东十一线)道路及排水工程施工单位湖南星大建设集团有限公司分项工程名称图号BG-4-3隐蔽日期隐蔽部位、内容单位数量检查情况监理建设单位验收记录K3+300~520段(Y14-1~Y17)雨水管沟槽m 3201、槽底土质:未扰动槽底土壤,槽底土质符合要求。
2、槽底:未受水浸泡,槽底符合要求。
3、沟槽内管道两侧工作面各宽30cm,沟槽边坡为1︰0.33。
有关测试资料名称测试结果证、单编号备注附图:参加检查人员签字施工单位监理单位建设单位项目技术负责人:监理工程师:现场代表:工程名称映霞路市政(中轴路~东十一线)道路及排水工程施工单位湖南星大建设集团有限公司分项工程名称图号BG-4-3隐蔽日期隐蔽部位、内容单位数量检查情况监理建设单位验收记录K3+300~520段(Y14-1~Y17)雨水管基础m 3201、管道沟槽:全过程中未浸泡水,管道沟槽符合要求。
2、管道基础砂垫层:管道基础砂垫层密实平整,符合要求。
有关测试资料名称测试结果证、单编号备注附图:参加检查人员签字施工单位监理单位建设单位项目技术负责人:监理工程师:现场代表:工程名称映霞路市政(中轴路~东十一线)道路及排水工程施工单位湖南星大建设集团有限公司分项工程名称图号BG-4-3隐蔽日期隐蔽部位、内容单位数量检查情况监理建设单位验收记录K3+300~520段(Y14-1~Y17)雨水管安装m 3201、管道安装前:a、管材类型、规格符合要求,有产品合格证;b、管材无破损、裂缝及明显缺陷,符合要求;c、接口用的管套与管材规格配套,有产品合格证,符合要求。
2、下管安装:槽内无积水,下管安装符合要求。
3、管道安装完毕:按规定进行高程复测和外观检查,符合要求。
有关测试资料名称测试结果证、单编号备注附图:参加检查人员签字施工单位监理单位建设单位项目技术负责人:监理工程师:现场代表:工程名称映霞路市政(中轴路~东十一线)道路及排水工程施工单位湖南星大建设集团有限公司分项工程名称图号BG-4-3隐蔽日期隐蔽部位、内容单位数量检查情况监理建设单位验收记录K3+300~520段(Y14-1~Y17)雨水管连接m 3201宽度厚度符合设计要求,其相邻管接口允许偏差范围以内。
市政工程隐蔽验收记录项目名称:XXXXXXXX市A路改造工程验收日期:XXXX年XX月XX日一、验收记录1. 建设单位:XXXX有限公司2. 监理单位:XXXX工程监理有限公司3. 施工单位:XXXX建筑工程有限公司二、隐蔽验收内容根据相关的施工规范和设计要求,对以下隐蔽工程进行了验收,并记录如下:1. 排水系统(1)排水管道:使用规格为XXX的PVC管道,安装过程中无漏水、渗水现象,连接牢固。
(2)雨水口:按照设计要求,设置了足够数量和位置合理的雨水口,并进行了密封处理。
2. 给水系统(1)供水管道:采用直径为XXX的钢管,管道表面光滑,无严重锈蚀、破损等情况。
(2)水表井:水表井设置合理,井盖固定完好,无渗水现象。
3. 发电系统(1)发电机组:发电机组功率满足设计要求,启动运行正常,无异常噪音、振动等现象。
(2)配电箱:配电箱安装牢固,电缆连接无松动,防火措施完备。
4. 通信系统(1)光缆敷设:光缆敷设符合设计要求,敷设过程中无损坏、弯折等情况。
(2)通信设备安装:通信设备安装工整,线缆连接牢固,设备运行正常。
5. 公共设施(1)路灯设置:路灯设置位置合理,灯具无损坏,照明效果良好。
(2)交通标志牌:交通标志牌安装牢固,反光效果良好。
根据以上隐蔽验收记录,发现工程各项隐蔽工程符合设计要求和相关规范,无质量问题。
经评定,本次隐蔽验收合格。
四、建议和意见在后续施工和验收过程中,建议各单位严格按照设计要求和规范执行工程,确保工程质量,避免出现质量问题。
以上内容为市政工程隐蔽验收记录,经仔细核查确认无误。
建设单位:监理单位:签章:签章:日期:日期:。
编号:T03-37-02-001 YBJLⅠ-8-1
编号:T03-37-02-002 YBJLⅠ-8-1
编号:T03-37-02-003 YBJLⅠ-8-1
编号:T03-37-02-004 YBJLⅠ-8-1
编号:T03-37-02-005 YBJLⅠ-8-1
编号:T03-37-02-006 YBJLⅠ-8-1
隐蔽工程验收记录
(雨水管道安装工程)
编号:T03-37-02-007 YBJLⅠ-8-1
隐蔽工程验收记录
(雨水管道安装工程)
编号:T03-37-02-008 YBJLⅠ-8-1
隐蔽工程验收记录
(雨水管道安装工程)
编号:T03-37-02-009 YBJLⅠ-8-1
隐蔽工程验收记录
(雨水管道安装工程)
编号:T03-37-02-010 YBJLⅠ-8-1
隐蔽工程验收记录
(雨水管道安装工程)
编号:T03-37-02-011 YBJLⅠ-8-1
隐蔽工程验收记录
(雨水管道安装工程)
编号:T03-37-02-012 YBJLⅠ-8-1
隐蔽工程验收记录
(雨水管道安装工程)
编号:T03-37-02-013 YBJLⅠ-8-1
隐蔽工程验收记录
(雨水管道安装工程)
编号:T03-37-02-014 YBJLⅠ-8-1
隐蔽工程验收记录
(雨水管道安装工程)
编号:T03-37-02-015 YBJLⅠ-8-1
隐蔽工程验收记录
(雨水管道安装工程)
编号:T03-37-02-016 YBJLⅠ-8-1
隐蔽工程验收记录(雨水管道安装工程)
编号:T03-37-02-017 YBJLⅠ-8-1。
排水管隐蔽工程验收记录(室外排水管)排水管道安装隐蔽工程验收记录GD单位(子单位)工程名称子分部(系统)工程名称安装单位施工执行标准名称及编号施工图名称及图号隐蔽内容、部位及施工方法简介:1、施工部位:室外A×1-10轴雨水管2、隐蔽内容:排水管道安装,采用“广东联塑”牌,规格为:De250;3、施工方法:根据图纸确定管道的位置及走向,采用机械开挖管沟,底部用混凝土作垫层处理,管道按设计图纸的标高及坡度比安装,连接后做稳管处理,然后砌筑沙井。
管道做灌水试验和通水试验,然后使用人工石粉回填至管面2㎝处,将管道两侧夯实,再用机械回填土方。
广东省体育运动技术学院综合训练馆工程室外排水管网广州市第四建筑工程有限公司分项工程名称项目经理排水管道安装麦锦标广州市修建集团有限公司《修建电机设备安装工艺尺度》首层给排水平面图(S-4改1)示图或说明:按首层给排程度面图(S-4改1)进行施工,经进行管道注水实验,管接口无渗漏,通顺、无阻塞,合格,安装符合设计及施工规范要求,可以隐蔽。
专业工长(施工员)安装单位检查评定结果经检查,符合设计及施工规范要求。
(公章)项目专业质量检查员:年月日监理(建设)单位验收结论(公章)专业监理工程师(建设单元项目专业技术负责人):年月日测试人员:排水管道安装隐蔽工程验收记录GD单位(子单位)工程名称子分部(系统)工程名称安装单位施工执行标准名称及编号施工图名称及图号隐蔽内容、部位及施工方法简介:1、施工部位:室外10×A-J轴污水管2、隐蔽内容:排水管道安装,采用“广东联塑”牌,规格为:De2003、施工方法:根据图纸确定管道的位置及走向,采用机械开挖管沟,底部用混凝土作垫层处理,管道按设计图纸的标高及坡度比安装,连接后做稳管处理,然后砌筑沙井。
管道做注水实验和通水实验,然后使用野生石粉回填至管面2㎝处,将管道两侧夯实,再用机械回填土方。
广东省体育运动技术学院综合训练馆工程室外排水管网广州市第四修建工程有限公司分项工程名称项目经理排水管道安装麦锦标广州市建筑集团有限公司《建筑机电设备安装工艺标准》首层给排水平面图(S-4改1)示图或申明:按首层给排程度面图(S-4改1)进行施工,经进行管道注水实验,管接口无渗漏,通顺、无阻塞,合格,安装符合设计及施工规范要求,可以隐蔽。
年月日编号:工程名称鼓山下院广场-福马支路雨污水管施工单位福州市城投建筑有限公司隐检项目雨水管道砂垫层隐检范围AK+0+32.5~AK+0+108.5雨水管道隐检内容1、砂垫层的厚度;2、砂垫层的每侧宽度;3、砂垫层的轴线位置与高程。
检查情况雨水管道砂垫层按施工图进行施工;砂垫层经夯实后,表面平整密实,经检验其宽度、厚度、轴线位置和高程等均符合设计和施工规范要求。
验收意见经检查,符合设计和施工规范要求,同意下一道工序。
处理意见复查人:年月日施工单位施工项目技术负责人施工员质检员监理工程师(建设单位项目专业技术负责人)年月日编号:工程名称鼓山下院广场-福马支路雨污水管施工单位福州市城投建筑有限公司隐检项目雨水管道碎石灌砂层隐检范围AK+0+32.5~AK+0+108.5雨水管道隐检内容1、碎石灌砂层的厚度;2、碎石灌砂层的平整度;3、碎石灌砂层的轴线位置与高程检查情况雨水管道碎石灌砂层按施工图进行施工;碎石灌砂层经夯实后,表面平整密实,经检验其厚度、轴线位置和高程等均符合设计和施工规范要求。
验收意见经检查,符合设计和施工规范要求,同意下一道工序。
处理意见复查人:年月日施工单位施工项目技术负责人施工员质检员监理工程师(建设单位项目专业技术负责人)年月日编号:工程名称鼓山下院广场-福马支路雨污水管施工单位福州市城投建筑有限公司隐检项目雨水管道平基隐检范围AK+0+32.5~AK+0+108.5雨水管道隐检内容1、砼平基的高程;2、砼平基的厚度、平整度;3、砼平基的中线每侧宽度。
检查情况雨水管道C15砼平基按施工图进行施工;经检查雨水管道C15砼平基经振捣密实、表面平整、边角直顺,无出现大面积蜂窝麻面等现象,其轴线位置、宽度与厚度及高程等均符合设计和施工规范要求。
验收意见经检查,符合设计和施工规范要求,同意下一道工序。
处理意见复查人:年月日施工单位施工项目技术负责人施工员质检员监理工程师(建设单位项目专业技术负责人)年月日编号:工程名称鼓山下院广场-福马支路雨污水管施工单位福州市城投建筑有限公司隐检项目雨水管道管座隐检范围AK+0+32.5~AK+0+108.5雨水管道隐检内容1、雨水管道砼管座的肩高;2、雨水管道砼管座的肩宽。
雨水管基础隐蔽工程验收记录
**工程名称**:[具体工程名称]
**施工单位**:[施工单位名称]
**验收部位**:[具体验收部位]
**验收日期**:[具体验收日期]
**验收内容**:
1. 管材材质:检查雨水管的材质是否符合设计要求和相关标准,包括管材的规格、型号、壁厚等。
2. 基础形式:确认雨水管基础的形式,如开槽式、垫层级配式等,是否符合设计要求。
3. 沟槽开挖:检查沟槽的开挖尺寸、坡度、平整度等是否符合设计及规范要求。
4. 地基处理:检查地基的处理情况,如是否进行了夯实、填土等,以保证基础的稳定性。
5. 管道铺设:检查管道的铺设是否平整、顺直,管接口的连接是否牢固,有无渗漏等问题。
6. 回填土:检查回填土的材质、分层填筑厚度、压实度等是否符合设计及规范要求。
7. 其他:检查施工过程中的其他相关内容,如雨水管的坡度、检查井的设置等。
**验收结论**:
经检查,雨水管基础隐蔽工程符合设计要求和相关规范标准,验收合格,可以进行下一道工序的施工。
**验收单位**:
建设单位:[建设单位名称]
设计单位:[设计单位名称]
监理单位:[监理单位名称]
施工单位:[施工单位名称]
(签字盖章)
需要注意的是,以上内容仅供参考,你可以根据实际情况进行适当的修改和补充。
同时,隐蔽工程验收记录应当详细、准确,并附有相关的施工图纸、照片等资料,以便于日后的维护和管理。
雨水管道安装隐蔽验收记
录
The pony was revised in January 2021
隐蔽工程验收记录
(雨水管道安装工程)
编号:T03-37-02-001 YBJLⅠ-8-1
隐蔽工程验收记录(雨水管道安装工程)编号:T03-37-02-002
YBJLⅠ-8-1
隐蔽工程验收记录
(雨水管道安装工程)编号:T03-37-02-003
YBJLⅠ-8-1
隐蔽工程验收记录(雨水管道安装工程)编号:T03-37-02-004
YBJLⅠ-8-1
隐蔽工程验收记录
(雨水管道安装工程)编号:T03-37-02-005
YBJLⅠ-8-1
隐蔽工程验收记录(雨水管道安装工程)编号:T03-37-02-006
YBJLⅠ-8-1
隐蔽工程验收记录
(雨水管道安装工程)编号:T03-37-02-007
YBJLⅠ-8-1
隐蔽工程验收记录(雨水管道安装工程)编号:T03-37-02-008
YBJLⅠ-8-1
隐蔽工程验收记录
(雨水管道安装工程)编号:T03-37-02-009
YBJLⅠ-8-1
隐蔽工程验收记录(雨水管道安装工程)编号:T03-37-02-010
YBJLⅠ-8-1
隐蔽工程验收记录
(雨水管道安装工程)编号:T03-37-02-011
YBJLⅠ-8-1
隐蔽工程验收记录(雨水管道安装工程)编号:T03-37-02-012
YBJLⅠ-8-1
隐蔽工程验收记录
(雨水管道安装工程)编号:T03-37-02-013
YBJLⅠ-8-1
隐蔽工程验收记录(雨水管道安装工程)编号:T03-37-02-014
YBJLⅠ-8-1
隐蔽工程验收记录
(雨水管道安装工程)编号:T03-37-02-015
YBJLⅠ-8-1
隐蔽工程验收记录(雨水管道安装工程)编号:T03-37-02-016
YBJLⅠ-8-1
隐蔽工程验收记录
(雨水管道安装工程)编号:T03-37-02-017
YBJLⅠ-8-1。