注电配电考试【带答案案例真题分享】第3章-负荷计算与负荷分级
- 格式:pdf
- 大小:14.87 MB
- 文档页数:22
模考吧网提供最优质的模拟试题,最全的历年真题,最精准的预测押题!注册电气工程师(供配电专业)负荷分级及计算考试试题(一)一、单选题(本大题79小题.每题1.0分,共79.0分。
请从以下每一道考题下面备选答案中选择一个最佳答案,并在答题卡上将相应题号的相应字母所属的方框涂黑。
)第1题供配电系统的设计,除一级负荷中特别重要负荷外,( )按一电源系统检修或故障的同时,另一电源系统又发生故障进行设计。
A 不应B 宜C 应D 不宜【正确答案】:A【本题分数】:1.0分第2题国家计算中心电子计算机系统,应按( )要求供电。
A 一级负荷B 一级负荷中特别重要负荷C 二级负荷D 三级负荷【正确答案】:B【本题分数】:1.0分第3题断续反复周期工作电器设备中电焊机的设备容量是将额定功率换算到负荷持续率为( )时的有功功率。
A 25%B 50%C 40%模考吧网提供最优质的模拟试题,最全的历年真题,最精准的预测押题!D 100%【正确答案】:D【本题分数】:1.0分第4题有2台电焊机,每台额定容量为23kV ·A ,单相380V ,负荷持续率65%,cos α=0.5,分别接在三相线路的ab 相和bc 相上,在进行负荷计算时,换算为等效三相负荷时的设备功率应是( )kW 。
A 43B 32C 28D 16【正确答案】:C【本题分数】:1.0分第5题中断供电将造成重大经济损失的应为( )。
A 三级负荷B 二级负荷C 一级负荷中特别重要负荷D 一级负荷【正确答案】:D【本题分数】:1.0分第6题断续反复周期工作电器设备中起重机的统一规定折算负荷持续率为( )。
A 25%B 50%C 40%D 100%。
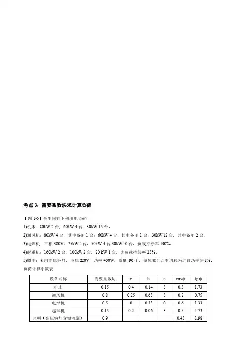
考点3:需要系数法求计算负荷【题1-5】某车间有下列用电负荷:1)机床:80kW2台;60kW4台;30kW15台。
2)通风机:80kW4台,其中备用1台;60kW4台,其中备用1台;30kW12台,其中备用2台。
3)电焊机:三相380V,75kW4台,50kW4台30kW10台,负载持续率100%。
4)起重机:160kW2台,100kW2台,80kW1台,其负载持续率25%。
5)照明:采用高压钠灯,电压220V,功率400W,数量90个,镇流器的功率消耗为灯管功率的8%。
负荷计算系数表设备名称需要系数k x c b n cosϕtgϕ机床0.150.40.1450.5 1.73通风机0.80.250.6550.80.75电焊机0.500.3500.6 1.33起重机0.150.20.0630.5 1.73照明(高压钠灯含镇流器)0.90.45 1.98有功和无功功率同时系数K∑p、K q∑均为0.9上述负荷中通风机为二类级负荷,其余为三类级负荷。
请回答下列问题:【07-2-A-3】采用需要系数法计算本车间动力负荷的计算视在功率应为:(A)1615.3kVA(B)1682.6kVA(C)1792.0kVA(D)1794.7kVA答案:【A】解答过程:依据《工业与民用供配电设计手册》(第四版),P5式1.2-1,P10式1.4-1至1.4-5,列表计算如下:设备组名称设备功率(kW)需要系数Kx cosϕtgϕ计算功率Pc(kW)Qc(kVar)Sc(kVA)机床8500.150.5 1.73127.5220.6通风机7200.80.80.75576432电焊机8000.50.6 1.33400532起重机3000.150.5 1.734577.85小计1148.51262.45乘上同时系数K∑p=K∑q=0.9共计26701033.651136.2051536解析:1、考点归属:需要系数法计算视在功率。
3 负荷计算及负荷分级3.1 负荷计算3.1.1基本概念3.1.1.1 概述(1)负荷计算的目的:获得供配电系统设计所需的各项负荷数据,用以选择和校验导体、电器、设备、保护装置和补偿装置,计算电压降、电压偏差、电压波动等。
(2)负荷计算的内容:求取各类计算负荷,包括最大计算负荷、平均负荷、尖峰电流;计算电能消耗量、电网损耗等。
(3)实际负荷:即接在电网上的各种电气负荷。
通常每台设备的负荷是随机变动的,多台设备叠加的变化更加复杂。
实际负荷须经适当的方法转换为计算负荷,才能用于工程设计。
(4)计算负荷:是一个假想的持续性负荷,它在一定的时间间隔中产生的特定效应与变动的实际负荷相等。
按不同的用途,取不同的负荷效应和时间间隔,将得出各类不同的计算负荷,详见3.1.1.2。
(5)计算范围:计算负荷是按配电点(配电箱、配电干线、变电所母线等)划分的;其配电范围即为负荷计算范围。
供配电系统各配电点间存在母集和子集的关系;负荷计算范围也构成相应的关系。
3.1.1.2 计算负荷的分类及其用途设计中常用的三类计算负荷如下:(1)最大负荷或需要负荷(通称计算负荷):1)此负荷用于按发热条件选择电器和导体;计算电压偏差、电网损耗、无功补偿容量等;有时用以计算电能消耗量。
2)此负荷的热效应与实际变动负荷产生的最大热效应相等。
对变压器、电缆之类,是绝缘热老化程度相等。
3)此负荷的持续时间应取导体发热时间常数τ的3倍。
对较小截面导线(τ≥10min),通常取0.5h计算负荷即“半小时最大负荷”;对较大截面电缆(τ≥20min),宜取1 h计算负荷;对母线槽和变压器(τ≥40min),宜取2 h计算负荷。
(2)平均负荷:1)年平均负荷用于计算电能年消耗量;有时用以计算无功补偿容量。
2)最大负荷班平均负荷用于计算最大负荷(见利用系数法)。
(3)尖峰电流:1)尖峰电流用于计算电压波动(或变动);选择和整定保护器件;校验电动机起动条件。
电气工程师(供配电):负荷分级及计算考试题1、单选某车间AB、BC相电焊机均为47kW,功率因数为0.6,负载持续率为60%;需要系数为0.5;C相照明共6kW,功率因数为0.9,需要系数为0.9;冷加工机(江南博哥)床共420kW,功率因数为0.5,需要系数为0.14;通风机共80kW,功率因数为0.8,需要系数为0.8;回答下列问题:C相照明负荷无功计算功率为()kW。
A.6B.5.4C.3.24D.2.6正确答案:D2、问答题某企业设置一座110kV/10kV总变电所,分别向四个车间变电所提供10kV电源。
车间变电所的计算负荷如下:一县级医院门诊大楼负荷如下:门诊医院诊疗室总负荷量P=12kW,各类医疗诊查器械总用电量为P=30kW,KX=0.6,电梯P=22kW,KX=0.22;疏散照明KX=1,P=2kW,其他用电量P=10kW (门诊及其他计算推荐需用系数KX取0.8),统计总负荷量Pjs。
正确答案:pjs=40.04kW3、单选国宾馆的()按一级负荷要求供电。
A.主会场、接见厅、宴会厅、照明B.总值班照明、办公室、档案室C.接见厅、总值班照明、档案室D.主会场、接见厅、宴会厅、档案室照明正确答案:A4、单选某车间变电所采用需要系数法计算负荷时,有下列用电设备组:起重机负荷,其中负载持续率为ε=25%的电动机8台,额定容量共计为140kW,负载持续率为ε=40%的电动机12台,额定容量共计为320kw,需要系数KX=0.2,cosα=0.5;大批生产金额冷加工机床,额定容量共计1400kW,需要系数KX=0.18,cosα=0.5;连锁的连续运输机械,额定容量共计640kw,需要系数KX=0.65,cosα=0.75;生产用通风机,额定容量共计240kW,需要系数KX=0.8,cosα=0.8;照明负荷为高强气体放电灯(带无功功率补偿装置),包括镇流器的功率损耗在内的额定容量为84kW,需要系数为KX=0.95,cosα=0.9。
注册电气工程师(供配电专业)分类模拟题负荷分级及计算(一)一、单项选择题1. 甲等剧院调光用电子计算机系统为。
A.三级负荷B.二级负荷C.一级负荷中特别重要负荷D.一级负荷答案:C2. 某工厂有4台起重机,其中负荷持续率40%时的电动机额定容量为480kW,负荷持续率为25%时的电动机额定容量为160kW。
其设备功率应是kW。
A.532B.640C.767D.904答案:C3. 某车间生产用电设备有:冷加工机床:电动机总容量为680kW,其中最大5台电动机的合计容量为180kW;风机和水泵:电动机总容量为740kW,其中最大5台电动机的合计容量为340kW。
采用二项式法计算负荷,计算系数为:冷加工机床:c=0.5,b=0.14,cosα=0.5,tanα=1.73;风机和水泵:c=0.25,b=0.65,cosα=0.8,tanα=0.75。
其视在功率Sjs 为kV·A。
A.989B.953C.886D.780答案:B4. 二级负荷的供电系统做到当电力变压器或线路发生常见故障时,不致中断供电或中断供电能及时恢复。
A.应B.必须C.宜D.不可答案:A5. 尖峰电流指单台或多台用电设备的起动电流。
一般取作为计算电压波动、电压降以及选择电器和保护元件的依据。
A.起动电流的周期分量B.起动电流的最大值C.起动电流的平均值D.起动电流的均方值答案:A6. 大型博物馆的防盗信号系统电源应为。
A.一级负荷B.二级负荷C.一级负荷中特别重要负荷D.三级负荷。
负荷分级及计算参考答案一、单项选择题(每题的备选答案中,只有1个最符合题意)1.采用二项式法计算负荷时,应将计算范围内的所有设备统一划组()。
A.不以逐级计算为主B.不应逐级计算C.应逐级计算与统一计算相结合D.以逐级计算为主2.一级负荷应被视为特别重要的负荷的有()。
A.中断供电将造成人身伤亡时B.中断供电将在政治、经济上造成重大损失时C.中断供电将影响有重大政治、经济意义的用电单位的正常工作D.当中断供电将发生中毒、爆炸和火灾等情况的负荷,以及特别重要场所的不允许中断供电的负荷3.采用非导电场所防护作为间接接触防护措施时,在规定的条件下,对标称电压不超过()的电气设施,绝缘地板和墙的每一测量点的电阻不得小于50kΩ。
A.220VB.300VC.400VD.500V4.通风机需要系数KX是()。
A.0.1~0.3B.0.4~0.60C.0.45~0.55D.0.60~0.705.确定用电单位的供电电压等级,要考虑下列()。
A.用电量的多少B.用电单位的技术经济指标C.供电线路的路径及架设方式D.用电设备的额定电压、对供电电源可靠性的要求,经技术经济比较确定6.小批生产的金属热加工机床需要系数Kx是()。
B.0.15~0.20C.0.15~0.17D.0.17~0.197.中断供电将造成重大设备损坏、重大产品报废、用重要原料生产的产品大量报废时,该类用电负荷为()。
A.一级负荷B.二级负荷中特别重要的负荷C.三级负荷D.三级负荷中特别重要的负荷8.对配电所的K∑p和K∑q分别取()。
A.0.85~1和0.95~1B.0.85~0.95和0.95~1C.0.8~0.9和0.93~0.97D.0.8~0.95和0.91~0.959.大型影剧院、大型商场等较多人员集中的重要的公共场所,当中断供电时将造成秩序混乱,该类用电负荷为()。
A.二级负荷B.三级负荷C.三级负荷中特别重要的负荷D.一级负荷10.生产厂房(有天然采光)需要系数Kx是()。
注册电气工程师(供配电)考试案例集三及答案1.采用公式计算经三相对称线路输送三相平衡负荷的电压损失百分数。
(1)当Ue取为网络额定线电压时,P和Q的含义是()。
A.仅一相的负荷;B.三相负荷之和。
C.三相负荷的平均值;D.倍一相负荷。
正确答案:B 本试题为6.0 章节试题(2)当Ue取为网络额定相电压时,P和Q的含义是()。
A.仅一相的负荷;B.三相负荷之和。
C.三相负荷的平均值;D.倍一相负荷。
正确答案:A 本试题为6.0 章节试题⑶ 当Ue的单位取为kV,R和X的单位取的单位应取( )A. kW和kvar ;B. MW^D Mvar ;C. W和var ;D. MW^ kW正确答案:A 本试题为6.0 早节试题(4) 当Ue的单位取kV, R和X的单位取,P和Q的单位取kW和kvar,贝U Du的单位应是( )。
A. kVB. V vC. %D. %o正确答案: C 本试题为6.0 早节试题(5)有一条三相对称布置的架空线,线路阻抗X = 1 ,额定电压10000V (相电压5774V),输送三相平衡负荷,每相有功负荷333.4kW,每相无功负荷333.34kvar (三相共计有功负荷1000kW 无功负荷lOOOkvar ),线路电压损失百分数应约为()。
A.0.02%B.0.2%C.2%D.20%正确答案:C 本试题为 6.0 章节试题2.110/10kV中性点直接接地系统中,选择变电站变压器中性点的阀型避雷器的参数。
⑴灭弧电压大于()。
A.70.5kVB.78kVC.83kVD.85kV正确答案:A 本试题为9.0 章节试题(2)工频放电电压下限大于()。
A.100kVB.140kVC.160kVD.180kV正确答案:B 本试题为9.0 章节试题(3)工频放电电压上限(变压器内绝缘一分钟工频试验电压150kV)小于()。
A.162kVB.173kVC.178kVD.182kV正确答案:B 本试题为9.0 章节试题(4)5kA时的残压(变压器内绝缘冲击试验电压250kV)小于()。
3 负荷分级及计算一、单选题1. C依据《工业和民用配电设计手册》(第三版)P1。
或者复习指导书P119。
2. B依据《工业和民用配电设计手册》(第三版)P2。
3. B依据《工业和民用配电设计手册》(第三版)P2。
4. D依据《工业和民用配电设计手册》(第三版)P2。
5. A依据《工业和民用配电设计手册》(第三版)P2。
6. D依据《工业和民用配电设计手册》(第三版)P2。
7. B依据《工业和民用配电设计手册》(第三版)P2。
依据《工业和民用配电设计手册》(第三版)P2。
9. D依据《工业和民用配电设计手册》(第三版)P2。
10. C依据《工业和民用配电设计手册》(第三版)P2。
11. D依据《钢铁企业电力设计手册》(上)P91。
12. C依据《工业和民用配电设计手册》(第三版)P13。
或依据《钢铁企业电力设计手册》(上)P109。
或依据JGJ16 2008 3.5.5条P1413. B依据《工业和民用配电设计手册》(第三版)P12。
14. B依据《工业和民用配电设计手册》(第三版)P12。
15. D依据《工业和民用配电设计手册》(第三版)P13 (1-34)。
16. A依据《工业和民用配电设计手册》(第三版)P13 (1-36)。
依据《工业和民用配电设计手册》(第三版)P13。
18. D依据GB 50052-2009 《供配电系统设计规范》第3.0.1条条文说明。
或者依据《工业和民用配电设计手册》(第三版)P25。
19. D依据GB 50052-2009 《供配电系统设计规范》第3.0.1条。
20. A依据GB 50052-2009 《供配电系统设计规范》第3.0.1条。
21. B依据GB 50052-2009 《供配电系统设计规范》第3.0.1条。
22. B依据GB 50052-2009 《供配电系统设计规范》第3.0.1条。
23. A依据GB 50052-2009 《供配电系统设计规范》第3.0.1条。
试题答案一负荷分级及计算1-1(A.C) 1—2(A.B.C) 1-3(C)1—4(B) 1-5(A。
B。
D) 1-6(A。
B.C.D)1—7(D) 1—8(C) 1—9(B)1-10(D) 1—11(D) 1—12(D)1—13(A.C.) 1—14(A) 1—15(A)1—16(D) 1-17(C) 1-18(C) 1—19(B) 1—20(C) 1—21(B)1—22(A) 1—23(A) 1-24(D)1-25(A) 1-26(B) 1—27(A)1—28(B) 1—29(A) 1-30(C) 1-31(A.B.C.D) 1-32(B。
D) 1—33(C)1-34(B) 1—35(A。
B.C.D) 1-36(B)1-37(C) 1—38(D) 1-39(B)1-40(C) 1-41(B) 1—42(B) 1-43(B) 1-44(C) 1—45(A)1—46(A) 1-47(A) 1—48(B )1-49(D) 1-50(B.C。
D) 1-51(C)1-52(C) 1-53(A) 1—54(B) 1—55(C) 1—56(B) 1-57(A) 1—58(C) 1-59(B) 1-60(B)1-61(A.C) 1-62(A。
B。
C。
D) 1-63(A.B。
C。
D)1—64(A) 1—65(D) 1—66(B)1—67(C) 1—68(D) 1—69(B) 1—70(A) 1-71(A。
C) 1-72(B) 1—73(B。
D) 1—74(A) 1—75(D)1—76(C) 1-77(A。
C。
D) 1-78(B) 1-79(B.C) 1—80(A.C)二短路电流计算(一)基本概念选择题2-1(A.B.D) 2-2(A.C。
D) 2-3(A。
B。
D)2—4(A。
B.D) 2—5(B) 2-6(B)2-7(B) 2—8(B) 2-9(B)2—10(A。
B.C) 2—11(A.B) 2-12(A.C) 2—13(B) 2-14(C) 2-15(B)2—16(AB) 2-17(C。
3 负荷计算与负荷分级1、下列关于负荷计箅的论述中,正确的是()。
A.计算负荷是一个确定的负荷,与用途无关;B.计算负荷是一个假想的持续负荷,在电力系统中产生的各种效应与变动的实际负荷相等;C.计算负荷是一个假想的持续负荷,在一定的时间中产生的特定效应与变动的实际负荷相等;D.尖峰电流是一个持续时间很短电流,不属于负荷计算的内容。
【答案】C2、下列关于负荷计箅中设备功率的论述中,正确的是()。
A.设备功率是用电设备在额定功率因数和额定负载持续率下的额定功率;B.设备功率是用电设备的額定功率或容量换算为统一负载持续率下的有功功率;C.设备功率的换算与所采用的负荷计算方法无关;D.设备功率的计取与用电设备的工作方式无关。
【答案】B3、如采用需要系数法,在换箅短时或周期工作制的电动机的设备功率时,统一负载持续率应取()。
A. 15%;B. 25%;C. 40%;D. 100%。
【答案】B4、如采用利用系数法,在换箅短时或周期工作制的电动机的设备功率时,统一负载持续率应取()。
A. 15%;B. 25%;C 40%;D. 100%。
【答案】D5、负荷计箅时,连续工作制电动机的设备功率应为()。
A.电动机的额定功率;B.电动机的输入功率;C.负载持续率为25%的有功功率;D.负载持续率为40%的有功功率。
【答案】A6、负荷计箅中电焊机的设备功率应为()。
A.额定负载持续率下的视在功率;B.负载持续率为25%的有功功率;C.额定功率因数下的有功功率;D.负载持续率为100%的有功功率。
【答案】D7、负荷计箅时,电炉变压器的设备功率应为()A.电炉变压器的额定容量;B额定功率因数下的有功功率;C.电炉的額定功率;D.电炉功率加短网损耗。
【答案】B8、负荷计箅时,整流器的设备功率应为()。
A.额定交流视在功率;B.额定交流有功功率;C.额定直流输出功率;D.流用电设备的计算功率。
【答案】C9、负荷计箅时,用电设备组的设备功率()A.应包括备用设备;B宜包括备用设备;C.宜包括部分备用设备;D.包括备用设备不应【答案】D10、负荷计算时,季节性负荷应取()A.季节性负荷之和iB.季节性负荷的平均值;C.季节性负荷中计算负荷较大者;D.季节性负荷中运行时间较长着【答案】C11、负荷计箅时,划分用电设备组的原则是()。
1-1符合下列哪几种情况时,电力负荷应为一级负荷?( )A.中断供电将造成人身伤亡时B.中断供电将影响重要用电单位的正常工作时C.中断供电将在经济上造成重大损失时D.中断供电将造成大型影剧院等较多人员集中的重要的公共场所秩序混乱时1-2电力负荷应根据( )进行分级。
A.对供电可靠性的要求B.中断供电在政治上所造成损失或影响的程度C.中断供电在经济上所造成损失或影响的程度D.中断供电将发生中毒.爆炸和火灾等的严重程度1-3一级负荷的供电电源( )由两个电源供电。
A.宜B.可C.应D.不应1-4允许中断供电时间为( )以上的供电,可选用快速自启动的发电机组。
A.10sB.15sC.20sD.30s1-5下列哪些电源可作为应急电源?( )A.独立于正常电源的发电机组B.供电网络中独立于正常电源的专用的馈电线路C.风力发电设备D.蓄电池1-6符合下列哪些情况时,用电单位宜设置自备电源?( )A.需要设置自备电源作为一级负荷中特别重要负荷的应急电源时B.设置自备电源较从电力系统取得第二电源经济合理时C.第二电源不能满足一级负荷的条件时D.所在地区偏僻,远离电力系统,设置自备电源经济合理时1-7应急电源与正常电源之间( )采取防止并列运行的措施。
A.宜B.应该C.可以D.必须1-8同时供电的两回及以上供配电线路中的一个回路中断供电时,其余线路应能满足( )的用电。
A.全部一级负荷B.部分一级负荷C.全部一级负荷及二级负荷D.全部一级负荷及一级负荷中特别重要的负荷1-9供电系统应简单可靠,同一电压供电系统的配电级数不宜多于( )。
A.一级B.两级C.三级D.四级1-10供配电系统的设计,除一级负荷中特别重要的负荷外,( )按一个电源系统检修或故障的同时另一电源又发生故障进行设计。
A.必须B.严格C.可以D.不应1-11三级负荷对供电的要求是( )。
A.由一回6kV及以上专用架空线供电B.由两路高压电源供电C.由两路低压电源供电D.无特殊要求1-12对于一级负荷中特别重要的负荷( )。