PAM8403CS8403小功率3W双声道D类音频功放电路图
- 格式:doc
- 大小:17.50 KB
- 文档页数:5
PAM8403CS84033W双声道D类功放IC应用参考》深圳市...1.PAM8403/CS8403应用电路查看大图注:切换耳机的控制引脚Pin 9(HP-IN)外接的两电阻R1,R2推荐值R1=51kΩ, R2=330kΩ;2.关于关机控制脚Pin 12(/SD)和静音控制脚Pin 5(/MUTE)应用问题/SD和 /MUTE两个不同的概念:/SD是控制IC工作和关机两种状态,在关机(SHUTDOWN)状态真正实现超低功耗(电流1uA以下);而/MUTE是控制IC内部放大器的增益无穷小,静态电流却变化不大,一直耗电。
虽然控制/SD 和 /MUTE都可以使输出无声;但是最理想,合理的用法应该是控制/SD引脚,在使得输出无声的情况下,又实现低功耗。
所以如果只控制/SD或者 /MUTE其中一个的情况下,建议控制/SD引脚;3.关于Pin12(/SD),Pin5 (/MUTE),Pin9(HP-IN)内部上拉和下拉问题Pin12(/SD)内部接下拉电阻,作用是/SD引脚悬空或者外部接口处于不定态的时候,芯片自动可靠处于ShutDown状态。
故此引脚不能悬空,外部一定要接控制信号或者拉到高电平;Pin5(/MUTE)内部接上拉电阻,作用是/MUTE引脚悬空的情况下,芯片依然可以正常的工作。
Pin9(HP-IN)内部有下拉电阻,作用是/MUTE引脚悬空或者接地的情况下,芯片工作于BTL输出状态,推动外置喇叭,关闭耳机;4.几种控制模式应用电路(1).用耳机功能,用/SD控制引脚,/MUTE功能不用,如下图:(2).用耳机功能,用/MUTE控制引脚,/SD功能不用,如下图:(3).不用耳机功能,/MUTE功能不用,/SD功能不用,如下图:(4).用耳机功能,/MUTE功能不用,/SD功能不用,如下图:4.输入电阻,输入电容的取值(1).输入电阻Ri的调整:首先确定总的放大倍数:举例如下:PAM8403 :内部反馈电阻为142k,内部集成的输入电阻为18k,外部接输入电阻为30k,总的放大倍数为 Av = (142k / (18k+30k) )×2=5.92 NS4203: Ri=240k / 5.92 =40.5k , 可以选取Ri = 39k(2).输入电容Ci的取值:输入电容和输入电阻组成一高通滤波器。
3V电池供电的便携式立体声小功放电路(附线路板图)
3V电池供电的便携式立体声小功放电路MP3的容量越来越大,装下几百首歌也绰绰有余。
可是一直戴着耳机,耳朵也会受不了。
那么试试这个便携小音箱吧,相信你会喜欢。
元件清单电路原理图NJM2073的管脚电…
MP3的容量越来越大,装下几百首歌也绰绰有余。
可是一直戴着耳机,耳朵也会受不了。
那么试试这个便携小音箱吧,相信你会喜欢。
元件清单
电路原理图:
印刷线路版图:
NJM2073的管脚图:
电路板的制作
整个装置的大小尺寸根据使用的外壳和元件灵活变化,检查一下电路是否有问题。
检查完毕后,将插头插入MP3等的耳机插槽,试试这个便携小音箱的效果如何。
/yinpindianlu/ypcl/04011267.html。
PAM8403封装信息产品封装形式封装尺寸脚间距典型应用图电气参数一、静态电气参数二、动态电气参数V应用信息1、最大增益PAM8403有两对内部放大器,第一级的增益由内部电阻R f和R i构成,R i=18kΩ,R f=144kΩ;用户可以外接R f电阻,控制整体的增益。
第二级增益恒定为2,所以最大增益如下式为24dB。
] (1)A VD=20∗log[2×R fR i2、输入电容放大最低音频信号需要很高的输入耦合电容值。
这样的电容往往较贵,在便携设计中也需要占用更多的空间。
而在很多情况下,便携系统中的扬声器,无论内部的还是外围的,都不能复制低于150HZ的信号。
由于这种频率限制,采用扬声器时,很难通过大输入电容来改善性能。
除了影响系统成本和尺寸,Ci还影响芯片的滴答声现象。
先输入电源电压时,随着输入电容的电荷从零升到一个静态值,会产生一个瞬态反应。
这个瞬态响应的大小直接与输入电容的大小成比例。
输入固定电流时,大的电容需要更长的时间才能达到静态直流电压(通常是VDD/2)。
放大器输出通过反馈电阻控制输入电容,这样可以通过选择一个输入电容之来使瞬态响应最小化,不过电容值也不能过高,必须满足-3dB频率的要求。
3、模拟参考电压端电容除了要使输入电容的尺寸最小化之外,也要认真考虑连接到关断引脚的电容的大小。
因为这个电容决定了PAM8403进入静态工作状态的快慢,它的值对最小化初始瞬态响应是很关键的。
PAM8403的输出达到静态直流电压的时间越长,初始的瞬态响应就越小。
选择2.0uF的电容同时配以一个在0.1uF到0.39uF间变化的小电容,可以产生一个滴答声和爆裂声都较小的关断功能。
由以上讨论可知,选择一个不超过指定带宽要求的电容Ci 可以帮助降低滴答声现象.4、模拟参考电压端电容PAM8403包含有使开启或关断的瞬态值或“滴答声和爆裂声”减到最小的电路。
讨论中开启指的是电源电压的加载或撤消关断模式。
MOS电路CS38172 15W免滤波低EMI立体声D类音频功率放大电路本资料适用范围:CS3817EO 1、概述CS3817EO是一款15W(每声道)立体声高效D类音频功率放大电路。
先进的EMI 抑制技术使得在输出端口采用廉价的铁氧体磁珠滤波器就可以满足EMC要求。
内部包括一个直流检测电路来对扬声器进行保护,直流检测电路在输入电容损坏或者输入短路时关断输出级。
CS3817EO可以驱动低至4Ω负载的立体声扬声器,具有高达90%的效率,使得在播放音乐时不需要额外的散热器。
CS3817EO应用于LCD电视、消费类音频设备。
其特点如下:● 15W/声道的功率输出(16V电压,8Ω负载,TND+N等于10%)● 10W/声道的功率输出(13V电压,8Ω负载,TND+N等于10%)● 30W的功率输出(16V电源,4Ω单声道负载,TND+N等于10%)● 效率高达90%,无需散热片● 较大的电源电压范围6.5V~20V● 免滤波功能,输出不需要电感进行滤波。
● 输出管脚方便布线布局● 良好短路保护和具备自动恢复功能的温度保护● 良好的失真和防噗声功能● 内置增益26dB● 差分输入● 具有静音和待机功能● 简单的外围设计● 封装形式:HTSSOP282、功能框图与引脚说明2. 1、功能框图2. 2、功能描述音频信号进入以后,经过脉宽调制模块,完成音频信号对载波信号的调制,此模块由Error AMP、比较器等部分组成。
比较器将积分后的信号与三角波信号进行比较,这一步出来的信号已经是PWM信号了。
输出管驱动电路完成PWM波对输出开关管的驱动。
相关的模块还有电平转换模块,通过自举升压产生上管的驱动栅压;输出部分还设有短路检测电路,当所接负载过小导致电流过大时,启动保护机制关闭电路。
其他模块还有输出管栅压电源模块,产生栅驱动电压;低压电源模块,产生基准电压;电压确认模块,完成AVDD确认、GVDD确认和AVCC确认三个功能;三角波产生模块,负责产生PWM编码用的三角波;偏置和基准模块,负责产生各模块所需的偏置电流;温度检测模块,负责监测芯片温度;控制逻辑,完成上电或启动时复位并消除冲击声,温度和短路保护等。
精心整理PAM8403CS8403小功率3W 双声道D 类音频功放电路图PAM8403/CS8403小功率3W 双声道D 类音频功率放大IC 应用电路原理图说明及设计注意事项左手665收藏时间:2016年1月15日10:15PAM8403/CS8403是一款3W ,立体声D 类音频功率放大器,能够以D 类放大器的效率提供AB 类功率放大器的性能。
采用D 类结构,PCB 本文D 达3W l 热保护l 排列效率:90%声道数:双声道频率响应:150HZ-20KHZ尺寸:15mmX39mm 厚度(max)11mm 此款2.0音响功放采用两片8403音频放大器精心设计。
实现双声道输出完全独立,质量更稳定可靠!最大输出功率为3W,最小输出为1.5W.工作电压为2-5.5V,因此非常适合于电池或USB供电的低电压电子产品作为功率放大器节省了传统功放的自举电路及消振电路。
因此只要极少的外围元件(最少为只要四个元件)便可工作,节省了线路板空间,降低生产成本及设计成本。
特有的关断功能(高电平有效)可节省功耗,延长电池使用时间。
主要特性:1、输出功率:3欧负载/5V(3.0W);4欧负载/5V2.5W);2、关断电流:1uA3、应用领域15、3Wx28欧姆6欧姆4欧姆阻抗喇叭,建议使用2~10W喇叭供电建议单节可充电锂电池或USB5V供电,也可用三节1.5V电池或四节1.2V充电电池供电。
用变压器供电一定要加5V稳压电路,不加稳压电路电压纹波超过5.5V芯片将烧坏。
电源正负极不能接反,电源电压不能超过5.5V,否则会烧毁IC损坏。
不要改动板上任何元件参数,不符合的参数将会导致IC损坏。
音频输入线请尽量用带屏蔽的线,可以起到抗干扰作用,消除杂波电流声。
输出为cmos管BTL驱动方式,左右喇叭的负极不能够接在一起,即接喇叭的4条线是完全独立的,不允许共接,否则会烧毁IC损坏。
先接通扬声器再接通电源,否则容易对芯片造成损坏;由于模块中的数字音量控制具有很大的增益,所以不要让音频信号输入过大而失真应用:LCD电视机、监视器、笔记本电脑、便携式扬声器、便携式,为18k的快速关闭/启动,而不需要慢慢减低音量。
TA7232P双音频功率放大集成电路图技术来源:电子市场发布时间:2008-2-27 5:33:22TA7232P是日本东芝公司生产的双声道音频功率放大集成电路,多应用于立体声收放机、组合音响等电路中作功率放大。
1.TA7232P内电路方框图及引脚功能TA7232P集成块内电路主要由两路功能相同的音频功率放大电路为主构成,其集成块的内电路方框图及组成双声道的典型应用电路如图1所示。
该IC采用单列12脚直插式封装,其集成电路的引脚功能及数据见表1所列。
表1TA7232P集成电路的引脚功能及数据2.TA7232P主要电参数TA7232P集成电路工作电源电压范围为3.5-12V,典型工作电压为6V或9V。
(1)极限使用条件。
T a=25℃时,电源电压Vccc=l6V;输出电流Io=2A(单信道);允许功耗PD=l2.5W。
(2)主要电参数。
在Vcc=9V,RL=4Ω,Rg=600Ω,f=1KHz,T a=25℃条件下,有以下电参数。
静态电流I(CQ) 最大值为45mA,典型值为22mA。
电压增益GV 当Rf=l5OΩ时的最大值为46.5dB,最小值为42.5皿,典型值为44。
5dB。
输出功率Po 当THD=l0%时,最小值为1.8W,典型值为2.2W;BTL时的典型值为5.5W。
谐波失真THD 当Po=lW时的最大值为0.1%,典型值为0.2%。
输入阻抗Zi 典型值为20KΩ。
输出噪声V(NO) 当Rg=10KΩ,BW=5OHz~2OKHz也时的最大值为0.8mV,典型值为03mV。
3.TA7232P典型应用电路TA7232P集成电路具有外接元件少,电源电压范围宽、纹波抑制能力强等特点,可组成双声道或BTL 电路。
其集成块组成双声道时的典型应用电路如图1所示,组成BTT时的典型应用电路如图2所示。
4.电路工作过程以图1电路为例,左、右声道音频信号从⑤、⑧脚送入两路功放电路信号输入端,经功率放大后的信号从②、(11)脚输出,经输出耦合电容耦合后去推动扬声器发声。
AX8303 3W无滤波器单通道D类音频放大器产品概述AX8303是一款高电源抑制比3W单通道D 类音频功率放大器,采用差分输入消除噪声和RF调整。
高达90%的效率,占据较小的PCB面积使AX8303成为手持设备的理想选择。
无滤波特性不要求额外的外部滤波器,更少的外部元件,更少的PCB区域,更低的系统成本,而且简化了应用系统设计。
AX8303具有短路保护与热保护特性。
主要特点z在1W,8Ω负载时达到90%的效率。
z关机电流<1µA。
z5V电源电压下,带4Ω负载输出功率3W,总谐波失真10%。
z要求极少的外部元件。
z无输入时超低噪声。
z电源电压2.8V~5.5V。
z短路保护。
z过温关断。
典型应用z手机/智能电话z MP4/MP3z GPSz数码相框z电子字典z便携式游戏机引出端排列VO+PVDD12引出端功能TEL:0755-******** 132******** E-MAIL:panxia168@最大额定值(注:使用时超过以下最大额定值有可能造成器件的永久性损伤。
在最大条件下工作超过一定时间有可能影响器件的可靠性,所有的电压都是对地电压)。
序号 名称极限值 1 最大工作电压6V2 输入电压 −0.3V ~ V DD +0.3V 3存储温度−55℃ ~ 150℃推荐工作条件序号 名称范围 1 工作电压 2.8V ~ 5.5V2环境温度−40℃ ~ 85℃电气参数(除非特别注明,V DD =5V ,Gain =2V /V ,R L =L (33µH)+R +L (33µH),T A =25℃)。
符号 参数 测试条件最小 典型最大单位V DD电源电压2.80 5.50VV DD = 5.0V 2.85 3.00 V DD = 3.6V 1.65 1.80 THD +N =10%,f =1kHz, R L =4Ω V DD = 3.2V 1.20 1.35 W V DD = 5.0V 2.50 2.66 V DD = 3.6V 1.15 1.30 THD +N =1%, f =1kHz, R L =4ΩV DD= 3.2V 0.85 1.00 W V DD = 5.0V 1.65 1.80 V DD = 3.6V 0.75 0.90 THD +N =10%, f =1kHz, R L =8Ω V DD = 3.2V 0.55 0.70 W V DD = 5.0V 1.30 1.50 V DD = 3.6V 0.55 0.72 P O输出功率THD +N =1%, f =1kHz, R L =8ΩV DD= 3.2V 0.40 0.55 W V DD =5.0V, P O =1W, R L =8Ω 0.28 0.35V DD =3.6V, P O =0.1W, R L =8Ω0.40 0.45V DD =3.2V, P O =0.1W, R L =8Ω0.55 0.60V DD =5.0V, P O =0.5W, R L =4Ω0.20 0.25V DD =3.6V, P O =0.2W, R L =4Ω 0.35 0.40THD +N总谐波失真 + 噪声 V DD =3.2V, P O =0.1W, R L =4Ωf =1kHz0.50 0.55%(转下页)(接上页) 符号 参数 测试条件最小典型 最大单位f =217Hz −63 −55f =1kHz −62 −55PSRR 纹波 抑制比 V DD =3.6V,Inputs ac-grounded with C =1μFf =10KHz−52 −40dBDyn 动态范围 V DD =5.0V, THD =1%, R =8Ωf =1kHz 8595 dBNo A-weighting50100V N输出噪声Inputs ac-groundedA-weighting 30 60μVCMRR 共模抑制比 V IC =100mVpp, f =1kHz 4063 dBR L =8Ω, THD =10% 8590η效率 R L =4Ω, THD =10% f =1kHz8086%V DD 5.0V 7.5 10V DD 3.6V 4.6 7I Q 静态电流 V DD =3.0V R L =8Ω 3.6 5mA I SD 关断电流 V DD =3V to 5VV SD =0.3V 0.5 2 μAV DD = 5.0V 365 420V DD = 3.6V 385 450R DS(ON) 静态漏源导通电阻 MSOP/DFN ,高端PMOS +低端NMOS ,I =500mAV DD =3V 410500m ΩR i 输入电阻 150 k ΩGv 闭环增益 V DD =3V to 5V 300k Ω/Ri V/V f sw 开关频率 V DD =3V to 5V200250300kHzVos 输出失 调电压 Input ac-ground, V DD =5V 10 50 mV V IH 输入高 电平有效 V DD =5V 1.5VV IL输入低 电平有效V DD =5V0.3 V功能说明图1 AX 8303功能框图1 输入电阻(R i )输入电阻(R i )依照等式1来设置放大器的增益。
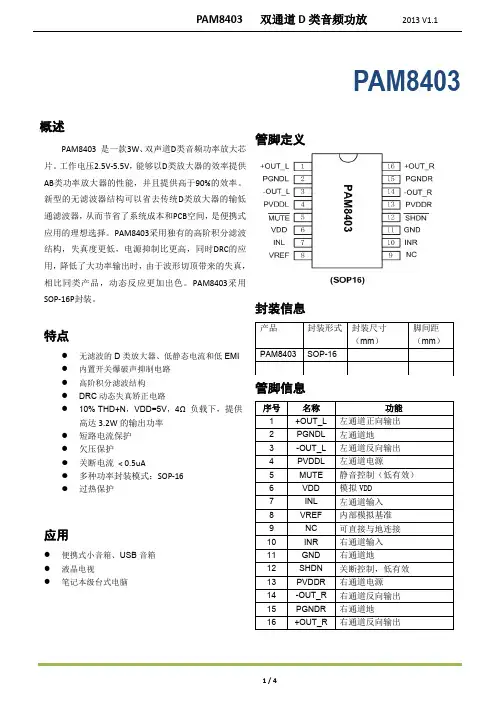
PAM8403CS8403 小功率3W 双声道D 类音频功放电路图PAM8403/CS8403小功率3W双声道D类音频功率放大IC应用电路原理图说明及设计注意事项左手665收藏时间:2016年1月15日10:15PAM8403/CS8403是一款3W,立体声D类音频功率放大器,能够以D 类放大器的效率提供AB类功率放大器的性能。
采用D类结构,PAM8403/CS8403能够以高于85%的效率提供3W功率。
新型的无滤波器结构可以省去传统的D类放大器输出低通滤波器,从而节省了系统成本和PCB空间,是便携式应用的理想选择。
采用DIP-16和SOP-16封装。
本文就该芯片的功能特点,应用原理及注意事项进行说明主要特点I无滤波的D类放大器,低静态电流和低EMII在4Q 负载和5V电源条件下,提供高达3W输出功率I高达90%效率I低THD低噪声I短路电流保护I热保护I极少外部元器件,节省空间和成本应用ILCD电视机、监视器引出端排列USB5V线控功放板双声道3WSP8403[升级功放板2.0迷你小音响功放线控功放板输入电压:2.0V-5.5V 宽电源输出功率:3W+3W输出阻抗:3欧效率:90% 声道数:双声道频率响应:150HZ-20KHZ尺寸:15mmX39m厚度(max)11mm此款2.0音响功放采用两片8403 音频放大器精心设计。
实现双声道输出完全独立,质量更稳定可靠!最大输出功率为3W最小输出为1.5W. 工作电压为2-5.5V,因此非常适合于电池或USB供电的低电压电子产品作为功率放大器节省了传统功放的自举电路及消振电路。
因此只要极少的外围元件(最少为只要四个元件)便可工作,节省了线路板空间,降低生产成本及设计成本。
特有的关断功能(高电平有效)可节省功耗,延长电池使用时间。
主要特性:1、输出功率:3欧负载/5V( 3.0W);4欧负载/5V2.5W); 2、关断电流:1uA3、工作电压:2.0-5.5V4、最大失真度:0.5%封装采用无铅封装SOP-8应用领域1、手提电脑2、台式电脑3、多媒体MINI 音箱4、游戏机、学习机5、收录机音频放大器等经过测试适用于百分之九十九的音响和喇叭,音质都相当的好!用移动电源和苹果4S 手机测试喇叭的喇叭几乎都是旧的(喇叭这东西新旧区别不是很大,区别最大的就是一个新一个旧)典型应用电路图采用原装龙鼎微PAM8403数字功放芯片(市面上大多是国产芯片),电路简单,工作可靠。
采用开关电源的高保真功放电路图
发布: | 作者: | 来源: shuankaige | 查看:1840次 | 用户关注:
本文介绍一种高频开关电源制作的高保真功放。
该功放选择美国NSC公司的LM833和LM3875作前后级搭配,目的是使数字音响发毛、刺耳的声音温柔化,干硬的声音音乐化。
电路原理:1、电源部分用高频开关电源取代笨重、庞大、低效和阻碍音质提高的传统电源,音质有一定的提高。
整个功放的音色使人倍感亲切、柔和。
图6-24是工作频率为100KHZ的开关电源图,其输出元器件选择与安装:高频开关电源可自制或购买武汉天龙公司DNC-22A成品印制板;
本文介绍一种高频开关电源制作的高保真功放。
该功放选择美国NSC公司的LM833和LM3875作前后级搭配,目的是使数字音响发毛、刺耳的声音温柔化,干硬的声音音乐化。
电路原理:
1、电源部分
用高频开关电源取代笨重、庞大、低效和阻碍音质提高的传统电源,音质有一定的提高。
整个功放的音色使人倍感亲切、柔和。
图6-24是工作频率为100KHZ 的开关电源图,其输出
元器件选择与安装:
高频开关电源可自制或购买武汉天龙公司DNC-22A成品印制板;LM833、LM3875选用美国NSC公司原装芯片;C3、C6选用无极性铝电解电容;L1用直径1MM的漆包线在铅笔上密绕10圈脱胎而成;前置级用1/4W金属膜电阻,后级用1/2W。
除电解、小瓷片电容外,其它电容用CBB型。
性能指标:。
3W STEREO CLASS-D AUDIO AMPLIFIER AND CLASS AB HEADPHONE DRIVER Notes: 1. No purposely added lead. Fully EU Directive 2002/95/EC (RoHS) & 2011/65/EU (RoHS 2) compliant.2. See /quality/lead_free.html for more information about Diodes Incorporated’s definitions of Halogen- and Antimony-free, "Green" and Lead-free.3. Halogen- and Antimony-free "Green” products are defined as those which contain <900ppm bromine, <900ppm chlorine (<1500ppm totalBr + Cl) and <1000ppm antimony compounds.Typical Applications CircuitSD MuteC S10.1m FInput Signal Input SignalHP/SPKPin DescriptionsFunctional Block DiagramL INR INVDDL OUT PL OUT NR OUT PR OUT NMute PLBypassVolumeSDHP/SPKVDDAbsolute Maximum Ratings (@T A = +25°C, unless otherwise specified.) (Note 4)functional operation of the device at these or any other conditions exceeding those indicated in this specification is not implied. Device reliability may be affected by exposure to absolute maximum rating conditions for extended periods of time.Recommended Operating Conditions(@T A = +25°C, unless otherwise specified.)Thermal Information(@T A = +25°C, unless otherwise specified.)Electrical Characteristics (@T A = +25°C, V DD = 5V, Gain = Max., R L=8Ω, unless otherwise specified.)Typical Performance CharacteristicsTHD+N vs. Output Power - SpeakerTHD+N vs. Frequency - SpeakerCrosstalk vs. Frequency - Speaker%W%W%Hz%HzdB Hzd BHzTypical Performance Characteristics (Cont.)PSRR vs. FrequencyOutput Noise vs. Frequency – Speakerd B r AHzd B Hzd BHzd B r AHzTypical Performance Characteristics (Cont.)Application InformationNon Clip Power Limit (NCPL) FunctionWhen output reaches the maximum power setting value, the NCLP circuits will decrease the gain to prevent the output waveform from clippinghelping to prevent speaker damage and maximizing audio performance. The PL pin is used to set and control the NCPL function. Table 1: NCPL Setting Threshold vs. OutputMute OperationThe MUTE pin is an input for controlling the Class-D output state of the PAM8019. A logic low on this pin enables the outputs and logic high on this pin disables the outputs. This pin may be used to quickly disable or enable the outputs without a volume fade. Quiescent current is listed in the electrical characteristic table. The MUTE pin can be left floating due to the internal pull-down.Shutdown OperationIn order to reduce power consumption while not in use, the PAM8019 contains shutdown circuit to turn off the amplifier ’s bias circuit. The amplifier is turned off when logic low is placed on the SD pin. The SD pin can be left floating due to the internal pull-up.Under voltage ProtectionExternal under voltage detection can be used to shut down the PAM8019 before an input device can generate a pop. The shutdown threshold at the UVP pin is 1.2V. The user selects a resistor divider to obtain the shutdown threshold and hysteresis for the specific application. The threshold can be determined as below: With the condition: R3 >> R1//R2V UVP = [1.2-(6µA x R3)] x (R1+R2)/ R2 Hysteresis = 5µA x R3 x (R1+R2)/ R2Power Supply DecouplingThe PAM8019 is a high performance CMOS audio-amplifier that requires adequate power supply decoupling to ensure the THD and PSRR are as low as possible. Power supply decoupling also prevents oscillation caused by long leads between the amplifier and the speaker. The optimum decoupling is achieved by using two capacitors of different types that target different types of noise on the power supply leads. A good Low-Equivalent-Series-Resistance (ESR) ceramic-capacitor of typically 0.1µF is recommended to be placed as close as possible to the V DD pin to filter the higher frequency transients, spikes or digital hash on the line. Filtering lower-frequency noise signals a large capacitor of 10µF or greater should be placed near the audio amplifier.Application Information (Cont.)Input Capacitor (CI)It is desirable to use a large input capacitor but in applications where the speaker lacks the ability to reproduce signals below 100Hz to 150Hz itmay be possible to minimize CI without effecting system performance. Input Capacitor (CI) and Input Resistance (RI) of the amplifier form a high-pass filter with the corner frequency determined equation below:Fc = 1/ 2πR I x CIIn addition to system cost and size, click and pop performance is affected by the size of the coupling capacitors. A larger in/out coupling capacitor requires more charge to reach its quiescent DC voltage (Normally 1/2 V DD ). This charge comes from the internal circuit via the feedback and is more likely to create pops upon device enable. Minimizing the capacitor size based on necessary low frequency response can minimize the turn on pop.Bypass Capacitor (C BYP )Bypass Capacitor (C BYP ) is the most critical capacitor and serves several important functions. During start-up or recovery from shutdown mode, C BYP determines the rate at which the amplifier starts up. The second function is to reduce noise produced by the power supply caused by coupling into the output signal. The noise is from the internal analog reference to the amplifier, which appears as degraded PSRR and THD+N.A ceramic bypass capacitor (C BYP ) of 0.47µF to 1.0µF is recommended for the best THD and noise performance. Increasing the bypass capacitor reduces clicking and popping noise from power on/off and when entering and leaving shutdown.Ordering InformationK:QFN4x4Marking InformationY: Year W: Week X: Internal CodePackage Outline Dimensions (All dimensions in mm.)Please see /package-outlines.html for the latest version.U-QFN4040-20Suggested Pad LayoutPlease see /package-outlines.html for the latest version.U-QFN4040-20DD2EbLE2AA1A3(Pin #1 ID)Seating PlaneZ (8x)e。
3W MONO CLASS D AUDIO AMPLIFIERDescriptionThe PAM8304 is a mono filter-less Class-D amplifier with high SNRand differential input that helps eliminate noise. The PAM8304 supports 2.8V to 6V operation make it idea for up to 4 cells alkaline battery applications. The PAM8304 is capable of driving speaker loads as low as 3Ω speaker with a 5V supply maximizing the output power.Features like greater than 90% efficiency and small PCB area make the PAM8304 Class-D amplifier ideal for portable applications. The output uses a filter-less architecture minimizing the number of external components and PCB area whilst providing a high performance, simple and lower cost system.The PAM8304 features short circuit protection, thermal shutdown and under voltage lock-out.The PAM8304 is available in DFN3030-8L and MOP-8L packages.Features∙ Supply Voltage from 2.8V to 6.0 V ∙ 3Ω Driving Capability∙ 3.0W@10% THD Output with a 4Ω Load and 5V Supply ∙ High Efficiency up to 90% @1W with an 8Ω Load ∙ Shutdown Current <1μA ∙ Superior Low Noise without Input ∙ Short Circuit Protection∙ Thermal Shutdown∙ Available in Space Saving DFN3030-8L and MSOP-8L Packages ∙Pb-Free PackagePin AssignmentsMSOP-8L Top ViewDFN3X3-8L Top View12345678P8304XXXYWOUT+PVDD VDD IN- IN+SD GND OUT-12345678P8304XXXYWOUT+PVDD VDD IN- IN+SD GND OUT-Applications∙ MP4/MP3 ∙ GPS ∙ Set-Top-Box ∙Tablets/Digital Photo Frame ∙ Electronic Dictionary ∙ Portable Game MachinesTypical Applications CircuitV IPin DescriptionsPin Name MSOP-8L/DFN3x3-8L Function OUT+ 1 Positive BTL Output PVDD 2 Power Supply VDD 3 Analog Power Supply IN- 4 Negative Differential Input IN+ 5 Positive Differential Input /SD 6 Shutdown Terminal, Active Low GND 7 Ground OUT- 8 Negative BTL Output Exposed Pad —NCFunctional Block DiagramSDIN-PVDD GNDAbsolute Maximum Ratings (@T A = +25°C, unless otherwise specified.)Parameter Rating UnitSupply Voltage (VDD) 6.5 V Input Voltage (IN+, IN-, /SD) -0.3 to V DD +0.3 V Storage Temperature-65 to +150°C Maximum Junction Temperature 150°CRecommended Operating Conditions (@T A = +25°C, unless otherwise specified.)Symbol Parameter Min Max Unit V DD Supply Voltage 2.8 6.0 V T A Operating Ambient Temperature Range-40 +85 °C T JJunction Temperature Range-40+125°CElectrical Characteristics (@TA=25°C, VDD=5V, Gain=18dB, RL=L(33μH)+R+L(33μH), unless otherwise noted.)Symbol Parameter Test ConditionsMin Typ Max Unit VDD Supply Voltage2.8 6.0 V Po Output PowerTHD+N = 10%, f = 1kHz, R = 4ΩVDD = 5.0V3.0W VDD = 3.6V 1.5VDD = 3.2V 1.2 THD+N = 1%, f = 1kHz, R = 4ΩVDD = 5.0V 2.4 WVDD = 3.6V 1.25 VDD = 3.2V 1.0 THD+N = 10%, f = 1kHz,R = 8ΩVDD = 5.0V 1.75 WVDD = 3.6V 0.90 VDD = 3.2V 0.70 THD+N = 1%, f = 1kHz, R = 8ΩVDD = 5.0V 1.40 WVDD = 3.6V 0.72 VDD = 3.2V 0.60 THD+NTotal Harmonic Distortion Plus NoiseVDD = 5.0V, Po = 1W, R = 8Ω f = 1kHz0.17 %VDD = 3.6V, Po = 0.1W, R = 8Ω 0.16 VDD = 3.2V, Po =0.1W, R = 8Ω 0.14 VDD = 5.0V, Po = 0.5W, R = 4Ω f = 1kHz 0.14 %VDD = 3.6V, Po = 0.2W, R = 4Ω 0.16VDD = 3.2V, Po = 0.1W, R = 4Ω0.17 PSRR Power Supply Ripple Rejection VDD = 3.6V, Inputs ac-grounded with C = 1μFf=217Hz -68dB f=1kHz -70f=10kHz-67DynDynamic RangeVDD = 5V,THD = %, R = 8Ω f =1kHz95 dBVn Output NoiseInputs ac-groundedNo A weighting 170μVA-weighting130 η Efficiency RL = 8Ω,THD = 10%f=1kHz93%RL = 4Ω,THD = 10% 86IQ Quiescent Current VDD = 5V No Load 5 mA Isd Shutdown Current VDD = 2.8V to 5V /SD=0V1 μA Rdson Static Drain-to Source On-state Resistor High Side PMOS,I = 500mAVDD=5.0V 325 m ΩLow Side NMOS,I = 500mA VDD=5.0V 200m Ω fsw Switching Frequency VDD = 2.8V to 5V 400 kHzGv Closed-loop Gain VDD = 2.8V to 5V300K/RinV/V Vos Output Offset Voltage Input ac-ground, VDD = 5V 50 mV VIH SD Input High Voltage VDD = 5V 1.4VVILSD Input Low VoltageVDD = 5V1.0Performance Characteristics (@TA=25°C, VDD=5V, Gain=18dB, RL=L(33μH)+R+L(33μH), unless otherwise noted.)THD+N Vs. Output Power (RL=4Ω) THD+N Vs. Output Power (RL=8Ω)THD+N Vs. Frequency PSRR Vs. FrequencyFrequency Response Noise FloorPerformance Characteristics (@TA=25°C, VDD=5V, Gain=18dB, RL=L(33μH)+R+L(33μH), unless otherwise noted.)Efficiency Vs. Output Power (RL=4Ω) Efficiency Vs. Output Power (RL=8Ω)Quiescent Current Vs. Supply Voltage OSC Frequency Vs. Supply VoltageStart-up Response Shutdown ResponseApplication InformationInput Capacitors (Ci )In the typical application an input capacitor Ci is required to allow the amplifier to bias the input signal to the proper DC level for optimum operation. In this case, Ci and the minimum input impedance Ri form a high-pass filter with the corner frequency determined in the follow equation:()C 1f 2RiCi π=It is important to consider the value of Ci as it directly affects the low frequency performance of the circuit. For example, when Ri is 150k Ω and the specification calls for a flat bass response down to 150Hz. The equation is reconfigured as followed to determine the value of Ci:()i c 1Ci 2R f π=When input resistance variation is considered, if Ci is 7nF one would likely choose a value of 10nF. A further consideration for this capacitor is the leakage path from the input source through the input network (Ci, Ri and Rf) to the load. This leakage current creates a DC offset voltage at the input to the amplifier that reduces useful headroom, especially in high gain applications. For this reason, a low-leakage tantalum or ceramic capacitor is the best choice. When polarized capacitors are used the positive side of the capacitor should face the amplifier input in most applications as the DC level is held at VDD/2, which is likely higher than the source DC level. Please note that it is important to confirm the capacitor polarity in the application.Decoupling Capacitor (CS )The PAM8304 is a high-performance CMOS audio amplifier that requires adequate power supply decoupling to ensure the output total harmonic distortion (THD) as low as possible. Power supply decoupling also prevents the oscillations causing by long lead length between the amplifier and the speaker.Optimum decoupling is achieved by using two different types of capacitors that target different types of noise on the power supply leads. Higher frequency transients, spikes or digital hash should be filtered with a good low equivalent-series-resistance (ESR) ceramic capacitor with a value of typically 1μF. This capacitor should be placed as close as possible to the VDD pin of the device. Lower frequency noise signals should be filtered with a large ceramic capacitor of 10μF or greater. It's recommended to place this capacitor near the audio power amplifier.How to Reduce EMIMost applications require a ferrite bead filter for EMI elimination as shown in Figure 1. The ferrite filter reduces EMI around 1MHz and higher. When selecting a ferrite bead it should be chosen with high impedance at high frequencies but low impedance at low frequencies.Figure 1 Ferrite Bead Filter to Reduce EMIApplication Information (cont.)Shutdown OperationIn order to reduce power consumption while not in use the PAM8304 contains amplifier shutdown circuitry. When a logic low or ground is applied to the /SD pin the PAM8304 will enter a standby mode and supply current drawn will be minimized.Under Voltage Lock-out (UVLO)The PAM8304 incorporates circuitry designed to detect low supply voltage. When the supply voltage drops to 2.0V or below, the PAM8304 goesinto a state of shutdown. The device returns to normal operation only when VDD is higher than 2.5V.Short Circuit Protection (SCP)The PAM8304 has short circuit protection circuitry on the outputs to prevent the device from damage when output-to-output shorts or output-to-GND shorts occur. When a short circuit occurs, the device immediately goes into shutdown state. Once the short is removed the device will be reactivated.Over Temperature Protection (OTP)Thermal protection prevents the device from damage. When the internal die temperature exceeds a typical of 150°C the device will enter a shutdown state and the outputs are disabled. This is not a latched fault, once the thermal fault is cleared and the temperature of the die decreased by 40°C the device will restart with no external system interaction.Anti-POP and Anti-Click CircuitryThe PAM8304 contains circuitry to minimize turn-on and turn-off transients or “click and pops”, where turn-on refers to either power supply turn-on or device recover from shutdown mode. When the device is turned on, the amplifiers are internally muted. An internal current source ramps up the internal reference voltage. The device will remain in mute mode until the reference voltage reach half supply voltage. As soon as the reference voltage is stable, the device will begin full operation. For the best power-off pop performance, the amplifier should be set in shutdown mode prior to removing the power supply voltage.Ordering InformationA: 8 Pin Y: DFN3030 R: Tape & RealS: MSOPPart Number Package Standard Package PAM8304AYR DFN3030-8L 3,000Units/Tape&RealPAM8304ASR MSOP-8L 2,500Units/Tape&RealMarking InformationDFN3030 /MOP8Package Outline Dimensions (All dimensions in mm.)Package: DFN3030Unit: MillimeterPackage Outline Dimensions (All dimensions in mm.)Package: MSOPPAM8304Document number: DS36589 Rev. 1 - 211 of 11October 2013© Diodes IncorporatedDiodes IncorporatedIMPORTANT NOTICEDIODES INCORPORATED MAKES NO WARRANTY OF ANY KIND, EXPRESS OR IMPLIED, WITH REGARDS TO THIS DOCUMENT, INCLUDING, BUT NOT LIMITED TO, THE IMPLIED WARRANTIES OF MERCHANTABILITY AND FITNESS FOR A PARTICULAR PURPOSE (AND THEIR EQUIVALENTS UNDER THE LAWS OF ANY JURISDICTION).Diodes Incorporated and its subsidiaries reserve the right to make modifications, enhancements, improvements, corrections or other changes without further notice to this document and any product described herein. Diodes Incorporated does not assume any liability arising out of the application or use of this document or any product described herein; neither does Diodes Incorporated convey any license under its patent or trademark rights, nor the rights of others. Any Customer or user of this document or products described herein in such applications shall assume all risks of such use and will agree to hold Diodes Incorporated and all the companies whose products are represented on Diodes Incorporated website, harmless against all damages.Diodes Incorporated does not warrant or accept any liability whatsoever in respect of any products purchased through unauthorized sales channel. Should Customers purchase or use Diodes Incorporated products for any unintended or unauthorized application, Customers shall indemnify and hold Diodes Incorporated and its representatives harmless against all claims, damages, expenses, and attorney fees arising out of, directly or indirectly, any claim of personal injury or death associated with such unintended or unauthorized application.Products described herein may be covered by one or more United States, international or foreign patents pending. Product names and markings noted herein may also be covered by one or more United States, international or foreign trademarks.This document is written in English but may be translated into multiple languages for reference. Only the English version of this document is the final and determinative format released by Diodes Incorporated.LIFE SUPPORTDiodes Incorporated products are specifically not authorized for use as critical components in life support devices or systems without the express written approval of the Chief Executive Officer of Diodes Incorporated. As used herein:A. Life support devices or systems are devices or systems which:1. are intended to implant into the body, or2. support or sustain life and whose failure to perform when properly used in accordance with instructions for use provided in thelabeling can be reasonably expected to result in significant injury to the user.B. A critical component is any component in a life support device or system whose failure to perform can be reasonably expected to cause thefailure of the life support device or to affect its safety or effectiveness.Customers represent that they have all necessary expertise in the safety and regulatory ramifications of their life support devices or systems, and acknowledge and agree that they are solely responsible for all legal, regulatory and safety-related requirements concerning their products and any use of Diodes Incorporated products in such safety-critical, life support devices or systems, notwithstanding any devices- or systems-related information or support that may be provided by Diodes Incorporated. Further, Customers must fully indemnify Diodes Incorporated and its representatives against any damages arising out of the use of Diodes Incorporated products in such safety-critical, life support devices or systems.Copyright © 2013, Diodes Incorporated。
四款300W音频功放电路图详解一.300W音频功放电路图选用MJL4281A(NPN)和MJL4302A(PNP),具有高带宽,良好的SOA(安全工作区),高线性和高增益。
驱动晶体管选用MJE15034(NPN)和MJE15035(PNP)。
所有器件的额定电压为350V。
输出三极管选用MJL4281A(NPN)和MJL4302A(PNP),具有高带宽,良好的SOA(安全工作区),高线性和高增益。
驱动晶体管选用MJE15034(NPN)和MJE15035(PNP)。
所有器件的额定电压为350V。
性能指标:8Ω4Ω电压增益27dB27dB功率(连续)153W (240W)240W (470W)峰值功率 - 10 ms185W (250W)344W (512W)峰值功率 - 5 ms185W (272W)370W (540W)输入电压1.3V (2.0V)RMS1.3V (2.0V) RMS噪声 *-63dBV (ref. 1V)-63dBV (ref. 1V)S / N比 *92dB92dB失真0.4%0.4%失真(@ 4W)0.04% (1 Khz)0.04% (1 Khz)失真(@ 4W)0.07% (10 kHz)0.07% (10 kHz)摆率》 3V/us》 3V/us300W音频功率放大器电路原理图300W音频功率放大器电源线路图二.由STK3152Ⅲ组成的300W功放电路前置放大电路信号输入采用平衡与不平衡两种方式,平衡输入电路由运放NE5532及外围电路组成,不平衡输入直接送人STK3152Ⅲ的1脚和15脚,经STK3152Ⅲ放大后的信号分别由5、6、10、11脚输出,2、14脚分别为两个声道的负反馈输入端NF。
电源电路功率放大电路每声道采用了8对日本东芝生产的发烧级大功率对管,以保证足够的电流驱动能力。
制作时也可根据实际需要选取合适的功率管数量。
图8对应的印板图见图9。
由于工作电流较大,整流滤波部分没有采用印板,而是采用直接搭焊的形式。
PAM8901双声道耳机功放IC原理图及PCB说明产品名称:PAM8901(具有杂音抑制功能的25mW DirectPath? 双声道耳机放大IC)封装形式:QFN-16兼容型号:TPA6132A2/TPA6136A2产品功能:2X.0.025W/3.6V/16?产品说明描述PAM8901是 DirectPath? 立体声耳机放大器,无需使用外部直流阻隔输出电容器。
差动立体声输入和内置电阻设置器件增益,进一步减少了外部组件数。
增益可以选择–6dB、0dB、3dB 或 6dB。
该放大器使用单个 2.3V 电源为16Ω 扬声器提供 25mW 功率。
PAM8901 提供独立于电源电压的恒定最大输出功率,从而为防声震设计提供了方便。
PAM8901采用全差动输入,以减少音频源与耳机放大器之间的系统噪声拾取。
高电源噪声抑制性能和差动架构增加了噪声抗扰度。
对于单端输入信号,请将INL+ 和INR+ 接地。
该器件具有内置杂音抑制电路,可以完全消除开启和关闭期间的噼啪噪声干扰。
放大器输出具有短路和过热保护以及?8 kV HBM ESD 保护,简化了终端设备符合IEC 61000-4-2 ESD 标准的工作。
PAM8901 通过单个2.3V 至5.5V 电源供电,电源电流为 2.1mA 至1?A。
管教完全兼容TPA6132A2。
特性采用 DirectPath? 专利技术,无需输出偏置为 0V 的直流阻隔电容器卓越的低频保真度喀嗒/噼啪噪声抑制活动电源电流通常为 2.1mA全差动或单端输入o内置电阻减少了组件数o改善了系统噪声性能2.3V 至 5.5V 电源提供恒定最大输出功率 o简化了设计以防声震改善了 RF 噪声抗扰度符合 Microsoft? Windows Vista? 要求 ?高电源噪声抑制o在 217Hz 时为 100dB PSRRo在 10kHz 时为 90dB PSRR宽电源范围:2.3V 至 5.5V增益设置:–6dB、0dB、3dB 和 6dB短路和过热保护8kV HBM ESD 保护输出提供小封装o16 引脚,3mm × 3mm 超薄 QFN应用原理图。
全数字音频功放电路组装DIY详细步骤图解本文分享一则全数字音频功放电路组装的DIY 详细步骤、所需材料及桌面音箱实现功能等内容,所使用数字功放板电路、开关电源、显示面板及线路焊接,到最终成型测试整体装配。
近些天自己DIY 组装了一台小型全数字桌面功放,小巧玲珑的样子放在桌面上用于电脑放歌还比较般配,该功放特点如下:1. 外观尺寸:铝合金型材外壳74.2mm&TImes;89.6mm&TImes;130mm2. 输出功率:2&TImes;3W(用于推动左右3W 小音箱)、2&TImes;15W(可用于推动书架式音箱)。
(均不需散热器)3. 供电方式:USB(仅限2×3W组)、内置电池3.6V(仅限2×3W组)、220V 交流电,三种方式都可独立供电,USB 和220V 交流电供电时可对内置电池充电。
4. 操作方式:面板按键+遥控。
5. 播放功能:支持U 盘、SD 卡、外接音频输入、调频收音。
6. 播放格式:MP3。
7. 显示:双色LCD 液晶显示。
8. 语音:支持多国语,可显示中文歌曲、歌词。
下面将我制作的过程给大家分享下:先准备材料和元器件:1. 带液晶显示的MP3 解码播放器2. 铝合金外壳74.2mm×89.6mm×130mm,尺寸要安装得下MP3 播放器面板3. 数字功率放大板TA2024 数字功放4. 数字功放板所用开关电源:12V3A 其实一些液晶显示器电源或笔记本电源也可。
5. 各种所需的接线柱、插头座、线材等6. 喇叭:4Ω3W7. 电源开关:带LED 指示的全金属自锁开关然后就对面板和外壳进行挖孔、转眼,安装上MP3 播放面板和后面板上的插座、接线柱。
固定功放板和开关电源板:我是用的实验板来当固定基板。
测试下装配焊接线,加装滤波电路和5V稳压电路,安装内置电池。
最后整体装配tips:感谢大家的阅读,本文由我司收集整编。
精心整理
PAM8403CS8403小功率3W 双声道D 类音频功放电路图
PAM8403/CS8403小功率3W 双声道D 类音频功率放大IC 应用电路原理图说明及设计注意事项左手665收藏时间:2016年1月15日10:
15PAM8403/CS8403是一款3W ,立体声D 类音频功率放大器,能够以D 类放大器的效率提供AB 类功率放大器的性能。
采用D 类结构,
PCB 本文D 达3W l 热保护l 排列效率:90%
声道数:双声道
频率响应:150HZ-20KHZ
尺寸:15mmX39mm 厚度(max)11mm 此款2.0音响功放采用两片8403音频放大器精心设计。
实现双声道输出完全独立,质量更稳定可靠!
最大输出功率为3W,最小输出为1.5W.工作电压为2-5.5V,因此非常适合于电池或USB供电的低电压电子产品作为功率放大器节省了传统功放的自举电路及消振电路。
因此只要极少的外围元件(最少为只要四个元件)便可工作,节省了线路板空间,降低生产成本及设计成本。
特有的关断功能(高电平有效)可节省功耗,延长电池使用时间。
主要特性:1、输出功率:3欧负载/5V(3.0W);4欧负载/5V2.5W);2、关断电流:1uA3、
应用领域15、
3Wx2
8欧姆6欧姆4欧姆阻抗喇叭,建议使用2~10W喇叭供电建议单节可充电锂电池或USB5V供电,也可用三节1.5V电池或四节1.2V充电电池供电。
用变压器供电一定要加5V稳压电路,不加稳压电路电压纹波超过5.5V芯片将烧坏。
电源正负极不能接反,电源电压不能超过5.5V,否则会烧毁IC损坏。
不要改动板上任何元件参数,不符合的参数将会导致IC损坏。
音频输入线请尽量用带屏蔽的线,可以起到抗干扰作用,消除杂波电流声。
输出为cmos管BTL驱动方式,左右喇叭的负极不能够接在一起,即接喇叭的4条线是完全独立的,不允许共接,否则会烧毁IC损坏。
先接通扬声器再接通电源,否则容易对芯片造成损坏;
由于模块中的数字音量控制具有很大的增益,所以不要让音频信号输入过大而失真应用:LCD电视机、监视器、笔记本电脑、便携式扬声器、便携
式
,
为18k
的快速关闭/启动,而不需要慢慢减低音量。
因为内部的上拉电阻,MUTE 引脚还可以悬空。
关断工作模式为了减少不使用时的功率消耗,
PAM8403/CS8403包含关闭电路来关闭放大器的偏压电路,当SHDN引脚加低电平时,器件处于关断模式,电源电流将会减至最小,因为内部上拉电阻,SHDN引脚还可以悬空。
电源退耦PAM8403/CS8403是高性能CMOS 音频放大器,需要足够的电源退耦以保证输出THD和PSRR尽可能小。
电源的退耦需要两个不同类型的电容来实现。
为了更高的频率响应和减小
噪声,一个适当等效串联电阻(ESR)的陶瓷电容,典型值1.0uF,放置在尽可能靠近器件VDD端口可以得到最好的工作性能。
为了虑除低频噪声信号,推荐放置一个20uF(陶瓷电容)或更大的电容在靠近音频放大器出。
输入电容(Ci)对于便携式设计,大输入电容既昂贵又占用空间。
因此需要恰当的输入耦合电容,但在许多应用便携式扬声器的例子中,无论内部还是外部,很少可以重现低于100Hz至150Hz的信号。
因此使用一个大的
CBYP)
CBYP
降低了具有
VDD≥2.2V时器件再次开启回到正常状态。
短路保护PAM8403/CS8403具有短路保护功能,一旦检测到输出于输出、输出于地短路,芯片立即关闭,避免了芯片受损坏,如果短路消除,器件重新开启。
过温保护当芯片的温度超过140℃时,热保护电路起作用,芯片被关断。
由于芯片制造工艺的差异,不同的芯片之间最大有15℃的偏差,当温度下降到30℃后,热保护取消,8403正常工作。
EMI在电源端加一个1000uF的耦合电容,能有效减小EMI,前提是放大器到扬声器的距离小于(<20CM)。
大部
分应用是需要一个如图2所示的磁珠滤波器,滤波器有效地减小了1MHz 以上的EMI,该应用,在高频是应选择高阻抗的,而在低频率是应选择低阻抗的。
使用磁珠滤波器减小EMI使用注意事项1.当PAM8403/CS8403工作在无滤波器时,必须先接通扬声器再接通电源,否则容易对芯片造成损坏。
2.当PAM8403/CS8403工作在无滤波器时,最好在连接到扬声器的引出口先套上一个铁氧体磁环,以减少可能的电磁干扰。
3.芯片的极
6V,
包括年1月15日。