地下室自粘防水卷材施工设计方案
- 格式:doc
- 大小:213.66 KB
- 文档页数:17
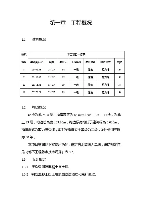
第一章工程概况1.1建筑概况1.2 构造概况8#楼为地上28层,构造高度为88.80m;9#、10#、11#楼,为地上33层,构造总高度103.80m;构造标高均低于建筑标高0.030m;构造形式为剪力墙构造,本工程构造安全等级为二级,设计使用年限为50年;本项目根据地下室使用功能,确定防水等级为二级,设防规定详见《地下工程防水技术规范》表3.3。
1.3 设计规定1.3.1 原构造钢筋混凝土挡土墙。
1.3.2 钢筋混凝土挡土墙表面基层清理和点补处理。
1.3.3 防水层做法为:2mm厚单面自粘防水卷材防水层,卷材防水层应铺至+0.000。
1.3.4 30厚聚苯泡沫板保护层。
1.3.5 最终随墙砌筑砖墙保护层:用M5水泥砂浆砌筑120m厚MU10页岩实心砖砖墙保护层。
第二章编制根据2.1 地下防水工程施工质量验收规范(GB50208-)2.2 地下工程防水技术规范GB50108-2.3 融侨城B2区施工图及技术变更(洽商)记录第三章材料规定3.1 根据设计规定:2mm厚单面自粘防水卷材;30厚聚苯泡沫板;120m厚MU10页岩实心砖;32.5水泥及河砂(砖砌体保护层)。
第四章、施工进度根据现场实际状况应加紧防水施工进度,尽快做好背坡回填。
进度安排(下表)。
融侨城B2区一标段8#、9#、10#、11#、楼总进度计划第五章施工措施5.1 基层规定:5.1.1 防水基层必须平整牢固,不得有突出旳尖角,凹坑和表面起砂现象,表面应清洁干燥,转角处应根据规定做半径为50mm旳圆弧角。
5.1.2 基层含水率要无明水珠即可。
5.1.3 防水层施工前必须将基层上旳尘土、砂粒、碎石、杂物、油污和砂浆突起物清除洁净。
5.2 施工准备:5.2.1 清理防水基层旳施工工具:铁锹、扫帚、吹尘器(或吸尘器)、手锤、刚凿、抹布等。
5.2.2 卷材铺贴旳施工工具:剪刀、卷尺、弹线盒、滚刷、胶压辊等。
5.2.3 施工时气温应在5℃以上,不适宜在尤其潮湿且不通风旳环境中施工,施工现场应有良好旳通风条件。
一、工程概况本工程采用自粘防水卷材进行施工,适用于各类建筑物屋面、地下室、室内墙面、卫生间、游泳池等防水工程。
自粘防水卷材具有施工简便、环保、耐久等优点,能有效提高建筑物的防水性能。
二、施工准备1. 材料准备:自粘防水卷材、基层处理剂、密封膏、切割刀、滚刷、压辊等。
2. 工具准备:卷尺、水平尺、线锤、刷子、压辊等。
3. 人员准备:专业防水施工队伍,具备相关资质和经验。
三、施工工艺1. 基层处理(1)基层应坚实、平整、无松散、起砂、起皮现象。
(2)基层应干燥,如有明水应先进行排水处理。
(3)基层上的孔洞、预埋件等应预先进行处理。
2. 防水层施工(1)施工前,将自粘防水卷材展开,检查是否有破损、气泡等质量问题。
(2)在基层上均匀涂刷基层处理剂,提高卷材与基层的粘结强度。
(3)根据设计要求,在基层上弹设基准线,确定卷材铺贴位置。
(4)揭掉卷材下表面的隔离膜,将卷材平铺在基层上,确保卷材平整、无皱褶。
(5)用压辊从卷材中心向两侧均匀压实,确保卷材与基层粘结牢固。
(6)搭接处卷材应重叠,搭接宽度不小于60mm,用密封膏封口。
(7)施工过程中,如遇管道、阴阳角等部位,应进行特殊处理。
3. 细部处理(1)管道、预埋件等部位,应先进行防水处理,再进行卷材铺贴。
(2)阴阳角、地漏等部位,应先进行加强处理,再进行卷材铺贴。
(3)施工完成后,检查卷材是否有破损、气泡等质量问题,及时修补。
四、施工质量控制1. 基层处理:确保基层坚实、平整、干燥,无松散、起砂、起皮现象。
2. 防水层施工:确保卷材平整、无皱褶,搭接处粘结牢固,无破损、气泡等质量问题。
3. 细部处理:确保管道、阴阳角等部位防水处理到位,无渗漏现象。
五、安全措施1. 施工人员应穿戴好安全帽、安全带等防护用品。
2. 施工现场应设置警示标志,确保施工安全。
3. 施工过程中,注意防火、防尘、防毒等安全措施。
六、施工进度安排根据工程实际情况,制定合理的施工进度计划,确保工程按期完成。
地下室卷材防水工程施工方案地下室是建筑物中容易受潮的区域,为了保护地下室免受水的侵害,对地下室进行防水处理是十分必要的。
本文将介绍地下室卷材防水工程的施工方案。
1. 施工前准备在进行地下室卷材防水工程之前,首先需要对地下室结构进行检查,确保结构完好无损。
清理地下室表面,确保表面平整、干燥,没有灰尘、油污等杂物。
2. 材料准备在进行地下室卷材防水工程时,需要准备卷材防水材料,包括聚氯乙烯(PVC)、改性沥青等防水卷材,以及粘结剂、底涂剂等辅助材料。
3. 施工步骤步骤一:底涂处理在进行地下室卷材防水工程之前,首先需要对地下室表面进行底涂处理。
将底涂剂均匀涂抹在地下室表面,增强卷材与地下室结构的粘结力。
步骤二:卷材铺设待底涂剂干燥后,开始进行卷材的铺设。
将防水卷材铺设在地下室表面,确保卷材与结构紧密贴合,卷材之间留有重叠部分,并通过焊接、粘接等方式进行连接。
步骤三:细部处理在卷材铺设完成后,对地下室的细部进行处理。
包括地下室与墙体、柱子等结构的连接处,以及水管、电缆等细节处进行密封处理,确保整体防水效果。
步骤四:检查验收完成地下室卷材防水工程后,进行检查验收。
检查地下室各处的防水工程是否完整,是否存在漏水、渗水等情况,确保地下室达到预期的防水效果。
4. 施工注意事项在进行地下室卷材防水工程时,需要注意以下事项:•施工过程中,应注意安全,确保施工人员配备好安全防护装备;•施工过程中,严格按照施工方案进行操作,保证施工质量;•施工完成后,对地下室进行保护,避免施工区域受到外部破坏。
通过以上施工方案的实施,可以有效提高地下室的防水效果,保护地下室免受水的侵害,延长地下室的使用寿命。
地下室外墙卷材防水施工方案目录一、工程概况 2二、施工准备 2三、施工方案 4四、成品保护7五、安全环保措施 8、工程概况本工程地下施工设防标准为GB50108-2008《地下工程防水技术规范》二级防水等级。
地下室外墙防水采用自防水混泥土加卷材防水层,20厚苯板加120厚页岩砖保护层。
二、施工准备2.1技术准备2.1.1施工方法的选择防水工程是关系到工程是使用工程的一项重要指标,它是工程施工过程的一项重点工程、难点工程。
施工方法和方案的选择对工程施工质量的好坏有着直接的影响。
本工程的地下室外墙SBS防水卷材采用热熔法满粘施工。
2.1.2工程开工前,先组织工程技术人员进入施工现场,了解现场情况,进一步弄清工程特点,解决施工技术与实施工艺质检的矛盾。
2.1.3技术交底防水工程施工前,由专业工长根据施工图纸和现行的规范要求结合本工程的实际情况对施工班组进行书面交底。
交底内容包括:施工部位、施工顺序、施工工艺、构造层次、节点设防方法、增强部位及做法,工程质量标准,保证质量的技术措施等,并经过现场技术负责人的审核后严格执行。
2.2现场准备2.2.1外墙面对拉螺栓应预先割掉,木垫块取出后用水泥砂浆抹平。
2.2.2基坑应清理干净,混凝土接缝处理平整,阴阳角处作成圆弧形或135° 折角。
2.2.3基层表面应干燥,含水率不大于9%(将1米见方的卷材盖在基层表面上,静置3h左右,若覆盖处表面无水印,且紧贴基层一侧的卷材五结露现象,即认为基层含水率小于9%)。
2.3材料准备本工程地下室外墙防水卷材用3mm厚聚酯胎SBS改性沥青防水卷材。
防水卷材的外观质量,品种规格应符合地下工程防水技术规范(GB50108-2008)和地下室防水工程施工质量验收规范(GB50208-2002)的有关规定要求。
聚酯胎防水卷材主要物理性能指数本工程所用防水材料在进场时,必须有出厂合格证、质量检验报告,并经过现场抽样复试合格后方可投入工程使用。
自粘型卷材防水施工方案1.工程概况本工程为地下室、人防车库防水施工工程所用材料:1.5mm厚和 2mm厚SAM-920(921)自粘聚合物改性沥青防水卷材(聚酯胎)1.1地下室防水概况本工程地下室防水等级为二级(总配电房底板防水等级为一级)地下室底板及侧墙防水做法为:A、地下室底板:自防水钢筋混凝土底板50厚C20细石混凝土保护层2mm厚自粘性防水卷材100厚C15混凝土垫层素土夯实B、地下室总配电房底板:自防水钢筋混凝土底板50厚C20细石混凝土保护层1.5mm厚自粘性防水卷材2mm厚PBC-328非固化橡胶沥青防水涂料100厚C15混凝土垫层素土夯实C、地下室侧墙防水做法:回填土分层夯实泡沫板2厚自粘性防水卷材水泥浆一道(内掺建筑胶)自防水钢筋混凝土侧墙(原浆表面抹平压光)本工程采用的辽宁大禹防水材料科技发展有限公司生产的湿铺高分子自粘聚合物改性沥青防水卷材,各种性能符合国家的规定的标准。
1.2 编制依据(1)根据现场踏勘;(2)编制依据:《地下工程防水技术规范》GB50108—2008《建筑防水构造一》13CJ40—1《地下建筑防水构造》10J301《屋面工程防水技术规范》GB50107—2001《屋面工程质量验收规范》GB50208—20082.施工准备2.1 技术准备熟悉与会审图纸,由项目负责人组织各专业班长及有关人员参加;由项目负责人组织技术、质量员及有关人员参加,编制和审定施工组织设计。
组织现场施工人员熟悉和审查施工图纸及有关技术措施,编制有关实施方案,在施工审定的基础上,技术人员要将工程概况、施工方案、技术措施及特殊部位的施工要点、注意事项等向全体施工人员做详细的技术交底,做到按设计施工图、规范和施工方案施工。
掌握工程的特点,明确施工中的重点、难点,学习本工程施工有关的规定、标准,并组织、安排对图纸进行预审、会审。
2.2 劳动力准备组成精干的施工队伍组织经常,并向施工班组进行安全、技施工组织设计及计划交底。
地下室防水卷材施工方案1. 引言地下室防水是保障建筑结构完整性以及防止地下室受潮、渗水等问题的重要措施。
在地下室防水施工中,地下室防水卷材是一种常用的防水材料,具有良好的防水性能和施工便捷性。
本文将介绍地下室防水卷材施工方案,包括材料准备、施工步骤和质量要求等内容。
2. 材料准备2.1 防水卷材地下室防水卷材一般选择聚合物改性沥青防水卷材、高分子聚合物防水卷材或者合成橡胶防水卷材。
根据具体施工要求和环境条件,选择对应的防水卷材材料,保证其质量符合国家标准要求。
2.2 基层处理材料基层处理材料包括基层清洁剂、基层处理胶、修补胶等。
基层清洁剂用于清洁基层表面的灰尘、油污等杂质,基层处理胶用于修补基层的裂缝和破损部分,修补胶用于填补防水卷材表面的孔洞和裂缝。
2.3 辅助材料辅助材料包括专用焊接烙铁、热风枪、切割刀等工具,用于卷材的切割、焊接和固定等操作。
3. 施工步骤3.1 基层处理在施工前,必须对地下室的基层进行处理,确保基层表面平整、无油污和杂质,并修补好裂缝和破损部分。
可使用基层清洁剂进行清洁,然后使用基层处理胶进行修补。
3.2 卷材铺设在基层处理完成后,将防水卷材按照图纸要求的位置进行铺设。
注意卷材的张紧度和平整度,确保卷材与基层紧密贴合,不留空隙。
需要注意的是,在卷材的接缝处需要进行专用焊接处理,确保接缝处的防水性能。
3.3 固定和修补铺设完卷材后,使用专用焊接烙铁对卷材进行固定焊接。
焊接时要求焊接头均匀、牢固。
同时,对卷材表面的孔洞和裂缝进行修补,使用修补胶填补,保证防水卷材的表面光滑。
3.4 防水层保护施工完成后,对防水层进行保护。
可以铺设一层保护层材料,如防水保护板或防水涂料,保护防水卷材不被外力损坏。
4. 质量要求4.1 卷材铺设质量卷材铺设要求平直、无皱褶、无翘曲现象,卷材与基层贴合良好,不得有空隙和松动现象。
4.2 焊接质量焊接质量要求焊接头牢固、均匀,不得有漏焊、断焊等现象。
焊接头的长度不应小于20mm,并且焊接头与卷材的接缝处应平滑。
彩钢自粘防水卷材施工方案*****建设工程有限企业自粘防水卷材施工方案一、空铺自粘防水卷材 (主要合用于地下室底板及其余合适空铺部位的防水工程。
)施工工艺流程:基层办理一一节点增强办理一一空铺卷材一一长、短边搭接粘结一质量查收1)基层办理:基层应平坦、坚固,无明水,将基层崛起物消除洁净。
2)节点增强办理:节点处按规范要求进行增强办理。
3)空铺卷材,卷材长、短边搭接宽度应切合有关规范要求。
4)长、短边搭接粘结:将卷材长、短搭接边处隔绝膜揭除,再用小压辊等压实粘牢。
二、粘贴自粘防水卷材 (主要合用于基层未做找平的彩钢房、屋面等防水工程。
)1.水泥沙浆随抹随粘贴粘易贴防水卷材施工工艺流程:基层办理一一抹水泥 (防水 )沙浆一一揭掉自粘防水卷材下表面的隔绝膜一一铺自粘防水卷材一一拍打卷材上表面、提浆一一晾放(24 小时至 48 小时 )一一对接口密封一一节点增强办理一一质量查收1)基层办理:基层表面应先作办理,使基层坚固、洁净,并充足润湿,无积水。
2)铺抹时应注意压实、抹平。
在阴角处,应抹成半径为50mm 以上的圆角。
卷材的长、短边宜各宽出100~300mm,并在铺抹过程中利用导轨保证平坦度。
3)揭掉自粘防水卷材下表面的隔绝膜。
4)铺粘易贴防水卷材:将自粘防水卷材平铺在水泥沙浆上。
卷材与相邻卷材之间为平行对接,对接缝应尽量拼严。
(当采纳搭接方式时,将下层卷材下表面搭接部位隔绝膜及上层卷材下表面隔绝膜揭除,而后搭接密实。
)5)拍打卷材上表面、提浆:用木抹子或橡胶板拍打卷材上表面,提浆,排出卷材下表面的空气,使卷材与水泥沙浆密切贴合。
6)晾放:晾放 24 小时至 48 小时 (详细时间视环境温度而定,一般状况下,温度愈高所需时间愈短)。
7)对接口密封:采纳附带自粘封口条密封。
对接口密封时,先将卷材搭接部位上表面的隔绝膜揭除,再粘贴附带自粘封口条。
若搭接部位被污染,需先清理洁净。
(:与上、基层卷材之问采纳搭接方式时,无需自粘封口条。
施工班子人员配备表13 XXX 防水工施工员14 XXX 防水工施工员15 XXX 防水工施工员施工组织机构:6、地下室立墙防水施工:在立墙防水卷材施工时,首先应找到挡土墙平面预留的防水卷材接头。
在立墙的转角处做好防水卷材的增强层(做法与阴、阳角部位防水增强层处理一致),在立墙与地下室的顶板转角处应将剪力墙的防水层预铺贴防水卷材250mm,宽在顶板面才能为以后顶板作防水层接头(所留接头需土建方加强保护)。
质量目标:达到优质工程。
工程质量保证技术措施如下:1、开展全面质量管理活动(TQC),贯彻执行ISO—9002质量保证体系,建立质量管理组织机构,配备专职质检工程师,树立全员“百年大计,质量第一”的思想,定期、认真地进行质量检查。
2、认真做好分部,分项工程的质量评定验收工作。
3、建立现场TQC办公室和各专业TQC小组,用全面质量管理的思想、方法和质量手段控制质量,切实推行“三全’’和“三工序”的管理,利用PDCA循环,及时监测总结,不断提高工程质量。
4、落实各级、各类上岗人员的岗位责任制。
实行奖优罚劣,重奖重罚;5、定期总结评比,及时表彰质量管理好的部门个人,严肃处理玩忽职守,不坚持质量标准,违反操作规程的部门和个人:6、坚持图纸会审制度,深刻领会设计说明书及图纸意图,了解施工程序;7、编制好分部,分项工程的施工方案,施工进度措施,排出劳动力计划;8、做好各分项工程施工技术交底工作,使有关工程人员做到心中有数;使有关工程人员了解工程设计内容特点,使其认真按图施工;使有关工程人员了解清楚工程特点、施工布暑、任务计划,管理措施;使有关工程人员了解施工工艺规范要求,质量标准,材料要求等;使有关工程人员熟悉现场特征,以便合理规划现场;9、严格质量检查制度,对各道工序,由现场负责先自检,再由质检人员检验,合格后方可进行下一道工序。
在项目经理部组织下,每半月检查一次,施工队由工程技术人员组织每周检查一次,质量检查严格履行手续,填报工程质量报表,项目经理部半月组织一次现场会进行评比。
地下室防水施工方案(自粘防水卷材)地下室作为建筑的重要部分,防水工程尤为关键。
自粘防水卷材是一种常用的防水材料,其施工方案直接关系到地下室的防水效果。
本文将介绍地下室防水施工过程中使用自粘防水卷材的方案和注意事项。
施工步骤1. 地下室准备工作在进行防水施工前,必须确保地下室墙面和基础表面干净、平整、无脏物和尘土,确保基础表面无裂缝和空鼓。
2. 粘结底层处理首先在基础表面涂刷底涂料,一般选择优质的底涂料作为底层处理,待干燥后即可进行下一步操作。
3. 自粘防水卷材铺设将自粘防水卷材垂直铺设在基础表面上,并用锤子轻轻拍打均匀,确保卷材与基础表面充分贴合。
在相邻卷材之间的接缝处要保持重叠,避免裂缝。
4. 卷材之间的接缝处理在卷材之间的接缝处进行处理,一般采用热风枪热风处理或使用专用接缝处理材料进行密封,确保接缝处的防水性能。
5. 抹面层处理最后在自粘防水卷材表面进行抹面处理,以增加表面的耐磨性和防水性能。
可以选择合适的抹面材料进行涂抹。
注意事项1.施工过程中必须保持环境清洁,避免灰尘和脏物进入施工区域,影响防水效果。
2.自粘防水卷材在施工前应进行验收,确保质量符合标准要求。
3.在施工结束后应该及时清理施工区域,并注意保护好已完成的防水材料,避免损坏。
4.在施工过程中如遇雨天或潮湿环境,应暂停施工,等待天气好转再进行施工。
5.在整个施工过程中要注意安全防护,避免发生意外事故。
通过以上施工步骤和注意事项的执行,可以有效提高地下室防水施工质量,确保地下室在日后不受潮湿和渗水等问题的困扰。
自粘防水卷材作为一种成熟的防水材料,在地下室防水工程中发挥着重要的作用。
地下室高分子自粘防水卷材防水施工方案(1)
地下室防水工程是建筑工程中关键的部分,特别是在高楼地下室的施工过程中。
一种常用的防水材料是高分子自粘防水卷材。
本文将介绍地下室高分子自粘防水卷材的施工方案,以帮助工程师和施工人员更好地实施防水工作。
预施工准备
在进行高分子自粘防水卷材施工之前,需要进行一系列的预施工准备工作。
首先,要对施工地点进行清理,确保地面平整干净,并清除所有尘土和杂物。
其次,进行基层处理,检查地面是否有开裂、凹凸不平等缺陷,如有需要进行修补处理。
材料准备
在施工过程中,需要准备好以下材料:高分子自粘防水卷材、专用胶粘剂、切
割工具、滚筒。
施工步骤
1.胶粘剂处理:在地面上均匀涂抹一层胶粘剂,保证其厚度均匀。
2.卷材铺设:将高分子自粘防水卷材从一侧开始铺设,确保卷材与地
面之间无气泡,并使用滚筒使其充分贴合。
3.重叠处理:卷材铺设时,要求相邻两块卷材之间有10-20cm的重叠
区域,使用切割工具将重叠部分切除,并用胶粘剂粘合。
4.边角处理:对墙角、管道等特殊部位,需使用切割工具将卷材剪裁
到合适尺寸,确保无空隙。
5.验收和清理:施工完成后,对整个防水层进行验收,确保无疏漏。
清理施工现场,确保整洁。
施工注意事项
•保证施工环境通风良好,避免胶粘剂挥发造成异味。
•避免卷材与粘结强度较差的基层直接接触,必要时使用隔离层。
•在施工过程中,及时处理遇到的问题,确保防水效果。
通过以上施工方案,可以有效地实施地下室高分子自粘防水卷材的防水工程,
保障建筑物的结构安全和使用寿命。
第1篇一、工程概况本工程位于XX市XX区,总建筑面积为XX万平方米,地下室面积为XX万平方米。
地下室防水等级为二级,防水设计使用年限为50年。
本方案针对地下室自粘卷材防水施工进行详细阐述。
二、施工准备1. 施工人员准备(1)施工人员应具备防水专业知识和技能,熟悉自粘卷材防水施工工艺。
(2)施工人员应持证上岗,熟悉相关法律法规和安全操作规程。
2. 材料准备(1)自粘卷材:应符合国家标准GB/T 23457-2009《建筑防水卷材》的要求。
(2)基层处理剂:应符合国家标准GB/T 23456-2009《建筑防水涂料》的要求。
(3)密封材料:应符合国家标准GB/T 18644-2008《建筑密封材料》的要求。
(4)施工工具:切割刀、剪刀、滚筒、刷子、钢卷尺、水平尺、垂直尺等。
3. 施工机具准备(1)卷材切割机:用于切割自粘卷材。
(2)电焊机:用于焊接接缝。
(3)鼓风机:用于吹扫基层表面。
4. 施工方案编制(1)根据设计图纸和现场实际情况,编制详细的施工方案。
(2)施工方案应包括施工工艺、施工顺序、质量标准、安全措施等内容。
三、施工工艺1. 施工顺序(1)基层处理:清除基层表面的浮尘、油污、杂物等,确保基层平整、干净、干燥。
(2)基层处理剂涂刷:均匀涂刷基层处理剂,厚度控制在0.5-1.0mm。
(3)自粘卷材铺设:按照设计要求,将自粘卷材铺设在基层上。
(4)接缝处理:采用专用密封材料填充接缝,确保密封效果。
(5)检验与验收:按照相关规范进行检验与验收。
2. 施工要点(1)基层处理基层处理是保证防水效果的关键环节,应确保基层平整、干净、干燥。
具体操作如下:- 清理基层表面的浮尘、油污、杂物等。
- 对基层进行打磨、修补,确保基层平整。
- 对基层进行干燥处理,含水率不大于8%。
(2)基层处理剂涂刷基层处理剂涂刷应均匀、饱满,厚度控制在0.5-1.0mm。
具体操作如下:- 将基层处理剂搅拌均匀。
- 使用刷子或滚筒均匀涂刷基层处理剂。
二期地下室单面自粘性SBS防水卷材施工方案定稿在地下室建筑中,防水工程是十分关键的环节,而在地下室防水工程中,SBS防水卷材是一种常用的防水材料。
本文将就二期地下室单面自粘性SBS防水卷材的施工方案进行详细阐述,以确保工程的质量和耐久性。
一、材料准备及质量要求1.SBS防水卷材:应符合相关标准要求,具有良好的柔韧性和粘接性。
2.底层处理材料:应选用具有良好粘结性能的底层处理材料,确保基层平整、干净。
3.其他辅助材料:如底胶、热风枪等需使用符合质量要求的辅助材料。
二、施工工艺流程1.基层处理:–清理基层,确保干净整洁。
–进行底层处理,使基层光滑平整,无松动、起砂。
2.卷材铺贴:–将SBS防水卷材卷放在施工现场,放置时间不得超过规定的存放期限。
–在底层处理材料上加涂石油沥青,将SBS防水卷材平铺,重叠部分应留有一定宽度。
3.辅助处理:–利用热风枪对SBS防水卷材进行热熔粘结,确保卷材与基层结合牢固。
–边角部位需特别处理,确保封闭牢固。
三、验收及保养1.验收:–完工后应进行验收,检查施工质量是否达标,确保没有漏水点和开裂等现象。
2.保养:–保养期间,应避免冲击、挤压等损坏卷材表面;保持地下室通风良好,保证卷材干燥。
四、施工注意事项1.施工过程中,应严格按照施工工艺流程进行,避免操作失误导致质量问题。
2.施工现场应保持清洁,材料存放整齐,确保施工条件良好。
五、结束语本文通过对二期地下室单面自粘性SBS防水卷材施工方案的详细阐述,可以帮助施工人员更好地掌握施工要点,确保地下室防水工程的施工质量。
希望本文能对相关从业人员有所帮助。
地下室防水施工方案一、工程概况1、沣渭·芊域阳光项目由西安沣渭地产有限公司投资新建,由中国建筑西北设计研究院有限公司设计。
本工程由5栋单位工程组成,其中14#~17#层高为地上27层,12#为33层,且地下室均为二层,地下一层为设备层,地下二层为人防设施层。
地下车库为通体车库,西侧有三层裙房一排。
建筑结构为框架剪力墙结构,其中12#楼长82.8m;宽16m。
14#楼长62.4m;宽15,4m。
15#楼长67.2m;宽14.7m。
16#长62.9m;宽15.4m。
17#长94.6m;宽15.4m。
楼建筑总面积134153.46 m2,地下车库面积65846.54m2,总建筑面积约20万m2。
本工程建筑工程等级为一级,建筑物抗震设防烈度为八度,建筑防火分类为一类高层商住,耐火等级为二级,合理使用年限为50年。
2、本工程设计室内首层标高±0.000相当于岩土工程勘察报告标高379.20,其中12#楼32层,楼高95.89m;14#楼27层,楼高80.10m;15#楼27层,楼高83.80m;16#楼27层,楼高80.29m;17#楼27层,楼高83.5m。
二、地下室防水设计要求地下室工程接线间防水等级为一级,三道防水;其余部位防水等级均为一级,采用二道设防。
1、14#、15#、16#、17#基础筏板梁、外墙均为C35P6砼刚性自防水。
内墙非抗渗C35砼。
12#基础筏板梁、外墙均为C40P6砼刚性自防水。
内墙非抗渗C40砼。
2、基础垫层及外墙为自粘聚合物改性沥青卷材,止外墙0.5m处。
依据设计蓝图要求,采用C20细石混凝土对自粘聚合物改性沥青卷材防水进行保护。
外墙采用20厚聚苯板保护。
C20细石混凝土施工应严格按照:抄平做灰饼冲筋抹平平板振动器振平收光收面机二次收光。
3、外墙自基础梁上300mm处设水平施工缝,安装BW-96型止水条,规格20×30mm,设置在外墙中间砼凹槽内。
工程地下室自粘防水卷材施工方案
在工程建设中,地下室是承载着重要功能的重要区域,因此需要特别重视地下
室的防水工作。
自粘防水卷材是常用于地下室防水的材料之一,具有施工便捷、效果可靠等优点。
本文将介绍工程地下室自粘防水卷材的施工方案,以确保工程质量和安全。
材料准备
1.地下室自粘防水卷材:选用优质的自粘防水卷材,确保质量可靠。
2.表面处理材料:用于清理地下室墙面,并确保墙面干燥、平整。
3.辅助工具:包括卷尺、刮板、滚筒等工具,用于施工过程中的辅助操
作。
施工步骤
1.清理墙面:首先对地下室墙面进行清理,去除杂物、油污等,保持墙
面干净。
2.表面处理:使用表面处理材料对墙面进行处理,确保墙面干燥、平整。
3.确定施工起点:在墙面上确定施工的起点,标记好位置,以便后续施
工。
4.卷材铺设:从墙面的起点处开始,将自粘防水卷材平整地铺设在墙面
上,确保卷材与墙面完全贴合。
5.边缘处理:在卷材铺设完成后,对卷材的边缘进行处理,确保密封性
良好。
6.补强处理:对墙角、管道等细节部位,进行加固,确保防水效果更佳。
7.检查验收:施工完成后,对整个防水层进行检查验收,确保质量符合
要求。
注意事项
1.施工过程中需注意安全,佩戴好安全防护用具。
2.在施工过程中,注意保持环境清洁,防止杂物污染防水层。
3.施工完成后,需做好防水层的维护工作,确保防水效果持久稳定。
通过以上施工方案的规范操作,可以有效提高工程地下室自粘防水卷材的施工
质量,保障地下室的防水效果,为工程建设提供可靠保障。
地下室外侧墙。
防水施工方案2、工程概况本工程地下室外侧墙防水工程采用:一层1.0mm水泥基渗透结晶防水涂料+ 一层1.5mmSAM921自粘防水卷材。
侧墙防水施工做法如下图:5、砌砖保护防水层4、挤塑板隔离隔气层3、1.5mmSAM921防水卷材2、1mmPCC501水泥基渗透结晶防水1、自防水钢筋混凝土侧墙3、施工条件3.1、材料准备:“雨虹”牌1。
5mmSAM—921自粘防水卷材、PCC501水泥基渗透结晶防水涂料、卷材密封膏、固定螺钉等3.2、施工机具准备:包括清理基层用工具,卷材铺贴用施工机具和辅助加热专用机具,必须配备的机具。
3。
3.1、基层坚实、平整、干净,并会同监理工程师严格执行交接检查;3.3。
2、平立面交接处、转折处、阴阳角、管根等均应做成均匀一致、平整光滑的圆角,圆弧半径不小于50mm;基层无蜂窝麻面;3。
3.3、穿出基层的构件须安装完毕后方可进行防水施工;3。
3.4、特别侧墙根部清理要直到底板下10-20cm,基层应干燥、干净。
4、施工工艺及施工细部节点处理施工应先作水平面,后作立面,两面交角处交叉进行;垂直立面交角时,先作转角后作平面。
4.1、水泥基渗透结晶型防水涂料施工工艺:4。
1。
1、基层处理:(1)、基层要求牢固、平坦、无孔洞;破损及凹凸不平处应先进行修补找平处理;新混凝土结构应在浇注7天后施工;过分光滑的混凝土需要打磨粗糙,以利与涂层与基面粘结牢固;(2)、将混凝土基层表面的尘土、杂物彻底清扫干净,并用清水对基层表面进行冲洗,保证基层基面干净。
在涂料施工前,混凝土表面必须再次用干净水冲洗,必须使其表面具有完全润湿的粗糙面(润湿,但不能有明水)。
4.1.2、特殊部位处理:(1)、对穿墙孔、结构裂缝(缝宽大于0。
4㎜)、施工缝等缺陷的部位应清洗干净后用涂料填满,待固化后再施工表层涂料。
(2)、对蜂窝结构及疏松结构均应凿除,并清理后清洗干净,然后用素浆补平后再施工表层。
第1篇一、工程概况本工程采用自粘卷材进行防水施工,自粘卷材具有施工简便、环保、耐久等优点,适用于各种防水工程。
以下为自粘卷材施工方案的具体内容。
二、施工准备1. 材料准备(1)自粘卷材:选择符合国家标准的自粘卷材,确保产品质量。
(2)基层处理剂:选用与自粘卷材相匹配的基层处理剂。
(3)施工工具:剪刀、滚筒、刮板、尺子、墨斗等。
2. 人员准备组织施工队伍,对施工人员进行技术培训,确保施工人员熟悉自粘卷材的施工工艺和质量要求。
3. 施工现场准备(1)清理施工现场,确保无杂物、无障碍物。
(2)施工场地应平整、干燥,防止自粘卷材在施工过程中发生起泡、脱落等现象。
(3)施工区域应设有警示标志,防止无关人员进入。
三、施工工艺1. 基层处理(1)对基层进行清理,确保基层表面平整、干净、无油污、无浮尘。
(2)根据基层情况,选用合适的基层处理剂,均匀涂刷在基层表面。
(3)基层处理剂干燥后,进行平整度检查,如有凹凸不平,应进行找平处理。
2. 自粘卷材铺设(1)将自粘卷材按顺序展开,确保卷材表面平整、无折痕。
(2)根据施工图纸要求,确定铺设方向,从低处向高处进行铺设。
(3)将自粘卷材紧贴基层,用刮板从中间向四周刮平,确保卷材与基层紧密贴合。
(4)卷材搭接处应重叠5-10cm,确保搭接牢固。
(5)对搭接处进行涂刷基层处理剂,提高粘结强度。
3. 防水层施工(1)在自粘卷材上涂刷一层防水涂料,形成防水层。
(2)防水涂料应均匀涂刷,不得有漏涂、起泡等现象。
(3)防水层干燥后,进行质量检查,确保防水层无渗漏。
4. 收尾工作(1)对施工区域进行清理,确保无残留物。
(2)施工完成后,对防水层进行试水试验,确保防水效果。
(3)做好施工记录,包括材料使用量、施工日期、施工人员等信息。
四、质量要求1. 基层处理:基层表面应平整、干净、无油污、无浮尘。
2. 自粘卷材:卷材表面应平整、无折痕,搭接处应牢固。
3. 防水层:防水层应均匀涂刷,无漏涂、起泡等现象。
地下室防水卷材施工方案地下室防水卷材施工方案一、施工准备1. 根据设计要求准备施工材料及设备,包括防水卷材、基层处理材料、沥青热熔胶、防水涂料、施工工具等。
2. 清理地下室基础墙面和地面,确保基层干净整洁。
3. 检查地下室基层有无裂缝、空鼓等问题,如有需要进行修复处理。
二、基层处理1. 在地下室基础墙面上刷涂基层处理材料,填补裂缝、砂眼等缺陷,并确保基层平整牢固。
2. 在地下室地面上铺设橡胶防水卷材,并进行胶粘。
3. 地下室墙面基层处理材料干燥后,进行涂刷防水涂料,提高整体的防水性能。
四、卷材铺设1. 把防水卷材平铺在基层上,拉直、排气、边缘重叠。
2. 边缘处的防水卷材重叠宽度不得小于100mm,并进行热熔胶粘接固定。
3. 防水卷材的横向与纵向边缘应有适当的重叠,搭接缝宽度不得小于100mm,并用热熔胶粘接。
4. 防水卷材铺设时,要避免损坏、扭曲和拉伸。
五、焊接处理1. 对于防水卷材的焊接处理,首先要进行试焊,确保焊接质量,并检查焊接是否牢固。
2. 焊接时,焊头要与防水卷材的表面保持一定角度,将焊接材料放入焊头的直角台阶上,进行热风焊接。
3. 焊接完毕后要进行检查,确保焊缝牢固、无漏水情况。
六、施工验收1. 施工完成后,对地下室防水卷材进行验收,检查是否有漏水、损坏等问题。
2. 对防水卷材的焊接质量进行检查,确保焊缝牢固。
3. 检查基层处理材料和防水涂料的涂刷质量是否达到设计要求。
4. 确保地下室防水卷材施工符合相关规范和要求,可以进行施工报验。
以上就是地下室防水卷材施工方案,希望能对您有所帮助。
目录.2 ·············································一、工程概况····4 ·······································二、编制依据..........4 ................................三、施工准备.................5 ..........................四、施工方案.......................11 ....................五、安全施工注意事项.....................12 ...............六、质量控制要求及常见问题原因、处理..........13 .........................七、成品保护 (14)····························八、检查、验收···················专业资料.一、工程概况该项目位于九江市柴桑区,交通便利,具有得天独厚的地理优势项目,为高层住宅部分。
计容总建筑面积约102407.29m2,地上总建筑82023.99平米,地下建筑面积20383.3平米,其中包括1#楼(26层)、2#楼(29层)、3#楼(33层)、5#楼(33层)、6#楼(28层、7#楼(26层)、8#楼(26层))。
建筑结构安全等级:一级,设计基准期:50年;设计使用年限:50年,地基基础设计等级:甲级,建筑耐火等级:一级,地下室防水等级:二级,屋面防水等级一级,场地地震基本烈度:6度;抗震设防烈度:6度;设计基本地震加速度值:0.05 g ,设计地震分组:第一组;建筑场地类别:二类,非液化,剪力墙抗震等级3级,框架抗震等级3级,地下室配电房及室外种植顶板区域防水等级为一级。
地下室防水做法如下;顶板防水(Ⅰ、Ⅱ级防水)1、覆土层2、C20细石砼保护层兼找坡层3、隔离层;无纺布一层4、防水层;Ⅰ级防水1.5厚自粘聚合物改性沥青防水卷材(无胎体)1.5厚自粘聚合物改性沥青防水卷材(无胎体)(仅变电所、配电房、电表间、弱电间有)Ⅱ级防水1.5厚自粘聚合物改性沥青防水卷材(无胎体)5、250厚防水混凝土顶板侧墙防水(Ⅰ、Ⅱ级防水).资料..1、素土回填,分层夯实2、30厚挤塑聚苯板保温层3、防水层;Ⅰ级防水1.5厚自粘聚合物改性沥青防水卷材(无胎体)1.5厚自粘聚合物改性沥青防水卷材(无胎体)(仅变电所、配电房、电表间、弱电间有)Ⅱ级防水1.5厚自粘聚合物改性沥青防水卷材(无胎体)4、混凝土结构自防水,抗渗等级P6底板防水(Ⅰ、Ⅱ级防水)1、防水混凝土底板2、50厚C20细石混凝土3、隔离层(无纺布)4、防水层;Ⅰ级防水1.5厚自粘聚合物改性沥青防水卷材(无胎体)1.5厚自粘聚合物改性沥青防水卷材(无胎体)(仅变电所、配电房、电表间、弱电间有)Ⅱ级防水1.5厚自粘聚合物改性沥青防水卷材(无胎体)5、100厚C15混凝土垫层6、素土夯实.资料..二、编制依据1、《地下工程防水技术规范》GB50108-20082、《地下防水工程质量验收规范》GB50208-20113、设计图纸及相关规范三、施工准备1、材料准备:自粘防水卷材、水泥、2、施工机具准备:包括清理基层用工具,卷材铺贴用施工机具,其他机具。
振动搅拌机搅拌造浆卷材使压粘结手持压辊清扫卷层用扫帚30米长,度量尺寸卷尺裁剪卷材用壁纸刀涂刷基层水泥浆液刮板搅拌容器水桶舀浆液水瓢3、基层准备:(1)、基层坚实、平整;铺贴防水卷材前,清扫应干净、干燥。
(2)、平立面交接处、转折处、阴阳角等均应做成均匀一致、平整光滑的圆角或45°坡角,圆弧半径不小于50mm;基层无蜂窝麻面;(3)、穿出基层的构件须安装完毕后方可进行防水施工;4、重点要求(1)、施工应先作水平面,后作立面,两面交角处交叉进行;垂直立面交角.资料..时,先作转角后作平面。
(2)、防水卷材的搭接宽度:自粘聚合物改性沥青防水卷材80mm,卷材接缝部位接缝口应用密封材料封严,其宽度不应小于10mm。
四、施工方案(一)作业条件:1、基层应干净、坚实、基本平整、无毛刺、无明水;2、阴阳角做成圆弧形,阴角最小半径50mm,阳角最小半径20mm;3、各种预埋件已安装完毕。
(二)工艺流程清理、清扫基面→湿润基层(如基层湿润无需此项工序)→计算铺贴长度,材料准备→铺抹素水泥浆→(同时)铺贴自粘聚合物改性沥青防水卷材→排气→晾放→卷材搭接→揭掉阴阳角节点部位防水卷材上表面隔离膜→卷材收头、密封→检查验收→下一道工序施工。
(三)施工方法1、清除基层表面的灰尘、杂物,干燥的基面预先淋水充分润湿。
如下小雨造成基底有湿润现象,则无需另外洒水,但须确保现场作业面无明水。
2、水泥加水充分搅拌均匀(干稀合适),并将其均匀铺抹在基层上,厚度为3~5mm。
水泥浆竖向铺抹(卷材竖向铺贴)。
3、揭掉卷材下表面的隔离膜,将卷材铺贴在刚抹好的表面湿粘的水泥浆上。
用抹子轻轻抹压卷材上表面,排出卷材下面的空气,使卷材与水泥浆紧密贴合,以上工作多人同时配合进行。
相邻卷材之间采用搭接的方式连接,长短边搭接宽度均为80-100mm。
.资料..4、待素水泥浆具备一定强度后,一般在48小时以后,将卷材搭接处位于下方卷材边缘的隔离膜揭除,将搭接边处清理干净(必要时可涂刷基层处理剂或密封膏处理)的水泥浆,使两幅卷材搭接密实。
5、在阴阳角等节点部位将自粘卷材上表面隔离纸揭除,满粘自粘防水卷材附加层,附加层总宽度不小于300mm,转角两侧各半。
6、在外墙挂铺卷材时,拉铺速度不宜过快,以免出现偏差难以纠正。
粘贴后随即用胶辊用力向前、向外侧滚压,排出空气,使卷材牢固粘贴在防水卷材上,卷材搭接宽度长边均为80mm,短边不小于100mm。
搭接边要特别注意滚压粘结严密。
7、卷材铺贴完成后,外墙或顶板管道包裹部位用专用密封膏密封严密,收头部位金属压条固定并用专用密封膏密封(其中管道包裹部位采用专用密封膏做法)。
8、卷材铺贴至砖胎膜上口标高后,尚须预留300mm作为与侧墙卷材的搭接。
预留部分可搭在砖胎膜上部,但要注意支模板时的卷材材料保护。
(四)施工注意事项1、基层质量直接影响到防水层的施工质量。
基面一定要坚实、平整、清洁,无疏松麻面、无浮杂污物,阴阳角做成顺直的圆弧形。
2、铺贴卷材应平整、顺直,搭接尺寸准确,不得有扭曲、皱折;卷材施工必须排除卷材下面的空气,并粘结牢固;3、自粘防水卷材在侧墙上铺贴时,铺抹素水泥浆应上下多人配合加快速度,并于素水泥浆表面失水前粘贴卷材,施工中若铺抹好的水泥浆失水过快,可在表面重新用宽幅软刷子刷上适量清水使其表面恢复粘性和流动性。
4、防水层施工特别是水泥浆铺贴卷材应避开阴雨、大风天气。
低温施工时,.资料..宜对卷材和基面采用热风适当加热,然后铺贴卷材。
5、粘铺自粘防水卷材时,不要将防水卷材上表面的隔离纸过早揭掉,以免污染粘结层。
6、立面卷材铺贴完成后,应将卷材端头固定,并应用密封材料封严;筏板上部预留的300mm卷材须做好材料保护。
7、侧墙部位卷材施工属于有上下交叉的高空作业,要戴好安全帽,系好安全带,避免出现安全事故。
(五)施工质量要求1、卷材接缝严密,无破损、断裂、异状粘结等缺陷。
2、节点部位加强处理按规范要求施工。
3、卷材搭接宽度的允许偏差为-10mm。
(六)、细部节点防水做法细部节点(阴阳角及其立面与水平面的转角处、施工缝、变形缝、后浇带、穿墙管道根、预埋件以及突出水平面的相关细部以及防水层及附加防水层密封的部位主要是搭接缝(俗称接缝口)和卷材末端收头)是防水工程的薄弱环节,必须有针对性的进行合理、安全、科学的设计并要求高质量的施工操作,才能保证地下室防水系统的整体性及密闭不透水性。
因此,细部节点附加层卷材粘贴完成并经检查质量合格后,即可进行主体防水层卷材的铺设和粘贴。
.资料..1、自粘卷材搭接缝:必须满粘粘实,必要时采用手持压轮进行压缝处理。
搭接缝的粘结:自粘卷材搭接缝的粘结,采用专用压辊在上层卷材的顶面均匀用力使压,以边缘呈密实粘合为准。
必要时采用专用压轮二次压边。
2、底板与外墙交接处防水做法地下室从底面(筏板面)折向立面的附加层卷材与永久性保护墙的结触部位采用粘结铺贴;但应注意保留预留二期衔接部分的隔离膜。
平立面交接处、转折处附加专用附加层卷材,自粘卷材收口部位采用砖体进行临时固定,待立墙施工时拆除临时保护,与底板自粘卷材接茬宽度不小于1.资料..50mm:3、顶板以上外墙自粘卷材收口做法顶板以上自粘卷材末端收头应采取机械固定,但收头部位均应用密封材料进行封闭,密封宽度不小于10mm。
立面卷材的收口采用固定钉固定、并用沥青基密封膏密封,在保证防水系统的安全性能的前提下,对延长防水系统的安全使用寿命起到极大的帮助。
柔性防水层收头如下图所示:、穿墙管防水自粘卷材做法4.资料..5、地下防水后浇带自粘卷材做法.资料..6、地下防水积水坑自粘卷材做法.资料..五、安全施工注意事项1、防水施工必须由具有防水施工资质的专业公司或施工队施工,施工人员必须经专业培训。