外墙真石漆技术交底1
- 格式:doc
- 大小:2.60 MB
- 文档页数:8
外墙真石漆技术交底通用版范本一:外墙真石漆技术交底通用版1. 项目概述1.1 项目名称1.2 项目地址1.3 施工单位1.4 监理单位1.5 设计单位1.6 施工合同编号1.7 技术交底日期2. 施工材料及施工条件2.1 外墙真石漆材料2.1.1 产品名称2.1.2 品牌2.1.3 生产厂家2.1.4 施工工艺说明书2.2 现场施工条件2.2.1 施工面积2.2.2 施工环境2.2.3 施工设备3. 工序交底3.1 材料准备3.1.1 接受材料验收3.1.2 材料储存与保管要求3.1.3 材料搬运与拆包3.2 基层处理3.2.1 基层清理3.2.2 基层抹灰3.2.3 基层防水处理3.3 底漆施工3.3.1 底漆选材3.3.2 底漆涂刷方法3.3.3 底漆干燥时间要求3.4 真石漆施工3.4.1 涂刷工艺要求3.4.2 涂刷次数与厚度3.4.3 超限部位处理3.5 防潮层施工3.5.1 防潮层选材3.5.2 防潮层施工方法3.5.3 防潮层厚度要求4. 质量控制4.1 施工人员要求4.2 施工检验与验收4.2.1 施工中自检要求4.2.2 施工中质量抽查4.2.3 施工结束自查验收4.3 现场问题处理4.3.1 施工中问题解决方法4.3.2 质量异常处理流程4.3.3 返修要求与流程附件:施工工艺说明书法律名词及注释:1. 外墙真石漆:用于外墙装饰的一种漆料,外观效果类似于石材表面。
2. 施工合同:施工单位与业主之间签订的合同,约定了施工工程的责任与要求。
3. 监理单位:负责对施工工程进行监督和管理的单位。
4. 设计单位:负责对施工工程进行设计与方案的单位。
范本二:外墙真石漆技术交底详细版1. 项目概述1.1 项目名称:1.2 项目地址:1.3 施工单位:1.4 监理单位:1.5 设计单位:1.6 施工合同编号:1.7 技术交底日期:2. 施工材料及施工条件2.1 外墙真石漆材料2.1.1 产品名称:2.1.2 品牌:2.1.3 生产厂家:2.1.4 施工工艺说明书:2.2 现场施工条件2.2.1 施工面积:2.2.2 施工环境:2.2.3 施工设备:3. 工序交底3.1 材料准备3.1.1 接受材料验收:3.1.2 材料储存与保管要求: 3.1.3 材料搬运与拆包:3.2 基层处理3.2.1 基层清理:3.2.2 基层抹灰:3.2.3 基层防水处理:3.3 底漆施工3.3.1 底漆选材:3.3.2 底漆涂刷方法:3.3.3 底漆干燥时间要求: 3.4 真石漆施工3.4.1 涂刷工艺要求:3.4.2 涂刷次数与厚度: 3.4.3 超限部位处理:3.5 防潮层施工3.5.1 防潮层选材:3.5.2 防潮层施工方法:3.5.3 防潮层厚度要求:4. 质量控制4.1 施工人员要求:4.2 施工检验与验收4.2.1 施工中自检要求:4.2.2 施工中质量抽查:4.2.3 施工结束自查验收:4.3 现场问题处理4.3.1 施工中问题解决方法:4.3.2 质量异常处理流程:4.3.3 返修要求与流程:附件:施工工艺说明书法律名词及注释:1. 外墙真石漆:用于外墙装饰的一种漆料,外观效果类似于石材表面。
外墙真石漆施工技术交底一、工程概述本工程为_____,位于_____,建筑总面积为_____平方米。
外墙装饰采用真石漆,以达到美观、耐久的效果。
二、施工准备1、材料准备(1)真石漆:选用质量合格、颜色符合设计要求的真石漆,确保其具有良好的耐候性、耐水性和附着力。
(2)底漆:选用抗碱封闭底漆,增强基层与真石漆的附着力,防止基层泛碱。
(3)面漆:选用罩面漆,提高真石漆的耐久性和耐污性。
(4)腻子:采用柔性腻子,填补基层的不平整和裂缝。
2、工具准备(1)喷枪:根据真石漆的颗粒大小选择合适的喷枪,确保喷涂效果均匀。
(2)滚筒:用于涂刷底漆和面漆。
(3)抹子、刮刀:用于基层处理和腻子施工。
(4)砂纸:用于打磨基层。
3、基层处理(1)将外墙基层表面的灰尘、油污、疏松物等清理干净。
(2)对基层的裂缝、孔洞进行修补,确保基层平整牢固。
(3)用砂纸打磨基层,去除表面的毛刺和凸起物,使基层表面平整光滑。
三、施工工艺1、基层处理(1)首先检查基层的平整度和垂直度,偏差较大的部位需进行处理。
(2)对于混凝土基层,如有脱模剂残留,应使用清洁剂清洗干净。
(3)对于砖墙基层,需提前浇水湿润,以增强腻子的附着力。
2、刮腻子(1)采用柔性腻子进行批刮,一般批刮 2-3 遍,每遍腻子厚度不宜超过 2mm。
(2)腻子批刮时应注意横竖刮涂均匀,避免出现接茬和漏刮现象。
(3)每遍腻子干燥后,用砂纸进行打磨,使基层表面平整光滑。
3、涂刷底漆(1)腻子干燥后,涂刷抗碱封闭底漆,底漆应涂刷均匀,不得漏涂。
(2)底漆的涂刷可以增强基层与真石漆的附着力,防止基层泛碱。
4、分格(1)根据设计要求,进行分格处理,分格缝的宽度和深度应一致。
(2)分格缝可以使用美纹纸或分格条进行粘贴,确保分格线条笔直。
5、真石漆喷涂(1)真石漆在使用前应搅拌均匀,确保颜色一致。
(2)喷涂时应控制喷枪与墙面的距离和角度,保持喷涂均匀,厚度一致。
(3)一般分两遍喷涂,第一遍薄喷,第二遍厚喷,以达到理想的效果。
外墙“真石漆”建筑涂料施工技术交底一、外墙真石漆施工工艺要求及注意事项“真石漆”作为新型建筑工程外墙装饰材料,对建筑物的装饰美化及保护起到了非常重要的作用。
它是由环保型高分子乳液聚合物和能构成仿石材纹理的天然大理石骨料、岩片、助剂等材料组成的厚质涂料,经喷绘的成品干结固化后坚硬如石,外观如天然石头一般自然、稳重、气派。
是一款耐候性好、仿石材真实性极强、各种性能均为优异的外墙涂料。
二、外墙“真石漆”的技术要求1、“真石质感专用底漆”是改性丙烯酸底漆,纳米级的乳液能够很好的渗透入混凝土空隙;渗透性好,优异的抗碱性,附着力优异,达到国家I型附着力标准;较高的附着力提高了与面漆的结合程度,降低了粉化剥落的可能;适用与真石漆、质感涂料的配套使用。
能有效地保护面涂层免受墙体内部的化学物质的侵袭。
2、外墙真石漆是合成树脂乳液砂壁状涂料,可根据样板或个人创意,通过彩砂的颜色及砂粒粗细不同,通过喷涂施工而做出多种立体艺术效果,独特的石材花纹,无穷的创意组合。
能为墙面提供多种艺术格调的立体装饰效果。
能调整粗糙程度不一的表面,具有遮盖墙体表面缺陷的功能。
能有效抵挡室外气候条件,具有优异的长期耐久性。
3、罩光清漆,具有优异的耐沾污性、防霉耐碱性、户外耐久性及长期的装饰功能。
三、外墙真石漆的配套体系四、涂装的基本规定1、根据使用的涂饰材料和建筑物的特点,对建筑物的涂饰面应做必要的设计及建筑技术处理。
2、涂饰施工温度,应遵守产品说明书(5℃-35℃)要求的温度范围;施工时空气相对湿度宜小于80%;当遇大雾、大风、下雨时,应停止户外工程施工。
3、涂饰施工应符合现行国家标准《涂装作业安全规程》的有关规定。
4、涂饰材料除应满足国家相关标准外,对于内墙涂饰材料还就执行现行国家标准《室内装饰装修材料内墙涂料中有害物质限量》GB 18582-2001和《民用建筑工程室内环境污染控制规范》GB 50325的环保要求。
5、为达到建筑涂饰工程的质量要求,必须保证基层的养护期、涂料正常的施工工期及涂层养护期。
外墙真石漆施工技术交底一、施工前准备1、制定施工方案:根据工程要求,制定好施工方案,确定好人员配置和工作计划。
2、材料准备:购买好所需的材料和工具,在施工前将材料整理好并摆放在专门的堆放区,确保物品齐全并储存有序。
3、工具准备:准备好各种施工所需的工具,如电动搅拌器、电锤、抹刀等。
并保证工具的质量和数量满足施工需要。
4、现场清理:清理施工现场,确保环境整洁,便于施工,并预留好施工通道和操作空间。
5、安全措施:确保工作场所安全舒适,做好防火、通风、排水、保护设备使用情况的记录。
二、基层处理1、清理:先对基层表面进行清理,清除基层表面或内部的油污、松散物、脱落层等。
2、补洞填缝:对于基层上的破洞、裂缝和空鼓部分进行修补填缝,并确保填补部分的硬度和颜色与原基层相同。
3、防潮处理:对于潮湿、虫蚀严重等情况的基层,需要进行防潮处理,保证墙面的平整度和自然美观。
三、底漆处理底漆处理是非常重要的一步,有助于墙面的质量和美观。
底漆可以增加真石漆在墙面上的附着力和防水性。
底漆的种类和数量应根据施工要求来确定。
1、底漆涂刷:底漆涂刷应均匀、充分、厚度与颜色必须达到设计要求,底漆涂刷完后注意通风,便于干燥。
2、晾干:在底漆灰干后,表面应该进行一次打磨,用于去除凸出的底漆颗粒,使墙面平整度更高。
3、验收:底漆处理后要进行质量验收,以确保底漆质量符合要求,确保真石漆施工进程的顺利进行。
四、有机硅底料涂刷1.用刮刀将有机硅底料均匀涂刷在墙面上。
涂刷时应先将底料倒在整平台上,用电动搅拌机搅拌均匀,调制出适合施工的混合液浆。
2.涂刷有机硅底料应注意两点,一是尽量涂刷均匀,使涂刷厚度相同。
二是注意有机硅底料的干燥时间和施工环境的湿度和温度。
五、涂刷基础涂料1.涂刷基础涂料时,应将涂料转入容器中进行搅拌是以均匀,切勿过于强烈的搅拌,以防产生气泡。
2.使用压缩空气机可以使涂料更加平滑,减少涂料的施工难度。
涂刷基础涂料时,应注意控制涂刷的厚度和涂刷的速度。
3#楼外墙真石漆技术交底一、施工准备经建设单位与设计单位沟通确认如下:1、二层以上窗套及外凸线条为原设计咖啡色。
2、南立面封闭空调机位面板、侧墙及底板为咖啡色。
3、立面图中二层以上大线脚均为咖啡色。
4、北立面4处半封闭空调机位侧墙为浅黄色,线条为咖啡色。
5、南、北立面阳台梁及线条为咖啡色。
6、大墙面为浅黄色。
7、未涉及到的与墙面相邻颜色。
&现场经建设单位确认样板(色号)为准,详见山水天玑3#楼图纸及2#楼外墙真石漆。
9、浅黄色真石漆为600*700mn分隔,分隔缝宽度为15mm咖啡色真石漆不设分隔缝。
二、施工工艺(一)工艺流程基层检查及处理一刮外墙柔性腻子一涂刷封闭底漆及封底处理一分格缝的划分一贴胶带一喷涂真石漆一去除胶带一表面打磨一涂刷罩面漆一面层检查(阴阳角方正、平整度、垂直度)一验收(二)操作工艺1、检查主体墙面平整度及线条是否顺直清晰,要求基层表面平整、干燥(水泥砂浆面应保养15天以上),无浮灰、油渍、不得有青苔等污染物,否则会影响附着力,并保持充分干燥。
2、旧水泥面应铲去浮层,确保基底牢固、清除墙面的杂质,对多孔质、粗糙基面,进行修补,再用砂轮机抹平。
3、打底漆及封底处理,被涂面均需打底漆及封底处理以防止渗色,透湿污染真石漆,底漆用量每在5 m2/kg左右,直到完全无渗色为止。
4、放样标线,画好线,先用直尺或标线作出直线记号。
5、贴线条胶带,贴胶带必须先贴竖线,再贴横线,接头部位要处理好。
6喷涂真石漆,开始喷涂真石漆其厚度2mm左右,空气压力在6-8kg/ m间喷涂时,不喷涂面必须用报纸张贴或胶带完全隔离。
喷涂后硬化二十四小时,喷涂面必须与现场样板外观符合,用量大约3.5kg/ m。
7、去除线条胶带,喷涂后随即去除胶带,胶带去除必须小心,不得影响涂膜切角,去除方法,尽量往上拉开,不要往前拉。
8、全面喷涂专用面漆,待真石漆完全硬化24小时后,则可全面喷涂专用面漆,需0.2kg/ m左右。
外墙真石漆施工技术交底
一、前期准备工作
外墙真石漆施工前的准备工作至关重要,以下是一些前期准备工作的步骤:
1.表面检查:在施工前应对外墙表面进行检查,确保墙面结构稳固,无明显开裂、水泡等问题。
如有问题,应提前修复。
2.清洁墙面:使用高压水枪或刷子清洁外墙表面,确保墙面无油污、灰尘等杂物。
对于特别顽固的污渍,可以使用专业清洁剂处理。
3.修补墙面:对于墙面上的任何明显缺陷,如裂缝、空鼓等,应进行修补。
使用专业的填补剂填充裂缝,并平整表面。
4.底漆处理:在施工前,应对墙面进行底漆处理。
底漆的选择应根据墙面材料和真石漆的性质而定。
二、真石漆施工步骤
1.涂刷底漆:在修补工作完成并干燥后,开始涂刷底漆。
底漆应均匀涂布在墙面上,并根据实际情况进行多次涂刷以保证底漆的充分渗透。
2.施涂真石漆:确保底漆干燥后,开始施涂真石漆。
真石漆的施涂方式可以根据施工要求选择,如刮涂、刷涂、喷涂等。
必须保证漆膜均匀、厚度一致。
3.搭建脚手架:对于高层建筑或不方便使用梯子的地方,应搭建安全稳固的脚手架,以确保施工人员的安全。
4.控制施工温度:真石漆施工过程中,应注意施工时的温度控制。
一般来说,施工温度应在5℃至35℃之间,避免在极端高温或低温下进行施工。
5.调整颜色:根据客户需求和设计要求,可以在施工过程中对颜色进行调整。
但在施工中调整颜色时应注意保持颜色的一致性,避免色差。
6.施工质量检查:在施工过程中,应不断检查施工质量,确保真石漆的涂布均匀、漆膜无空鼓、无滴流、无漏涂等问题。
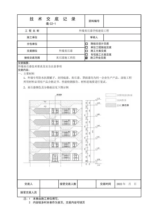
表C2-1工 程 名 称 外墙真石漆学校建设工程施工单位审核人分包单位 □ 施组总设计交底 □ 单位工程施组交底 □ 施工方案交底 □ 专项施工方案交底 施工作业交底交底部位 外墙真石漆 接收交底范围 真石漆施工班组交底摘要:外墙真石漆技术要求及安全注意事项交底内容:交底人 接受交底人数交底时间 2022年 月 日接受交底人员注:1 本表由施工单位填写。
一、主要材料1、外墙专用防水抗裂腻子、封闭底漆、真石漆、罩面漆均为同一企业生产产品、涂装工程所用材料必须有产品合格证书、性能检测报告、材料进场要进行复试。
2、真石漆颜色及分格做法见下图示例表C2-1工 程 名 称 外墙真石漆学校建设工程施工单位审核人分包单位 □ 施组总设计交底 □ 单位工程施组交底 □ 施工方案交底 □ 专项施工方案交底 施工作业交底交底部位 外墙真石漆 接收交底范围 真石漆施工班组交底摘要:外墙真石漆技术要求及安全注意事项交底内容:交底人 接受交底人数交底时间 2022年 月 日接受交底人员注:1 本表由施工单位填写。
3、构造做法:窗口处保温做法表C2-1工 程 名 称 外墙真石漆学校建设工程施工单位审核人分包单位 □ 施组总设计交底 □ 单位工程施组交底 □ 施工方案交底 □ 专项施工方案交底 施工作业交底交底部位 外墙真石漆 接收交底范围 真石漆施工班组交底摘要:外墙真石漆技术要求及安全注意事项交底内容:交底人 接受交底人数交底时间 2022年 月 日接受交底人员注:1 本表由施工单位填写。
外墙真石漆施工技术交底
外墙真石漆施工技术交底
1. 背景介绍
外墙真石漆是一种装饰性强、耐候性好的建造涂料,其施工需要一定的技术要求和步骤。
本文档旨在详细介绍外墙真石漆施工技术,并提供相关文件和法律名词注释,确保施工过程的准确性和安全性。
2. 施工前准备
2.1 打磨墙面
2.2 清洁墙面
2.3 填补墙面缺陷
2.4 确定涂料颜色
3. 施工步骤
3.1 喷涂底漆
3.1.1 配制底漆
3.1.2 喷涂底漆
3.2 准备涂料
3.2.1 搅拌涂料 3.2.2 稀释涂料 3.3 真石漆施工
3.3.1 铺涂底层 3.3.2 刮涂花纹 3.4 涂层加固
3.4.1 涂刷加固剂
3.4.2 平整涂层
4. 施工质量要求
4.1 外墙平整度
4.2 色采一致性
4.3 涂层附着力
4.4 表面光洁度
5. 安全注意事项
5.1 施工现场安全措施 5.2 材料使用安全
5.3 高空操作安全
5.4 防火和防爆措施
6. 施工人员技术要求
6.1 基本技能要求
6.2 专业知识要求
6.3 施工经验要求
6.4 现场管理要求
7. 附件
本文档所涉及附件如下:
- 外墙真石漆施工验收标准
- 外墙真石漆施工工具清单
- 外墙真石漆施工安全操作规程 - 外墙真石漆施工人员技术考核表8. 法律名词及注释
本文档所涉及的法律名词及注释: - 建造装饰装修行业安全生产规程 - 建造施工工程质量检验标准。
外墙真石漆底漆处理技术交底一、技术交底目的本技术交底旨在详细说明外墙真石漆施工前的底漆处理方法,确保底漆施工质量,以保证真石漆涂层的粘结性和耐久性。
二、底漆处理方法底漆对外墙真石漆的施工具有重要的影响,正确的底漆处理方法能够提高涂层的附着力和遮盖力,延长涂层寿命。
1. 表面清洁在施工前,应彻底清洗外墙表面,去除污垢、油污等杂物,保证表面干净。
可使用清水和中性清洁剂进行清洁,然后用清水彻底冲洗并让其干燥。
2. 表面修补检查外墙表面是否有裂缝、孔洞或鼓泡情况,如有,应进行修补处理。
对于小面积的损坏,可以使用补土剂进行修补,然后磨光表面;对于大面积的损坏,建议使用腻子或石膏进行填补,并磨光表面。
3. 底漆施工底漆施工前,应先将底漆搅拌均匀,如有需要,可添加适量稀释剂调整粘度。
在施工过程中,要确保底漆均匀地涂刷在外墙表面上,避免漏刷或积聚现象。
4. 干燥时间底漆施工完毕后,应注意干燥时间。
一般情况下,底漆会在24小时内干燥,但具体干燥时间会因气候和温度而异。
在涂刷真石漆之前,必须确保底漆已经完全干燥。
三、注意事项- 在底漆处理过程中,应坚持安全第一,做好相关的防护工作,避免底漆接触皮肤和呼吸道。
- 底漆施工应在适当的气温和湿度条件下进行,以确保底漆的固化和干燥效果。
- 底漆施工前请先仔细阅读产品说明书,按照说明书的要求进行操作,确保施工质量。
- 底漆施工后应定期检查外墙表面的状态,如有损坏或问题应及时处理,以防影响真石漆涂层的效果和寿命。
四、总结外墙真石漆底漆处理技术交底是确保真石漆涂层质量的重要环节。
通过正确的底漆处理方法,可以提高涂层附着力和遮盖力,延长涂层寿命。
在底漆处理过程中,应注意安全、适宜的施工环境和定期的检查,以确保底漆施工的效果和真石漆涂层的维护。
此为外墙真石漆底漆处理技术交底的内容,详细阐述了底漆处理的方法和注意事项,以保证真石漆涂层的质量,并为后续施工工作提供了指导。
外墙真石漆施工技术交底一、引言在建筑装饰行业中,外墙装饰材料的选择和施工技术至关重要。
外墙真石漆作为一种热门的外墙装饰材料,具有丰富多样的颜色和纹理,并且具有优异的耐候性和防水性能。
本文旨在对外墙真石漆的施工技术进行全面交底,以确保施工过程中的顺利进行,最终实现高质量的装饰效果。
二、施工前准备工作1. 确定施工区域:根据项目需求和设计要求,确定要进行外墙真石漆施工的区域,并进行详细的测量和标记。
2. 材料准备:准备好所需的外墙真石漆材料,包括底漆、面漆和专用涂刷工具等。
3. 表面处理:在施工之前,需要对墙面进行准备工作,确保墙面干燥、平整、无浮尘和油污。
如有必要,还需进行刷墙防水处理。
三、施工步骤1. 底漆施工:首先进行底漆施工,直接使用刷子或辊涂工具进行操作。
底漆施工的目的是增强墙面的附着力,提高后续涂层的稳定性和耐久性。
2. 面漆施工:底漆干燥后,开始进行面漆施工。
面漆的颜色和纹理应根据设计要求进行选择。
使用专用涂刷工具,将面漆均匀地涂刷在墙面上,并注意避免刷出斑驳和滴漏。
3. 纹理处理:在面漆施工完成后,根据需要可以对墙面进行一些纹理处理。
这可以通过使用特殊的刷子或纹理滚筒进行操作。
注意,纹理处理应保持统一且自然。
4. 检查和修正:施工完毕后,进行质量检查。
检查墙面是否出现漏刷、漏涂、色差等质量问题,并及时修正。
四、安全注意事项1. 施工人员应穿戴好个人防护装备,特别是手套和防护眼镜,以避免真石漆对皮肤和眼睛的刺激或损伤。
2. 施工过程中应注意通风,确保室内空气流通,以避免有害气体和异味对施工人员的影响。
3. 施工工具应保持清洁,并及时清理漆液的泼溅,避免滑倒和事故发生。
4. 施工现场应设置明显的安全警示标识,提醒他人注意施工区域。
五、施工效果保养1. 施工完成后,应及时保护墙面,并避免重物碰撞和划伤。
2. 如遇大风、暴雨、高温等极端天气,应对墙面进行额外的保护措施,以确保施工效果的持久。
外墙真石漆施工技术交底一、原材料质量控制为了保证真石漆涂层的整体性和装饰效果,真石漆施工分为封闭底漆、真石漆中层和罩面涂料,应为同一企业生产的产品。
1 、封闭底漆封闭底漆应能够在水或溶剂挥发后,其中的乳液或树脂渗入基材间隙和毛细孔内,提高基材表面的防水性能,防止基材由于水分迁移而起的泛碱和发花现象,同时增加真石漆主层和基材之间的粘结力。
2 、真石漆中层真石漆的中层为主涂料层,该层由骨料、粘结材料、防开裂树脂、各种功能性助剂和水组成.真石漆的质量和装饰效果的好坏,在很大程度上取决于该层组成材料的质量.骨料应粗细颗粒搭配合理,既要满足装饰效果的要求、涂层致密,又要有利于施工.粘结剂是影响真石漆性能的关键因素之一,它直接影响到真石漆膜的硬度、粘结强度、耐水、耐候性等多方面的性能.用于真石漆的乳液应满足稳定性好、膜的硬度高、漆膜的吸水膨胀率小等要求,应能从根本上解决真石漆吸水泛白的问题.防开裂树脂应具有良好的硬度和柔韧性,使得真石漆具有一定的韧性,以适应胀缩需要,不至于产生胀缩裂缝,提高装饰层的耐久性.各种功能性助剂的选择应满足相应功能和质量的要求.3 、罩面漆罩面漆应采用无色透明漆,要求其能够增加真石漆涂层的防水性和耐污染性,同时又便于日后清洗。
二、施工工艺与质量控制1、施工流程1撕揭第喷第2道真石漆一撕揭第灰缝处理喷涂罩面漆2道。
1.1 找平采用防水腻子在抗裂层砂浆上批刮进行找平,腻子必须和抗裂砂浆相互兼容,最好采用同一企业的产品,否则,因胀缩不同将会导致真石漆表面出现大小不一的裂缝。
1) 腻子应现场调配,搅拌均匀,呈牙膏状,调配后直一次用完。
2) 施工后至少12 h内必须防止雨淋、酷热阳光照射及霜冻。
3) 施工温度在5~35℃,空气相对湿度在75%为宜。
4) 施工时,用抹刀将腻子均匀的施涂于基面上,每道批涂厚度控制在0.8mm以内,施涂2—3道,第2道应在第l道完全干固后方可批涂.5) 腻子干固后进行打磨,至表面无刮痕、平整为止,并清除浮灰,表面平整度偏差应控制在2 mm以内。
外墙真石漆施工工艺方案一、工程的重要性真石漆作为外墙饰面关系重大,一流产品加上精心施工,才能使两者完美结合,创造一流样板工程。
二、施工步骤及方法1、检查主体墙面平整度及线条是否顺直清晰,要求基层表面平整、干燥(水泥砂浆面应保养15天以上),无浮灰、沥青等污渍,且PH<10,含水率<10%。
2、旧水泥面应铲去浮层,确保基底牢固,清除墙面的杂质,对多孔质、粗糙基面,进行修补,再用砂轮磨平。
3、根据装饰的要求,用水泥砂浆或胶带纸将基面分割成所需图形(每个分割面最好不大于1.5m2)。
4、底涂层施工a.中和处理:用专用中和剂将碱性墙面进行中和处理,确保施工后的墙面不泛碱,其用量大约0.1-0.2kg/m2。
b.底漆施工:将中和处理后的墙面用清水冲净,待墙面干燥后,进行底漆施工,底漆用量0.15-0.20kg/m2。
c.底涂层可采用刷涂、滚涂或喷涂法施工。
5、主涂层(真石漆)施工:待底涂层完全干燥后(一般需4-6小时),即可进行施工,根据不同的装饰要求,先进行试验喷涂,以确定施工所需的压力、喷枪口径及喷涂量,一般5kg/m2。
a.单色主涂层:分两次喷涂为宜。
第一道涂膜未干燥前,即可喷涂第二道。
b.套色主涂层:可选用双管真石漆喷枪或单管真石漆喷枪分次喷涂。
6、辅助处理:揭去分割胶带,根据装饰需要进行勾缝处理。
7、罩面层(罩光漆)施工:在主涂层完全干燥后(一般约需48小时)才能进行施工,可以刷涂或滚漆,罩光漆用量0.15-0.20kg/m2。
三、注意事项1、施工时,脚手架应距离墙面30cm左右,如距离太近,上下层脚手架间喷涂部分可能有接痕,影响装饰效果。
2、不喷涂部分及物件,应用挡板或纸张等隔开。
3、施工时气温应高于50C,风力大于4级时不宜施工。
主涂层喷涂24小时内应避免雨雪。
4、油性底漆、罩面漆属易燃危险品,施工时应严禁烟火。
5、主涂层施工完毕,工具应立即用水清洗。
6、油性底漆、罩面漆施工完毕,工具即用二甲苯等溶剂进行清洗。
外墙真石漆技术交底一、施工准备:(一)材料准备:碎石真石漆45吨。
(二)机具准备:空压机:功率为5kw以上,气量充足,压力为0.5~1.0MPa的空气压缩机,带3根气管,能够满足3个人以上同时施工,能够自控控制压力。
喷枪:下壶喷枪,容量500ml,口径1.3mm以上,容量不能太大,操作不便,口径太小,施工速度慢,不宜大面积施工。
(各种口径的喷嘴:4mm、5mm、6mm、8mm等口径越小,喷涂越平整均匀;口径大,花点越大,凹凸感越强。
)橡胶管:氧气管,直径8mm。
其它工具材料:毛刷、滚筒、铲刀、刮板、电动搅拌器、塑料布、纤维板、胶带(美纹纸)、塑料桶(三)作业条件准备:1)施工前应充分了解天气变化情况,做好防护准备:(1)气温应在5 摄氏度以上(2)下雨后不能施工,且湿度不大于85% (3)施工后 6 小时内如下雨应采取遮盖措施(4)风速不大于3级。
2)外窗窗框、玻璃等成品保护措施已经完成。
3)外墙雨水管道预埋件已经安装完成,已安装的预埋件已经拆除。
4)外墙外保温及抗裂砂浆施工完成并验收合格。
5)施工操作架安全可靠,验收合格,可以使用。
6)雨落管支架预埋件已经安装完成。
二、施工工艺(一)施工工艺流程:外墙外保温基层验收合格→刮外墙柔性耐水腻子→外墙柔性耐水腻子验收→涂封闭底漆→分格放线→刷分格缝涂料→分格缝上粘胶带→喷涂真石漆→撕除分格缝胶带→真石漆表面打磨→喷罩面漆→真石漆验收(二)操作工艺:1、外墙外保温基层验收合格:外墙外保温基层已经施工完成,抗裂砂浆外墙表面平整、结实、牢固、无鼓起、无开裂等现行并且经过项目部施工员、质量员及监理工程师验收合格。
对于一次验收不合格的部位,要进行返修处理并验收合格后方可进行下一道工序施工。
2、刮柔性耐水外墙腻子1)根据整体墙面要求,须用靠尺竖向、横向检查阴阳角的垂直及平直度,并弹墨线标记,尤其外墙窗台、挑檐及空调板等部位的墨线要提前做好,为外墙腻子施工提供依据。
2)腻子应现场调配,搅拌均匀,呈牙膏状,调配后直一次用完。
3)施工后至少12h内必须防止雨淋,酷热阳光照射及霜冻。
4)施工温度在5-35度,空气相对湿度在75%为宜。
5)施工时,用抹刀将腻子均匀的施涂于基面上,每道批涂厚度控制在0.5mm以内,试图1-2道,第二道应在第一道完全干固后方可批刮。
用外墙腻子修补墙面时,用腻子或填逢胶填补大的孔洞和缝隙,待腻子干燥后,局部打磨找平。
6)外墙腻子刮抹施工时,要横向竖向同步批刮,将基层整体平整度刮出来,刮板运行速度计用力要均衡,否则会形成斜坡状或波浪状,影响平整度。
7)腻子干固后进行打磨,至表面无刮痕,平整为止,并清除浮灰,表面平整度偏差应控制在3mm以内,做到墙面平整,阴阳角顺直、方正。
8)在批刮砂浆的过程中,会将少量浆料粘附堆积于非涂物表面,应及时挂掉,以免其干硬而难以处理。
9)腻子层要充份养护,并保证腻子层干燥结实牢固。
3、外墙柔性耐水腻子验收真石漆涂料施工前应对基层进行以下几个方面验收(1)表面质量。
一般抹灰工程观感质量、允许偏差应符合规范要求。
凡基层有空鼓的应用机具切去后修补,如有裂缝、缺棱掉角、凹凸不平等质量缺陷,应用聚合物水泥腻子或其它等同腻子修补。
(2)基层含水率。
基层含水率不应大于10%。
一般情况下,夏季基层干燥14 天,冬季干燥21 天,含水率即可达到要求。
基层含水率可用薄膜覆盖法粗略判断。
(3)酸碱度。
PH 值应小于10。
基层碱性过大会影响涂料的粘结、起层及涂层变色等质量事故。
其测定方法可用清水将棉花浸湿,然后按在待测基层上以吸收基层的碱分,几分钟后用PH 试纸测定接触的棉花。
(4)除以上几点之外,基层还应无浮浆、灰尘、油污等。
4、涂封闭底漆:1)外墙空调护栏、栏杆等防护设施骨架或预埋件全部安装完成。
2)基层封底前对门窗,空调支架、雨落管支架等金属件部位进行必要的包裹和遮盖,待整体成品后去除,以防止污染和锈蚀;3)对基层表面处理后出现细部到大面积仔细检查,确认符合要求,检测基层含水率小于15%后,进行基层封墙底漆施工;4)腻子干透后,涂刷一遍抗碱漆,主要成分为苯乙烯-丙烯酸酯共聚物,。
能有效保护中涂及面涂免受墙体内部化学物质的侵蚀。
5)选用底漆时颜色应与中涂层及面涂层颜色一致,这样可以更加突出仿石特点。
6)底漆施工前要保证腻子层表面清洁干净,不能有浮尘、松散物及油污等,要在施工前用灰扫清扫干净。
7)施涂环境温度应保证在5℃---40℃之间,喷涂量0.2-0.3Kg/m2。
8)基层封墙底漆施工前要严格按照产品规定的稀释比例进行稀释,注意:稀释时应对底漆充分搅拌,保证均匀;9)施工时应用滚刷和毛刷上底涂,滚刷时应先横滚后坚刷,不得斜滚,边角用毛刷涂齐,底涂要均匀不得漏涂,如果发现局部没刷到位要及时进行补刷,以免今后产生渗碱现象。
10)如果在施工中突然下雨,要当即停工,待天晴后重新涂刷,重刷前要保证墙面完全干燥。
11)底漆施工结束后,施工工具应及时清洗,清洗后于阴凉处保存。
12)底漆涂刷4-6小时后可以进入下道工序。
5、分格放线:1)根据外墙真石漆分格设计要求对墙面进行弹线分格,分格时从整个单体的四周由上而下同时分格,以保证四周相应的灰缝在同一水平线上,所有竖向灰缝相互平行,铅垂,做到灰缝横平竖直。
2)分格线为墨斗弹单根墨线,弹墨线时,要考虑分格缝的宽度,墨线为分格缝的一侧边线,窗口角墨线为窗洞口边线。
如下图所示:6、刷分格缝涂料:1)在涂刷分格缝涂料前1-2小时前粘贴美纹纸,粘贴美纹纸前,随手用扫帚清扫一下粘贴的面,清除表面浮挂的灰尘。
美纹纸粘贴必须与墙面粘贴密实、牢固。
2)依据弹好的分格缝线在墨线的一侧粘贴美纹纸,窗口部位的美纹纸粘贴在窗洞口边线的外侧面,其它位置的美纹纸粘贴,水平向分格缝美纹纸粘贴在墨线的上面,竖向分格缝美纹纸根据弹线时考虑统一粘贴在墨线的左侧或右侧。
3)分格缝涂料为黑色外墙涂料,采用毛刷涂刷,涂刷遍数不少于2遍。
保证无透底的现象发生。
如下图所示:大面墙分格缝窗口分格缝7、粘贴胶带:1)在喷涂真石漆前应先用塑料膜将门、窗等不需喷涂的部位保护好,如需图案效果,可先用铅笔在其面上描出图案,再用分色纸沿图案贴好。
2)分格涂料涂刷完全干固后且喷真实漆前1-2小时前,在沿分格涂料平齐一端粘贴10mm宽美纹纸。
3)美纹纸粘贴先粘贴竖向,然后再粘贴水平向,所有竖向灰缝铅垂和横向灰缝相互平行,保证分格缝横平竖直。
4)外窗窗框四周粘贴8mm宽的美纹纸,保证外窗打玻璃胶时,胶缝平直。
5)对于凸出外墙的空调挑板、挑檐等不喷真石漆的部位,真石漆与涂料分缝在阴角部位,美纹纸要粘贴在涂料面上。
8、喷涂真石漆:1)外窗玻璃、窗框、涂刷涂料部位已经涂刷完成,且做好了成品保护措施。
2)真实漆喷涂根据施工现场确定样板的要求,选择合适的喷嘴进行真石漆喷涂。
3)喷枪应垂直于待喷涂面施工,距离约60 厘米,施工温度在10℃以上,厚度3mm。
喷涂的效果与喷嘴的大小、喷嘴至墙面的距离有关。
当喷嘴口径为Φ6-Φ8,喷嘴与墙面的距离适当调大,喷出的斑点较大,凹凸感比较强烈;当喷嘴的口径为Φ3-Φ6,喷嘴与墙面的距离适当调大,喷出的斑点较小,饰面比较平坦。
4)真石漆可分两遍喷涂,每道间隔最少2 小时以上,施工时应注意控制厚度防止漏喷、流坠、透底、不均匀现象。
5)喷枪喷涂时,枪口与墙面垂直略往上倾斜,枪口与墙面距离300-350mm,自左向右,不停抖动喷枪,画圆向右平等移动,运动轨迹呈环状。
到边后紧接其下部再自右往左平等移动,运动轨迹呈S 型。
6)对于阴阳角施工过程中,喷涂时特别注意不能一次喷厚,采用薄喷多层法,即表面干燥后重喷,喷枪距离为80 厘米,运动速度快,且不能垂直阴阳角喷,只能采用散射,即喷涂两个面,上雾花的边缘扫入阴阳角。
喷涂量3-5 Kg/m2。
7)喷涂时,出枪和收枪不要在正喷涂的墙面上完成。
喷枪移动的速度要均匀,每一喷涂幅度边缘,要搭接1/3幅宽,保持漆膜薄厚均匀。
多色真石漆施工时,不可采用混喷工艺,应按颜色逐遍喷涂。
8)喷涂真石漆前,应将真石漆搅拌均匀,喷涂真石漆时,应先在粘有美纹纸的分格缝上快速的薄喷一层,干燥10分钟后,再进行整面喷涂,保证分格缝部位不开裂。
9)实干时间为24 小时以上。
9、撕除分格缝胶带:1)真石漆喷涂后随即去除胶带,胶带去除必须小心,减少对真石漆边角的影响。
2)胶带撕揭前,需用裁纸刀将胶带在纵横交接处,沿平行于水平胶带的方向,将竖向胶带切断,避免胶带的相互粘接,造成真石漆的边角的脱落。
10、真石漆表面打磨:采用400-600 目砂纸,轻轻擦抹平真石漆表面凸起砂料及尖角,切忌用力过猛,这样可以增加真石漆美观及有效减少锐利,并避免灰尘积留。
11、喷罩面漆:1)在仿石面漆施工完毕后,涂层表面硬干(晴天干燥24小时以上,阴雨天应延长干燥时间)才能进行罩面漆喷涂施工;2)罩面漆应严格按照产品规定的稀释比例进行稀释,注意:稀释时应对底漆充分搅拌,保证均匀;3)罩面漆喷涂施工温度不得低于10℃,完全干燥需要10天。
4)罩面漆采用喷涂、刷涂、辊涂均可,喷涂量0.2-0.3Kg/m2,涂饰施工应从上面到下面按顺序施工。
5)辊涂罩面漆前,用喷枪将附尘吹掉,保证真石漆表面干净整洁。
6)滚涂时,滚筒要沾饱满但不流淌,横向顺序滚涂均匀,边角和凹进部位用毛刷均匀刷到位,不得漏刷。
7)施工后应达到色泽一致,无流挂,漏底,阴角处无积料。
(三)施工注意事项:1)在施工过程中,严禁在用料中随意加水稀释。
2)在罩面漆施工前,一定要确认真石漆是否完全干透,这往往是施工成败关键。
3)真石漆使用之前,必须搅拌均匀,保证真石漆表面碎石均匀一致。
4)在每次开始喷涂前,应预先在试板上作试验喷涂,视喷出状态进行调整,在确认了色相,喷布幅面等均无问题后再进入正式喷涂。
5)喷涂接头部位最容易发生颜色不均,所以一块涂完后应尽早地涂下一块。
减少真石漆接缝的次数。
6)为尽是减少色差,同一单体应一次性订购所需材料。
7)采用小颗粒真石漆,喷涂后要求表面平整、起伏小,颗粒分布均与、密实,颜色一致。
8)要求灰缝横平竖直、宽窄一致:特别要求在分格条撕揭时,不要带掉底层涂料。
9)分格胶带宜采用纸面胶带,纸面对真石漆由良好的吸附作用:若采用塑料面胶带,会导致真石漆流淌。
同时,在夏季施工时,要求胶带具有良好的耐温性能,避免温度稍高胶带背面熔化,导致胶带撕揭困难。
10)把握好分格胶带的撕揭时间。
真石漆表面干燥,用手按压无明显压痕且不粘手时即可撕揭。
撕揭过早,会导致真石漆流淌:撕揭过晚,分格胶带不易撕掉,再者会导致灰缝处真石漆被揭掉,灰缝不顺直。
三、质量验收标准及保证措施:(一)主控项目:1)工程所用真石漆(含封底漆、中层漆、罩面漆)的品种、型号、性能等应符合设计要求。