钢结构工程测量技术交底记录
- 格式:doc
- 大小:23.00 KB
- 文档页数:1
钢结构技术交底范本工程名称:XXX钢结构安装及安全技术交底记录B2编号:车间交底时间:交底内容:一、安装准备1、在安装前,根据土建部分基础施工图,对基础轴线和底部标高进行复测。
如果与图纸不符,要及时采取措施,并做好中间交接记录。
2、在吊装钢柱前,必须制作好契子,并备好焊机和大铁锤等工具。
3、由于现场条件较差,吊车进场及转角将受到严重影响。
为此,公司提供50根枕木备用。
二、安装施工工艺1、钢柱安装在吊装前,首先要确定构件吊点位置和绑扎方法。
吊装时要做好防护措施。
钢柱起吊后,当柱脚距杯底面约30~40cm 时,要扶正,使杯底面的安装尺寸对准钢柱,缓慢落钩就位。
经过初校,待垂直偏差在20mm内,钢柱四面顶紧铁契,并用角钢临时固定,固定后即可脱钩。
2、钢梁吊装在柱子复核完成后,进行钢梁吊装。
钢梁吊装时采用两点对称绑扎起吊就位安装。
钢梁起吊后距柱基准面100mm时徐徐就位,待钢梁吊装就位后进行对接调整校正,然后固定连接。
钢梁吊装时随吊随用经纬仪校正,有偏差随时纠正。
3、檩条安装檩条截面较小,重量较轻,采用一钩多吊或成片吊装的方法吊装。
檩条的校正主要是间距尺寸及自身平直度。
间距检查用样杆顺着檩条杆件之间来回移动,如有误差,放松或拧紧螺栓进行校正。
平直度用拉线和钢尺检查校正,最后用螺栓固定。
4、整体的施工顺序钢柱——→钢梁——→吊车梁——→支撑——→檩条5、安装校正1)钢柱校正钢柱垂直度校正用经纬仪或吊线锤检验。
当有偏差时,采用千斤顶进行校正。
标高校正用千斤顶将底座少许抬高,然后增减垫板厚度,待钢柱整体校正无误后,在柱脚底板下浇筑细石混凝土固定。
2)钢梁校正钢梁轴线和垂直度的测量校正,校正采用千斤顶和倒链进行,校正后立即进行固定。
2、门式刚架的安装1)刚架的结构特点刚架柱脚设计有抗剪键。
刚架拼装全部用(高强)螺栓进行连接,这对其下部基础及其本身制作的质量要求较高。
2)施工准备工作在进场安装之前,各种构件首先应对混凝土基础轴线、柱顶、牛腿顶面砼面标高、杯底底面标高及位置偏差进行复测。
钢结构施工技术交底记录1. 项目背景本文档旨在记录钢结构施工技术的交底内容。
钢结构施工是本项目的重要组成部分,确保施工过程符合相关的技术标准和安全要求非常关键。
2. 交底内容2.1 施工范围和主要任务在本项目中,钢结构施工包括以下主要范围和任务:- 基础施工:为钢结构提供稳定的基础支撑。
- 钢构件制作和焊接:按照设计要求制作和焊接钢构件,并确保质量和精度达到标准。
- 钢结构安装:进行钢构件的安全、准确的安装和连接工作。
- 防腐蚀处理:进行钢结构的防腐蚀处理,延长使用寿命。
2.2 技术要求针对钢结构施工,以下是主要的技术要求:- 质量控制:确保钢构件制作和安装质量优良、精度高,并严格按照相关标准进行验收。
- 安全措施:确保施工现场的安全,包括使用安全防护设备、合理安排施工流程,防止人员和设备的意外事故。
- 环境保护:在施工过程中注重环保要求,合理处理废弃材料,防止对周边环境造成污染。
2.3 施工流程本项目的钢结构施工流程如下:- 准备工作:清理施工区域,搭建施工临时设施。
- 基础施工:按照设计要求进行基础施工。
- 钢构件制作和焊接:生产制作钢构件,进行焊接工作。
- 钢结构安装:按照设计图纸和安装要求进行钢结构的安装和连接。
- 防腐蚀处理:对已安装的钢结构进行防腐蚀处理。
- 验收和交验:按照规定进行质量验收和交付手续。
- 清理和收尾:清理施工现场并进行相关收尾工作。
3. 总结钢结构施工是本项目的重要环节,需要注意质量控制、安全和环保要求。
本文档记录了钢结构施工技术的交底内容,希望能为项目顺利施工提供支持和指导。
---注:本文档为钢结构施工技术交底记录,不涉及法律方面的复杂性,根据自身优势提供简洁的策略,不引用无法确认内容。
交底内容:
1、吊篮安装步骤
顶口悬挂钢丝绳安装固定→往下放钢丝绳→吊篮框架拼装→钢丝绳导入提升机→吊篮调试→验收
(1)利用卷扬机将吊篮用钢丝绳主绳、副绳及2根安全绳提升至烟囱顶部。
(2)使用φ8.6钢丝绳沿顶部标高230米平台钢内筒筒身缠绕3圈后用钢丝绳卡扣固定,作为吊篮主钢丝绳受力点;将上部钢丝绳穿到合适位置,然后用四道钢丝绳卡固定。
检查上述各部位安装是否正确,确认无误后,再将工作钢丝绳、安全钢丝绳从端部放下,此过程中注意钢丝绳的缠绕现象。
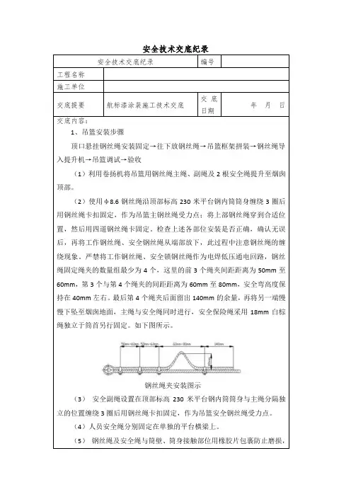
严禁将工作钢丝绳、安全锁钢丝绳作为电焊低压通电回路,钢丝绳固定绳夹的数量组最少为4个,这里的前3个绳夹间距距离为50mm至60mm,第3个与第4个绳夹的间距距离为60mm至80mm,安全弯高度保持在40mm左右。
最后第4个绳夹后面留出140mm的余量,再将另一端慢慢下坠至烟囱地面,主绳与安全绳同时进行,安全保险绳采用18mm白棕绳独立于筒首另行固定。
如下图所示。
钢丝绳夹安装图示
(3)安全副绳设置在顶部标高230米平台钢内筒筒身与主绳分隔独立的位置缠绕3圈后用钢丝绳卡扣固定,作为吊篮安全钢丝绳受力点。
(4)人员安全绳分别固定在单独的平台横梁上。
(5)钢丝绳及安全绳与筒壁、筒身接触部位用橡胶片包裹防止磨损,。
钢结构安全技术交底记录1. 交底目的钢结构是我们建筑中不可分割的一部分。
为了确保钢结构施工过程中的安全性,我们需要在本次会议上交底一些关于钢结构的安全技术要点。
2. 交底内容2.1 钢结构的安全性钢结构施工需要考虑的安全问题主要包括以下几个方面: * 确保钢材质量符合要求,能够承受设计要求下的荷载,防止出现断裂、折断等情况; * 钢结构施工时钢构件要保持正常的立体位置、平面位置,要求高度一致、平面垂直; * 高空吊装钢结构时,确保吊装工具和安全装置齐全,并在吊重时进行稳定控制,防止钢构件滑落和翻滚; * 钢结构的连接和支撑要保持稳定,防止出现因连接脱落或支撑不稳导致的施工事故; * 钢结构表面应进行清理、喷漆等表面处理,以保证耐久性和美观性。
2.2 钢结构施工注意事项•钢结构施工现场应设立专人负责安全监管工作,特别是高空吊装、支撑结构等要点;•各方必须熟练掌握施工机具使用和维护保养,并遵守机械操作规程和常见安全事项;•施工现场要按照现场脚手架搭设要求,采取防腐、防雷、防台风等措施;•现场工作人员必须戴好安全帽,并穿戴符合要求的工器具。
2.3 钢结构施工质量控制•钢结构的焊接工艺和质量应符合国家标准,将焊缝做好;•各品种钢材的尺寸误差应控制在标准范围内,各构件几何形状应符合设计;•每个焊接点可用磨削、拉弯、打磨等手段进行检查,在完全达到质量要求后才得确认结构安全后,各个构件间的多个焊接节点要做好系统质量管理。
3. 会议我们一致认为,安全是钢结构施工的首要要求,所有施工人员都要牢记安全意识,严格遵守施工要求和国家标准。
同时,我们要注重施工质量,保证钢结构的整体稳定和安全性。
最后,所有会议内容的执行和监督工作都要有落实,以实际行动保障施工质量的健康发展。
钢结构工程安全技术交底记录表
安全技术交底内容
交底内容:
一、交底依据
国家、行业、地方标准、规范、规程,当地主管部门有关规定,企业技术标准及质量管理体系文件;
工程施工图纸、标准图集、图纸会审记录、设计变更及工作联系单等技术文件;工程施工组织设计、施工方案对本分部分项规程、特殊规程的技术、质量和其它要求;其它有关文件。
二、分项工程的概况及重难点分析
阐述本工程钢结构概况,钢结构部位、材料、构造构件堆放场地等,并对存在的重难点进行分析。
三、施工流程
根据项目实际情况描述钢结构总体施工部署、吊装安装顺序、钢构件制作流程。
四、操作要点
根据施工流程所列工序和顺序,分别对施工要点进行叙述,并提出相应要求。
1、原材料控制
说明施工所需材料名称、规格、型号;对钢构件进场复检要求、探伤实验要求等内容。
2、操作要求
结合施工图提出设计的特殊要求和处理方法,细部处理要求,容易发生质量事故和安全环境施工的工艺过程,尽量用图表达。
根据集团提出的预防和治理质量通病和施工问题的技术措施等,针对本工程特点具体提出质量通病及其预防措施。
3、质量标准及验收
根据《钢结构工程施工质量验收规范》分别进行说明。
4、成品保护
对上道工序成品的保护提出要求;对本道工序成品提出具体保护措施。
5、资料管理
说明该分部分项工程相关的技术资料收集整理的标准。
五、绿色施工技术措施
结合工程实际情况对四节一环保+管理6块体内容进行针对性描述,例如深化设计节约钢材等。
被交底人
项目经理。
钢结构工程技术交底一、项目背景钢结构工程是现代建造中常见的一种结构形式,其具有轻质、高强度、施工速度快等优点。
为了确保钢结构工程的质量和安全性,需要进行技术交底,明确施工方案、工艺要求和质量控制措施等内容。
二、交底内容1. 施工方案钢结构工程的施工方案是指钢结构的安装顺序、施工方法和工艺要求等内容。
在技术交底中,需要详细说明每一个构件的安装顺序、搭接方式、节点处理等,确保施工过程中的安全和质量。
2. 施工工艺要求钢结构工程的施工工艺要求是指施工过程中需要遵循的具体要求。
例如,钢结构的焊接工艺、防腐处理、防火要求等。
在技术交底中,需要详细说明每一个工艺要求的具体操作方法和注意事项,确保施工过程中的合规性和质量。
3. 质量控制措施钢结构工程的质量控制措施是指在施工过程中需要采取的措施,以确保工程质量。
例如,对焊缝的质量要求、构件的尺寸精度要求等。
在技术交底中,需要详细说明每一个质量控制措施的具体要求和检验方法,确保施工过程中的质量可控和可追溯。
4. 安全措施钢结构工程的施工过程中存在一定的安全风险,为了确保施工人员的安全,需要采取相应的安全措施。
在技术交底中,需要详细说明每一个安全措施的具体要求和操作方法,例如,安全防护措施、高空作业安全要求等,确保施工过程中的安全性。
5. 资料交接钢结构工程的技术交底还包括对相关资料的交接。
在技术交底中,需要明确交接的资料内容和形式,例如,施工图纸、质量检验报告、焊接工艺规程等。
同时,需要确保资料的完整性和准确性,以便后续的施工和验收。
三、交底方式钢结构工程的技术交底可以通过多种方式进行,例如,会议形式、文件形式、现场指导等。
具体选择何种方式,需要根据工程的实际情况和施工方的要求进行确定。
无论采用何种方式,都需要确保交底内容的准确传达和及时反馈。
四、交底记录钢结构工程的技术交底需要进行记录,以便后续的查阅和追溯。
记录内容应包括交底时间、参预人员、交底内容等。
同时,还需要对交底过程中的问题和解决方案进行记录,以便后续的施工和验收。
钢结构分项工程施工技术交底记录(新版)1. 背景随着社会的进步和技术的发展,钢结构建筑的应用越来越广泛。
因为钢结构的优点显而易见:它轻、它强、它的品质可控,以及施工周期短。
而在钢结构建筑中,施工技术交底是至关重要的一环。
只有在施工前认真进行交底,才能确保后面的施工质量和效果。
本文档旨在记录钢结构分项工程施工技术交底的过程和内容。
2. 目的本文档的目的是记录钢结构分项工程的施工技术交底,以确保该分项工程的施工质量和效果。
同时,通过交底,保证工人们能够了解工程的施工方法和要求,提高工人的技术水平,最终达到保证人员安全、物资安全以及施工质量的目的。
3. 内容3.1 工程概况分项工程名称:钢结构工程地点:某高层建筑工地总工期:180天3.2 施工目标1.保证施工的质量,确保施工效果。
2.保证施工期间的安全性,避免事故。
3.进行可行的施工操作,尽可能节省时间。
3.3 施工要求1.确保钢结构的材料质量良好,材料符合规定标准。
2.严格控制施工环境,尽可能避免杂物对钢结构的影响。
3.严格控制施工过程中人员的工作行为,避免出现安全事故。
4.严格按照设计和规定标准进行施工,以保证工程的质量和效果。
5.在施工过程中加强与其他分项工程的协调合作,避免工程拖延。
6.提高抗风能力,确保钢结构的稳固性。
3.4 施工方案施工方案决定了整个工程的施工情况和效果。
在本文档中,施工方案主要包括以下内容:1.施工前的准备工作:包括材料定位和收货、现场清理和准备。
2.施工过程:按照设计方案进行制造和安装。
3.客户验收:客户验收与验收记录。
3.5 风险评估在施工过程中发生事故是无法避免的,因此,在施工开始前,需要对施工过程中的风险进行评估。
在本文档中,风险评估主要包括以下内容:1.风险识别:对施工过程中可能出现的风险进行识别和分析;2.风险评估:对不同风险的可能性和影响进行评估;3.风险控制措施:对已经确定的风险提出可行的控制措施。
4.本文档记录了钢结构分项工程的施工技术交底过程和内容。
钢结构工程技术交底一、概述钢结构工程技术交底是指在施工前,由施工单位向相关人员详细介绍钢结构工程的施工技术要求、工艺流程、安全注意事项等内容,并确保相关人员对工程的要求和施工流程有清晰的理解和掌握。
二、交底内容1. 工程概况为了确保施工人员对工程的整体情况有全面的了解,首先需要介绍工程的概况。
包括工程的名称、地点、规模、施工单位、监理单位等基本信息。
2. 施工技术要求在进行钢结构工程施工之前,施工人员需要了解工程的技术要求。
这包括但不限于:施工图纸的要求、钢材的材质和规格、焊接工艺、螺栓连接要求、防腐处理要求等。
详细介绍这些技术要求可以帮助施工人员正确理解并按照要求进行施工。
3. 工艺流程钢结构工程的施工涉及多个工艺环节,每个环节都有特定的施工要求。
在交底过程中,需要逐一介绍每个环节的工艺流程,包括但不限于:基础施工、钢柱、钢梁、钢板安装、焊接、防腐处理等。
对每个环节的施工要求进行详细的讲解,确保施工人员能够准确执行。
4. 安全注意事项钢结构工程施工中存在一定的安全风险,因此在交底过程中需要特别强调安全注意事项。
包括但不限于:高空作业的安全措施、防护设施的使用、施工现场的安全管理、紧急情况的应急措施等。
交底过程中,施工人员应该对这些安全注意事项有清晰的认识,并严格按照规定执行。
5. 质量控制钢结构工程的质量控制是施工过程中的重要环节。
在交底过程中,需要详细介绍质量控制的要求和方法。
包括但不限于:焊接质量的控制、尺寸偏差的控制、表面处理的质量要求等。
施工人员应该了解并掌握这些质量控制的要点,确保工程的质量符合要求。
三、交底方式1. 会议交底通过召开会议的方式进行技术交底,由施工单位的负责人或技术负责人向相关人员进行详细讲解。
会议交底可以实现面对面的沟通和互动,有利于解决相关人员的疑问和问题。
2. 文件交底施工单位可以编写详细的技术交底文件,包含上述交底内容,并发放给相关人员。
文件交底可以确保信息的准确传达,并作为后续工作的参考资料。
钢结构制作工程技术交底记录交底记录日期:XX年XX月XX日施工单位:XXX建筑工程有限公司施工项目:钢结构制作工程参与人员:1.建设单位:XXX公司代表2.施工单位:项目经理、现场负责人、安全员、钢结构专业负责人3.监理单位:监理工程师一、施工组织及责任划分:1.1施工组织:施工单位将根据项目的具体情况,安排项目经理、技术负责人和现场负责人负责该项目的整体协调管理工作。
并成立钢结构专业施工班组,配备必要的工具设备和施工人员。
同时,施工单位将按照有关法规和标准要求,确保施工现场的安全和环境保护,做好施工生产组织和技术准备工作。
1.2责任划分:项目经理负责项目的全面管理,包括施工计划制定、材料采购、设备调度、人员安排和文档管理等工作。
技术负责人负责钢结构制作工程的技术交底、图纸解析、施工工艺制定以及质量控制等工作。
现场负责人负责现场工程实施,包括现场机械设备管理、工人安全教育、工艺操作指导以及质量检查等工作。
二、施工工艺及关键技术要点:2.1施工工艺:根据设计图纸和技术要求,按照以下工艺进行施工:(1)钢结构制作:根据图纸要求,先进行材料准备和预加工;然后进行焊接、热处理和表面处理;最后进行吊装和安装。
(2)焊接工艺:采用电弧焊接工艺进行钢结构的焊接。
焊缝尺寸、焊接顺序、焊接电流电压等需要符合相应的标准要求。
(3)热处理工艺:对于需要进行热处理的钢结构,根据不同材质的要求进行相应的热处理工艺,以提高钢材的强度和硬度。
2.2关键技术要点:(1)材料选用:根据设计要求和现场实际情况,选择符合标准要求的优质钢材进行使用。
(2)焊接质量控制:采用合格的焊工进行焊接作业,严格按照焊接工艺规程进行操作。
焊缝的尺寸、形状和质量应符合设计要求和国家标准。
(3)检验与试验:根据施工进度和项目要求,进行必要的非破坏性检测、结构试验等,以确保施工质量和结构安全。
三、施工安全措施:3.1安全员角色与责任:安全员负责施工现场的安全管理和安全培训,确保施工全过程的安全可控。
钢结构施工质量技术交底一、工程概况本项目为XXX工程,位于XXX地区,主要包括钢结构主体、屋面、墙面、地面等部位。
工程采用XXX型钢,连接方式为焊接和螺栓连接。
本工程要求严格按照国家标准和行业规范进行施工,确保质量满足设计要求和验收标准。
二、施工准备1.材料准备:根据设计图纸和规范要求,提前准备所需型钢、连接件、防腐涂料等材料,并进行质量检查。
2.施工机具:准备焊接设备、螺栓紧固工具、测量仪器、切割工具等施工所需机具,并确保其性能良好。
3.技术培训:对施工人员进行技术培训,使其熟练掌握施工工艺和质量要求。
4.施工方案:根据工程特点和设计要求,制定详细的施工方案,包括施工顺序、焊接方法、防腐措施等。
三、施工工艺及质量控制1.钢结构主体施工:(1)根据设计图纸,放样并切割型钢;(2)进行焊接,焊接过程中严格把控焊接质量,确保焊缝饱满、无气孔、无裂纹等;(3)焊接完成后,进行焊缝超声波检测,确保焊接质量满足验收标准;(4)对焊接部位进行打磨,去除焊缝余高和飞溅;(5)进行防腐蚀处理,包括涂刷防腐蚀涂料、防腐底漆等。
2.屋面、墙面、地面施工:(1)根据设计图纸,放样并进行材料切割;(2)进行屋面、墙面、地面的搭接、固定和焊接,确保连接牢固、密封;(3)对搭接部位进行防腐蚀处理,涂刷防腐蚀涂料;(4)进行验收,确保施工质量满足设计要求和验收标准。
四、施工安全及环保措施1.施工安全:(1)加强施工现场安全管理,设置安全警示标志;(2)对施工人员进行安全教育,提高安全意识;(3)定期进行安全检查,发现问题及时整改;(4)严格按照焊接作业规程进行操作,防止触电、火灾等事故。
2.环保措施:(1)妥善处理废弃物,防止污染环境;(2)加强施工现场通风,降低噪音污染;(3)对施工人员进行环保教育,提高环保意识;(4)严格执行国家环保法规,确保施工过程中环境安全。
五、验收及保修1.施工过程中,严格按照国家标准和行业规范进行自检、互检和专检;2.工程完成后,组织验收,确保施工质量满足设计要求和验收标准;3.验收合格后,向业主提供完整的施工资料和保修卡;4.工程保修期内,对出现的质量问题及时进行维修和处理。
钢结构工程技术交底引言概述:钢结构工程技术交底是指在钢结构工程施工过程中,施工单位向施工人员详细介绍和解释相关工程技术要求、施工方法和注意事项的过程。
这是确保施工过程中工程质量和安全的重要环节。
本文将从五个方面详细阐述钢结构工程技术交底的内容。
一、施工图纸的解读1.1 施工图纸的基本要素在进行钢结构工程技术交底时,首先需要详细解读施工图纸。
施工图纸包括平面图、剖面图、节点图等,施工单位要向施工人员介绍图纸的基本要素,如图例、尺寸标注、符号标识等,确保施工人员能够准确理解图纸内容。
1.2 结构构件的标识和编号施工图纸中的结构构件通常会有标识和编号,施工单位需要向施工人员解释这些标识和编号的含义。
例如,标识可能表示构件的类型、材料、尺寸等信息,编号可能表示构件的序号、安装顺序等信息。
施工人员理解这些标识和编号对于正确安装构件至关重要。
1.3 施工图纸的技术要求施工图纸中通常会包含一些技术要求,如焊接方法、表面处理要求、材料规格等。
施工单位需要向施工人员详细介绍这些技术要求,并解释其重要性。
这有助于施工人员正确选择材料和施工方法,确保工程质量。
二、施工工艺和安全措施2.1 施工工艺流程钢结构工程的施工工艺流程包括构件制作、预制、运输、吊装、焊接、防腐、涂装等环节。
施工单位需要向施工人员详细介绍每个环节的工艺要求和流程,确保施工人员按照正确的顺序进行施工。
2.2 施工安全措施钢结构工程施工过程中存在一定的安全风险,施工单位需要向施工人员详细介绍相关的安全措施。
例如,要求施工人员佩戴安全帽、安全绳等个人防护装备,要求施工现场设置安全警示标识等。
这些措施能够有效预防事故的发生,保障施工人员的安全。
2.3 施工现场管理施工单位需要向施工人员介绍施工现场的管理要求,包括施工现场的布置、设备的摆放、物料的堆放等。
施工人员应该遵守施工现场的管理规定,保持施工现场的整洁和安全。
三、施工质量要求3.1 构件的尺寸和偏差要求施工单位需要向施工人员详细介绍构件的尺寸和偏差要求,确保施工人员在制作和安装构件时能够控制尺寸和偏差在允许范围内。
钢结构工程技术交底一、背景介绍钢结构工程是一种重要的建筑结构形式,具有高强度、轻量化、施工周期短等优点,因此在现代建筑中得到广泛应用。
为了确保钢结构工程的质量和安全,进行技术交底是必不可少的环节。
本文将详细介绍钢结构工程技术交底的内容和要求,以确保施工过程中的顺利进行。
二、技术交底的目的技术交底是指将施工单位与监理单位之间的技术要求、施工方案、质量控制措施等进行沟通和确认的过程。
通过技术交底,可以确保施工单位充分理解工程设计要求和施工方案,提高施工质量,保障工程安全。
三、技术交底的内容1. 钢结构工程的设计要求在技术交底中,施工单位应详细了解工程设计文件中对钢结构工程的要求,包括结构形式、荷载标准、抗震要求等。
同时,施工单位还需要明确设计文件中的相关技术参数,如钢材的强度等级、焊接接头的规格等。
2. 施工方案施工单位应向监理单位提供详细的施工方案,包括施工工艺、施工顺序、材料选择等。
施工单位需要说明钢结构的安装方法、起吊设备的选择、焊接工艺等,以确保施工过程中的安全和质量。
3. 施工质量控制措施施工单位应向监理单位介绍施工质量控制措施,包括焊接质量控制、尺寸控制、表面处理等。
施工单位需要详细说明焊接工艺规程、焊接人员的资质要求、焊接材料的选择等,以确保焊接接头的质量。
4. 安全措施施工单位应向监理单位介绍施工过程中的安全措施,包括起吊作业的安全、高空作业的安全等。
施工单位需要说明起重设备的选用、安全操作规程、安全防护措施等,以确保施工过程中的安全。
四、技术交底的要求1. 交底会议施工单位与监理单位应召开交底会议,明确双方的责任和要求。
会议上,施工单位需要向监理单位详细介绍施工方案、质量控制措施、安全措施等,并回答监理单位提出的问题。
2. 交底材料施工单位应向监理单位提交完整的技术交底材料,包括施工方案、质量控制措施、安全措施等。
交底材料应详细、准确、完整,以便监理单位对施工过程进行监督和检查。
3. 交底记录交底会议结束后,监理单位应制作交底记录,记录双方达成的共识和确认的事项。
钢结构分项工程施工技术交底记录GD-C1-328 单位(子单位)工程名称广州文化馆施工总承包及施工总承包管理与配合服务工程分部/子分部(或系统/子系统)钢结构施工单位广州市房屋开发建设有限公司项目负责人梁活民项目技术负责人张文分包单位/ 项目负责人/ 项目技术负责人/施工依据文件名称及编号《钢结构工程施工规范》(GB50755-2012)质量验收依据文件名称及编号《钢结构工程施工质量验收规范》 (GB50205-2001)交底内容一、安装准备:1、根据土建基础图和钢结构安装要求对基础工程进行基础轴线、预埋件的位置和数量进行检验;2、施工现场应平整、畅通,根据所用塔吊的技术数据,计划材料吊放位置与移动次数,并安排好钢构件摆放位置;3、吊装前应严格检查钢构件连接部位的各项尺寸是否符合设计要求,如有误差,在地面修正后方可吊装。
二、安装顺序:原则:安装程序必须保证结构形式稳定的空间体系,并不导致结构永久变形。
1、安装单根钢柱柱高调整纵横十字轴线位移垂直校正初校超差调整固定;2、梁在地面超平的垫木上用高强度螺栓连接,组装好;3、安装顺序:先从安装钢柱,在安装钢梁;三、安装高强度螺栓:1、高强度螺栓连接在施工前应对连接副实物和摩擦面进行检验和复验,合格后才能进入审批人单位:☑施工 / ☐分包交底人单位:☑施工 / ☐分包接受人单位:☑施工 / ☐分包审批人(项目专业技术负责人)签名:年月日交底人[项目专业工长(施工员)或质检员]签名:年月日接受人(施工班组长及班组人员)签名:年月日GD-C1-328/1交底内容1、高强度螺栓连接在施工前应对连接副实物和摩擦面进行检验和复验,合格后才能进入安装施工;2、对每一个连接接头,应先用临时螺栓或冲钉定位,为防止损伤螺纹引起扭矩系数的变化,严禁把高强度螺栓作为临时螺栓使用。
对一个接头来说,临时螺栓和冲钉的数量原则上应根据该接头可能承担的荷载计算确定,并应符合下列规定:⑴不得少于安装螺栓总数的1/3;⑵不得少于两个临时螺栓;⑶冲钉穿入数量不宜多于临时螺栓的30%。
钢结构工程测量技术交底记录
钢结构工程测量技术交底记录
工程名称:建工精工1#重钢车间钢结构工程交底日期
施工单位:北京机械施工公司分项工程名称
交底提要:关于测量技术交底
交底内容:
1、依据图纸对甲方交验的纵横轴线及地脚螺栓准确位置、间距进行复验。
2、根据施工现场的6个控制桩来复校纵横轴线、地脚螺栓等准确位置,确保实际轴线、节点位置符合结构安装要求。
3、使用水准仪将地脚螺栓的调节螺母调到安装需要的同一标高位置,而且要预留螺母上垫板的位置。
4、柱子吊装前,先在柱子及柱脚板上测放中线(轴线)。
吊装时,用两台经纬仪观测柱子的垂偏,用柱脚底板上的螺母进行调节(必要时使用倒链、缆风等),使柱子的垂直度达到规范要求;然后调节柱子的位移,根据现场的纵横轴线、柱子中线及柱脚板中线,用经纬仪观测三线是否在同一立面内,使用撬棍、千斤顶等进行调节,使柱子的位移偏差在允许范围之内,尽量将误差减到最少。
5、安装吊车梁时,先在吊车梁上测放吊车梁中线,在地面上测放出吊车梁中线的垂直投影线,以便调整吊车梁减少蛇形误差(使用经纬仪进行观测)。
柱间支撑使用钢尺、量角器、水平尺等控制其准确的安装位置。
6、刚架梁拼装时要严格控制其水平度、蛇形差等(拼装时每根梁都要测放出中线),拼装后各项技术指标均满足要求。
吊装刚架前,先对柱子的垂直度、位移等进行复测及复校,依据横向轴线和刚架梁上的中线等确保钢架位置的准确。
7、安装水平支撑、压杆前,对柱子、刚架等进行复校(经纬仪进行观测,倒链、撬棍及绳索具等进行调整),调节后使其满足安装规范的要求,之后安装起整体加固作用的支撑及压杆。
全部构件安装完毕后,进行整体结构的测量检查,完全达到标准后,紧固高强螺母、支撑全面焊接,使整体结构永久性连接。
审核人交底人接受交底人
本表由施工单位填写,交底单位与接受交底单位各存一份。
感谢您的阅读!。