钢筋原材质量要求
- 格式:doc
- 大小:22.00 KB
- 文档页数:1
钢筋原材质量控制措施一、背景介绍钢筋是建筑工程中常用的一种重要材料,其质量直接关系到工程的安全性和耐久性。
为了确保钢筋的质量,需要采取一系列的控制措施。
本文将详细介绍钢筋原材质量控制措施的相关内容。
二、钢筋原材质量控制措施1. 原材采购(1)选择正规的钢材生产厂家,确保其具备相关的资质和证书。
(2)要求供应商提供符合国家标准的钢筋产品,并进行抽样检测。
(3)对供应商进行严格的资质审查,确保其生产设备和生产工艺符合要求。
(4)建立供应商评价制度,对供应商的质量管理体系进行定期评估。
2. 原材检验(1)对每批次进货的钢筋进行抽样检测,包括化学成分、力学性能等方面的检验。
(2)建立钢筋质量检验记录,记录检验结果和检验日期,确保可追溯性。
(3)对不合格的钢筋及时予以退货或返修,确保只使用合格的原材料。
3. 原材质量控制(1)建立原材料质量控制台账,记录每批次原材料的基本信息和检验结果。
(2)对原材料进行分类存放,避免不同规格和材质的钢筋混淆。
(3)定期对原材料进行检验,确保其质量稳定可靠。
(4)对原材料进行标识和编号,方便追踪和管理。
4. 仓储管理(1)建立合理的仓储管理制度,确保钢筋的存放环境干燥、通风、无腐蚀性物质。
(2)对钢筋进行分类存放,按照规格、材质等进行分区,避免混淆和交叉污染。
(3)定期进行库存盘点,确保库存数量准确无误。
(4)对钢筋进行防锈处理,避免因长时间存放而导致的质量问题。
5. 运输与搬运(1)选择正规的运输公司,确保运输过程中钢筋不受损坏。
(2)在运输过程中采取防护措施,避免钢筋与其他物品发生碰撞或摩擦。
(3)搬运钢筋时要使用合适的工具和设备,避免人工搬运造成的损坏。
6. 质量记录与追溯(1)建立钢筋质量记录档案,包括原材料检验记录、仓储管理记录、运输记录等。
(2)记录钢筋的批次信息,方便追溯和质量溯源。
(3)建立质量问题反馈机制,及时处理和解决质量问题,并进行记录和分析,以避免类似问题再次发生。
钢筋原材质量控制措施钢筋作为建筑结构中的重要材料,其质量控制对于确保建筑物的安全性和耐久性至关重要。
以下是钢筋原材质量控制的一些常见措施:1. 原材料供应商选择:在选择钢筋原材料供应商时,应考虑其信誉和资质。
优质的供应商通常具有相关的认证和资质,如ISO 9001质量管理体系认证。
此外,还应考虑供应商的交货能力和供货稳定性,以确保原材料的及时供应。
2. 原材料检验:在原材料到达施工现场之前,应进行严格的原材料检验。
这包括对钢筋的外观、尺寸、化学成分和力学性能等进行检测。
常用的检测方法包括目视检查、尺寸测量、化学分析和拉伸试验等。
只有通过检验合格的钢筋才能使用于施工。
3. 原材料标识和追溯:钢筋原材料应进行标识,以便追溯其来源和质量信息。
常见的标识信息包括供应商名称、批次号、规格和等级等。
这有助于在施工过程中及时发现和解决潜在的质量问题,并保证建筑结构的整体质量。
4. 原材料储存和保护:钢筋原材料应储存在干燥、通风和无腐蚀性气体的环境中,以防止其受潮、锈蚀和污染。
在储存过程中,应采取适当的措施,如覆盖防尘布、分类储存和定期检查等,以确保原材料的质量和完整性。
5. 运输和搬运:在钢筋运输和搬运过程中,应注意避免碰撞、挤压和弯曲等造成损坏的情况。
运输工具和设备应具备适当的保护措施,如使用防滑垫、固定装置和合理的装载方式等,以减少钢筋的损坏和变形。
6. 现场质量检查:在施工现场,应进行钢筋的现场质量检查。
这包括对钢筋的尺寸、数量、弯曲和连接等进行检查,以确保其符合设计要求和施工规范。
同时,还应进行必要的试验,如拉力试验和弯曲试验等,以验证钢筋的力学性能。
7. 质量记录和报告:在钢筋原材质量控制过程中,应及时记录和报告相关的质量信息。
这包括原材料的检验结果、供应商的评估、现场检查的记录和试验结果等。
这些记录和报告有助于对质量控制措施的有效性进行评估和改进。
综上所述,钢筋原材质量控制措施是确保建筑结构安全和耐久的重要环节。
关于对采购和进场钢筋原材和半成品进行严格质量验收的通知各分公司、项目部、钢筋加工车间:通过检查发现,目前存在对采购和进场钢筋原材和半成品(如箍筋等)验收不够严格、验收标准不够掌握等现象,现重申有关国家标准、规范要求,并结合集团公司具体情况作出如下规定。
一、钢筋混凝土用钢国家标准现行钢筋混凝土用钢的国家标准分别为《GB 1499.1-2008 钢筋混凝土用钢第1部分:热轧光圆钢筋》和《GB1499.2-2007)钢筋混凝土用钢第2部分:热轧带肋钢筋》。
钢筋原材和半成品的订货、采购、验收均应严格执行该标准。
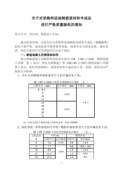
1、热轧光圆钢筋外观质量及尺寸允许偏差见下表:注:本部分适用于钢筋混凝土用热轧直条、盘卷光圆钢筋。
2、热轧带肋(带有纵肋的月牙肋)钢筋外观质量及尺寸允许偏差见下表:(表二)注释:热轧带肋钢筋公称直径、公称尺寸、允许误差的定义:①公称直径:与钢筋的公称横截面积相等的圆的直径(是钢筋的横截面积换算出圆形面积对应的直径);②公称尺寸:指产品的具体标准尺寸(指具体的能够测量的尺寸,如带肋钢筋的内径、肋高、肋距等);③允许误差:是指在公称尺寸的基础上的尺寸波动范围(标准中有规定)。
3、采购、进场钢筋原材、半成品钢筋(如箍筋等)的合格质量标准:钢筋原材及半成品钢筋进场必须经过外观检查、尺寸测量及进场复试检验,同时符合要求的情况下,才能判定该批钢筋质量合格。
(1)、热轧光圆钢筋的合格质量标准:①、外观直径偏差、不圆度符合表一的规定②、牌号HPB235钢筋:屈服强度≥235 Mpa ,抗拉强度370 Mpa③、伸长率:断后伸长率≥25% 最大力总伸长率≥10%(2)、热轧带肋钢筋的合格质量标准:①、外观内径、横肋高等偏差符合表二的规定②、屈服强度、抗拉强度、断后伸长率、最大力总伸长率的最小保证值见下表:(表三)二、混凝土结构其它相关规范:1、《建筑抗震设计规范》GB 50011-2010第3.9.2条:抗震等级为一、二级的框架结构,其纵向受力钢筋采用普通钢筋时,钢筋的抗拉强度实测值与屈服强度实测值的比值不应小于1.25;钢筋的屈服强度实测值与强度标准值的比值不应大于1.3;且钢筋在最大拉力下的总伸长率实测值不应小于9%。
钢筋验收标准一、钢筋原材1、钢筋表面出现黄色浮锈,严重转为红色,日久后变成暗褐色,甚至发生鱼鳞片剥落现象。
原因保管不良,受到雨雪侵蚀,存放期长,仓库环境潮湿,通风不良。
防治措施1、钢筋原料应存放在仓库或料棚内,保持地面干燥,钢筋不得直接堆放在地上,场地四周要有排水措施,堆放期尽量缩短。
淡黄色轻微浮锈不必处理。
2、红褐色锈斑的清除可用手工钢刷清除,尽可能采用机械方法,对于锈蚀严重,发生锈皮剥落现象的应研究是否降级使用或不用。
2、钢筋品种、等级混杂不表,直径大小不同的钢筋堆放在一起,难以分辨,影响使用。
特别是二级钢和三级钢。
原因原材料仓库管理不当,制度不严;直径大小相近的,用目测有时分清;技术证明资料未随钢筋实物同时交送仓库。
防治措施1、原材料堆放,和加工后的半成品均应注明材质和规格。
2、下料加工前因认真核对材质和规格,特别是2级刚和3级钢。
二、钢筋力学试验现象和问题钢筋原材力、接头学实验不规范:钢筋材质单批号、数量和实验报告单上不符,工程部位不详细。
未能按规范要求中的数量批次进行力学实验。
1、原材防治措施拉伸试验每组2根长约500mm。
350mm。
同一厂别,同一炉号、同一规格、同一交货状态,每60t为一验收批,不足60t也按一批计。
(盘圆钢筋试件取自不同盘、直条钢筋在任选的两根或两根以上截取)。
2、闪光焊接接头防治措施同一台班内由同一焊工完成的300个同级别、同直径钢筋焊接接头应作为一批。
试件从成品中随机切取6个试件。
其中3根做拉伸试验长约500mm,冷弯试验2根长约350mm。
3、电弧焊接接头防治措施工程焊接条件:同接头型试、同钢筋级别300个接头为一验收批。
在现场条件下:每一至两层楼同接头型试、同钢筋级别300个接头为一验收批,不足300个接头也按一批计。
试件从成品中随机切取3个试件做拉伸试验长约500mm,4、电渣压力焊接头防治措施每一楼层或施工区段中同钢筋级别300个接头为一验收批,不足300个接头也按一批计。
钢筋原材质量控制措施引言概述:钢筋是建造施工中常用的一种材料,其质量直接关系到建造物的安全性和稳定性。
为了确保钢筋材料的质量,采取一系列的控制措施是必要的。
本文将介绍钢筋原材质量控制的五个方面,包括材料选用、外观检查、化学成份检测、力学性能测试和质保体系。
一、材料选用:1.1 钢筋牌号选择:根据工程设计要求和使用环境,选择适合的钢筋牌号,包括HRB335、HRB400等。
1.2 钢筋直径选择:根据设计荷载和结构要求,选择合适的钢筋直径,包括φ6、φ8、φ10等。
1.3 钢筋长度选择:根据施工需要和构件尺寸,选择适当长度的钢筋,包括6m、9m、12m等。
二、外观检查:2.1 表面质量检查:检查钢筋表面是否有明显的裂纹、皱褶、氧化等缺陷。
2.2 弯曲度检查:检查钢筋的弯曲度是否符合标准要求,避免在施工过程中浮现过大的弯曲变形。
2.3 钢筋直径测量:使用合适的测量工具,对钢筋直径进行测量,确保其符合设计要求。
三、化学成份检测:3.1 碳含量检测:通过化学分析方法,检测钢筋中的碳含量是否符合标准要求,确保钢筋的强度和韧性。
3.2 含氮量检测:检测钢筋中的氮含量,避免因氮含量过高导致钢筋的脆性增加。
3.3 含硫量检测:检测钢筋中的硫含量,避免因硫含量过高导致钢筋的脆性增加。
四、力学性能测试:4.1 抗拉强度测试:对钢筋进行抗拉强度测试,确保其达到设计要求的强度。
4.2 屈服强度测试:通过力学试验,测定钢筋的屈服强度,确保其满足设计要求。
4.3 延伸性能测试:对钢筋进行延伸性能测试,确保其具有足够的延伸性,以适应结构变形。
五、质保体系:5.1 原材料供应商审核:对钢筋原材料供应商进行审核,确保其具有合法资质和质量保证能力。
5.2 追溯体系建立:建立钢筋原材料的追溯体系,确保可以追溯到每一批次的原材料信息。
5.3 质量记录保存:对钢筋原材料的质量检测记录进行保存,以备查证和追溯。
结论:通过以上五个方面的钢筋原材质量控制措施,可以确保钢筋材料的质量符合设计要求和标准要求,提高建造物的安全性和稳定性。
钢筋原材质量控制措施一、引言钢筋是建造工程中常用的重要材料之一,其质量直接影响着工程的安全性和耐久性。
为了确保钢筋的质量,需要采取一系列的控制措施。
本文将详细介绍钢筋原材质量控制的相关内容。
二、钢筋原材质量控制的目标钢筋原材质量控制的目标是确保钢筋的化学成份、力学性能和物理性能符合相关标准和要求。
具体措施如下:1. 原材料供应商的选择选择可靠的钢筋原材料供应商是保证钢筋质量的首要步骤。
供应商应具备相关资质和认证,并有良好的信誉。
定期对供应商进行评估和审核,确保其符合质量要求。
2. 原材料的抽样和检测对于每一批次的钢筋原材料,应进行抽样并进行严格的检测。
抽样方法应符合相关标准,确保样品的代表性。
检测项目包括化学成份、力学性能和物理性能等。
检测结果应与相关标准进行对照,确保符合要求。
3. 原材料的贮存和保管钢筋原材料应妥善贮存和保管,以防止受潮、受污染等情况发生。
贮存场所应干燥、通风,并设有防护措施,以防止外界因素对原材料的影响。
4. 原材料的追溯和记录对每一批次的钢筋原材料,应建立追溯体系,并记录相关信息,包括供应商信息、抽样检测结果、贮存情况等。
这样可以确保原材料的追溯可行性,并在浮现质量问题时进行有效的处理和追责。
三、钢筋原材质量控制的方法为了确保钢筋原材质量的控制,可以采取以下方法:1. 严格执行相关标准钢筋原材料的质量控制应严格按照国家或者行业相关标准进行。
相关标准包括化学成份、力学性能和物理性能等方面的要求。
在采购、使用和验收过程中,都要严格执行相关标准,确保钢筋质量符合要求。
2. 建立质量管理体系钢筋原材质量控制应建立完善的质量管理体系。
包括制定相应的质量管理制度和工作规范,明确各个环节的职责和要求。
同时,要进行质量管理的监督和检查,及时发现和纠正问题,确保质量控制的有效性。
3. 培训和教育钢筋原材质量控制需要相关人员具备专业知识和技能。
通过培训和教育,提高员工的质量意识和技术水平,使其能够正确操作和控制钢筋原材料的质量。
钢筋原材质量控制措施一、引言钢筋是建造工程中常用的重要材料之一,其质量直接影响到工程的安全性和持久性。
为了确保钢筋的质量,需要采取一系列的控制措施。
本文将详细介绍钢筋原材质量控制的相关措施。
二、钢筋原材料的选择1. 钢材供应商的选择:选择信誉良好、生产设备先进、质量管理体系完善的钢材供应商,确保原材料的质量可靠。
2. 钢材牌号的选择:根据工程设计要求和使用环境的特点,选择合适的钢材牌号,确保其具有良好的力学性能和耐腐蚀性能。
三、钢筋原材料的检验1. 外观检验:对每批钢筋原材料进行外观检验,检查表面是否有明显的锈蚀、裂纹、变形等缺陷。
2. 尺寸检验:对每批钢筋原材料进行尺寸检验,确保其符合工程设计要求。
3. 化学成份检验:对每批钢筋原材料进行化学成份检验,确保其符合相关标准要求。
4. 机械性能检验:对每批钢筋原材料进行机械性能检验,包括屈服强度、抗拉强度、伸长率等指标,确保其满足工程要求。
四、钢筋原材料的贮存和保护1. 贮存环境:钢筋原材料应贮存在干燥、通风良好的仓库中,避免与酸、碱等腐蚀性物质接触。
2. 防止变形:钢筋原材料应妥善堆放,避免长期受压变形。
3. 防止锈蚀:钢筋原材料应定期进行防锈处理,可以使用防锈剂进行涂覆,或者采取其他有效的防锈措施。
五、钢筋原材料的标识和追溯1. 标识要求:每批钢筋原材料应有明确的标识,包括钢材牌号、规格、生产日期等信息,以便于追溯和管理。
2. 追溯体系:建立钢筋原材料的追溯体系,记录每批原材料的进货、质检、贮存等信息,确保原材料的可追溯性。
六、钢筋原材料的加工和使用1. 加工控制:在钢筋的加工过程中,要严格控制加工尺寸、弯曲半径等参数,确保加工质量符合要求。
2. 使用环境控制:根据钢筋的使用环境,采取相应的防腐措施,如涂覆防腐剂、进行防腐涂层等,确保钢筋在使用过程中不受腐蚀。
七、钢筋原材料的检验和评价1. 抽样检验:对每批钢筋原材料进行抽样检验,确保其质量符合标准要求。
钢筋原材料检验批质量验收记录时间:2024年6月1日地点:建筑工地一、检验批基本信息1.项目名称:XX工程2.检验批名称:钢筋原材料检验批3.检验单位:XX建筑检验检测有限公司二、检验依据和要求1.《钢筋原材料检验规范》(GB/T1499-2024)三、检验项目及结果1.钢筋材质检验(1)钢筋种类:HRB400(2)材质标准:GB/T699-2024(3)必要性能指标:a.抗拉强度:≥400MPab.屈服强度:≥400MPac.伸长率:≥14%(4)检验结果:样品通过检验,符合要求。
2.钢筋外观质量检验(1)表面净度要求:a.允许轻微氧化锈蚀和机械处理痕迹b. 不得有粗大凹坑、氧化皮层厚度超过0.5mm(2)检验结果:样品通过检验,符合要求。
3.钢筋尺寸检验(1) 直径尺寸:12mm ±0.5mm(2)弯曲度要求:允许存在一定的弯曲和鳞母变形,不得有裂纹。
(3)检验结果:样品通过检验,符合要求。
四、检验过程描述1.本次检验从供应商采购的钢筋中随机抽取20根进行检验。
2.对每根钢筋进行外观检验,查看表面净度、氧化皮层厚度等指标是否符合要求。
3.对样品进行尺寸测量,包括直径和弯曲度等参数。
4.从样品中取出试样进行材质检验,包括抗拉强度、屈服强度和伸长率等指标的测定。
5.根据检验结果,判定样品是否合格。
五、检验结论经过对20根钢筋样品的检验,全部样品通过检验,符合相关标准的要求,达到使用标准。
六、检验记录保存1.检验记录将保存在建筑工地的档案室中,以备工程验收和后续质量问题处理时参考。
2.检验报告将向建设单位和施工单位进行报送。
备注:本检验记录仅为对钢筋原材料进行质量验收的一部分,不包括对现场加工和焊接后的钢筋结构的质量检验。
钢筋材料质量标准应满足且不限于以下标准要求1、进场钢筋材料必须符合国家标准GB1499.1-2008、GB1499.2-2007等2、进场钢筋材料应具有材证相符且有效的产品合格证、出厂检验报告3、进场钢筋材料外观检查:(1)钢筋应无有害的表面缺陷,钢筋表面不得有裂纹、油污、颗粒状或片状老锈。
(2)直条钢筋的弯曲度应不影响正常使用,总弯曲度不大于钢筋总长度的0.4%,钢筋端部应剪切正直,局部变形应不影响使用。
(3)热轧光圆钢筋直径允许偏差及不圆度详见附表1,热轧带肋钢筋表面形状及尺寸允许偏差详见附表2。
(4)钢筋的包装、标志和质量证明书应符合GB/T2101的有关规定。
4、钢筋材料长度允许偏差(1)钢筋按定尺长度交货的直条钢筋其长度允许偏差范围为0—+50mm(2)热轧光圆钢筋按盘圆交货的钢筋,每根盘条重量不小于500Kg,每盘重量不小于1000Kg(3)热轧带肋钢筋以盘螺交货时,每盘应是一根钢筋,允许每批有5%的盘数(不足两盘时可有两盘)有两根钢筋组成5、钢筋实际重量与理论重量的允许偏差详见附表36、钢筋理论重量(Kg/m)详见附表47、进场钢筋材料重量确认(1)钢筋材料以盘圆盘螺进场时,按双方认可的电子磅称重为准。
(2)直条钢筋原则上按清点数量(长度×根数×理论重量)为准。
(3)当甲方抽检直条钢筋实际称重超过理论重量允许偏差时:当偏差为正值时,甲方按7(2)条规定核计该批次钢筋重量,当偏差为负值时,乙方应无条件退货。
8、钢筋材料进行抽样检验,如钢筋复试报告评定为不合格时,即视为乙方供货质量问题,乙方应立即退货,并及时补上。
如因此造成甲方工程误工,直接损失由乙方承担9、乙方按合同指定的生产厂家提供钢筋材料,如因特殊原因调换生产厂家,乙方必须事先征得甲方的认可,并提供钢厂生产许可证及相关资料,经甲方同意后方可调换10、乙方供应钢筋材料运至甲方工地现场前的安全工作有乙方负责。
在工地现场卸装钢筋时,乙方必须遵守甲方各项安全操作规程,在甲方监督下组织钢筋卸装工作附表1:热轧光圆钢筋直径及不圆度允许偏差附表2:热轧带肋钢筋表面形状及尺寸允许偏差。
钢筋原材质量控制措施引言概述:钢筋作为建造工程中重要的结构材料,其质量直接影响到工程的安全和质量。
因此,对钢筋原材的质量控制尤其重要。
本文将从钢筋原材质量控制的角度出发,介绍一些有效的措施。
一、供应商选择1.1 供应商信誉度:选择有一定行业声誉和信誉度的供应商,确保原材料的质量可靠。
1.2 供应商资质:确保供应商具有相关的生产资质和认证,避免购买劣质原材料。
1.3 供应商实力:选择有一定规模和实力的供应商,确保其能够按时供货并保证质量。
二、原材采购2.1 样品检测:在大宗采购前,对供应商提供的样品进行检测,确保符合相关标准。
2.2 采购合同:签订明确的采购合同,约定质量标准、交货时间等重要事项,保障权益。
2.3 采购渠道:选择正规的采购渠道,避免购买来路不明的原材料,确保质量可控。
三、原材检验3.1 外观检查:对钢筋原材料的外观进行检查,确保表面平整、无裂纹等缺陷。
3.2 化学成份检测:进行化学成份分析,确保符合相关标准要求,避免含有有害元素。
3.3 机械性能测试:进行拉伸、弯曲等机械性能测试,确保其符合设计要求。
四、存储和运输4.1 存储条件:钢筋原材料应存放在干燥通风的仓库中,避免受潮生锈。
4.2 包装保护:在运输过程中,对钢筋原材料进行合适的包装保护,避免碰撞损坏。
4.3 温度控制:在运输过程中,控制好环境温度,避免因温度变化导致钢筋质量受损。
五、质量追溯5.1 标识记录:对每批钢筋原材料进行标识记录,包括生产日期、批号等信息,方便质量追溯。
5.2 过程监控:建立完善的质量追溯体系,对原材料的生产、运输等过程进行监控,确保质量可控。
5.3 问题处理:一旦发现质量问题,及时进行问题处理和追溯,找出问题原因并采取有效措施,避免再次发生。
结论:通过以上措施的实施,可以有效提高钢筋原材的质量控制水平,保障建造工程的安全和质量。
建议在实际生产中,严格执行相关标准和规定,确保每一道工序都符合质量要求,做好质量管理工作。
钢筋工程质量控制要点1 钢筋原材质量:1.1 进场验收1.1.1 备案书、厂家及供货方资质材料、材质证明、炉牌号验收钢筋的材质证明为复印件时,应符合以下规定:1钢材进场检验时,首先核对出厂标牌与材质证明是否一致,同时收集出厂标牌,并复印在材质证明书的背面或单印。
与进场检验(复试)报告放在一起。
2当材质证明书(合格证)上超过2个(含2个)炉批号时,应将实际进场的炉批号采用(√)的方式在材质证明书进行标识(出厂标牌号上的炉批号与材质证明书上炉批号相对应)。
3 材质证明书上应加盖供货单位红章,并标识以下项目(见下表所示)也可直接按项目标识在材质证明上,宜整齐、清晰。
2抄印件人为材质证明(印件)提供方。
1.1.2观感(表面无污染、无油渍,无颗粒状和片状老锈,无裂纹、损伤、脆断现象)验收1.1.3规格、数量验收1.2 复试对施工中常用到的热轧带肋钢筋、热轧光圆钢筋、热轧圆盘条按照GB1499、GB13013、GB/T701等规定的组批规则抽取试件作力学性能试验(注:通过核对收集的铁标牌与材质证明,确定是否能够按混合批进行复试,组成混合批的条件:同一牌号、同一冶炼方法、同一浇注方法的不同炉罐号含碳量之差不大于0.02%,含锰量之差不大于0.15%时),复试结果必须满足相关标准要求后方可进行加工、使用。
对有抗震设防要求的框架结构,其纵向受力钢筋的强度应满足设计要求;当设计无具体要求时,对一、二级抗震等级,检验所得的强度实测值应符合下列规定:(1)钢筋的抗拉强度实测值与屈服强度实测值的比值不应小于1.25,1.25;即强屈比:δb实δs实(2)钢筋的屈服强度实测值与强度标准值的比值不应大于1.3,≤1.3。
即屈标比:δs实δb标当在使用中发现钢筋脆断、焊接性能不良或力学性能显著不正常等现象时,应对该批钢筋进行化学成分检验或其他专项检验。
1.3 进场后的码放与标识根据现场平面布置图,确定出位置合理、尺寸满足要求的场地作为钢筋堆放区,为防止钢筋受潮锈蚀、污染,堆放区应有排水措施,并进行场地硬化处理,在钢筋堆放时下设垫木;应分批按规格分类码放整齐,设置标识牌,标识牌应对钢筋的生产厂家、规格型号(如热轧、带肋、Ⅱ级、Φ20)、炉罐号、进场数量、试验状态(合格)及试验编号、进场日期等进行详细标识。
钢筋原材标准
钢筋原材的标准主要包括以下几个方面:
1.外观质量:钢筋原材的外观应平整无扭曲,保持正面光洁,无裂纹和疤
痕,表面应无明显锈蚀和划伤,无氧化皮、铁锈和油污等污渍。
2.尺寸规格:钢筋原材的直径应符合国家标准或合同规定的尺寸范围,其
偏差应小于等于规定值。
3.化学成分:钢筋原材的化学成分标准主要是指其含碳量、硫和磷元素的
含量,要符合国家标准的规定。
4.机械性能:钢筋原材的强度、伸长率和冷弯性能均应符合国家标准或合
同规定的试验结果,以保证其耐久性和使用寿命。
5.铁锈覆盖度:钢筋原材表面铁锈覆盖度能够满足要求,不能影响钢筋的
使用寿命和耐久性。
在选择钢筋原材料时,可以参考相关的国家和行业标准,如GB/T 1499.2-2007《混凝土用钢筋第2部分:品种、标志和质量规定》和YB/T 5055-2015《建筑钢筋材料评定标准》等,进行评定和检验。
同时,在采购过程中还应要求厂家的生产批次、质量保证书、检测报告等相关资料,以便进行有效的质量监控和管理。
以上信息仅供参考,如有需要,建议咨询专业人士。
钢筋原材质量控制措施引言概述:钢筋是建造工程中常用的一种材料,其质量直接关系到工程的安全性和稳定性。
为了确保钢筋的质量,需要采取一系列的控制措施。
本文将从五个方面详细介绍钢筋原材质量控制措施。
一、原材料的选择1.1 选择合格的钢厂供应商:选择有资质、信誉良好的钢厂供应商,确保原材料的质量可靠。
1.2 严格把关原材料的生产工艺:钢厂供应商应具备先进的生产工艺,确保原材料的创造过程符合标准要求。
1.3 定期抽样检测:对供应商提供的原材料进行定期抽样检测,确保其质量符合标准。
二、原材料的检验2.1 外观检验:对原材料的外观进行检查,包括表面是否平整、无裂纹、无明显锈蚀等。
2.2 化学成份检验:通过化学分析仪器对原材料进行化学成份的检测,确保其符合标准要求。
2.3 物理性能检验:对原材料进行拉伸试验、弯曲试验等物理性能检验,确保其强度、韧性等性能符合标准。
三、原材料的储存与保护3.1 储存环境的控制:钢筋原材料应存放在干燥、通风良好的仓库中,避免受潮和受污染。
3.2 防止堆放变形:原材料在储存过程中应避免受到外力挤压和碰撞,防止变形影响使用效果。
3.3 防止锈蚀:钢筋原材料应进行防锈处理,如涂覆防锈剂或者包装密封,以避免锈蚀对材料质量的影响。
四、原材料的追溯与管理4.1 追溯体系建立:建立钢筋原材料的追溯体系,包括记录供应商信息、批次信息等,以便追溯原材料的来源和质量。
4.2 材料标识管理:对原材料进行标识管理,包括批次号、规格等信息的标识,以便在使用过程中进行管理和追溯。
4.3 库存管理:建立科学的库存管理制度,确保原材料的存放和使用按照规定进行,避免过期或者损坏的材料使用。
五、原材料的质量监控5.1 定期抽样检测:对已储存的原材料进行定期抽样检测,确保其质量符合标准要求。
5.2 不合格品处理:对发现的不合格原材料进行及时处理,如退货、返修等,确保不合格品不进入生产环节。
5.3 质量记录与分析:建立原材料质量记录和分析体系,对质量问题进行分析和改进,确保质量控制措施的有效性。
钢筋原材送检规范钢筋原材送检规范是指在采购和使用钢筋原材料时,对钢筋进行送检,并按照规定的规范进行检测,以确保钢筋的质量符合相关标准和要求。
下面是一个包含1000字的钢筋原材送检规范的示例:一、引言钢筋是建筑施工中常用的重要材料之一,其质量直接影响到整个工程的安全和质量。
为了确保钢筋的质量符合相关标准和要求,在采购和使用钢筋原材料时,必须对其进行送检,并按照规定的规范进行检测。
本规范旨在规范钢筋原材料的送检工作,确保钢筋质量达到设计和施工要求。
二、适用范围本规范适用于所有需要采购和使用钢筋原材料的建筑工程。
三、术语和定义3.1 钢筋原材料:指采购的钢筋产品,包括钢筋卷、钢筋线、钢筋箍等。
3.2 送检:指将钢筋原材料送往检测机构进行质量检验。
3.3 检测机构:指具有资质和能力进行钢筋原材料质量检验的机构。
3.4 检测结果:指检测机构对钢筋原材料的质量检验结果。
四、送检要求4.1 送检单位采购钢筋原材料的单位应当按照工程需要选择有资质和能力进行钢筋原材料检测的检测机构进行送检。
送检单位应当与检测机构签订合作协议,并按照协议约定的要求进行送检。
4.2 送检样品4.2.1 采样方法按照相关标准和规范,从每个批次的钢筋原材料中随机采样。
采样方法应当符合相关标准和规范的要求,确保采样代表性和样品的可靠性。
4.2.2 样品保存采样后的样品应当及时送往检测机构进行测试,并妥善保存。
样品的保存条件应符合相关标准和规范的要求,以保证样品的原始性和可靠性。
4.3 检测项目钢筋原材料的检测项目包括但不限于以下几个方面:外观质量、尺寸和几何参数、力学性能、化学成分等。
具体检测项目应根据相关标准和规范的要求进行确定,并在合作协议中明确约定。
五、送检流程5.1 采样按照4.2.1的要求进行采样,并填写采样记录,确保采样过程的可追溯性和准确性。
5.2 样品送检将采样得到的样品送往检测机构,并填写送检申请表,附上相关的技术文件和样品检测要求。
钢筋原材料质量控制一、引言钢筋作为建造工程中常用的主要材料之一,其质量直接影响到工程的安全性和耐久性。
因此,对钢筋原材料的质量进行严格的控制是至关重要的。
本文将环绕钢筋原材料质量控制展开,详细介绍相关的标准和控制措施。
二、钢筋原材料质量标准钢筋原材料的质量标准主要包括以下几个方面:1. 化学成份:钢筋原材料的化学成份应符合国家或者地方标准的要求。
常见的元素包括碳、硫、磷、锰等,其含量应在规定范围内。
2. 机械性能:钢筋原材料的机械性能指标包括屈服强度、抗拉强度、伸长率等。
这些指标反映了材料的强度和延展性能,应符合相应的标准要求。
3. 外观质量:钢筋原材料的外观应无明显的缺陷,如裂纹、气泡、夹杂物等。
表面应光滑、无锈蚀和油污。
4. 尺寸偏差:钢筋原材料的直径、长度等尺寸应符合国家或者地方标准的规定。
偏差应控制在规定范围内。
三、钢筋原材料质量控制措施为了确保钢筋原材料的质量,以下是一些常用的控制措施:1. 供应商选择:选择信誉良好、具有相关认证的供应商,确保供应商能够提供符合质量标准的钢筋原材料。
2. 采样检测:对每批次的钢筋原材料进行采样,并进行化学成份分析、机械性能测试等。
采样点的选择应符合相关标准要求。
3. 外观检查:对钢筋原材料的外观进行检查,确保无明显缺陷。
可以使用目测和放大镜等工具进行检查。
4. 尺寸检测:使用合适的测量工具对钢筋原材料的直径、长度等尺寸进行检测,确保符合标准要求。
5. 质量记录:对每批次的钢筋原材料进行质量记录,包括供应商信息、采样检测结果等。
记录应详细、准确,并妥善保存。
6. 不合格品处理:如果发现钢筋原材料不符合质量标准,应及时采取措施,如返厂、退货等,确保不合格品不进入施工现场。
四、钢筋原材料质量控制的重要性钢筋原材料质量控制的重要性体现在以下几个方面:1. 工程安全:钢筋是建造工程中承受荷载的主要材料之一,其质量直接关系到工程的安全性。
如果钢筋原材料质量不合格,可能导致工程浮现安全隐患。
钢筋原材供应质量保障措施钢筋是建筑工程中不可或缺的材料之一,其质量直接影响着建筑物的安全性和持久性。
为了保证钢筋的质量,我们需要采取一系列的供应质量保障措施。
本文将从原材采购、生产加工、质量检验以及售后服务等方面对钢筋供应质量保障措施进行详细阐述。
首先,原材采购环节是确保钢筋质量的第一步。
我们要选择有正规资质的供应商,并与其建立长期稳定的合作关系。
供应商应提供合格的钢筋原材料,如螺纹钢等,并提供对原材料的相关质量证明和检验报告。
同时,我们要定期对供应商进行评估,确保他们的生产和管理水平达到相关标准要求。
其次,在钢筋的生产加工环节,我们需要严格执行标准化管理。
生产环境应保持清洁,生产设备要进行日常维护和保养,确保其正常运行。
为了防止交叉污染,我们要对不同规格的钢筋进行分区存放和加工。
同时,钢筋在生产过程中应进行严格的质量控制,包括对尺寸、形状、力学性能等方面进行检测,并做好相关记录。
第三,在钢筋的质量检验环节,我们需要依据相关标准进行全面而细致的检验。
钢筋的常规检测项目包括外观、尺寸、化学成分、力学性能等。
外观检测主要是检查钢筋表面是否有明显的氧化、腐蚀、裂纹等缺陷,尺寸检测则通过测量钢筋的直径、长度等来判断其是否符合要求。
化学成分检测主要是分析钢筋中各元素的含量是否满足标准要求,而力学性能检测则是通过拉伸试验、弯曲试验等来评估钢筋的强度和韧性。
最后,在钢筋供应的售后服务环节,我们要建立健全的与用户的沟通机制,并及时处理用户的投诉和问题。
我们可以建立客户反馈信息系统,及时收集用户的意见和建议,并进行分析和改进。
在出现质量问题时,我们要及时采取补救措施,包括召回、更换等,以保证用户的权益和满意度。
综上所述,钢筋原材供应质量保障措施涵盖了原材采购、生产加工、质量检验以及售后服务等环节。
通过严格执行这些措施,我们可以保证钢筋的质量稳定和可靠,从而提高建筑物的安全性和持久性。
同时,我们也需要与供应商、用户以及相关监管部门建立良好的合作关系,形成有效的质量管理体系,共同提高钢筋供应质量,并推动建筑行业的可持续发展。
钢筋原材质量要求
钢筋原材质量要求
1)钢筋进场必须有出厂质量证明书和试验报告,并按规定抽样送检,合格后方能使用,每捆(盘)钢筋均应有标牌。
2)本工程钢筋用量大,品种多,进场的每批钢筋用完后,钢筋工长、试验人员必须在试验报告合格证明书上注明该批钢筋所用楼层的部位,以便今后对结构进行分析,确保工程质量。
3)钢筋在储运堆放时,必须挂标牌,并按级别品种分规格堆放整齐,钢筋与地面之间应支垫不低于200mm的底笼或搭设钢管架。
对于数量较大,使用时间较长的钢筋表面应加覆盖物,以防止钢筋锈蚀和污染。
4)钢筋在加工过程中,如发生脆断,焊接性能不良或力学性能不正常等现象,应对该批钢材进行化学成份分析,不符合国家标准规定的钢材不得用于工程。
5)钢筋规格品种不齐,需代换时,应先经过设计单位同意和验算后,方可进行代换并及时办理技术核定单。
6)对进场的钢筋应按级别、规格分别堆放和使用,并应有明显标志。
不得在室外储存。
感谢您的阅读!。