设备运行分析报告(模板02)(2020年整理).pdf
- 格式:pdf
- 大小:745.89 KB
- 文档页数:15
设备运行报告
自查报告。
日期,2022年10月15日。
自查人,XXX。
设备名称,生产线机器人。
自查内容:
1.设备运行情况,经过检查,机器人在过去一个月内正常运行,没有出现故障或异常情况。
2.设备维护情况,根据维护计划,机器人在上个月进行了例行
维护,包括清洁、润滑和零部件更换。
所有维护工作都按时完成,
没有发现任何问题。
3.设备安全情况,机器人在运行过程中没有发生任何安全事故
或近似事故。
所有安全防护装置和紧急停止按钮都处于正常工作状
态。
4.设备效率情况,根据生产数据统计,机器人的生产效率保持稳定,没有出现明显下降。
5.设备改进建议,在日常运行中,发现机器人在某些工序中的动作略显生硬,建议对其程序进行优化,以提高生产效率。
结论:
经过自查,生产线机器人在过去一个月内运行良好,维护和安全工作得到有效执行,生产效率保持稳定。
需要对部分工序进行程序优化,以进一步提高生产效率。
自查人签名,__________。
日期,__________。
设备(管理)检查统计分析报告(模板)一、设备检查情况概述Xxxxxxxxxxxxxx二、检查问题统计分两种情况:1、针对设备管理检查:把检查过程中发现的所有问题先列出来(可放在附页中),根据设备管理运行要求进行分类整理。
举例:分类按照如下所示:制度学习与培训、设备台账与档案、设备检查、维护保养、设备维修、特种设备管理、租赁、承包商设备管理和记录。
这样形成一个统计表,见下表。
根据设备运行要求进行分类整理。
举例:分类可按如下方式进行,操作维护规程、设备清洁与环境卫生、计划维护保养、设备故障(维修)、设备大修、特种设备监检及证书、安全附件、记录资料等。
这样形成一个统计表,见下表设备完好率的主要因素。
三、原因分析针对找出的影响设备管理或设备完好率的主要因素进行原因分析。
如:1、部分设备操作手没有进行操作维护规程培训和使用作废的操作维护规程。
产生的原因:①设备数量少,操作人员也少,操作维护规程培训时只注重了量大及重要设备操作手培训,而忽略了部分小而少的设备设备操作手的培训。
②部分设备的培训教材缺少,或因工作忙而没有进行培训。
③对新设备操作维护规程贯彻不力,该更新的操作维护规程没有更新。
…………..四、应对措施如:针对本次检查的统计分析结果,制定以下的纠正预防措施:1、加强单一设备操作手的培训,采用相近设备小范围集中、一对一和下发设备操作维护规程资料进行自学等形式进行培训,保证操作手的设备维护规程培训率达100%。
2、对在用设备的操作维护规程进行一次前面检查,更新作废和破损的设备操作维护规程。
……………物资准备部201 年月日统计分析报告完成后,应进行宣传和传递,使产生问题的区域或责任人能按照制定的应对措施进行整改和预防,管理人员跟踪监督整改和预防措施落实,避免同类问题的重复出现,提高设备管理水平和设备完好率。
2016年上半年设备(管理)检查结果统计分析报告一、设备检查情况概述2016年4月13日—15日公司组织上半年设备管理检查,本次检查共抽查基地装备制造分公司、机械设备分公司和教育培训中心三个单位。
年度设备故障分析报告模板1. 引言本报告旨在分析公司在过去一年中的设备故障情况,为管理层提供决策依据。
通过深入了解设备故障原因和频率,我们可以识别出潜在的故障趋势,并制定相应的维修和预防措施,以提高设备的可靠性和工作效率。
2. 概述在过去的一年中,我们对公司内部设备的故障情况进行了记录和分析,并将结果总结如下:2.1 设备故障类型我们将设备故障分为三类:机械故障、电气故障和其他故障。
其中,机械故障指设备的机械部件出现问题,电气故障指设备的电路或电子元件发生故障,其他故障指无法归类到前两者的故障类型。
2.2 设备故障频率我们统计了每一类故障的发生频率,并计算了百分比。
具体数据如下:故障类型故障频率百分比机械故障35次45%电气故障25次32%其他故障15次19%根据数据分析,机械故障是最常见的故障类型,占总故障数量的45%。
其次是电气故障,占总故障数量的32%。
其他故障相对较少,占总故障数量的19%。
2.3 设备故障原因我们对每一类故障的原因进行了调查和统计。
以下是我们得出的主要设备故障原因:•机械故障原因:润滑不当、零部件磨损、过载使用•电气故障原因:电路短路、电线老化、电子元件故障•其他故障原因:误操作、外部因素干扰(如天气、电力波动等)3. 设备故障趋势分析通过对过去一年设备故障数据的分析,我们可以识别出一些设备故障的趋势和规律,以方便我们采取相应的预防和维修措施。
3.1 机械故障趋势我们观察到机械故障在过去一年中呈逐渐增加的趋势,这可能是由于设备老化、维护不当等原因导致的。
因此,我们需要加强设备的定期检查和维护工作,以减少机械故障的发生。
3.2 电气故障趋势与机械故障相比,电气故障在过去一年中的趋势相对稳定。
然而,我们仍然需要密切关注电气故障的频率和原因,以确保设备的安全运行。
3.3 其他故障趋势其他故障的发生相对较少,但我们还是要关注可能导致这些故障的原因,并采取相应的预防措施。
此外,我们还需留意外部因素对设备运行的影响,以减少外部干扰导致的故障。
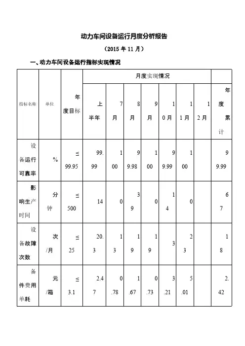
数据分析:2015年11月份故障次数为23次,相比去年同期故障次数大幅度增加。
2、设备故障影响生产统计分析
分析:从图中得出,11月锅炉系统故障率较高,占总故障的31%。
制冷系统故障率,空压系统故障率为17%,污水故障率为13%,真空故障率9%,空调和配。
动力车间2015年11月份设备备件消耗单耗为5.01元/箱,备件消耗超出了
2、班组备件消耗情况分析
1)电工班组备件消耗分析
分析:本月空调班备件消耗0元。
3)空压班组备件消耗分析
分析:本月空压班备件消耗300239.31元,属正常消耗
序领备型数单金是使用情况跟踪
分析:本月锅炉班备件消耗37692.31元,属正常消耗。
领是。
运维报告(2020年10月)编制:日期:校对:日期:审核:日期:目次1 概述 (1)2 运维范围 (1)2.1 网络安全设备 (1)2.2 服务器主机 (2)2.3 公网资源 (3)3 信息资产统计 (6)4 信息资产状态 (7)4.1 网络安全设备 (7)4.2 服务器主机 (8)4.3 公网资源 (9)5 网络安全分析 (12)5.1 业务访问分析 (12)5.1.1 PERMIT_银联商务HTTPS协议............. 错误!未定义书签。
5.1.2 PERMIT_HTTP业务入口.................. 错误!未定义书签。
5.1.3 PERMIT_亚太809协议................... 错误!未定义书签。
5.2 威胁分析 (12)5.2.1 MySQL暴力破解攻击尝试 (12)5.2.2 疑似Memcached DRDoS攻击尝试 (13)5.2.3 ISC BIND VERSION请求................. 错误!未定义书签。
5.2.4 Netcore/Netis路由器安全绕过漏洞...... 错误!未定义书签。
6 总结 (14)1概述此报告以2020年10月期间,云平台基础设备运行、信息资产变化、业务系统访问、网络安全态势等方面的状态数据为基础,在其之上,对云平台本月内的运行状态进行多维度的分析汇总,并作为云平台运行的历史记录长期存档。
2运维范围2020年10月期间,云平台运维工作的范围包括了我司数据中心区域、办公区域的网络安全设备、服务器主机、公网资源等信息资产。
2.1网络安全设备目前,我司网络系统分为3个主要区域:原生产网络、新生产网络、办公区网络,各网络区域部署的网络安全设备详细信息如下表所示:2.2服务器主机目前,我司业务系统分为4个主要环境:原生产环境、新生产环境、开发测试环境、安全可信验证环境,各区域分配的服务器主机详细信息如下表所示:2.3公网资源信息资产包含了物理主机、虚拟主机、网络设备、安全设备、公网IP端口、公网域名、SSLVPN资源。
2012年10月份自动班设备运行分析检修部自动班二〇一二年十月2012年10月份自动班生产设备运行分析1设备整体运行情况2012年9月20至2012年10月19日期间,自动班所辖主、辅设备总体运行情况良好,未发生设备不安全事件。
2班组所辖设备主设备:发电机励磁系统、水轮机调速系统、进水口闸门控制系统、调速器油压装置控制系统。
辅助设备:一副直流系统、二副直流系统、GIS楼直流系统、进水口直流系统、厂房空压机系统、厂房渗漏排水控制系统、厂房检修排水控制系统、水垫塘渗漏排水控制系统、坝体渗漏排水控制系统、尾水渗漏排水控制系统、厂房污水控制系统、污水厂控制系统、盘型阀油压装置控制系统、泄洪洞闸门控制系统、表孔、中孔、底孔闸门控制系统、机组和主变消防控制系统、公用消防系统、工业电视系统、广播系统。
3设备缺陷和异常及处理3.1消缺:2012年9月20日,检查处理#1机调速器控制系统#2PLC CPU模块电池低压报警灯点亮的缺陷。
原因分析:故障原因为#1机调速器控制系统#2PLC CPU模块电池使用时间过长,电量不足。
处理办法:更换#1机调速器控制系统#2PLC CPU模块电池,报警灯熄灭。
3.2消缺:2012年9月27日,检查处理“一副直流#1充电机06模块、#2充电机03、06模块背后风扇不转”缺陷。
原因分析:经现场检查、试验,一副直流系统#1充电机06模块、#2充电机03、06模块风扇不转是由于模块风扇电源回路板件损坏导致的。
处理办法:现已将一副直流#1充电机06模块、#2充电机03模块更换为同型号的充电机,型号:ATC230M20;将#2充电机06模块更换为奥特迅二代产品,型号为ATC230M20II,两种型号的充电机可通用,不影响直流系统的正常运行。
上电后发现#1充电机02模块风扇不转,#2充电机上电后发现00模块、07模块、11模块不转,经检查发现是由于模块老化,上电时受到电流的冲击导致风扇不转。
设备运行质量分析报告标题:设备运行质量分析报告一、引言设备运行质量是企业生产经营的重要指标之一。
通过对设备运行质量进行全面分析,可以发现问题、改进工艺、提高生产效率,从而为企业提供发展方向和决策依据。
本报告对我公司设备运行质量进行了详细分析,并提出了相关建议。
二、设备运行状况分析1. 设备故障率通过对过去一年的设备故障进行统计和分析,可以计算出设备故障率。
经统计,我公司设备故障率为10%,属于正常范围内。
然而,仍然存在少数设备出现频繁故障的情况,需要进一步调查原因并采取相应措施解决。
2. 设备维修时间比例设备维修时间比例反映了设备运行期间因故障或其他原因而停工修理的比例。
经实际调查统计,我公司设备维修时间比例为30%,较高的维修时间比例将会影响生产效率和生产能力,需要进一步降低维修时间比例。
3. 设备寿命分析通过对设备的使用年限进行统计,预测出设备的寿命。
我公司设备平均使用年限为5年,这意味着在未来5年内,我公司需要进行部分设备的更新换代,以提高设备的使用效率和性能。
三、设备维护管理分析1. 维护保养计划我公司设备维护保养计划存在不完善的情况。
维护保养计划应根据设备的特点和使用情况制定,合理安排维护保养周期和内容。
建议进行设备维护保养计划的重新评估和制定,以提高设备的工作效率和稳定性。
2. 维护保养记录维护保养记录的详尽和准确度直接影响到设备的运行质量。
根据调查情况,我公司的维护保养记录存在不完善和不及时的问题。
建议加强对维护保养记录的管理和培训,提高维护保养记录的质量。
3. 维护保养人员培训设备维护保养需要专业技能和知识,对维护保养人员进行培训是提高设备运行质量的关键。
建议对维护保养人员进行定期培训和考核,以提高其技能水平和维护保养的效果。
四、设备故障分析1. 故障原因分析通过对设备故障的详细分析和总结,可以找出故障的原因,并采取相应的改进措施。
建议对所有故障进行仔细分析,并制定针对性的解决方案。
设备运行维护工作总结汇报尊敬的领导和各位同事:
我很荣幸能够向大家汇报我们设备运行维护工作的总结情况。
在过去的一段时间里,我们团队经过不懈的努力和合作,成功地完成了各项设备的运行维护工作,确保了设备的正常运转和生产效率的提高。
首先,我们对设备进行了全面的检查和维护,及时发现并解决了一些潜在的问题,避免了设备故障对生产造成的影响。
我们采取了定期保养和检修的措施,确保设备的稳定性和可靠性,最大限度地延长了设备的使用寿命。
其次,我们注重了设备运行数据的收集和分析,通过对数据的监测和分析,我们能够及时发现设备的异常情况,并采取相应的措施进行调整和修复,提高了设备的运行效率和生产质量。
最后,我们还加强了设备操作人员的培训和技能提升,提高了他们对设备运行维护的技术水平和责任意识,确保了设备的安全运行和生产的顺利进行。
通过我们团队的不懈努力和合作,设备运行维护工作取得了显著的成绩,为公司的生产经营做出了积极的贡献。
但同时,我们也意识到还存在一些不足和问题,我们将进一步加强团队合作,完善设备维护工作制度,提高设备维护效率和质量,为公司的发展贡献更大的力量。
最后,我要感谢团队成员们的辛勤付出和努力工作,也要感谢领导和各位同事对我们工作的支持和鼓励。
我们将继续努力,为公司的发展做出更大的贡献。
谢谢!。
机修厂设备故障分析报告
一.突发型故障逐月分析
1.2018年3月突发型故障停机时间290.1小时,原因是故障模块对班组推进员进行调整,人数增加,各装置责任到人,对推广设备突发型故障统计全面。
二.设备停机时间排列图(2018年3月)
1.
合成氨二车间真空泵C 泵轴损坏严重,对泵轴进行修复,耗时较长。
三.关键设备故障时间
1.推广设备停机时间统计(2016.7——2018.3)
2.统计出TOP3设备,真空泵、162风机、二氧化碳压缩机
四、关键设备故障部位TOP3(真空泵、162风机、二氧化碳压缩机)
1.推广设备停机时间统计(2016.7——2018.3)
2.二氧化碳压缩机气体带水,导致干气密封损坏,现已更改为梳齿密封;
3.162风机轴承因叶轮不平衡导致轴承损坏,现场已更换为新叶轮;
4.真空泵运行时间长,轴經磨损严重,与轴承内圈配合间隙增大,导致轴承损坏,现已对
泵轴轴經进行补焊车削处理。
五、关键设备故障原因分析TOP3(真空泵、162风机、二氧化碳压缩机)
1.坏境不良,加强自主维护,定期巡检,做好设备3S管理;
2.润滑不良,对油品进行分析,定期添加合适的油品(协助润滑组进行处理);3.备件不良,加强备件管理,严格备品备件质量。
设备试运行报告模板(一)引言:设备试运行报告是对新设备或系统进行试运行后的评估和总结的重要文件。
本文档旨在提供设备试运行报告模板的一部分,以帮助组织编制完整且规范的报告。
本文将依次介绍试运行过程中的关键信息,包括试运行目的、试运行范围、试运行流程、试运行结果分析以及改进建议。
正文:一、试运行目的1. 确定设备符合设计要求2. 检测设备的可靠性和稳定性3. 验证设备在正常工作条件下的表现4. 发现并解决可能出现的问题5. 评估设备对工作流程的影响二、试运行范围1. 设备试运行的具体时间和地点2. 参与试运行的人员和部门3. 试运行涉及的设备和系统4. 试运行的操作和流程三、试运行流程1. 制定试运行计划a. 确定试运行的时间和地点b. 指定试运行的人员和责任c. 制定试运行的操作和流程2. 执行试运行计划a. 准备设备和所需材料b. 在试运行期间记录运行参数和观察结果c. 定期进行设备检查和维护3. 收集试运行数据a. 记录设备运行参数和故障情况b. 收集工作人员的反馈意见c. 归档试运行过程中的各类数据和文档四、试运行结果分析1. 设备性能评估a. 分析设备的运行数据和表现指标b. 比较试运行结果与设计要求的符合程度c. 评估设备的性能和可靠性2. 故障和问题记录a. 记录设备故障和异常情况b. 分析故障和问题产生的原因c. 提出解决方案和改进措施3. 工作流程评估a. 评估设备对工作流程的影响b. 发现并解决工作流程中存在的问题c. 提出改进建议和优化方案五、改进建议1. 设备性能改进方案2. 工作流程优化建议3. 设备维护和保养计划4. 人员培训和技术支持需求5. 设备更新和升级计划总结:设备试运行报告对于评估设备性能和改进工作流程至关重要。
本文档所介绍的试运行报告模板提供了一个详尽的框架,可以根据具体情况进行相应的调整和完善。
通过认真编制试运行报告,可以提高设备的可靠性和稳定性,优化工作流程,为组织的发展和提升提供有力的支持。
设备管理技术分析月报(2020年9月)审批:审核:编制:目录一、设备管理 (1)1.1、xx公司主要设备运行状况概述 (1)1.2、本月主要工作完成情况 (1)1.3、A类设备运行、检修情况 (1)1.4、9月份设备技术指标月报表 (4)1.5、9月份缺陷管理统计表 (5)1.6、9月份设备故障/事故统计报表 (6)1.7、9月份特种设备在用状况表 (6)1.8、9月份修理费完成情况统计 (7)1.9、9月份当月外委保运队伍管理统计表 (8)1.10、9月份设备疑难问题统计 (8)二、电气管理 (9)继电保护和安全自动装置动作统计分析月报表 (9)甲乙类电气设备缺陷情况列表 (9)甲类电气设备缺陷消除率月报表 (9)一、设备管理1.1、xx公司主要设备运行状况概述2020年9月各类采运设备投入运行情况:采掘设备,运输设备,辅助设备停运,仅保障电厂供煤部分采运设备运行。
输煤系统运行情况:本月1#上煤流程运行1.35小时,设备可用率为100%,内障率为0.00%;2#加工流程运行0小时,设备可用率为100%,内障率为0.00%;一系统电厂上煤流程运行0小时,设备可用率100%;二系统电厂上煤流程运行0小时,设备可用率为100%。
供电系统:110kV变电站1#主变(25000kVA)运行,1#35kV 变电站1#主变(8000kVA)运行,2#35kV变电站1#主变(31500kVA)运行,变电站供电设备131台,运行51台。
采场9台移动变运行。
水暖系统投用情况。
水暖系统设备342台,运行171台。
1.2、本月主要工作完成情况1.2.1主要设备检修情况1)保养情况输煤系统9月共计保养9个点,其中换油2处。
开展变电站高压设备、架空线路、低压配电室、采场移动变、开关柜等供配电设备检修保养17项。
管网系统完成供热管道、供水设备检修保养36项,通过设备保养,有效确保了运行设备的可靠稳定。
2)检修情况a)采运设备主要检修工作。
设备运行的分析报告设备运行的分析报告20xx年公司设备总体运行良好,没有因设备故障原因而出现非停事故的发生,更没有出现严重影响设备安全运行的设备缺陷,也没有发生因设备故障而影响生产的现象。
安全顺利地完成了春检、防汛等工作,为公司的安全生产打下了牢固的基础。
现将20xx年度公司设备运行、维护、维修管理情况分析如下:一、设备运行情况;在运行管理上,我们以稳定运行为目标,以质量标准化为抓手,逐步深化质量标准化设备管理工作。
全年我们共进行了89次动态检查,查出问题39,下整改通知书18次,现均已按要求完成整改,有效的促进了设备的正常运转,保障了运行的安全。
二、设备维护保养情况;20xx年五月份开始,我们按照港储公司装备部的要求对公司设备管理存在的缺陷进行了整改和完善,开始严格按照设备维护保养计划对公司生产设备进行针对性的'维护和保养工作,按计划进开展了设备的定期检修,及时消除设备缺陷,保证检修质量,延长设备使用寿命,节约检修时间,降低检修成本,保质、保量、按期完成了检修任务。
对小型工器具进行了日常保养,认真做了擦拭润滑。
对在设备维护管理中存在一些问题,如设备运行环境和设备清洁卫生较差以及三漏时有发生等,进行了督促整改。
通过有计划的维护保养,设备状态良好,全年没有出现漏保失保现象,没有出现一起设备事故。
三、设备维修情况20xx年,我们共进行设备维修20台次,其中汽车总成件大修2台次,汽车中修11台次,生产设备维修7台次。
从全年的设备维护、维修结果来看,综合分析我公司设备故障产生的原因,主要有以下几种情况:1、损耗故障;机械设备一定时间规律运动,操作的损耗不可避免,可以通过了解其寿命和故障发生规律状态,有计划的更换保养,就能作到避免不必要的突发性的停产维修。
此类故障,多发生在汽车车辆上。
2、自然磨损、劣化造成的故障;随着设备使用时间的增加,部分元器件磨损、老化严重,造成设备故障多发,故障率提高。
如机务段的机车空调和继电气试验台都进行了返厂大修,主要进行了部分零部件更换和功能恢复,皆是因为设备自然磨损、劣化造成的原因。
设备运行维护工作总结汇报尊敬的领导和同事们:
我很荣幸能够在此向大家汇报设备运行维护工作的总结情况。
在过去的一段时间里,我们团队在设备运行维护方面取得了一系列成绩,我将在下文中进行总结和汇报。
首先,我们团队在设备维护方面加强了日常巡检工作。
通过定期的巡检,我们及时发现了一些潜在的故障隐患,并及时进行了维修和更换。
这有效地提高了设备的稳定性和可靠性,减少了因故障停机带来的损失。
其次,我们团队在设备维护方面加强了保养工作。
我们制定了详细的保养计划,对设备进行了定期的保养和清洁,确保设备在良好的工作状态下运行。
这不仅延长了设备的使用寿命,还提高了设备的工作效率。
此外,我们团队在设备维护方面加强了故障处理工作。
当设备出现故障时,我们能够迅速响应并进行排查和修复,最大限度地减少了故障对生产的影响。
我们还对常见故障进行了总结和分析,为
今后的工作提供了宝贵经验。
最后,我们团队在设备维护方面加强了人员培训工作。
我们组织了一系列的培训活动,提高了员工的技术水平和维护意识,为设备的正常运行提供了有力保障。
总的来说,我们团队在设备运行维护工作方面取得了一系列的成绩,但也存在一些不足和问题,需要进一步改进和完善。
我相信在领导和同事们的支持下,我们团队一定能够取得更好的成绩,为企业的发展做出更大的贡献。
谢谢大家!。
设备运行维护工作总结汇报
尊敬的领导和各位同事:
经过一段时间的努力,我很荣幸地向大家汇报设备运行维护工
作的总结情况。
在过去的一段时间里,我们团队一直致力于确保设
备的正常运行和良好维护,以提高生产效率和保障生产安全。
首先,我们对设备进行了全面的检修和维护,包括定期的清洁、润滑和更换易损件等工作。
通过这些维护措施,我们成功地减少了
设备的故障率,提高了设备的可靠性和稳定性,为生产提供了有力
的保障。
其次,我们加强了设备运行监控和故障预警工作。
通过引入先
进的监控设备和技术手段,我们能够及时发现设备运行中的异常情况,并采取相应的措施进行修复,避免了许多可能导致设备故障的
隐患。
最后,我们还进行了员工培训和技能提升工作。
通过培训,我
们的员工掌握了更多的设备维护知识和技能,能够更好地应对设备
运行中的各种问题,提高了设备维护的效率和质量。
通过我们团队的不懈努力,设备运行维护工作取得了显著的成绩。
设备的故障率明显下降,生产效率得到了提高,生产安全得到了有效保障。
我们将继续努力,不断完善设备维护工作,为企业的发展贡献更大的力量。
谢谢大家的支持和配合!
此致。
敬礼。
设备试运行报告(二)引言概述:本文是设备试运行报告的第二部分,旨在对设备的试运行情况进行详细的描述和分析。
通过对试运行期间的各项数据、技术参数和生产情况的统计和分析,全面评估设备的性能和运行状况,为后续的设备调试和优化提供依据。
正文内容:一、试运行期间技术参数统计1. 设备的工作效率统计:通过对试运行期间设备的实际工作时间和生产产量进行统计,得出设备的平均工作效率。
2. 设备的能耗统计:对设备在试运行期间的能耗情况进行统计,明确设备的能源消耗水平和能效表现。
3. 设备的运行稳定性统计:通过对设备在试运行期间的故障发生情况和维修时间进行统计,评估设备的运行稳定性和可靠性。
4. 设备的安全性统计:对试运行期间设备的安全事故和操作错误情况进行统计,评估设备的安全性能和操作规范性。
5. 其他技术参数统计:针对设备的其他关键技术参数进行统计,如温度、湿度、噪音等,评估设备的环境适应能力和卫生条件。
二、试运行期间问题分析与解决1. 设备故障分析:列出试运行期间设备发生的各类故障,并对故障原因进行分析,提出相应的解决方案和改进措施。
2. 生产异常分析:分析试运行期间生产中出现的异常情况,如生产产量波动、产品质量问题等,找出问题的根本原因,并提出相应的改进建议。
3. 操作问题分析:对试运行期间设备操作过程中的问题进行整理和分析,明确操作人员的不良操作行为,并提出相应的培训和纠正措施。
4. 安全事故分析:对试运行期间发生的安全事故进行分析,查找事故的成因和隐患,并提出相应的安全防范和管理措施。
5. 反馈问题解决情况:对试运行期间通过反馈得到的问题进行追踪和解决,列出问题解决的具体措施和效果。
三、设备调试和优化计划1. 设备调试方案:根据试运行期间问题分析的结果,制定设备调试的具体方案,明确调试的目标和时间节点。
2. 调试过程和方法:详细描述设备调试过程中采取的方法和步骤,如检查设备参数、调整设备工作模式等。
3. 调试结果评估和记录:对设备调试后的结果进行评估和记录,比较调试前后的性能和工作效果。
设备运行情况的报告部门工作报告第二篇:马海生产区20xx年设备运行情况分析报告 1300字马海生产区20xx年设备运行情况分析报告在即将过去的20xx年,马海生产厂区加强了设备运行的管理:出台了《设备管理制度》以期规范和加强设备和设施的采购、领用、使用、维修、保养、报废和管理,提高设备利用率、完好率和生产效率。
并督导各部门建立健全了设备台账,通过近半年的实施与运行,并通过节能技改,新增了部分设备,公司设备管理呈现规范化趋势,且生产成本明显下降。
具体运行情况如下:一、原有设备运行情况分析:1.1公司原有主体设备已经运行达8年以上,设备老化情况较严重。
在年初即加强了对设备的维护保养工作,并于2月份将半光线停机10天时间进行大修,同时于8月中旬按计划进行了“技改大修”。
从整体上看实现了“主体设备基本平稳运行”,全年主体设备平稳运行天数约为307.6天。
(2月半光大修10天,8月技改半光25天,有光20天;12月限电2.4天)为公司创造良好效益打下了坚实的基础;1.2 在20xx年度因设备老化、外部电网波动等因素造成生产异常共计8次,具体情况如下表:二、技改后新增设备运行状况分析:20xx年是“佳宝的技改年”公司先后投资5528.5万元进行节能技改,降低1成本,提升品质。
这其中也新增了部分设备。
各项技改项目均顺利按计划完成,一次性投产成功,并且年创造效益8023.83多万元。
具体项目如下:2.1 厂区节能灯照明改造:采购新型节能灯管25000只;2.2 冷冻机改造:用节能高效的6台美国开利离心制冷机替换了原来高能耗低效率的8台蒸汽制冷机;2.3 PTA链板输送:新增二条PTA链板系统。
2.4 燃煤锅炉技改项目,采用高效节能的四台燃媒锅炉和脱硫除尘设备替换原有的四台高能耗燃油锅炉。
2.5空压机管道分离:完成14台空压机的空压管道分离项目。
为20xx年顺利完成空压机全系统节能改造项目奠定了基础。
以上五大节能技改项目的经济效益评估:(单位:万元)三、事故防范和设备管理建议:3.1 加强设备的巡检。