供应商考核评分标准
- 格式:doc
- 大小:1.36 MB
- 文档页数:3
编 写: 品管审核: 日 期: 日 期:工程审核: 物拓审核: 财务审核: 日 期: 日 期: 日 期:APS 审批: 体系审批: 总裁审批: 日 期: 日 期: 日 期:正本印章目的对供应商进行评定和选择,以保证供应商能长期、稳定地提供优质、价格合理的物料及良好的服务。
适用范围适用于给公司提供生产所需材料或服务的供应商的评定。
职责物拓组:供应商的拓展开发,组织主导和协调供应商的评审工作。
品质部:负责根据物拓开发的供货商进行现场质量审核,并负责建立供应商的品质档案。
供应商质量评审标准:供应商评定分以下三种方式进行。
4.1.1 供应商资质证明文件承认被评审的供货商必须是符合国家ISO9001质量管理体系认证的,且有有效的质量管理体系证书及质量管理体系文件,如其供应的物料有行业的或客户的特殊资质要求,也应一并提供资质证明文件,如:FSC认证证书、CARB 证书、MSDS、TDS等相关资料。
4.1.2对于关键原料,应对供应商的生产能力与质量保证体系进行考查,其中包括下列十个方面的要求。
(1)进料的检验是否严格;有否进料检验标准、进料检验记绿表及记录表的适用性,进料检验记录真实性。
(2)生产过程的质量保证体系是否完善;有否制程检验标准、制程检验记绿表及记录表的适用性,制程检验记录真实性。
(3)出厂的检验是否符合我方要求;有否出厂检验标准、出厂检验记绿表及记录表的适用性,出厂检验记录真实性,出厂检验的产品包装是否合理规范;(包括标识状态,防潮、防压、等影响物料产品的质量包装)。
(4)检验过程中的检验及抽样是否真实有效性,有否指定的AQL抽样标准,AQL抽样标准及抽样的频率是否符合我司及客户抽样频率及质量要求。
(5)现场质量标识,为防止不合格品被使用或出货,现场从进料到出厂检验都必须有物料产品的质量标志(包括:待检区、检验区、合格品区、不良品区)等标志。
(6)样品的管理,工厂应有专门的样品管理室,及样品管理台帐和样品清单,样品、客样存放标识清晰,确保在生产时防止误用。
供应商等级评定评分标准
一、目的:
为了提高产品质量,稳定供应商团队,建立
长期互惠供求关系,特制定本法。
二、范围:
本办法适用于向公司供应原辅材料、零部件
及提供配套服务的厂商
三、评定内容:
1、交期
2、品质
3、协调
四、评分权重/定义:
1.交期准时率(40分):=月准时的次数/总交货的次数*100%
交货准时配合良好40分,每延期一天扣3分,当月延期交货累计超过5分以上,单月评定等级不能评为C级以上
2.品质批次合格率(30分):=月合格良批次数/当月进货总批次数*100%
批次合格率为100%,每下降2%扣1分,扣完为止;每特采一批次扣2分.
3.协调度,主要考核供应商的工作配合能力. 重工、批退配合度不好、处理不彻底每次扣2分同一不良现象改善不及时或效果不佳每次扣2分
文件未按指定时间回复每次扣2分,回复不具体,不确定每次扣1分.
五、等级划分:
A级93-100分请保持
B级80-92分正常抽样、需要努力
C级70-79分加严抽样、需要改善
D级70分以下,列入考察,有关损失将扣
款;连续三个月被评为D级,取消供应商资
格.
注:评分B级以下的供应商,须对不良项目回复改善对策。
客户指定的供应商,如不符合要求,将向客户提出取消供应商的资格;每月评定和等级将于供应商品质会议公布及分发给各供应商.。
供应商考核项目及评分标准随着市场经济的不断发展,供应商已经成为企业中不可或缺的一部分,而他们的质量和服务也成为企业是否能够稳定运营和持续发展的一个重要因素。
因此,对供应商进行全面的考核和评估显得尤为重要。
本文将介绍供应商考核项目及评分标准。
考核项目1. 产品质量该项目主要考核供应商所提供的产品质量,包括但不限于以下几个方面:•产品合格率:即产品经过检验后是否达到要求的合格率。
•产品缺陷率:指产品在使用过程中出现的缺陷率,包括质量缺陷、性能缺陷等。
•产品可靠性:指产品在使用寿命内性能变化小,不易发生故障的能力。
•产品环保要求:指产品是否符合环保法律法规以及客户的环保要求。
2. 服务质量该项目主要考核供应商的服务质量,包括但不限于以下几个方面:•供货周期:指供应商从接到订单到发货之间的时间。
•响应速度:指供应商对客户反馈的问题和需求进行回复和解决的速度。
•售后服务:指供应商对客户在产品使用过程中遇到问题提供的售后服务质量。
•技术支持:指供应商向客户提供技术咨询和解决方案的能力。
•信息管理:指供应商在信息交流与沟通上的能力,如信息反馈及时性、信息准确性等。
3. 价格该项目主要考核供应商的价格水平,包括但不限于以下几个方面:•价格水平:即供应商所提供产品或服务的价格水平。
•价格稳定性:指供应商价格是否变动频繁、是否具有市场趋势预测能力。
•报价透明度:供应商在报价上是否存在优惠等优势,且报价是否明细透明。
评分标准在考核项目的基础上,针对不同的考核项目制定不同的评分标准。
以下为供应商考核的常见评分标准:1. 成绩达标成绩达标即供应商在各项考核指标上均达到要求,且客户对供应商的评价达到了预期要求,综合考虑得分在90分以上。
2. 待提高待提高即供应商在某一或某几项考核指标上未达到要求,但远未达到出局条件,综合考虑得分在70-89分之间。
3. 出局出局即供应商在某一或某几项考核指标上表现严重不足,对企业持续稳定发展造成影响,综合考虑得分在70分以下。
供应商XX月份月度考核表供应商名称:评分人:评分日期:年月日审核人:审核日期:年月日供应商月度考核评分表(标准版)使用说明一、概述本《供应商月度考核评分表(标准版)》旨在建立一套全面、公正的供应商月度评价体系,通过对供应商在品质、交期、服务、环保等方面的表现进行量化评分,以确保供应商能够持续提供高质量的产品和服务,满足公司的业务需求。
本评分表将作为供应商月度考核的主要依据,用于评估供应商的绩效水平,并为后续的供应商管理决策提供参考。
二、评分项目及细则品质(40分)进料/产线异常:每次发生进料或产线异常,扣除2分。
旨在减少因供应商产品问题导致的生产中断或质量下降。
问题重复发生:同一问题重复出现,每次扣除5分。
强调供应商需对问题进行彻底分析和改善,避免问题重复发生。
低级错误:如因供应商疏忽导致的明显错误,每次扣除10分。
此条细则旨在提高供应商的责任心和细致程度。
报告不及时回复:供应商未能及时回复品质异常报告,每次扣除2分。
确保供应商对品质问题给予足够的重视和及时的响应。
严重客诉:因供应商问题导致的严重客户投诉,每次扣除20分。
这是供应商品质控制能力的直接体现,对供应商影响重大。
交期(30分)延期但不影响生产:首次延期且不影响公司生产进度的,扣除2分。
鼓励供应商按时交货,同时给予一定的容错空间。
延期且发生3次以上:在不影响生产的情况下,延期发生3次及以上,扣除5分。
加强对频繁延期行为的管控。
延期影响生产但不影响客户交期:延期导致公司生产受影响但不影响客户交期的,扣除10分。
强调供应商需对生产进度负责。
延期影响客户交期:延期导致客户交期延误的,扣除20分。
此条细则体现了对客户交期的严格要求。
服务(20分)交期回复拖延:供应商未能及时回复交期询问的,每次扣除2分。
确保供应商在交期沟通上的及时性和准确性。
品质异常处理拖延:品质异常发生后,供应商处理不及时的,每次扣除2分。
强调供应商需快速响应并处理品质问题。
供应商绩效评估范本一、背景介绍供应商绩效评估是指对供应商在合作过程中的表现进行综合评价和考核的过程。
通过对供应商绩效的不断评估,可以及时发现问题,并采取相应的措施来提升供应链的效率和质量。
本文将介绍一份供应商绩效评估的范本,详细说明评估内容和评分标准,以供参考使用。
二、供应商信息1. 供应商名称:[填写供应商名称]2. 供应商联系人:[填写供应商联系人姓名]3. 供应商联系方式:[填写供应商联系方式]三、评估内容及标准1. 产品/服务质量评估标准:(1)交付及时性:供应商是否能按时交付产品或提供服务。
(2)产品/服务质量:供应商提供的产品/服务是否符合合同要求和标准。
(3)售后服务:供应商在售后服务过程中的反应速度、问题解决能力等。
2. 成本效益评估标准:(1)价格竞争力:供应商提供的价格在市场上的竞争力如何。
(2)产品/服务性价比:供应商提供的产品/服务质量相对于价格是否具备优势。
(3)附加成本:除产品/服务价格外,是否存在其他不必要的附加成本。
3. 供应链管理评估标准:(1)供应能力:供应商是否有足够的能力满足公司的需求。
(2)库存管理:供应商在供应过程中对库存的管理能力。
(3)信息共享:供应商与公司之间信息的及时沟通和共享情况。
4. 创新能力评估标准:(1)技术创新:供应商是否具备一定的技术创新能力。
(2)新产品/服务开发:供应商是否能够根据市场需求和公司需求及时开发新产品/服务。
(3)持续改进:供应商在合作过程中不断进行的改进行动。
四、评分方式根据上述评估内容和标准,将每个评估项进行打分,可采用1-5的五级评价体系,分别代表差、较差、一般、较好、优秀。
评分应基于事实和数据,并进行综合考量。
累计各项得分,得出供应商绩效评估的总体分数。
五、改进措施针对评估中发现的问题和薄弱点,制定改进措施,明确责任部门和时间节点,并跟踪改进的实施情况。
同时,对于表现优秀的供应商,可以给予相应的激励和奖励,以加强与其的合作关系。
供应商等级评定评分标准文稿归稿存档编号:[KKUY-KKIO69-OTM243-OLUI129-G00I-FDQS58-建议对质量的评价将不良率等换算成质量损失成本,依据损失的质量成本来评分比较合理,如某一零件1%的不良率造成的质量损失成本为1万元,评分基准为每万元质量损失扣一分,这样就只扣1分,若1%的不良率造成的质量损失为2万元,而评分基准不变,则要扣2分.当然计算质量损失成本要以整个产品因该零件的失效而导致的质量损失成本计,而不应该只是零件本身的成本损失而已.供应商等级评定评分标准供应商等级评定评分标准1,批次合格率的评分标准(25分):批次合格率100%,每下降2%扣1分,扣完为止,每特采1批扣2分.批次合格率计算方式:当月IQC检验合格批数÷交货总批数×100%执行MRB流程,取消代用称谓.2,制程PPM值评分标准(25分):制程PPM值超过限度,每增加100PPM扣1分,扣完为止,客户对来料抱怨每次扣2分.PPM值计算方式:当月生产线发生的不良数÷交货总数×10000003,交货及时率的评分标准(30分):交货准时配合度良好30分,每延期一天扣3分,当月延期交货累积超过5天以上,无论最终评分多少,不能评为C级以上.交货及时率的确定方法:依据供应商交货及时率汇总表,采购部填写订单栏,仓库填写供应商实际交货日期、数量,确定交货及时率.4,服务态度(5分):重工、批退配合度不好、处理不彻底每次扣2分.5,品质改善及时性和效果(10分):同一不良现象改善不及时或效果不佳每次扣2分.6,文件回覆及时性与合理性(5分):文件未按指定时间回覆每次扣1分,回覆不具体、不确实每次扣2分.等级评定:绿色 A级 90-100分请保持兰色 B级 80- 89分正常抽样,请努力黄色 C级 70- 79分加严抽样,请改善红色 D级 70分以下列入考察,有关损失将扣款;连续三个月被评为D级,取消供应商资格注:评为B级以下的供应商,须对不良项目回覆改善对策;客户指定的供应商,如不符合要求,将向客户提出取消该供应商资格;每月评定的等级将分发给各供应商,并于收货区域专栏公布.采购管理“巧妇难为无米之炊”,影响生产的一个重要环节就是物料采购—物料早一点进厂当然有利于生产,但是却会加大资金占用,不符合效率原则.于是,人们把JIT当做靓女来追求,希望物料恰好在需要的时候进厂,希望库存能“不胖也不瘦“,其结果是:任何一个环节发生异常,都可能会让你“计划没有变化快”一、物控目标适时(right time)在要用的时候,很及时地供应物料,不会断料适质(right quality)进来的物料或发出去的使用的物料,品质是符合标准的适量(right quanty)供应商进来的数量能控制适当,这也是防止呆料很重要的工作适价(right price)从距离最短能达最快的供应商与使用部门距离最短,能最快速的发料物料利息率=物料利率/销售成本物料周转率=当期材料使用金额/(期初库存金额+期末库存金额)2天数=360天/物料周转率成品周转率=年度销售金额/年度内成品库存金额成品周转天数=360天/成品周转率采购绩效指标:交货进度成率=1—迟延数/应进料总数100%品质达成率=1—退货总数/前期价格100%价格起伏=本期价格/前期价格100%二、采购管理基本目标目标工作内容工作资料物料如期进厂,保证生产,太早、太迟都不好.所购物料品质有保障,购后服务等.采购单位成本要低库存金额要合理,避免呆料新产品、新材料供应商的开发、建产供应商资料价格记录,对新供应商品质体系状况(产能、设备、交期、技术、品质等)的评估.对采购物料进行ABC分类采购方式的决定市场行情的经常性调查,以期提升产品品质及降低采购成本.询价、比价、议价、选择供应商及订购作业产期的进度控制进料品质、数量异常的处理旧供应商交期、品质、服务、价格的考核内外销差价、退税资料的提供付款资料整理、审查采购物料跟踪表供应商供货单价目一览表库存金额管制目标存量管制度收货月报表库存金额检查报表供应商进货金额一览表三、采购作业的一般流程1、搜集信息充分了解请购材料的品名、规格了解市场行情搜集有关生产厂家的资料搜集有关替代产品的资料算搜集有关品质及其它方面的资料核定资金预算2、询价选择询价对象询问价格整理报价资料选择议价对象3、比价、议价经成本分析后,研拟底价,设定议价目标决定采购条件(向供应商详细说明品名、规格、品质要求、数量、扣款规定、交货期、交货、交货地点、付款方法等)其它供应商价格是否较低考虑价格上涨下跌因素估算运费和保险费及关税比较交货期限4、评估同规格产品有几家供应商询价、比价、议价是否为信誉良好的生产厂家是否有必要办理售后服务供应商的供应能力是否能按期限交货和品质是否保障是否必要开发其它供应商或外购5、索样索取样品整理检查结果并进行比较6、决定选择适当的供应商签订采购合约(供货合同—供货价格表)7、请购按物料计划计算请购娄量与交期请购单上应详细注明与供应商议定的买价条件分批交货者应在请购单上注明分批交货的时间表8、订购订购单函寄或传真至供应商再向供应商确定价格品质要求交货期9、协调与沟通对能否达到交期,供应商及时回复不能达到者及时协调联络,以确定一个合适的交货期10、催交无法于约定日期交货时联络请购部门(物料控制部)并进行交期异常控制已逾期交货者加紧催交督促收料单11、进货验收进货的品质验收进货的数量验收12、整理付款核对各种手续是否完备发标金额与请购单价是否相同是否有预付款或暂借款是否需要扣款四、采购管理常见问题点1、交期延误交期延误的异常原因有天灾人祸:供应商明知无法实现的交期,而为了接你的单,他会满口应承你的要求,他的想法无非是:事到临头你不要我的也来不及了,我拖一两天以未必就影响大局,到时推脱个客观原因道个歉就行了,品质不良.针对以上原因,常见对策是:到厂了解它个实际生产能力在以达到多少,其生产任务是否太紧,供应商个人的为人和品质,了解供应商的品质水平,让供应商先打样确认其品质能力,对供应商的产品品质细心研究,充分吃透,不可有含糊和误会.2、品质异常品质异常的原因主要有:第一,品质描述不清楚.第二,品质资料有问题(如:旧版图纸),品质异常不只是影响交期,而品质异常的责任也常引起争执,谁来承担品质异常的经济损失呢这里的关键在于:品质要求的描述要非常的清楚,不能有歧义,不能模糊不清,事情开始之前就要交割干净,打样确认非常重要.五、物料进度落后的对策物料进度落后时,会影响生产计划的排期,此时采购人员应采取以下措施:与供应商协调,并得到确定的进货时间通知物控人员,告知准确的进货时间与技术和物料人员进行协商,有否替代品在必要时间变更生产计划六、采购必须注意的因素对规格图样和采购文件的要求选择合格的供应商品质保证协议验证方法协议解决方法协议进仙检验控制与采购有关的品质记录1、对规范图样和采购文件的要求包括:准确的规定采购产品(服务)的要求对采购商能够完全理解采购的要求2、对采购产品的要求包括准确规定类别、形式和等级检验规程和适用版本的规范采用品体系标准等3、常见的规定采购要求的文件采购合同、图样、标准、样板、技术协议书七、物料跟催的方法按订单跟催:按订单预定的进货日期提前一定时间进行跟催联单法:将订购单统计报表,提前一定时间进行跟催统计法:将订购单统计报表,提前一定时间进行跟催定期跟催:于每周固定时间,将要跟催的订单整理好,打印成报表定期统一跟催(附相关表格)供应商资料表公司名称(中文)(英文)TEL: FAX:公司地址工厂地址营业执照号码注册资金年营业额法人代表业务负责人联络厂房面积员工人数管理人员技术人员有何先进管理方法材料来源品管状况主要设备主要客户主要产品备注物料采购记录表日期请购日期请购单号料号品名规格供应商单价数量订购日期验收日期品质记录交期控制表月日至月日预定交期请购日期请购单号物品名称数量供应供应商单价验收日期迟延日期订购单日期:订单编号:供应商品称供应商编号供应商地址/传真序号料号品名规格单位数量单价金额交货数量及日期合计仟佰拾万仟佰拾元角分交货方式交货地点交易条款交期:承制商必须遵循订购之交期或本司之采购部及书面通知调整之交期,若有延误,每逾一日扣除整批款品质:检验方法:按MIL MTD 105EII 抽样检验,AQL=按工程图纸来要求品质保证期为3个月不良产品处理:检验后如发现产品不良或承制损坏时,承制供应商接获通知后3日内应将退货部分取回,并尽快补回,逾期公司概不负责.若急用供应商送货应多付%(备品)交货时请在送货单上注明订购单号,附上开立金额统一发票,单据上应注明物料编号附产品图纸张,检验标准份承制供应商总经理采购经理采购主管采购员八、采购主管三把火如果你是从“空降部队”来到主管这个位子上的,那么下面所说的三把火就会很有针对性,如果你是从本职位上逐渐升任为主管,以下方法无疑也会使你如虎添翼.第一把火:抓采购进度跟踪表采购进度跟踪表下单日料号名称请购数交期供应商进度情况结案第二把火:抓供应商资料表供应商联络方式一览表序号供货种类供应商名称地址联系人传真供货周期第三把火:抓物料库存金额检查表分料类各机种库存金额检查报告表机种上月结存本月入库本月出库本月结存配套数配套余额后续订单订单合计下月目标备注异常事项检讨你当然无法把每个采购员的工作一揽子抓起来放在自己的手上,而重点则只是在于要有办法“吃定”每个采购员手上的工作内容,于是得到供应商资料就是极端重要的了.九、充分利用传真机在工厂管理来讲,对外联络的主力部队是采购和销售两个部门.在工厂管理实践中不难遇到,小小四五个人的对外采购科,一个月费竟然高达好几千元.于是我常常提醒采购科长要他的下属尽量多用传真机,充分利用传真机的好处远远不只是钱和费的问题,告诉他们:首先,使用的不足有以下几点:你在中说一大堆废话,别人真有那么认真听,或者真的能记住吗也许别人正忙着某件更重要的事呢,出于礼貌别人耐心听完你的话,但这并不表示他记住你所说的.就算他有认真听你的,当时也“记不住”了,可是如果他并不像想象的那么清闲的话,那么他就是足够的理由去把它忘记,在别人忙碌的工作中让人去记住某事,这是一种过分的要求.惟一的理想的情形便是:你用你优秀的口才和表达能力加上他勤奋而有条理性的笑,在通话地过程中他把你的“金玉良言”记录下来,这有一个前提,那就是他要有很好敬业精神.然后我们看看使用的传真机的好处:我们可以把要说的一大堆废话浓缩成精练成一页漂亮的文字资料,让合作者轻松愉快,一目了然地知道我们的需要在哪里.我们把处理的问题可以娈成一张传真纸和备忘录,它可以长时间的出现在我们那位合作者的面前,提醒他处理你的问题,你可以想想“他总不能拿你的传真件去上厕所撺屁股吧”因而忙碌把我们的事情忘记了.节约费:一张A4纸在传真来讲只需一分钟,可是却可以容你十分钟以上的文字描述.用传真的方式还可以给你充分的时间从容思考,慢慢写来,因而可以追求一种很好的效果.十、采购人员的日常工作内容主要有哪些1、建立供应商资料与价格记录;2、对采购物料进行ABC分类;3、采购方式的决定;4、市场行情的经常性调查;5、询价、比价、议价及订购作业;6、交期的进度控制;7、进料品质、数量异常的处理;8、内外销差价、退税资料的提供;9、付款整理、审查.十一、采购职责(1)采购员的工作职责:1、订购单的下达;2、物料交期的控制;3、材料市场行情的调查;4、查证进料的品质和数量;5、进料品质和数量异常的处理;6、与供应商有关交期、交量等方面的沟通协调. (2)采购文员的工作职责:1、各种采购单据与报表的收集、整理与统计;2、采购品质记录的保管与维护;3、采购事务的传达.。
1、70分为及格分,质量考核得分<70分的供应商,评为D档,直接纳入黑名单,中止合同,实施供货递补程序;2、质量考核得分70~80分的供应商,评为C档,集团公司将约谈供应商,扣减供货份额30-50%,由其余供应商均分扣减份额;3、质量考核得分81~94分的供应商,评为B档,集团公司将按原有份额要求供应商供货;4、质量考核得分95~100分的供应商,评为A档,集团公司将优先定为下个评价周期内的份额分配供应商,优先享有其他供应商扣减份额及份额增加政策。
5、供应商在与本公司合作过程中因严重违反合同约定及本公司管理规定,或出现重大产品质量事故、重大投诉曝光、对本公司造成恶劣影响等直接一票否决,中止合同。
6、单月中扣分超过20分的供应商,实施约谈,并要求限期整改,如未按要求整改的,直接冻结份额。
7、如有供应商出现以下情形的,纳入黑名单管理,取消其1至3年内的合作资格。
1)供应商违反廉政规定,按照集团公司相关规定处理执行;2)接到政府通报,供应商存在严重质量问题、不诚信经营等问题。
3)接到上级主管部门公文,明确要求暂停、终止与供应商的合作。
4)属于已经处于黑名单的企业法人名下及其亲属名下的企业。
8、其他履约、质量运行及管理措施的规定及执行详见《合肥供水集团有限公司水表采购管理办法》。
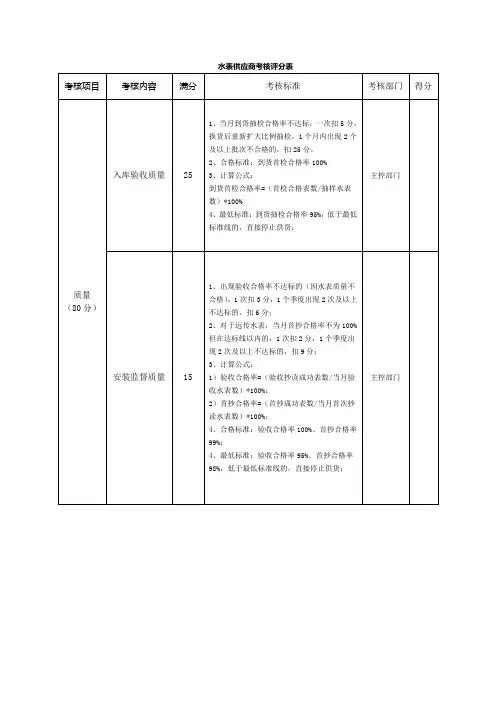
注:1)一次抄读成功率、抄读差错率标准按《JG/T 162-2009 住宅远传抄表系统》、CJT188-2004《户用计量仪表数据传输技术条件》以及招标文件规定。
2)售后服务及时率、验收合格率、首抄合格率按招标文件要求规定。
3)到货首检合格率依照JJG162-2009标准执行。
4)水表故障指水表发生了不符合GB/T778-2007、CJJ266-2008、CJT224-2012、JJG162-2009等各类国家水表产品标准、检定规程的故障现象。
供应商考核评分标准
供应商考核评分标准可以根据不同的考核目的和实际情况进行制定,以下是一些常见的供应商考核评分标准的例子:
1. 交货期:供应商是否能够按照合同规定的时间交货是考核的重要指标。
评分标准可以包括准时交货率、交货延迟次数和延迟时间等。
2. 质量:供应商提供的产品或服务的质量直接影响采购方的生产和运营。
评分标准可以包括产品合格率、不良品率、退货率、投诉率等。
3. 价格:价格是采购方考虑的重要因素之一。
评分标准可以包括价格水平、降价幅度、付款条件等。
4. 服务:供应商提供的售前、售中和售后服务也是考核的重要方面。
评分标准可以包括服务态度、响应速度、解决问题能力等。
5. 创新能力:供应商是否具备创新能力,能否提供新的产品或服务,也是考核的一个方面。
评分标准可以包括新产品开发周期、专利申请数量、研发投入占比等。
6. 供应商稳定性:供应商的稳定性对于采购方来说非常重要。
评分标准可以包括供应商财务状况、生产能力、员工流动率等。
7. 信用度:供应商的信用度是评价其可靠性和合作意愿的重要指标。
评分标准可以包括合同履行情况、付款记录、诚信记录等。
供应商考核评分标准
扬光教育文件编号:YG-PZ-05-2019 版号:A1 第 1 页共 3 页
1.目的
目的:为规范对合格供应商之日常评鉴,使供应商管理更合理公正,特制定本评分标准。
2.适用范围
仍在采购之合格供应商的季度评鉴,除另有规定外,悉依本规章执行。
3.职责划分
3.1 采购科长负责主导供应商的考核、评价与评分工作的执行;
3.2品质部负责对来料质量的数据分析统计,参与评分;
3.3 制造中心负责制程不良物料统计分析,参与评分;
3.4 采购人员负责日常采购中供应商的监督;采购资料的汇总及归档;协助采购科长制定考核方案、考核供应商;进行考核结果的整理与汇总等各项工作;
3.5总经理负责合格供应商考核评分结果的核准;供应商处理办法的审批;负责本标准的制定、修改、废止的审批。
4.定义:无
5.供应商考核表
6.供应商日常监督
6.1 采购人员需对合格供应商进行交期监督,要求准时交货,同时核算由供应商延期交货造成的损失;
6.2 采购科对合格供应商进行质量监督,出现不合格产品时应当对供应商提出警告,连续三批产品不合格的供应商应暂停采购,由供应商出具分析改善报告,整改后达标再恢复采购;
6.3 责令质量严重不合格的供应商出具分析改善报告,分析原因、提出改善措施,如果质量有所改进且达到接收标准,予以采购;如果在规定期限内没有出具分析报告且质量没有改进的,由采购科长上报总经理批准后终止合作。
7.供应商考核纪律
7.1 规定考核周期内,采购部需对所辖供应商进行公开、公正、公平的考核工作;
7.2 考核过程中,由相关部门按照供应商考核表上的所列项目对供应商进行评分,并由采购部将评分结果传达至供应商;
7.3 采购科将结果汇总,根据汇总结果确定供应商级别并报请总经理对其进行处理。
8.考核结果运用
8.1 供应商考核等级划分
根据月度或年度考核结果将供应商划分为A,B,C,D四个等级。
8.2 供应商考核结果运用
8.2.1、A类(90分以上)为优秀供应商,采购科应优先向其采购,予以倾斜订单的优惠政策;
8.2.2、B类(78分-89分)为良好供应商,由采购科提请厂商改善不足之处;
8.2.3、C类(66-77分)为合格供应商,由采购科要求对其不足之处进行整改并以书面形式出具分析改善报告,经品质、研发、采购评审确认后再决定是否继续采购或减少采购量;
8.2.4、D类(65分以下)为不合格供应商,应当从“合格供应商名单”中删除,并终止采购;
8.2.5、被淘汰厂商如欲再向本公司供货,需再次经过供应商的调查评估。
9.本制度最终解释权归本公司所有。
10.附表(供应商季度汇总表)
供应商季度汇总表。