3-氨基吡啶危险化学品安全周知卡
- 格式:doc
- 大小:70.00 KB
- 文档页数:1
危险化学品安全周知卡目录危险化学品安全周知卡危险化学品安全周知卡危险性类别 易燃 品名、英文名及分子式、CC 码及CAS 号 乙醇ethyl alcohol CAS :64-17-5危险性标志 危险性理化数据 熔点:-114.1 ℃ 沸点:78.3 ℃ 相对密度(水=1):0.79 饱和蒸气压(kPa):5.33 (19℃) 危险特性 易燃,其蒸气与空气可形成爆炸性混合物,遇明火、高热能引起燃烧爆炸。
与氧化剂接触发生化学反应或引起燃烧。
在火场中,受热的容器有爆炸危险。
其蒸气比空气重,能在较低处扩散到相当远的地方,遇火源会着火回燃。
接触后表现 本品为中枢神经系统抑制剂。
急性中毒:多发生于口服。
一般可分为兴奋、催眠、麻醉、窒息四阶段。
患者进入第三或第四阶段,出现意识丧失、瞳孔扩大、呼吸不规律、休克、心力循环衰竭及呼吸停止。
慢性影响:在生产中长期接触高浓度本品可引起鼻、眼、粘膜刺激症状,以及头痛、头晕、疲乏、易激动、震颤、恶心等。
皮肤长期接触可引起干燥、脱现场急救措施 皮肤接触:脱去污染的衣着,用流动清水冲洗。
眼睛接触:提起眼睑,用流动清水或生理盐水冲洗。
严重者就医。
吸入:迅速脱离现场至空气新鲜处。
严重者就医。
食入:饮足量温水,催吐。
严重者就医。
身体防护措施 泄漏应急处理 迅速撤离泄漏污染区人员并进行隔离,严格限制出入。
切断火源。
建议应急处理人员戴自给正压式呼吸器,穿防静电工作服。
尽可能切断泄漏源。
防止流入下水道、排洪沟等限制性空间。
小量泄漏:用砂土或其它不燃材料吸附或吸收。
也可以用大量水冲洗,洗水稀释后放入废水系统。
大量泄漏:构筑围堤或挖坑收容。
用泡沫覆盖,降低蒸气灾害。
用防爆泵转移至槽车或专用收集器内,回收或运至废物处理场所处置。
浓度 MAC (mg/m 3): 未制定标准 当地应急救援单位名称 峡江县消防队 峡江县人民医院当地应急救援单位电话 消防队:119 人民医院:120 危险性类别易燃 有毒品名、英文名及分子式、CC 码及CAS 号丙酮Acetone C 3H 6O危险性标志危险化学品安全周知卡危险性理化数据 熔点:-94.6 ℃ 沸点:56.5 ℃ 相对密度(水=1):2 饱和蒸气压(kPa):53.32(39.5℃) 危险特性 其蒸气与空气可形成爆炸性混合物,遇明火、高热极易燃烧爆炸。
危险化学品安全技术说明书及相关安全周知卡目录1、乙酸2、盐酸3、乙醇4、甲醇5、甲苯6、纯苯7、液氨8、三乙胺9、甲醛10、氯乙醛11、氯化亚砜12、二甲基甲酰胺13、水杨醛14、氢氧化钠15、碳酸钠16、碳酸钾17、三氯化铝18、乙酸酐19、对甲苯磺酰氯20、对甲氧基苯甲酸21、碘22、焦亚硫酸钠23、乙酸钠24、双氧水非常全面,给需要的同行参考。
危险化学品安全信息卡空气呼吸器。
眼睛防护:戴化学安全防护眼镜。
身体防护:穿防酸碱塑料工作服。
手防护:戴橡胶耐酸碱手套。
其他防护:工作现场严禁吸烟。
工作完毕,淋浴更衣。
注意个人清洁卫生。
急救措施皮肤接触:立即脱去污染的衣着,用大量流动清水冲洗至少15分钟。
就医。
眼睛接触:立即提起眼睑,用大量流动清水或生理盐水彻底冲洗至少15分钟。
就医。
吸入:迅速脱离现场至空气新鲜处。
保持呼吸道通畅。
如呼吸困难,给输氧。
如呼吸停止,立即进行人工呼吸。
就医。
食入:用水漱口,就医。
泄漏处理迅速撤离泄漏污染区人员至安全区,并进行隔离,严格限制出入。
切断火源。
建议应急处理人员戴自给正压式呼吸器,穿防酸碱工作服。
不要直接接触泄漏物。
尽可能切断泄漏源。
防止流入下水道、排洪沟等限制性空间。
小量泄漏:用砂土、干燥石灰或苏打灰混合。
大量泄漏:构筑围堤或挖坑收容。
喷雾状水冷却和稀释蒸汽、保护现场人员、把泄漏物稀释成不燃物。
用防爆泵转移至槽车或专用收集器内,回收或运至废物处理场所处置。
消防措施有害燃烧产物:一氧化碳、二氧化碳。
灭火方法:用水喷射逸出液体,使其稀释成不燃性混合物,并用雾状水保护消防人员。
灭火剂:雾状水、抗溶性泡沫、干粉、二氧化碳。
危险化学品安全周知卡危险性类别腐蚀品刺激性品名、英文名及分子式、CC码及CAS号醋酸(冰醋酸,乙酸)Acetic acid危险性标志危险性理化数据熔点(℃):沸点(℃):危险特性其蒸气与空气形成爆炸混合物,遇明火、高热能引起爆炸。
与强氧化剂可发生反应,与现场急救措施皮肤接触:脱去所污染的衣服,用流动清水冲洗至少15分钟;若有灼伤,就医治疗。
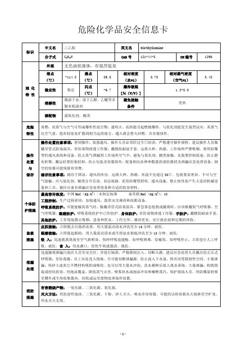
岗位:二车间缩合/仓库品 名健 康 与 安 全 危 害理 化 性 质中文名三乙胺英文名triethylamine 健康危害:对呼吸道有强烈的刺激性,吸入后可引起肺水肿甚至死亡。
口服腐蚀口腔、食道及胃。
眼及皮肤接触可引起化学性灼伤。
燃爆危险:本品易燃,具强刺激性。
危险特性:易燃,其蒸气与空气可形成爆炸性混合物,遇明火、高热能引起燃烧爆炸。
与氧化剂能发生强烈反应。
其蒸气比空气重,能在较低处扩散到相当远的地方,遇火源会着火回燃。
具有腐蚀性。
有害燃烧产物:一氧化碳、二氧化碳、氧化氮 。
外观与性状:无色油状液体,有强烈氨臭 。
熔点(℃):-114.8沸点(℃):89.5相对密度(水=1):0.70相对蒸气密度(空气=1):3.48饱和蒸气压(kPa):8.80(20℃)燃烧热(kJ/mol):4333.8临界温度(℃):259临界压力(MPa):3.04闪点(℃):<0引燃温度(℃):249爆炸上限%(V/V):8.0爆炸下限%(V/V):1.2溶解性:微溶于水,溶于乙醇、乙醚等多数有机溶剂。
主要用途:用作溶剂、阻聚剂、防腐剂,及合成染料等 。
禁配物:强氧化剂、酸类 。
警示标志第3.2 类中闪点易燃液体危险化学物质信息(周知)卡防 护 措 施操作注意事项:密闭操作,加强通风。
操作人员必须经过专门培训,严格遵守操作规程。
建议操作人员佩戴导管式防毒面具,穿防毒物渗透工作服,戴橡胶耐油手套。
远离火种、热源,工作场所严禁吸烟。
使用防爆型的通风系统和设备。
防止蒸气泄漏到工作场所空气中。
避免与氧化剂、酸类接触。
充装要控制流速,防止静电积聚。
搬运时要轻装轻卸,防止包装及容器损坏。
配备相应品种和数量的消防器材及泄漏应急处理设备。
倒空的容器可能残留有害物 。
储存注意事项:储存于阴凉、通风的库房。
远离火种、热源。
库温不宜超过30℃。
包装要求密封,不可与空气接触。
应与氧化剂、酸类分开存放,切忌混储。
采用防爆型照明、通风设施。
氨安全周知卡危险性类别易燃刺激性有毒品名、英文名及分子式、CC码及CAS号氨(氨气(液氨))ammoniaNH3CAS号:7664-41-7危险性理化数据熔点(℃):-77.7 闪点:无意义沸点(℃):-33.5相对密度(水=1):0.82(-79℃)饱和蒸气压(kPa):506.62(4.7℃)危险特性本品为无色、有刺激性恶臭的气体。
与空气混合能形成爆炸性混合物。
遇明火、高热能引起燃烧爆炸。
与氟、氯等接触会发生剧烈的化学反应。
若遇高热,容器内压增大,有开裂和爆炸的危险。
接触后表现健康危害:低浓度氨对粘膜有刺激作用,高浓度可造成组织溶解坏死。
急性中毒:轻度者出现流泪、咽痛、声音嘶哑、咳嗽、咯痰等;眼结膜、鼻粘膜、咽部充血、水肿;胸部 X线征象符合支气管炎或支气管周围炎。
中度中毒上述症状加剧,出现呼吸困难、紫绀;胸部 X线征象符合肺炎或间质性肺炎。
严重者可发生中毒性肺水肿,或有现场急救措施皮肤接触:立即脱去污染的衣着,应用2%硼酸液或大量清水彻底冲洗。
就医。
眼睛接触:立即提起眼睑,用大量流动清水或生理盐水彻底冲洗至少15分钟。
就医。
吸入:迅速脱离现场至空气新鲜处。
保持呼吸道通畅。
如呼吸困难,给输氧。
如呼吸停止,立即进行人工呼吸。
就医。
食入:无资料身体防护措施泄漏处理及防火防爆措施迅速撤离泄漏污染区人员至上风处,并立即隔离150m,严格限制出入。
切断火源。
建议应急处理人员戴自给正压式呼吸器,穿防静电工作服。
尽可能切断泄漏源。
合理通风,加速扩散。
高浓度泄漏区,喷含盐酸的雾状水中和、稀释、溶解。
构筑围堤或挖坑收容产生的大量废水。
如有可能,将残余气或漏出气用排风机送至水洗塔或与塔相连的通风橱内。
储罐区最好设稀酸喷洒设施。
漏气容器要妥善处理,修复、检验后再用。
消防人员必须穿全身防火防毒服,在上风向灭火。
切断气源。
若不能切断气源,则不允许熄灭泄漏处的火焰。
喷水冷却容器,可能的话将容器从火场移至空旷处。
灭火剂:雾状水、抗溶性泡沫、二氧化碳、砂土。
危险化学品安全信息卡危险化学品安全周知卡危险性类别易燃腐蚀品名、英文名及分子式、CC码及CAS号三乙胺triethylamine;N,N-diethylethanamineC6H15NCAS号:121-44-8危险性标志危险性理化数据熔点(℃):-114.8沸点(℃):89.5相对密度(水=1):0.73饱和蒸气压(kPa):8.80(20℃)危险特性易燃,其蒸气与空气可形成爆炸性混合物,遇明火、高热能引起燃烧爆炸。
与氧化剂能发生强烈反应。
其蒸气比空气重,能在较低处扩散到相当远的地方,遇火源会着火回燃。
具有腐蚀性。
接触后表现吸入、口服或经皮吸收后对身体有害。
对呼吸道有强烈的刺激性,吸入后可引起肺水肿甚至死亡。
口服腐蚀口腔、食道及胃。
眼及皮肤接触可引起化学性灼伤。
现场急救措施皮肤接触:立即脱去污染的衣着,应用2%硼酸液或大量清水彻底冲洗。
就医。
眼睛接触:立即提起眼睑,用大量流动清水或生理盐水彻底冲洗至少15分钟。
就医。
吸入:迅速脱离现场至空气新鲜处。
保持呼吸道通畅。
如呼吸困难,给输氧。
如呼吸停止,立即进行人工呼吸。
就医。
食入:用水漱口,给饮牛奶或蛋清。
就医。
身体防护措施泄漏应急处理迅速撤离泄漏污染区人员至安全区,并进行隔离,严格限制出入。
切断火源。
建议应急处理人员戴自给正压式呼吸器,穿防毒服。
从上风处进入现场。
尽可能切断泄漏源。
防止流入下水道、排洪沟等限制性空间。
小量泄漏:用砂土或其它不燃材料吸附或吸收。
也可以用大量水冲洗,洗水稀释后放入废水系统。
大量泄漏:构筑围堤或挖坑收容。
用泡沫覆盖,降低蒸气灾害。
喷雾状水或泡沫冷却和稀释蒸汽、保护现场人员。
用防爆泵转移至槽车或专用收集器内,回收或运至废物处理场所处置。
浓度MAC(mg/m3):当地应急救援单位名称**县消防队及园区消防队**县人民医院当地应急救援单位电话县消防队:119县人民医院:120危险化学品技术说明书。
吡啶安全技术说明书第一部分化学品及企业标识化学品中文名称:吡啶化学品英文名称:pyridine企业名称: XXXXXX企业地址:浙江省富阳市东XXXXXXXXXXXXXXX邮编: 3X 传真:0X联系电话:X企业应急电话:X或X国家化学事故应急咨询专线:本产品推荐用途:用于制造维生素、磺胺类药、杀虫剂及塑料等。
第二部分危险性概述紧急情况概述:易燃液体。
有强烈刺激性;能麻醉中枢神经系统。
对眼及上呼吸道有刺激作用。
高浓度吸入后,轻者有欣快或窒息感,继之出现抑郁、肌无力、呕吐;重者意识丧失、大小便失禁、强直性痉挛、血压下降。
误服可致死。
GHS危险性类别:根据化学品分类、警示标签和警示性说明规范系列标准(参阅第十五部分),该产品属于:易燃液体-类别2,皮肤腐蚀/刺激-类别2,急性毒性-经口-类别4,对水环境的危害-急性类别3,对水环境的危害- 长期慢性尖别4,吸入危害-类别2,象形图:警示词:危险危险信息:其蒸气与空气可形成爆炸性混合物,遇明火、高热极易燃烧爆炸。
与氧化剂接触猛烈反应。
高温时分解,释出剧毒的氮氧化物气体。
与硫酸、硝酸、铬酸、发烟硫酸、氯磺酸、顺丁烯二酸酐、高氯酸银等剧烈反应,有爆炸危险。
流速过快,容易产生和积聚静电。
其蒸气比空气重,能在较低处扩散到相当远的地方,遇火源会着火回燃。
若遇高热,容器内压增大,有开裂和爆炸的危险。
防范说明:预防措施:远离热源、火花、明火、热表面,工作场所禁止吸烟。
事故响应:消防人员须佩戴防毒面具、穿全身消防服,在上风向灭火。
尽可能将容器从火场移至空旷处。
喷水保持火场容器冷却,直至灭火结束。
处在火场中的容器若已变色或从安全泄压装置中产生声音,必须马上撤离。
用泡沫、二氧化碳、干粉、砂土灭火。
安全储存:储存于阴凉、通风的库房。
远离火种、热源。
废弃处置:用焚烧法处置,把倒空的容器归还厂商或在规定场所掩埋。
侵入途径:吸入、食入、经皮吸收健康危害:有强烈刺激性;能麻醉中枢神经系统。
危险化学品安全技术说明书及相关安全周知卡目录1、乙酸2、盐酸3、乙醇4、甲醇5、甲苯6、纯苯7、液氨8、三乙胺9、甲醛10、氯乙醛11、氯化亚砜12、二甲基甲酰胺13、水杨醛14、氢氧化钠15、碳酸钠16、碳酸钾17、三氯化铝18、乙酸酐19、对甲苯磺酰氯20、对甲氧基苯甲酸21、碘22、焦亚硫酸钠23、乙酸钠24、双氧水非常全面,给需要的同行参考。
危险化学品安全信息卡消防措施有害燃烧产物:一氧化碳、二氧化碳。
灭火方法:用水喷射逸出液体,使其稀释成不燃性混合物,并用雾状水保护消防人员。
灭火剂:雾状水、抗溶性泡沫、干粉、二氧化碳。
危险化学品安全周知卡危险性类别腐蚀品刺激性品名、英文名及分子式、CC码及CAS号醋酸(冰醋酸,乙酸)Acetic acidCH3COOHCAS号:64-19-7危险性标志危险性理化数据熔点(℃):沸点(℃):相对密度(水=1):饱和蒸气压(kPa):(20℃)危险特性其蒸气与空气形成爆炸混合物,遇明火、高热能引起爆炸。
与强氧化剂可发生反应,与氢氧化钠与氢氧化钾等反应剧烈。
稀释后对金属有腐蚀性。
接触后表现健康危害:吸入本品蒸气对鼻、喉和呼吸道有刺激性。
对眼有强烈刺激作用。
皮肤接触,轻者出现红斑,重者引起化学灼伤。
误服浓乙酸,口腔和消化道可产生糜烂,重者可因休克而致死。
慢性影响:眼睑水肿、结膜充血、慢性咽炎和支气管炎。
长期反复接触,可致皮肤干燥、脱脂和皮炎。
现场急救措施皮肤接触:脱去所污染的衣服,用流动清水冲洗至少15分钟;若有灼伤,就医治疗。
眼睛接触:立即提起眼睑,用大量流动清水或生理盐水彻底冲洗至少15分钟;就医。
吸入:迅速转移到空气新鲜处,保持呼吸道通常,呼吸困难时给输氧,就医。
食入:误服者给饮大量温水,催吐。
就医。
身体防护措施泄漏处理及防火防爆措施迅速撤离泄漏污染区人员至安全区,禁止无关人员进入污染区,切断电源,建议应急处理人员戴自给正压式呼吸器,穿化学防护服。
不要直接接触泄漏物。
危险化学品安全技术说明书及相关安全周知卡目录1、乙酸2、盐酸3、乙醇4、甲醇5、甲苯6、纯苯7、液氨8、三乙胺9、甲醛10、氯乙醛11、氯化亚砜12、二甲基甲酰胺13、水杨醛14、氢氧化钠15、碳酸钠16、碳酸钾17、三氯化铝18、乙酸酐19、对甲苯磺酰氯20、对甲氧基苯甲酸21、碘22、焦亚硫酸钠23、乙酸钠24、双氧水非常全面,给需要的同行参考。
危险化学品安全信息卡空气呼吸器。
眼睛防护:戴化学安全防护眼镜。
身体防护:穿防酸碱塑料工作服。
手防护:戴橡胶耐酸碱手套。
其他防护:工作现场严禁吸烟。
工作完毕,淋浴更衣。
注意个人清洁卫生。
急救措施皮肤接触:立即脱去污染的衣着,用大量流动清水冲洗至少15分钟。
就医。
眼睛接触:立即提起眼睑,用大量流动清水或生理盐水彻底冲洗至少15分钟。
就医。
吸入:迅速脱离现场至空气新鲜处。
保持呼吸道通畅。
如呼吸困难,给输氧。
如呼吸停止,立即进行人工呼吸。
就医。
食入:用水漱口,就医。
泄漏处理迅速撤离泄漏污染区人员至安全区,并进行隔离,严格限制出入。
切断火源。
建议应急处理人员戴自给正压式呼吸器,穿防酸碱工作服。
不要直接接触泄漏物。
尽可能切断泄漏源。
防止流入下水道、排洪沟等限制性空间。
小量泄漏:用砂土、干燥石灰或苏打灰混合。
大量泄漏:构筑围堤或挖坑收容。
喷雾状水冷却和稀释蒸汽、保护现场人员、把泄漏物稀释成不燃物。
用防爆泵转移至槽车或专用收集器内,回收或运至废物处理场所处置。
消防措施有害燃烧产物:一氧化碳、二氧化碳。
灭火方法:用水喷射逸出液体,使其稀释成不燃性混合物,并用雾状水保护消防人员。
灭火剂:雾状水、抗溶性泡沫、干粉、二氧化碳。
危险化学品安全周知卡危险性类别腐蚀品刺激性品名、英文名及分子式、CC码及CAS号醋酸(冰醋酸,乙酸)Acetic acid危险性标志危险性理化数据熔点(℃):沸点(℃):危险特性其蒸气与空气形成爆炸混合物,遇明火、高热能引起爆炸。
与强氧化剂可发生反应,与现场急救措施皮肤接触:脱去所污染的衣服,用流动清水冲洗至少15分钟;若有灼伤,就医治疗。
第1部分化学品及企业标识化学品中文名:3-氨基吡啶化学品英文名:3-pyridylamine分子式:C5H6N2分子量:94.11CAS号:462-08-8产品推荐及限制用途:工业及科研用途。
第2部分危险性概述紧急情况概述:吞咽会中毒。
皮肤接触会中毒。
造成皮肤刺激。
造成严重眼刺激。
对水生生物毒性极大并具有长期持续影响。
GHS危险性类别:急性经口毒性类别3急性经皮肤毒性类别3皮肤腐蚀/刺激类别2严重眼损伤/眼刺激类别2危害水生环境——急性危险类别1危害水生环境——长期危险类别1标签要素:象形图:警示词:危险危险性说明:H301吞咽会中毒H311皮肤接触会中毒H315造成皮肤刺激H319造成严重眼刺激H410对水生生物毒性极大并具有长期持续影响防范说明:•预防措施:——P264作业后彻底清洗。
——P270使用本产品时不要进食、饮水或吸烟。
——P280戴防护手套/穿防护服/戴防护眼罩/戴防护面具。
——P273避免释放到环境中。
•事故响应:——P301+P310如误吞咽:立即呼叫解毒中心/医生——P330漱口。
——P302+P352如皮肤沾染:用水充分清洗。
——P312如感觉不适,呼叫解毒中心/医生——P361+P364立即脱掉所有沾染的衣服,清洗后方可重新使用——P332+P313如发生皮肤刺激:求医/就诊。
——P362+P364脱掉沾染的衣服,清洗后方可重新使用——P305+P351+P338如进入眼睛:用水小心冲洗几分钟。
如戴隐形眼镜并可方便地取出,取出隐形眼镜。
继续冲洗。
——P337+P313如仍觉眼刺激:求医/就诊。
——P391收集溢出物。
•安全储存:——P405存放处须加锁。
•废弃处置:——P501按当地法规处置内装物/容器。
物理和化学危险:无资料健康危害:吞咽会中毒。
皮肤接触会中毒。
造成皮肤刺激。
造成严重眼刺激。
环境危害:对水生生物毒性极大并具有长期持续影响。
第3部分成分/组成信息第4部分急救措施急救:吸入:迅速脱离现场至空气新鲜处。
危险化学品安全技术说明书及相关安全周知卡目录1、乙酸2、盐酸3、乙醇4、甲醇5、甲苯6、纯苯7、液氨8、三乙胺9、甲醛10、氯乙醛11、氯化亚砜12、二甲基甲酰胺13、水杨醛14、氢氧化钠15、碳酸钠16、碳酸钾17、三氯化铝18、乙酸酐19、对甲苯磺酰氯20、对甲氧基苯甲酸21、碘22、焦亚硫酸钠23、乙酸钠24、双氧水非常全面,给需要的同行参考。
危险化学品安全信息卡空气呼吸器。
眼睛防护:戴化学安全防护眼镜。
身体防护:穿防酸碱塑料工作服。
手防护:戴橡胶耐酸碱手套。
其他防护:工作现场严禁吸烟。
工作完毕,淋浴更衣。
注意个人清洁卫生。
急救措施皮肤接触:立即脱去污染的衣着,用大量流动清水冲洗至少15分钟。
就医。
眼睛接触:立即提起眼睑,用大量流动清水或生理盐水彻底冲洗至少15分钟。
就医。
吸入:迅速脱离现场至空气新鲜处。
保持呼吸道通畅。
如呼吸困难,给输氧。
如呼吸停止,立即进行人工呼吸。
就医。
食入:用水漱口,就医。
泄漏处理迅速撤离泄漏污染区人员至安全区,并进行隔离,严格限制出入。
切断火源。
建议应急处理人员戴自给正压式呼吸器,穿防酸碱工作服。
不要直接接触泄漏物。
尽可能切断泄漏源。
防止流入下水道、排洪沟等限制性空间。
小量泄漏:用砂土、干燥石灰或苏打灰混合。
大量泄漏:构筑围堤或挖坑收容。
喷雾状水冷却和稀释蒸汽、保护现场人员、把泄漏物稀释成不燃物。
用防爆泵转移至槽车或专用收集器内,回收或运至废物处理场所处置。
消防措施有害燃烧产物:一氧化碳、二氧化碳。
灭火方法:用水喷射逸出液体,使其稀释成不燃性混合物,并用雾状水保护消防人员。
灭火剂:雾状水、抗溶性泡沫、干粉、二氧化碳。
危险化学品安全周知卡危险性类别腐蚀品刺激性品名、英文名及分子式、CC码及CAS号醋酸(冰醋酸,乙酸)Acetic acid危险性标志危险性理化数据熔点(℃):沸点(℃):危险特性其蒸气与空气形成爆炸混合物,遇明火、高热能引起爆炸。
与强氧化剂可发生反应,与现场急救措施皮肤接触:脱去所污染的衣服,用流动清水冲洗至少15分钟;若有灼伤,就医治疗。
危险化学品安全技术说明书及相关安全周知卡目录1、乙酸2、盐酸3、乙醇4、甲醇5、甲苯6、纯苯7、液氨8、三乙胺9、甲醛10、氯乙醛11、氯化亚砜12、二甲基甲酰胺13、水杨醛14、氢氧化钠15、碳酸钠16、碳酸钾17、三氯化铝18、乙酸酐19、对甲苯磺酰氯20、对甲氧基苯甲酸21、碘22、焦亚硫酸钠23、乙酸钠24、双氧水非常全面,给需要的同行参考。
危险化学品安全信息卡危险化学品安全周知卡其蒸气与空气形成爆炸混合物,遇明火、高热能引起爆炸。
与强氧化剂可发生反应,与危险化学品安全技术说明书危险化学品安全信息卡危险化学品安全周知卡能与一些活性金属粉末发生反应, 放出氢气。
遇氰化物能产生剧毒的氰化氢气体。
与危险化学品安全技术说明书危险化学品安全信息卡危险化学品安全周知卡其蒸气与空气可形成爆炸性混合高热能引起燃烧爆炸。
危险化学品技术说明书危险化学品安全信息卡危险化学品安全周知卡易燃,其蒸气与空气可形成爆炸性混合物,遇明火、高热能引起燃烧爆炸。
与氧化剂接触发生化学反应危险化学品安全信息卡危险化学品安全周知卡本品蒸气与空气易形成爆炸性混合物;遇明火、高热会引起燃烧爆炸;遇易燃物、有机危险化学品安全信息卡危险化学品安全周知卡易燃,其蒸气与空气可形成爆炸性混合物。
遇明火、高热极易燃烧爆炸。
与氧化剂能发生强烈反应。
易危险化学品安全信息卡危险化学品安全周知卡本品易燃,有毒,具刺激性。
对环境有严重危害,对水体、土壤和大气可造成污染。
危险化学品安全信息卡危险化学品安全周知卡易燃,其蒸气与空气可形成爆炸性混合物,遇明火、高热能引起燃烧爆炸。
与氧化剂能发生强烈反应。
其危险化学品安全信息卡危险化学品安全周知卡具有强烈气味的刺激性气体。
其蒸气与空气形成爆炸性混合物,遇明火、高热能引危险化学品安全信息卡危险化学品安全周知卡有刺激气味。
易燃,遇明火、高热可燃。
危险化学品安全信息卡危险化学品安全周知卡具强腐蚀性、强刺激性,可致人体灼伤。
三乙胺安全周知卡危险性类别易燃刺激爆炸品名、英文名及分子式、CC码及CAS号三乙胺(N,N-二乙基乙胺)triethylamineC6H15NCAS号:121-44-8危险性理化数据熔点(℃):-114.8 闪点:<0 沸点(℃):89.5相对密度(水=1):0.70饱和蒸气压(kPa):8.80(20℃)危险特性本品为无色油状液体,有强烈氨臭。
易燃,其蒸气与空气可形成爆炸性混合物,遇明火、高热能引起燃烧爆炸。
与氧化剂能发生强烈反应。
其蒸气比空气重,能在较低处扩散到相当远的地方,遇火源会着火回燃。
具有腐蚀性。
接触后表现健康危害:对呼吸道有强烈的刺激性,吸入后可引起肺水肿甚至死亡。
口服腐蚀口腔、食道及胃。
眼及皮肤接触可引起化学性灼伤。
现场急救措施皮肤接触:立即脱去污染的衣着,用大量流动清水冲洗至少15分钟。
就医。
眼睛接触:立即提起眼睑,用大量流动清水或生理盐水彻底冲洗至少15分钟。
就医。
吸入:迅速脱离现场至空气新鲜处。
保持呼吸道通畅。
如呼吸困难,给输氧。
如呼吸停止,立即进行人工呼吸。
就医。
食入:用水漱口,给饮牛奶或蛋清。
就医。
身体防护措施泄漏处理及防火防爆措施迅速撤离泄漏污染区人员至安全区,并进行隔离,严格限制出入。
切断火源。
建议应急处理人员戴自给正压式呼吸器,穿防毒服。
从上风处进入现场。
尽可能切断泄漏源。
防止流入下水道、排洪沟等限制性空间。
小量泄漏:用砂土或其它不燃材料吸附或吸收。
也可以用大量水冲洗,洗水稀释后放入废水系统。
大量泄漏:构筑围堤或挖坑收容。
用泡沫覆盖,降低蒸气灾害。
喷雾状水或泡沫冷却和稀释蒸汽、保护现场人员。
用防爆泵转移至槽车或专用收集器内,回收或运至废物处理场所处置。
喷水冷却容器,可能的话将容器从火场移至空旷处。
灭火剂:抗溶性泡沫、二氧化碳、干粉、浓度MAC(mg/m3):未制定标准当地应急救援单位名称市消防队:119市人民医院:120当地应急救援单位电话消防队:119人民医院:120危险性标志三乙胺职业病危害告知卡作业场所存在三乙胺,对人体有损害,请注意防护三乙胺triethylamine健康危害理化特性对呼吸道有强烈的刺激性,吸入后可引起肺水肿甚至死亡。
化学品安全技术说明书第一部分化学品及企业标识化学品中文名:3-氨基吡啶化学品英文名:3-aminopyridine|m-aminopyridine化学品别名:间氨基吡啶CAS No.:462-08-8EC No.:207-322-2分子式:C5H6N2产品推荐用途:请咨询生产商。
产品限制用途:请咨询生产商。
第二部分危险性概述| 紧急情况概述固体。
吞食后有剧毒。
对水生物有毒。
对水生环境可能会引起长期有害作用。
使用适当的容器, 以预防污染环境。
| GHS 危险性类别根据 GB 30000-2013 化学品分类和标签规范系列标准(参阅第十六部分),该产品分类如下:急毒性-口服,类别 2;危害水生环境-急性毒性,类别 2;危害水生环境-慢性毒性,类别 2。
| 标签要素象形图警示词:危险危险信息:吞咽致命,对水生生物有毒,对水生生物有毒并具有长期持续影响。
防范说明预防措施:作业后彻底清洗。
使用本产品时不要进食、饮水或吸烟。
避免释放到环境中。
事故响应:漱口。
收集溢出物。
如误吞咽:立即呼叫中毒急救中心/医生。
安全储存:存放处须加锁。
废弃处置:按照地方/区域/国家/国际规章处置内装物/容器。
| 危害描述物理化学危险无资料健康危害吸入该物质可能会引起对健康有害的影响或呼吸道不适。
意外食入本品可导致严重的毒性反应。
意外食入本品可能对个体健康有害。
通过割伤、擦伤或病变处进入血液,可能产生全身损伤的有害作用。
眼睛直接接触本品可导致暂时不适。
环境危害本品对水生生物有毒。
本品对水生生物有毒并具有长期持续影响。
请参阅 SDS 第十二部分。
第三部分成分/组成信息√物质混合物第四部分急救措施| 急救措施描述一般性建议:急救措施通常是需要的,请将本 SDS 出示给到达现场的医生。
皮肤接触:立即脱去污染的衣物。
用大量肥皂水和清水冲洗皮肤。
如有不适,就医。
眼睛接触:用大量水彻底冲洗至少 15 分钟。
如有不适,就医。
吸入:立即将患者移到新鲜空气处,保持呼吸畅通。
危险化学品安全技术说明书及相关安全周知卡
目录
1、乙酸
2、盐酸
3、乙醇
4、甲醇
5、甲苯
6、纯苯
7、液氨
8、三乙胺
9、甲醛
10、氯乙醛
11、氯化亚砜
12、二甲基甲酰胺
13、水杨醛
14、氢氧化钠
15、碳酸钠
16、碳酸钾
17、三氯化铝
18、乙酸酐
19、对甲苯磺酰氯
20、对甲氧基苯甲酸
21、碘
22、焦亚硫酸钠
23、乙酸钠
24、双氧水
非常全面,给需要的同行参考。
危险化学品安全信息卡
危险化学品安全周知卡
危险化学品安全信息卡
危险化学品安全周知卡
危险化学品安全技术说明书
危险化学品安全信息卡
危险化学品安全周知卡
危险化学品技术说明书
危险化学品安全信息卡
危险化学品安全周知卡
危险化学品安全信息卡
危险化学品安全周知卡
危险化学品安全信息卡
危险化学品安全周知卡
危险化学品安全信息卡
危险化学品安全周知卡
危险化学品安全信息卡
危险化学品安全周知卡
危险化学品安全信息卡
危险化学品安全周知卡
危险化学品安全信息卡
危险化学品安全周知卡
危险化学品安全信息卡
危险化学品安全周知卡
危险化学品安全信息卡
危险化学品安全周知卡。
危险化学品安全技术说明书及相关安全周知卡目录1、乙酸2、盐酸3、乙醇4、甲醇5、甲苯6、纯苯7、液氨8、三乙胺9、甲醛10、氯乙醛11、氯化亚砜12、二甲基甲酰胺13、水杨醛14、氢氧化钠15、碳酸钠16、碳酸钾17、三氯化铝18、乙酸酐19、对甲苯磺酰氯20、对甲氧基苯甲酸21、碘22、焦亚硫酸钠23、乙酸钠24、双氧水非常全面,给需要的同行参考。
危险化学品安全信息卡危险化学品安全周知卡危险性类别腐蚀品刺激性品名、英文名及分子式、CC码及CAS号醋酸(冰醋酸,乙酸)Acetic acidCH3COOHCAS号:64-19-7危险性标志危险性理化数据熔点(℃):16.7沸点(℃):118.1相对密度(水=1):1.05饱和蒸气压(kPa):1.52(20℃)危险特性其蒸气与空气形成爆炸混合物,遇明火、高热能引起爆炸。
与强氧化剂可发生反应,与氢氧化钠与氢氧化钾等反应剧烈。
稀释后对金属有腐蚀性。
接触后表现健康危害:吸入本品蒸气对鼻、喉和呼吸道有刺激性。
对眼有强烈刺激作用。
皮肤接触,轻者出现红斑,重者引起化学灼伤。
误服浓乙酸,口腔和消化道可产生糜烂,重者可因休克而致死。
慢性影响:眼睑水肿、结膜充血、慢性咽炎和支气管炎。
长期反复接触,可致皮肤干燥、脱脂和皮炎。
现场急救措施皮肤接触:脱去所污染的衣服,用流动清水冲洗至少15分钟;若有灼伤,就医治疗。
眼睛接触:立即提起眼睑,用大量流动清水或生理盐水彻底冲洗至少15分钟;就医。
吸入:迅速转移到空气新鲜处,保持呼吸道通常,呼吸困难时给输氧,就医。
食入:误服者给饮大量温水,催吐。
就医。
身体防护措施泄漏处理及防火防爆措施迅速撤离泄漏污染区人员至安全区,禁止无关人员进入污染区,切断电源,建议应急处理人员戴自给正压式呼吸器,穿化学防护服。
不要直接接触泄漏物。
在确保安全情况下堵漏。
喷水雾能减少蒸发但不要使水进入储存容器内,用砂土、蛭石或其它惰性材料吸收,然后运至废物处理场所处置,也可用水冲洗,经稀释的洗水放入废水系统,如大量泄漏,利用围堤收容,然后收集转移回收或无害处理后废弃。
危险化学品安全周知卡
危险性提示词
有毒!
品名、英文名及分子式、CC码及CAS号
3-氨基吡啶
3-aminopyridine
C5H6N2
CAS:462-08-8
危险性标志
危险性理化数据
外观与性状:棕色晶体
熔点(℃):60°C
沸点(℃):248 °C
相对密度(水以1计):1.107
闪点(℃):69°C
爆炸极限:无资料
危险特性
遇明火、高热可燃。
受高热分解,放出有毒的烟气。
接触后表现
有毒。
对皮肤、粘膜有刺激作用,并有麻醉作用。
现场急救措施
皮肤接触:脱去污染的衣着,用肥皂水和清水彻底冲洗皮肤。
眼睛接触:提起眼睑,用流动清水或生理盐水冲洗。
就医。
吸入:迅速脱离现场至空气新鲜处。
保持呼吸道通畅。
如呼吸困
难,给输氧。
如呼吸停止,立即进行人工呼吸。
就医。
食入:饮足量温水,催吐。
就医。
个体防护措施
泄漏应急处理
隔离泄漏污染区,周围设警告标志,建议应急处理人员戴好防毒面具,穿化学防护服。
用水冲洗,经稀释的洗水放入废水系统。
也可以用砂土或其它不燃性吸附剂混合吸收,倒至空旷地方深埋。
如大量泄漏,收集回收或无害处理后废弃。
最高允许浓度
MAC(mg/m3):未规定
应急救援单位名称
消防中心
医院
应急救援单位电话
消防中心:119
医院:120。