2011年江苏省建设工程造价员资格考试(土建案例)
- 格式:doc
- 大小:882.00 KB
- 文档页数:16
云测库,互联网测评考试与人才管理平台2011年造价工程师考试《建设工程计价》真题及解析(考生版)试卷题量:96题试卷总分:120分试卷限时:120分钟测评/引用码:BPYyqsA一、单项选择题1、关于我国现行建设项目投资构成的说法中,正确的是( )。
A、生产性建设项目总投资为建设投资和建设期利息之和B、工程造价为工程费用、工程建设其他费用和预备费之和C、固定资产投资为建设投资和建设期利息之和D、工程费用为直接费、间接费、利润和税金之和2、用成本计算估价法计算国产非标准设备原价时,需要考虑的费用项目是( )。
A、特殊设备安全监督检查费B、供销部门手续费C、成品损失费及运输包装费D、外购配套件费3、某进口设备通过海洋运输,到岸价为972万元,国际运费88万元,海上运输保险费率 0.3%,则离岸价为( )万元。
A、881.08B、883.74C、1063.181D、1091.904、根据我国现行建筑安装工程费用构成的相关规定,下列费用中,属于安装工程费用的是( )。
A、设备基础、工作台的砌筑工程费或金属结构工程费用B、房屋建筑工程供水、供暖等设备费用C、对系统设备进行系统联动无负荷运转工作的调试费D、对整个生产线负荷联合试运转所发生的费用5、根据《建筑工程安全防护、文明施工措施费用及使用管理规定》(建办[2005]89号),下列措施项目中,应列入文明施工与环境保护项目的是( )。
A、现场防火B、现场办公生活设施C、施工现场临时用电接地保护装置D、高空作业防护6、关于建筑安装工程费中材料费的说法,正确的是( )。
A、材料费包括原材料、辅助材料、构配件、零件、半成品、周转材料的费用B、材料消耗量是指形成工程实体的净用量C、材料检验试验费不包括对构件做破坏性试验的费用D、材料费等于材料消耗量与材料基价的乘积7、关于建筑安装工程费用中税金的说法中,正确的是( )。
A、税金是指按国家税法规定应计入建筑安装工程费用的营业税B、当安装的设备价值作为安装工程产值时,计税营业额中应扣除所安装设备的价款C、总承包方的计税营业额中不包括付给分包方的价款D、当预算定额中含有未计价主材时,计税营业额中应不包括此类未计价主材费用8、关于土地征用及迁移补偿费的说法中,正确的是( )。
2011年造价工程师案例分析试题及参考答案试题一(20分)1.某建设项目的工程费由以下内容构成:(1)主要生产项目1500万元,其中建筑工程费300万元,设备购置费1050万元,安装工程费150万元。
(2)辅助生产项目300万元,其中建筑工程费150万元,设备购置费110万元,安装工程费40万元。
(3)公用工程150万元,其中建筑工程费100万元,设备购置费40万元,安装工程费10万元。
2.项目建设前期年限为1年,项目建设期第1年完成投资40%,第2年完成投资60%。
工程建设其他费为250万元,基本预备费率为10%,年均投资价格上涨为6%。
3.项目建设期2年,运营期8年。
建设期贷款1200万元,贷款年利率为6%,在建设期第1年投入40%,第2年投入60%。
贷款在运营期前4年按照等额还本、利息照付的方式偿还。
4.项目固定资产投资预计全部形成固定资产,使用年限为8年,残值率为5%,采用直线法折旧。
运营期第1年投入资本金200万元作为流动资金。
5.项目运营期正常年份的营业收入为1300万元,经营成本为525万元。
运营期第1年的营业收入和经营成本均为正常年份的70%,自运营期第2年起进入正常年份。
6.所得税税率为25%,营业税金及附加为6%。
问题:1.列式计算项目的基本预备费和涨价预备费。
2.列式计算项目的建设期贷款利息,并完成表1.1建设项目固定资产投资估算表。
3.计算项目各年还本付息额,填入表1.2还本付息计划表。
4.列式计算项目运营期第1年的总成本费用。
5.列式计算项目资本金现金流量分析中运营期第1年的净现金流量。
(填表及计算结果均保留2位小数)试题二(20分)某咨询公司受业主委托,对某设计院提出屋面工程的三个设计方案进行评价。
相关信息见表2.1:表2.1 设计方案信息表拟建工业厂房的使用寿命为50年,不考虑50年后其拆除费用及残值,不考虑物价变动因素。
基准折现率为8%。
问题:1.分别列式计算拟建工业厂房寿命期内屋面防水保温工程各方案的综合单价现值。
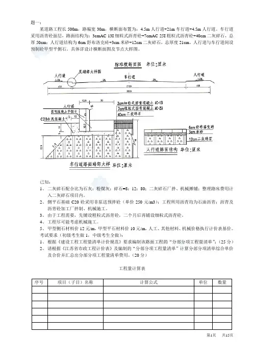
题一:某道路工程长500m,路幅宽30m,横断面布置为:4.5m人行道+21m车行道+4.5m人行道。
车行道采用沥青砼面层,路面结构为:3cmAC-13I细粒式沥青砼+7cmAC-25I粗粒式沥青砼+40cm二灰碎石,总厚50cm;人行道结构为6cm舒布洛克砖+3cm米砂+12cm二灰碎石,总厚度21cm。
人行道与车行道间设预制砼甲型平侧石。
具体详设计横断面图及节点大样图。
已知:1、二灰碎石配合比为石灰:粉煤灰:碎石=8:12:80;二灰碎石厂拌、机械摊铺;整理路床费用计入二灰碎石项目内。
2、侧平石基础C20砼采用非泵送预拌砼(单价250元/m3);工程所用沥青均为石油沥青;沥青及沥青砼加工厂拌制、机械施工。
3、由于工程需要,先铺设粗粒式沥青砼,二个月后再铺设细粒式沥青砼。
4、工程尽可能考虑机械施工。
5、甲型侧石材料价12元/m,甲型平石材料价10元/m,人工、其他材料、机械价格执行计价表基价。
考试要求(初级考生做1,中级考生全做):1、根据《建设工程工程量清单计价规范》要求编制该路面工程的“分部分项工程量清单”;(25分)2、请根据《江苏省市政工程计价表》及编制的“分部分项工程量清单”计算分部分项清单综合单价及合价并汇总出分部分项工程量清单费用。
(20分)工程量计算表第1页共15页.分部分项工程量清单分部分项工程量清单综合单价分析表第2页共15页第3页 共15页.题二(25分):某新建污水工程,长200m ,设计采用D1000mm 钢筋砼平口管(钢丝网水泥砂浆接口)、省标135度C15砼基础、省标丙型窨井(混凝土流槽式,假设为240度流槽)。
纵断面、管基断面图、窨井图(假设A=1.6m )如下所示。
1.已知:工程现状为农田,土质为三类干土;为减少土方工作量采用支撑直槽开挖,机械施工,所挖土方推土机推放于沟槽20米外堆放,回填时再用推土机推回,余方就地弃置;设计要求沟槽土方回填密实度为93%(重型击实);工程施工后按原地形恢复;每节钢筋砼管道长度为2米;窨井钢筋砼盖板采用成品构件;每座窨井体积暂定10立方米。
2011年江苏省造价员资格考试试题(土建初级土建造价案例分析试卷本卷为案例分析题(初级共四题,总分100分。
人工工资单价和施工机械台班单价全部以04年计价表中价格为准;文字与图形不同时,以文字说明为准;要求分析合理,结论正确,并简要写出计算过程。
一、某三类工程项目,基础平面图、剖面图如下,根据地质勘探报告,土壤类别为三类,无地下水。
该工程设计室外地坪标高为-0.30m,室内标高±0.00 m ,地面面层厚度为150mm , -0.060m 处做20厚1:2水泥砂浆防潮层,防潮层以下用M5水泥砂浆砌混凝土实心砖基础,防潮层以上为多孔砖墙;框架柱为500mm ×500mm 。
1、按04年计价表规定计算土方人工开挖工程量,并套用相应计价表综合单价;2、按04年计价表规定计算砖基础分部分项工程(防潮层不算数量,并套用相应计价表综合单价。
(本题25分基础平面剖面图基础详图一览表工程量计算表工程预算表二、根据下表提供的子目名称及做法,请按04计价表填写所列子目的计价表编号和综合单价,其他未说明的,按计价表执行。
(人工、材料、机械单价和管理费率、利润费按计价表子目不做调整,项目未注明者均位于标高20m 以下(本题25分三、某二层砖混结构宿舍楼,基础为标准砖砌筑,在—0.06m处设置地圈梁,地圈梁上内外墙均为M7.5混合沙浆砌240mm 厚加气混凝土砌块,首层平面图如下图,二层平面图除M-1的位置变为C1外,其它均与首层平面图相同。
层高均为3。
00,室外地坪为-0.45m ,室内地坪标高为+0.00m ,构造柱、圈梁(有墙部分均设置、过梁、楼板均为现浇C20钢筋混凝土,圈梁240*300mm ,过梁 (M2、M3上240*120*(门洞净宽+500mm ,楼板和屋面板厚度为100mm ,门窗洞口尺寸见下表。
试计算:首层圈梁、过梁、构造柱、外墙砌体、二层楼面现浇板【楼梯间(墙体内净尺寸、M1门外部分不计算】的工程量。
二○○七年江苏省建设工程造价员资格考试土建造价案例分析试卷本卷为案例分析题,初级做一~四题,共四题,总分100分;中级做三~六题,共四题,总分120分;高级做四~七题,共四题,总分120分;多做和漏做的题均不得分。
人工工资单价和施工机械台班单价全部以04年计价表中价格为准;文字与图形不同时,以文字说明为准;要求分析合理,结论正确,并简要写出计算过程。
一.(本题25分)如图,某多层住宅变形缝宽度为0.20 m ,阳台水平投影尺寸为1.80×3.60 m (共18个),雨蓬水平投影尺寸为2.60×4.00 m ,坡屋面阁楼室内净高最高点为3.65m ,坡屋面坡度为1:2;平屋面女儿墙顶面标高为11.60 m 。
请按建筑工程建筑面积计算规范(GB /T50353-2005)计算下图的建筑面积,并按04年计价表规定计算外墙脚手架工程量。
建筑面积和工程量计算表二.(本题25分)如图,某单位办公楼屋面现浇钢筋砼有梁板,板厚为100mm ,A 、B 、1、4轴截面尺寸为240×500 mm ,2、3轴截面尺寸为240×350 mm ,柱截面尺寸为400×400 mm 。
请根据04年计价表的有关规定,计算现浇钢筋砼有梁板的砼工程量、模板工程量(按接触面积计算)。
工程量计算表三.(本题25分)根据下表提供的子目名称及做法,请按04计价表填写所列子目的计价表编号和综合单价,其他未说明的,按计价表执行。
(人工、材料、机械单价和管理费费率、利润费率按计价表子目不做调整,项目未注明者均位于标高20m 以下)四.(本题25分)如图,某单位传达室基础平面图和剖面图。
根据地质勘探报告,土壤类别为三类,无地下水。
该工程设计室外地坪标高为-0.30米,室内地坪标高为±0.00米,防潮层标高-0.06米,防潮层做法为C20抗渗砼P10以内,防潮层以下用M7.5水泥砂浆砌标准砖基础,防潮层以上为多孔砖墙身,C20钢筋砼条形基础,砼构造柱截面尺寸240×240mm,从钢筋砼条形基础中伸出。
二○一一年江苏省建设工程造价员资格考试安装造价案例分析试卷本卷为案例分析题,电气初级做1、3、5题,给排水初级做2、4、5题,总分为100分。
中级做1、4、5、6或2、3、5、6题,总分为120分。
高级做1、4、5、7或2、3、5、7题,总分为120分。
要求分析合理,结论正确。
一、(本题初级50分,中高级40分)请根据给定的电气工程施工图,计算工程量并编制分部分项工程量清单。
(一)设计说明1、建筑物为砖混结构,净高为4.0m,楼板为现浇,厚度为100mm。
建筑物室内外高差0.45m。
2、电源采用三相四线制、电缆埋地穿管入户,室外管道埋深0.8m。
配线线路全部穿管暗敷BV2.5,2~3根穿刚性阻燃管PC16,4~5根穿刚性阻燃管PC20,其余穿管规格及敷设方式按系统图。
3、系统接地设在配电箱AL下,采用-40×4镀锌扁钢,埋地敷设,埋深0.7m;接地极采用镀锌角钢L50×5×2500;接地电阻要求≤1Ω。
4、配电箱AL型号为PZ30,从厂家订购成品,尺寸为300×200×120,底边安装高度距地面1.5m。
(二)答题要求1、进配电箱AL的管线,仅计算电缆配管部分(出外墙1.5m),不计算电缆的工作量。
2、尺寸在图纸中按比例量取(1:100)。
3、电气配管进入地坪或顶板的深度均按100mm计算。
4、不考虑土方工程量。
(本页替换为CAD图)(本页替换为CAD图)二、(本题初级50分,中高级40分)请根据给定的给排水工程施工图,计算工程量并编制分部分项工程量清单。
(一)设计说明1、图中标高和管长以“m ”,其余都以“mm ”计。
2、给水管采用衬塑镀锌钢管,螺纹连接;排水管采用UPVC 塑料排水管,胶水粘接。
3、给水管穿楼板应设钢套管(排水管不考虑),套管公称直径比给水管公称直径大二号,套管长度每处按250mm 计。
4、室内给排水管道安装完毕且在隐蔽前,给水管需消毒冲洗并做水压试验,试验压力为1.0Mpa ;排水管需做通球、灌水试验。
2011年造价工程师考试案例分析真题及答案(完整版)试题一:(20分)某拟建项目有关资料如下:1.项目工程费用由以下内容构成。
(1)主要生产项目1500万元,其中:建筑工程费300万元,设备购置费1050万元,安装工程费150万元。
(2)辅助生产项目300万元,其中:建筑工程费150万元,设备购置费110万元,安装工程费40万元。
(3)公用工程150万元,其中:建筑工程费100万元,设备购置费40万元,安装工程费10万元。
2.项目建设前期年限为1年,项目建设期第1年完成投资40%,第2年完成投资60%。
工程建设其他费用250万元。
基本预备费率为10%,年均投资价格上涨率为6%。
3.项目建设期2年,运营期8年。
建设期贷款1200万元,贷款年利率6%,在建设期第1年投入40%,第2年投入60%。
贷款在运营期前4年按照等额还本、利息照付的方式偿还。
4.项目固定资产投资预计全部行成固定资产,固定资产使用年限为8年,残值率为5%,采用直线法折旧。
项目运营期第1年投入资本金200万元作为运营期的流动资金。
5.项目运营期政策年份营业收入为1300万元,经营成本为525万元。
运营期第1年营业收入和经营成本均为正常年份的70%,第2年起各年营业收入和经营成本达到正常年份水平。
6.项目所得税税率为25%,营业税金及附加税率为6%。
问题:1.列式计算项目的基本预备费和涨价预备费。
2.列式计算项目的建设期贷款利息,并在答题纸上完成表1.1建设项目固定资产投资估算表。
3.计算项目各年还款付息额,并将数据填入答题纸上表1.2项目还本付息表。
4.列式计算项目运营期第1年的项目总成本费用。
5.列式计算项目资本金现金流量分析中运营期第1年的净现金流量。
(计算结果均保留两位小数)试题二:(20分)某设计单位为拟建工业厂房提供三种屋面防水保温工程设计方案,工业主选择。
方案一,硬泡聚氨酯防水保温材料(防水保温二合一);方案二,三元乙丙橡胶卷材(&=2×1.2mm)加陶粒混凝土;方案三,SBS改性沥青卷材(&=2×1.2mm)。
江苏省各年案例考试真题及模拟试题2011年江苏省建设工程造价员资格考试土建造价案例分析试卷本卷为案例分析题,初级做一~四题,共四题,总分100分;中级做三~六题,共四题,总分120分;高级做四~七题,共四题,总分120分;多做和漏做的题均不得分。
人工工资单价和施工机械台班单价全部以04年计价表中价格为准;文字与图形不同时,以文字说明为准;要求分析合理,结论正确,并简要写出计算过程。
一.(本题25分)如图,某多层住宅变形缝宽度为0.20 m ,阳台水平投影尺寸为1.80×3.60 m (共18个),雨蓬水平投影尺寸为2.60×4.00 m ,坡屋面阁楼室内净高最高点为3.65m ,坡屋面坡度为1:2;平屋面女儿墙顶面标高为11.60 m 。
请按建筑工程建筑面积计算规范(GB /T50353-2005)计算下图的建筑面积,并按04年计价表规定计算外墙脚手架工程量。
二.(本题25分)如图,某单位办公楼屋面现浇钢筋砼有梁板,板厚为100mm ,A 、B 、1、4轴截面尺寸为240×500 mm ,2、3轴截面尺寸为240×350 mm ,柱截面尺寸为400×400 mm 。
请根据04年计价表三.(本题25分)根据下表提供的子目名称及做法,请按04计价表填写所列子目的计价表编号和综合单价,其他未说明的,按计价表执行。
(人工、材料、机械单价和管理费费率、利润费率按计价表子目不做调整,项目未注明者均位于标高20m 以下)四.(本题25分)如图,某单位传达室基础平面图和剖面图。
根据地质勘探报告,土壤类别为三类,无地下水。
该工程设计室外地坪标高为-0.30米,室内地坪标高为±0.00米,防潮层标高-0.06米,防潮层做法为C20抗渗砼P10以内,防潮层以下用M7.5水泥砂浆砌标准砖基础,防潮层以上为多孔砖墙身,C20钢筋砼条形基础,砼构造柱截面尺寸240×240mm,从钢筋砼条形基础中伸出。
2011年江苏省建设工程造价员资格考试土建造价案例试卷及答案题号一二三四五六七总分计分人核分人得分本卷为案例分析题,初级做一~四题,共四题,总分100分;中级做三~六题,共四题,总分120分;高级做四~七题,共四题,总分120分;多做和漏做的题均不得分。
除注明外,人工工资单价、材料单价和施工机械台班单价全部以04年计价表中价格为准;文字与图形不同时,以文字说明为准;要求分析合理,结论正确,并简要写出计算过程。
一、(本题25分,初级做)某接待室,为三类工程,其基础平面图、剖面图如图所示。
基础为C20钢筋砼条形基础,C10素砼垫层,±0.00m以下墙身采用砼标准砖砌筑,设计室外地坪为-0.150m。
根据地质勘探报告,土壤类别为三类土,无地下水。
该工程采用人工挖土,从垫层下表面起放坡,放坡系数为1:0.33,工作面从垫层边到地槽边为200mm,砼采用泵送商品砼。
请按以上施工方案以及江苏省04计价表计算土方开挖、砼垫层以及砼基础的计价表工程量和综合单价。
(一)计价表工程量计算表序号项目名称计算公式计量单位数量(接第1页表格)序号项目名称计算公式计量单位数量(二)套用计价表子目综合单价计算表定额号子目名称单位数量单价合价二、(本题25分,初级做)根据下表提供的子目名称及做法,请按江苏省04年计价表填写计价表编号、单位和综合单价,综合单价有换算的列简要换算过程。
其他未说明的,按计价表执行。
(管理费、利润费率标准按计价表子目不做调整,材料、机械需换算单价的按照计价表附录单价或给定条件换算。
)计价表编号子目名称及做法单位综合单价有换算的列简要换算过程综合单价(元)正铲挖掘机挖湿土(装车,斗容量1m3,湿土含水率30%)震动沉管灌注砼桩(单打,现浇自拌C30砼,碎石最大粒径40mm,水泥42.5级,桩长16m,充盈系数1.3)M5混合砂浆砌KP1砖墙(240mm厚,弧形墙)肋梁砼(现浇C35泵送商品砼)预制砼吊车梁安装(安装点高度25m)屋面板制作(20mm厚,一面刨光,平口)外墙贴釉面砖(勾缝,缝宽10mm,面砖规格200×50mm,单价1元/块)现浇110 mm厚有梁板复合木模板(框架结构,层高4.5m)三、(本题15分,初、中级做)某打桩工程,设计桩型为T-PHC-AB700-650(110)-13、13a,管桩数量250根,断面及示意如图所示,桩外径700mm,壁厚110mm,自然地面标高-0.3m,桩顶标高-3.6m,螺栓加焊接接桩,管桩接桩接点周边设计用钢板,该型号管桩成品价为1800元/m3,a型空心桩尖市场价180元/个。
2011年造价工程师考试《工程造价案例分析》真题及参考答案试题一(20分)1.某建设项目的工程费由以下内容构成:(1)主要生产项目1500万元,其中建筑工程费300万元,设备购置费1050万元,安装工程费150万元。
(2)辅助生产项目300万元,其中建筑工程费150万元,设备购置费110万元,安装工程费40万元。
(3)公用工程150万元,其中建筑工程费100万元,设备购置费40万元,安装工程费10万元。
2.项目建设前期年限为1年,项目建设期第1年完成投资40%,第2年完成投资60%。
工程建设其他费为250万元,基本预备费率为10%,年均投资价格上涨为6%。
3.项目建设期2年,运营期8年。
建设期贷款1200万元,贷款年利率为6%,在建设期第1年投入40%,第2年投入60%。
贷款在运营期前4年按照等额还本、利息照付的方式偿还。
4.项目固定资产投资预计全部形成固定资产,使用年限为8年,残值率为5%,采用直线法折旧。
运营期第1年投入资本金200万元作为流动资金。
5.项目运营期正常年份的营业收入为1300万元,经营成本为525万元。
运营期第1年的营业收入和经营成本均为正常年份的70%,自运营期第2年起进入正常年份。
6.所得税税率为25%,营业税金及附加为6%。
问题:1.列式计算项目的基本预备费和涨价预备费。
2.列式计算项目的建设期贷款利息,并完成表1.1建设项目固定资产投资估算表。
3.计算项目各年还本付息额,填入表1.2还本付息计划表。
4.列式计算项目运营期第1年的总成本费用。
5.列式计算项目资本金现金流量分析中运营期第1年的净现金流量。
(填表及计算结果均保留2位小数)试题二(20分)某设计单位为拟建工业厂房提供三种屋面防水保温工程设计方案,供业主选择。
方案一,硬泡聚氨酯防水保温材料(防水保温二合一):方案二,三元乙丙橡胶卷材(δ=2×1.2mm)加陶粒混凝土;方案三,SBS改性沥青卷材(δ=2×3mm)加陶粒混凝土。
二○○七年江苏省建设工程造价员资格考试土建造价案例分析试卷本卷为案例分析题,初级做一~四题,共四题,总分100分;中级做三~六题,共四题,总分120分;高级做四~七题,共四题,总分120分;多做和漏做的题均不得分。
人工工资单价和施工机械台班单价全部以04年计价表中价格为准;文字与图形不同时,以文字说明为准;要求分析合理,结论正确,并简要写出计算过程。
一.(本题25分)如图,某多层住宅变形缝宽度为0.20 m ,阳台水平投影尺寸为1.80×3.60 m (共18个),雨蓬水平投影尺寸为2.60×4.00 m ,坡屋面阁楼室内净高最高点为3.65m ,坡屋面坡度为1:2;平屋面女儿墙顶面标高为11.60 m 。
请按建筑工程建筑面积计算规范(GB /T50353-2005)计算下图的建筑面积,并按04年计价表规定计算外墙脚手架工程量。
建筑面积和工程量计算表二.(本题25分)如图,某单位办公楼屋面现浇钢筋砼有梁板,板厚为100mm ,A 、B 、1、4轴截面尺寸为240×500 mm ,2、3轴截面尺寸为240×350 mm ,柱截面尺寸为400×400 mm 。
请根据04年计价表的有关规定,计算现浇钢筋砼有梁板的砼工程量、模板工程量(按接触面积计算)。
工程量计算表三.(本题25分)根据下表提供的子目名称及做法,请按04计价表填写所列子目的计价表编号和综合单价,其他未说明的,按计价表执行。
(人工、材料、机械单价和管理费费率、利润费率按计价表子目不做调整,项目未注明者均位于标高20m 以下)四.(本题25分)如图,某单位传达室基础平面图和剖面图。
根据地质勘探报告,土壤类别为三类,无地下水。
该工程设计室外地坪标高为-0.30米,室内地坪标高为±0.00米,防潮层标高-0.06米,防潮层做法为C20抗渗砼P10以内,防潮层以下用M7.5水泥砂浆砌标准砖基础,防潮层以上为多孔砖墙身,C20钢筋砼条形基础,砼构造柱截面尺寸240×240mm,从钢筋砼条形基础中伸出。
二○一一年江苏省建设工程造价员资格考试市政造价案例分析试卷本卷共六题,为案例分析。
试题要求分析计算过程清晰。
初级造价员考一至四题(总分100分),中级造价员考二至五题(总分120分),高级造价员考三至六题(总分120分)。
一、(本题10分)度达到95%。
请计算下列土方工程表,分别算出挖土和填土体积。
二、(本题30分)4cm细粒式沥青砼(Sup-13)+6cm粗粒式沥青砼(Sup-25)+20cm 二灰碎石(配合比为石灰:粉煤灰:碎石=6:12:82)+20cm12%灰土,节点大样如下图所示。
已知:设计要求SUP沥青混合料使用AH-70石油沥青,其余使用乳化沥青;招标文件要求为:灰土使用商品料,下面层沥青完成后招标人即使用该道路工程,两个月后再实施上面层;路基及绿化带土方不考虑。
试计算该道路工程计价表工程量及清单工程量并编制分部分项工程量清单。
节点大样图(图中未标注单位者其单位为cm)第 3 页共20 页三、(本题30分)某一雨水工程长360m,管道采用直径为DN1000钢筋砼Ⅱ级管(2米一节),基础采用省标图集180°C15砼基础。
管道接口采用钢丝网水泥砂浆接口。
设计采用φ1500mm雨水检查井(流槽式),检查井共9座,平均布置(工程起点及终点处均设有检查井),检查井所占空间体积按10.5m3/座,检查井最大水平投影面积为4 m2/座,一座井位加宽部分的挖方面积为1 m2。
已知:沟槽平均深度 3.2m,沟槽用原挖出的素土回填至原地面标高。
设井字支撑下挖土(木挡土板、木支撑)。
沟槽挖土采用1 m3反铲挖掘机挖三类土方(不装车,无人工辅助开挖),挖、填土方不计场内运输费用,沟槽采用机械回填,余方弃运按1 m3反铲挖掘机装车、8吨自卸汽车运3KM考虑,。
①计算本工程的土方和管道的清单工程量及计价工程量;②参照04年《江苏省市政工程计价表》(人工、材料、机械单价、管理费和利润费率不调整),计算土方挖、填、运的工程量清单综合单价。
2011年全国江苏造价员考试建筑专业案例题理解分析一、(本题25分)根据下表提供的子目名称及做法,请填写所列子目的计价表编号、综合单价及合价,具体做法与计价表不同的,综合单价需要换算。
(人工工资单价、管理费费率、利润费率等未作说明的按计价表子目不做调整,项目未注明者均位于一至六层楼之间)第一小题铺设木楞及毛地板(楞木按计价表规定),用1:2厚40mm水泥砂浆坞龙骨查计价表知,铺设木楞及毛地板(楞木按计价表规定),用1:2厚40mm水泥砂浆坞龙骨的子目编号为12-126,所以在“计价表编号”栏中填上12-126,并得知定额价为972.28元。
根据题意下步要求计算综合单价,并列出简要计算过程,我们可以从下面几步来进行分析:1、题目要求用1:2厚40mm水泥砂浆坞龙骨,而计价表子目采用的是1:3的水泥砂浆,并根据计价表子目下的备注3知道坞龙骨的水泥砂浆是按50mm计入的,如果设计与定额不符,砂浆用量必须按比例调整。
那么这里需要调整的就有两个数据,其一是水泥砂浆单价,其二是40mm厚的含量。
2、查计价表附录四可知1:2的水泥砂浆单价为212.43元/立方米,通过计算我们还可以知道40mm 厚的含量应为0.368*4/5。
3、那么我们可以先扣除子目中含量为0.368立方米的1:3水泥砂浆的原价64.88元,再根据题目要求把1:2厚40mm水泥砂浆换入。
具体调整换算我们可以这样进行:将1:2水泥砂浆212.43*0.368*4/5=62.54元替换原子目中1:3水泥砂浆64.88元。
据此,整个综合单价简要计算过程就可以是: 972.28-64.88+212.43*0.368*4/5=969.94元 合价就是969.94*4.8=4655.71元 答案:(粗体字为答案)该题的目的,就是要求我们理解并掌握不同配比、不同厚度的水泥砂浆间应该如何进行换算。
第二小题 装饰二级企业施工复杂弧形台阶水泥砂浆贴花岗岩(弧长共20m ,损耗不考虑)查计价表知,台阶水泥砂浆贴花岗岩的子目编号应为12-59,所以在“计价表编号”栏中填上12-59。
二○一一年江苏省建设工程造价员资格考试土建造价案例试卷及答案本卷为案例分析题,初级做一~四题,共四题,总分100分;中级做三~六题,共四题,总分120分;高级做四~七题,共四题,总分120分;多做和漏做的题均不得分。
除注明外,人工工资单价、材料单价和施工机械台班单价全部以04年计价表中价格为准;文字与图形不同时,以文字说明为准;要求分析合理,结论正确,并简要写出计算过程。
一、(本题25分,初级做)某接待室,为三类工程,其基础平面图、剖面图如图所示。
基础为C20钢筋砼条形基础,C10素砼垫层,±0.00m以下墙身采用砼标准砖砌筑,设计室外地坪为-0.150m。
根据地质勘探报告,土壤类别为三类土,无地下水。
该工程采用人工挖土,从垫层下表面起放坡,放坡系数为1:0.33,工作面从垫层边到地槽边为200mm,砼采用泵送商品砼。
请按以上施工方案以及江苏省04计价表计算土方开挖、砼垫层以及砼基础的计价表工程量和综合单价。
(一)计价表工程量计算表(接第1页表格)(二)套用计价表子目综合单价计算表二、(本题25分,初级做)根据下表提供的子目名称及做法,请按江苏省04年计价表填写计价表编号、单位和综合单价,综合单价有换算的列简要换算过程。
其他未说明的,按计价表执行。
(管理费、利润费率标准按计价表子目不做调整,材料、机械需换算单价的按照计价表附录单价或给定条件换算。
)三、(本题15分,初、中级做)某打桩工程,设计桩型为T-PHC-AB700-650(110)-13、13a,管桩数量250根,断面及示意如图所示,桩外径700mm,壁厚110mm,自然地面标高-0.3m,桩顶标高-3.6m,螺栓加焊接接桩,管桩接桩接点周边设计用钢板,该型号管桩成品价为1800元/m3,a型空心桩尖市场价180元/个。
采用静力压桩施工方法,管桩场内运输按250m考虑。
本工程人工单价、除成品桩外其他材料单价、机械台班单价、管理费、利润费率标准等按计价表执行不调整。
二○一一年江苏省建设工程造价员资格考试
土建造价案例分析试卷
本卷为案例分析题,初级做一~四题,共四题,总分100分;中级做三~六题,共四题,总分120分;高级做四~七题,共四题,总分120分;多做和漏做的题均不得分。
除注明外,人工工资单价、材料单价和施工机械台班单价全部以04年计价表中价格为准;文字与图形不同时,以文字说明为准;要求分析合理,结论正确,并简要写出计算过程。
一、(本题25分,初级做)
某接待室,为三类工程,其基础平面图、剖面图如图所示。
基础为C20钢筋砼条形基础,C10素砼垫层,±0.00m以下墙身采用砼标准砖砌筑,设计室外地坪为-0.150m。
根据地质勘探报告,土壤类别为三类土,无地下水。
该工程采用人工挖土,从垫层下表面起放坡,放坡系数为1:0.33,工作面从垫层边到地槽边为200mm,砼采用泵送商品砼。
请按以上施工方案以及江苏省04计价表计算土方开挖、砼垫层以及砼基础的计价表工程量和综合单价。
(一)计价表工程量计算表
(二)套用计价表子目综合单价计算表
二、(本题25分,初级做)
根据下表提供的子目名称及做法,请按江苏省04年计价表填写计价表编号、单位和综合单价,综合单价有换算的列简要换算过程。
其他未说明的,按计价表执行。
(管理费、利润费率标准按计价表子目不做调整,材料、机械需换算单价的按照计价表附录单价或给定条件换算。
)
三、(本题15分,初、中级做)
某打桩工程,设计桩型为T-PHC-AB700-650(110)-13、13a,管桩数量250根,断面及示意如图所示,桩外径700mm,壁厚110mm,自然地面标高-0.3m,桩顶标高-3.6m,螺栓加焊接接桩,管桩接桩接点周边设计用钢板,该型号管桩成品价为1800元/m3,a型空心桩尖市场
价180元/个。
采用静力压桩施工方法,管桩场内运输按250m考虑。
本工程人工单价、除成品桩外其他材料单价、机械台班单价、管理费、利润费率标准等按计价表执行不调整。
请根据上述条件按江苏省04计价表的规定计算该打桩工程分部分项工程费。
(π取值3.14;按计价表规则计算送桩工程量时,需扣除管桩空心体积;填表时成品桩、桩尖单独列项;小数点后保留两位小数。
)
见另图
(二)套用计价表子目综合单价计算表
四、(本题35分,初、中、高级均做)
某一层接待室为三类工程,平、剖面图如图所示。
墙体中C20构造柱体积为3.6m3(含马牙槎),墙体中C20圈梁断面为240×300mm,体积为1.99m 3,屋面板砼标号C20,厚100mm,门窗洞口上方设置砼过梁,体积为0.54m 3,窗下设C20窗台板,体积为0.14m 3, -0.06m处设水泥砂浆防潮层,防潮层以上墙体为MU5KP1粘土多孔砖240×115×90mm,M5混合砂浆砌筑,防潮层以下为砼标准砖,门窗为彩色铝合金材质,尺寸见门窗表。
1、请按《建设工程工程量清单计价规范》(GB50500-2008)编制KP1粘土多孔砖墙体分部分项工程量清单。
(内墙高度算至屋面板底)。
2、请按江苏省04计价表计算KP1粘土多孔砖墙体分部分项工程量清单综合单价。
(管理费、利润费率等按计价表执行不调整,其他未说明的,按计价表执行。
)
3、请按09费用定额计价程序计算KP1粘土多孔砖墙体工程预算造价。
已知本墙体工程中材料暂估价为2000元,专业工程暂估价为业主拟单独发包的门窗,其中门按320元/m 2,窗按300元/m2暂列。
建设方要求创建市级文明工地,安全文明施工措施费现场考评费暂足额计取,脚手架费按500元计算,临时设施费费率2%,工程排污费费率0.1%,建筑安全监督管理费费率0.118%,税金费率3.48%,社会保障费、公积金按09费用定额相应费率执行(其它未
门窗表
(一)分部分项清单工程量计算表
(二)分部分项工程量清单
五、(本题30分,中级、高级做)
某现浇C25砼有梁板楼板平面配筋图(如图1所示),请根据《混凝土结构施工图平面整体表示方法制图规则和构造详图(现浇混凝土框架、剪力墙、梁、板)》(国家建筑标准设计图集11G101-1)有关构造要求(如图2、图3所示),以及本题给定条件,计算该楼面板钢筋总用量,其中板厚100 mm,钢筋保护层厚度15mm,钢筋锚固长度l ab=35d;板底部设置双向受力筋,板支座上部非贯通纵筋原位标注值为支座中线向跨内的伸出长度;板受力筋排列根数为=[(L-100mm)/设计间距]+1,其中L为梁间板净长;分布筋长度为轴线间距离,分布筋根数为布筋范围除以板筋间距。
板筋计算根数时如有小数时,均为向上取整计算根数,(如4.1取5根)。
钢筋长度计算保留三位小数;重量保留两位小数。
温度筋、马凳筋等不计。
六、(本题40分,中级、高级做)
某工业厂房±0.00~3.27m结构图如图所示,柱、剪力墙砼为C35,梁、板砼为C30,柱和剪力墙底标高-2.5M(基础顶面标高),室外设计标高-0.3M,板厚均为120mm。
请按江苏省04计价表计算:1、柱、梁、板、剪力墙砼工程量。
2、按接触面积计算KZ1、KZ2柱和梁、板模板工程量。
3、对计算出的以上工程量套用计价表子目并计算综合单价。
(π取值3.14;柱、剪力墙砼工程量从基础顶面标高起算;柱模板工程量从基础顶面标高起算;施工时柱分两次浇筑;砼采用商品砼泵送;模板施工采用复合木模板;小数点后保留两位小数。
)
(一)计价表工程量计算表
七、(本题15分,高级做)
某公开招标土建项目,框架结构办公楼,建筑面积6000m2。
使用1999年建设工程施工合同示范文本。
施工合同专用条款中关于价款调整的条款签订如下:
23.2本合同价款采用固定单价合同方式确定。
(1)采用固定单价合同,合同价款中包括的风险范围:完成本工程应该计入投标报价中的费用以及各类建材的合理市场风险。
风险费用的计算方法:/ 。
风险范围以外合同价款调整方法:
1、施工期内主要材料的市场价格波动调整按照《关于加强建筑材料价格风险控制的指导意见》[苏建价(2008)67号文]执行;
2、原投标文件中没有相同或相似项目的新增清单项目,综合单价按照2004年江苏省计价表,并且让利10%;
3、合同外可能增加的其它零星工程,人工工资、材料价格、费率等执行投标时的报价标准,另行计算。
除此外,工程变更、工程量确认、索赔等条款均按通用条款执行。
已知该工程投标截止日为2010年8月1日9点整,2010年8月15日签订施工合同,合同约定2010年9月1日开工,2011年4月1日竣工。
实际2010年9月1日开工,2011年3月10日竣工。
该工程施工前后及期间的造价管理机构发布的钢筋综合指导价及发包人认可的钢
问题(一):根据施工合同,发包人将承担的钢材价差为多少?请说明理由。
问题(二):工程结算时,承包人除材料价格外,还提出以下调整要求,请问是否合理?并简要说明理由?
1、2010年11月1日以后完成的工程量部分人工工资单价按《关于调整建筑、装饰、安装、市政、修缮加固、仿古建筑及园林工程预算工资单价的通知》(苏建价[2010]494号)调整。
2、该项目中由于部分砼结构支模高度大于10米,需要搭设高支模。
施工中按专家认证后的方案进行了搭设。
按专家方案支模费用远远大于施工企业原投标时按计价表的套价。
承包人要求补差。
3、该项目为机械大开挖,清单列项中应有“挖基础土方”。
但发包人招标时提供的清单中仅有“挖土方”清单,没有“挖基础土方”清单。
因此施工企业将“挖基础土方”部分费用报入“挖土方”项目,并按“挖土方”项目的工程量计算规则组价,综合单价中未包括工作面和放坡因素,报价为12元/m3。
承包人要求:或者按“挖土方”综合单价执行,清单工程量计算时要放工作面和放坡;或者按照“挖基础土方”重新组价,清单综合单价中考虑工作面和放坡因素。
4、由于发包人工程款支付不到位,2011年2月1日前仅支付到应付部分的50%。
2011年2月1日以后税金标准调整了,承包人要求2011年2月1日以后支付价款部分税金应按新标准调整。